Bukh Diesel Engine Parts Manual . We have 2 bukh dv20 marine diesel engine manuals available for free pdf download: this engine installation and operation manual is provided as guidance for the installation of a hyundai seasall engine in. view and download bukh dv24 me owner's handbook manual online. Dv24 me engine pdf manual download. manuals and user guides for bukh dv20 marine diesel engine.
from studylib.net
manuals and user guides for bukh dv20 marine diesel engine. view and download bukh dv24 me owner's handbook manual online. this engine installation and operation manual is provided as guidance for the installation of a hyundai seasall engine in. Dv24 me engine pdf manual download. We have 2 bukh dv20 marine diesel engine manuals available for free pdf download:
owner`s handbook bukh marine diesel engine type dv32 me
Bukh Diesel Engine Parts Manual Dv24 me engine pdf manual download. this engine installation and operation manual is provided as guidance for the installation of a hyundai seasall engine in. Dv24 me engine pdf manual download. manuals and user guides for bukh dv20 marine diesel engine. We have 2 bukh dv20 marine diesel engine manuals available for free pdf download: view and download bukh dv24 me owner's handbook manual online.
From device.report
BUKH DV36 RME Marine Diesel Lifeboat Engine Owner's Manual Bukh Diesel Engine Parts Manual Dv24 me engine pdf manual download. view and download bukh dv24 me owner's handbook manual online. this engine installation and operation manual is provided as guidance for the installation of a hyundai seasall engine in. We have 2 bukh dv20 marine diesel engine manuals available for free pdf download: manuals and user guides for bukh dv20 marine. Bukh Diesel Engine Parts Manual.
From issuu.com
Bukh Dv10 Dv20 Dv10me Dv20me Engine Service R by AndraAbraham Issuu Bukh Diesel Engine Parts Manual this engine installation and operation manual is provided as guidance for the installation of a hyundai seasall engine in. Dv24 me engine pdf manual download. manuals and user guides for bukh dv20 marine diesel engine. view and download bukh dv24 me owner's handbook manual online. We have 2 bukh dv20 marine diesel engine manuals available for free. Bukh Diesel Engine Parts Manual.
From energycomm.web.fc2.com
Bukh Dv29 Rme Manual Bukh Diesel Engine Parts Manual Dv24 me engine pdf manual download. this engine installation and operation manual is provided as guidance for the installation of a hyundai seasall engine in. manuals and user guides for bukh dv20 marine diesel engine. We have 2 bukh dv20 marine diesel engine manuals available for free pdf download: view and download bukh dv24 me owner's handbook. Bukh Diesel Engine Parts Manual.
From www.marinedieselbasics.com
Bukh 10 hp Engine Manual MARINE DIESEL BASICS Bukh Diesel Engine Parts Manual this engine installation and operation manual is provided as guidance for the installation of a hyundai seasall engine in. Dv24 me engine pdf manual download. We have 2 bukh dv20 marine diesel engine manuals available for free pdf download: view and download bukh dv24 me owner's handbook manual online. manuals and user guides for bukh dv20 marine. Bukh Diesel Engine Parts Manual.
From www.manualslib.com
BUKH DV32 RME OWNER'S HANDBOOK MANUAL Pdf Download ManualsLib Bukh Diesel Engine Parts Manual We have 2 bukh dv20 marine diesel engine manuals available for free pdf download: view and download bukh dv24 me owner's handbook manual online. manuals and user guides for bukh dv20 marine diesel engine. this engine installation and operation manual is provided as guidance for the installation of a hyundai seasall engine in. Dv24 me engine pdf. Bukh Diesel Engine Parts Manual.
From manualzz.com
owner`s handbook bukh marine diesel lifeboat engine type dv24 rm Manualzz Bukh Diesel Engine Parts Manual We have 2 bukh dv20 marine diesel engine manuals available for free pdf download: Dv24 me engine pdf manual download. this engine installation and operation manual is provided as guidance for the installation of a hyundai seasall engine in. manuals and user guides for bukh dv20 marine diesel engine. view and download bukh dv24 me owner's handbook. Bukh Diesel Engine Parts Manual.
From www.emanualonline.com
Bukh Diesel engine type DV24RME Spart Part List Manuals Online Bukh Diesel Engine Parts Manual manuals and user guides for bukh dv20 marine diesel engine. view and download bukh dv24 me owner's handbook manual online. Dv24 me engine pdf manual download. We have 2 bukh dv20 marine diesel engine manuals available for free pdf download: this engine installation and operation manual is provided as guidance for the installation of a hyundai seasall. Bukh Diesel Engine Parts Manual.
From www.emanualonline.com
Bukh Diesel engine type DV24RME Spart Part List Manuals Online Bukh Diesel Engine Parts Manual this engine installation and operation manual is provided as guidance for the installation of a hyundai seasall engine in. Dv24 me engine pdf manual download. We have 2 bukh dv20 marine diesel engine manuals available for free pdf download: manuals and user guides for bukh dv20 marine diesel engine. view and download bukh dv24 me owner's handbook. Bukh Diesel Engine Parts Manual.
From www.marinedieselbasics.com
Bukh DV10 LME Marine Diesel Engine Owners Handbook MARINE DIESEL BASICS Bukh Diesel Engine Parts Manual manuals and user guides for bukh dv20 marine diesel engine. this engine installation and operation manual is provided as guidance for the installation of a hyundai seasall engine in. We have 2 bukh dv20 marine diesel engine manuals available for free pdf download: view and download bukh dv24 me owner's handbook manual online. Dv24 me engine pdf. Bukh Diesel Engine Parts Manual.
From www.scribd.com
Bukh Diesel Engine Type BBD1105 & BBV1505 Operator's Maintenance Manual Bukh Diesel Engine Parts Manual this engine installation and operation manual is provided as guidance for the installation of a hyundai seasall engine in. manuals and user guides for bukh dv20 marine diesel engine. Dv24 me engine pdf manual download. view and download bukh dv24 me owner's handbook manual online. We have 2 bukh dv20 marine diesel engine manuals available for free. Bukh Diesel Engine Parts Manual.
From www.emanualonline.com
BUKH Diesel Engine OWNER USER OPERATOR Manual Bukh Diesel Engine Parts Manual Dv24 me engine pdf manual download. manuals and user guides for bukh dv20 marine diesel engine. We have 2 bukh dv20 marine diesel engine manuals available for free pdf download: view and download bukh dv24 me owner's handbook manual online. this engine installation and operation manual is provided as guidance for the installation of a hyundai seasall. Bukh Diesel Engine Parts Manual.
From www.agrimanuals.com
Bukh Marine Diesel Lifeboat Engine DV24RME Operators Manual Bukh Diesel Engine Parts Manual this engine installation and operation manual is provided as guidance for the installation of a hyundai seasall engine in. manuals and user guides for bukh dv20 marine diesel engine. Dv24 me engine pdf manual download. view and download bukh dv24 me owner's handbook manual online. We have 2 bukh dv20 marine diesel engine manuals available for free. Bukh Diesel Engine Parts Manual.
From www.agrimanuals.com
Bukh Marine Diesel Lifeboat Engine D3 Operators Manual Bukh Diesel Engine Parts Manual Dv24 me engine pdf manual download. We have 2 bukh dv20 marine diesel engine manuals available for free pdf download: view and download bukh dv24 me owner's handbook manual online. this engine installation and operation manual is provided as guidance for the installation of a hyundai seasall engine in. manuals and user guides for bukh dv20 marine. Bukh Diesel Engine Parts Manual.
From www.marinedieselbasics.com
Bukh Diesel Engine Manuals MARINE DIESEL BASICS Bukh Diesel Engine Parts Manual Dv24 me engine pdf manual download. this engine installation and operation manual is provided as guidance for the installation of a hyundai seasall engine in. We have 2 bukh dv20 marine diesel engine manuals available for free pdf download: manuals and user guides for bukh dv20 marine diesel engine. view and download bukh dv24 me owner's handbook. Bukh Diesel Engine Parts Manual.
From www.lsm-diesel.dk
LSM Diesel A/S Bukh tegning Bukh Diesel Engine Parts Manual manuals and user guides for bukh dv20 marine diesel engine. view and download bukh dv24 me owner's handbook manual online. Dv24 me engine pdf manual download. We have 2 bukh dv20 marine diesel engine manuals available for free pdf download: this engine installation and operation manual is provided as guidance for the installation of a hyundai seasall. Bukh Diesel Engine Parts Manual.
From manualzz.com
owner`s handbook bukh marine diesel engine type dv24 Manualzz Bukh Diesel Engine Parts Manual this engine installation and operation manual is provided as guidance for the installation of a hyundai seasall engine in. Dv24 me engine pdf manual download. manuals and user guides for bukh dv20 marine diesel engine. We have 2 bukh dv20 marine diesel engine manuals available for free pdf download: view and download bukh dv24 me owner's handbook. Bukh Diesel Engine Parts Manual.
From www.emanualonline.com
BUKH Diesel Engine DV 10 L ME & SME OWNER USER Manual Bukh Diesel Engine Parts Manual view and download bukh dv24 me owner's handbook manual online. manuals and user guides for bukh dv20 marine diesel engine. We have 2 bukh dv20 marine diesel engine manuals available for free pdf download: this engine installation and operation manual is provided as guidance for the installation of a hyundai seasall engine in. Dv24 me engine pdf. Bukh Diesel Engine Parts Manual.
From www.agrimanuals.com
Bukh Callesden Diesel Engine 427CF Service Manual Bukh Diesel Engine Parts Manual this engine installation and operation manual is provided as guidance for the installation of a hyundai seasall engine in. manuals and user guides for bukh dv20 marine diesel engine. We have 2 bukh dv20 marine diesel engine manuals available for free pdf download: Dv24 me engine pdf manual download. view and download bukh dv24 me owner's handbook. Bukh Diesel Engine Parts Manual.
From www.emanualonline.com
BUKH Diesel Engine OWNER USER OPERATOR Manual Bukh Diesel Engine Parts Manual view and download bukh dv24 me owner's handbook manual online. We have 2 bukh dv20 marine diesel engine manuals available for free pdf download: manuals and user guides for bukh dv20 marine diesel engine. Dv24 me engine pdf manual download. this engine installation and operation manual is provided as guidance for the installation of a hyundai seasall. Bukh Diesel Engine Parts Manual.
From afwiequineche.weebly.com
Download Bukh Diesel Engine Manual Bukh Diesel Engine Parts Manual view and download bukh dv24 me owner's handbook manual online. this engine installation and operation manual is provided as guidance for the installation of a hyundai seasall engine in. manuals and user guides for bukh dv20 marine diesel engine. Dv24 me engine pdf manual download. We have 2 bukh dv20 marine diesel engine manuals available for free. Bukh Diesel Engine Parts Manual.
From www.manualslib.com
BUKH DV29 RME OWNER'S HANDBOOK MANUAL Pdf Download ManualsLib Bukh Diesel Engine Parts Manual We have 2 bukh dv20 marine diesel engine manuals available for free pdf download: view and download bukh dv24 me owner's handbook manual online. this engine installation and operation manual is provided as guidance for the installation of a hyundai seasall engine in. Dv24 me engine pdf manual download. manuals and user guides for bukh dv20 marine. Bukh Diesel Engine Parts Manual.
From www.agrimanuals.com
Bukh Marine Diesel Engine Beta Solas EPA48 Type BBV2203 Spare Parts Manual Bukh Diesel Engine Parts Manual view and download bukh dv24 me owner's handbook manual online. manuals and user guides for bukh dv20 marine diesel engine. this engine installation and operation manual is provided as guidance for the installation of a hyundai seasall engine in. We have 2 bukh dv20 marine diesel engine manuals available for free pdf download: Dv24 me engine pdf. Bukh Diesel Engine Parts Manual.
From device.report
BUKH DV36 RME Marine Diesel Lifeboat Engine Owner's Manual Bukh Diesel Engine Parts Manual manuals and user guides for bukh dv20 marine diesel engine. We have 2 bukh dv20 marine diesel engine manuals available for free pdf download: Dv24 me engine pdf manual download. this engine installation and operation manual is provided as guidance for the installation of a hyundai seasall engine in. view and download bukh dv24 me owner's handbook. Bukh Diesel Engine Parts Manual.
From www.marinedieselbasics.com
Bukh Diesel Engine Manuals MARINE DIESEL BASICS Bukh Diesel Engine Parts Manual this engine installation and operation manual is provided as guidance for the installation of a hyundai seasall engine in. manuals and user guides for bukh dv20 marine diesel engine. We have 2 bukh dv20 marine diesel engine manuals available for free pdf download: Dv24 me engine pdf manual download. view and download bukh dv24 me owner's handbook. Bukh Diesel Engine Parts Manual.
From www.scribd.com
Manual Bukh Engine DV24 PDF Machines Engines Bukh Diesel Engine Parts Manual We have 2 bukh dv20 marine diesel engine manuals available for free pdf download: manuals and user guides for bukh dv20 marine diesel engine. this engine installation and operation manual is provided as guidance for the installation of a hyundai seasall engine in. Dv24 me engine pdf manual download. view and download bukh dv24 me owner's handbook. Bukh Diesel Engine Parts Manual.
From studylib.net
owner`s handbook bukh marine diesel engine type dv32 me Bukh Diesel Engine Parts Manual this engine installation and operation manual is provided as guidance for the installation of a hyundai seasall engine in. We have 2 bukh dv20 marine diesel engine manuals available for free pdf download: view and download bukh dv24 me owner's handbook manual online. Dv24 me engine pdf manual download. manuals and user guides for bukh dv20 marine. Bukh Diesel Engine Parts Manual.
From www.manualslib.com
BUKH DV24 RME OWNER'S HANDBOOK MANUAL Pdf Download ManualsLib Bukh Diesel Engine Parts Manual this engine installation and operation manual is provided as guidance for the installation of a hyundai seasall engine in. view and download bukh dv24 me owner's handbook manual online. manuals and user guides for bukh dv20 marine diesel engine. Dv24 me engine pdf manual download. We have 2 bukh dv20 marine diesel engine manuals available for free. Bukh Diesel Engine Parts Manual.
From www.downloadboatmanuals.com
Bukh Diesel Marine Engines manuals Boat & Yacht manuals PDF Bukh Diesel Engine Parts Manual this engine installation and operation manual is provided as guidance for the installation of a hyundai seasall engine in. view and download bukh dv24 me owner's handbook manual online. manuals and user guides for bukh dv20 marine diesel engine. Dv24 me engine pdf manual download. We have 2 bukh dv20 marine diesel engine manuals available for free. Bukh Diesel Engine Parts Manual.
From brovertek.com
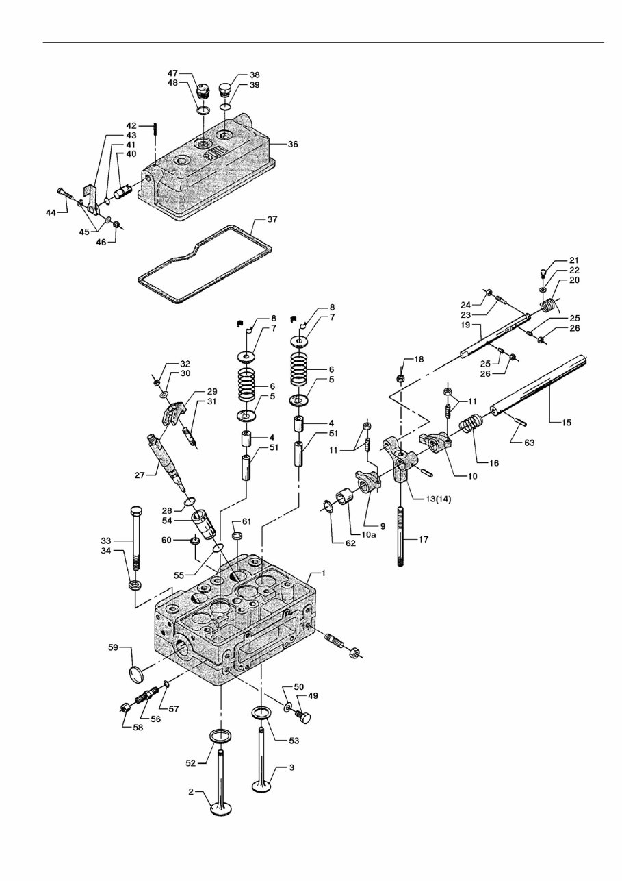
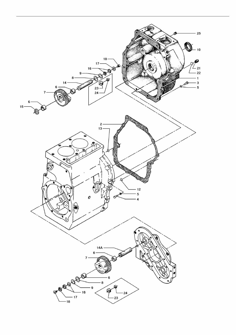
BUKH diesel engine spare parts Bukh Diesel Engine Parts Manual We have 2 bukh dv20 marine diesel engine manuals available for free pdf download: view and download bukh dv24 me owner's handbook manual online. this engine installation and operation manual is provided as guidance for the installation of a hyundai seasall engine in. manuals and user guides for bukh dv20 marine diesel engine. Dv24 me engine pdf. Bukh Diesel Engine Parts Manual.
From www.marinedieselbasics.com
Bukh Diesel Engine Manuals MARINE DIESEL BASICS Bukh Diesel Engine Parts Manual Dv24 me engine pdf manual download. manuals and user guides for bukh dv20 marine diesel engine. We have 2 bukh dv20 marine diesel engine manuals available for free pdf download: view and download bukh dv24 me owner's handbook manual online. this engine installation and operation manual is provided as guidance for the installation of a hyundai seasall. Bukh Diesel Engine Parts Manual.
From www.emanualonline.com
BUKH Diesel Engine DV 10 L ME & SME OWNER USER Manual Bukh Diesel Engine Parts Manual this engine installation and operation manual is provided as guidance for the installation of a hyundai seasall engine in. Dv24 me engine pdf manual download. We have 2 bukh dv20 marine diesel engine manuals available for free pdf download: view and download bukh dv24 me owner's handbook manual online. manuals and user guides for bukh dv20 marine. Bukh Diesel Engine Parts Manual.
From www.emanualonline.com
BUKH Diesel Engine OWNER USER OPERATOR Manual Bukh Diesel Engine Parts Manual We have 2 bukh dv20 marine diesel engine manuals available for free pdf download: view and download bukh dv24 me owner's handbook manual online. this engine installation and operation manual is provided as guidance for the installation of a hyundai seasall engine in. Dv24 me engine pdf manual download. manuals and user guides for bukh dv20 marine. Bukh Diesel Engine Parts Manual.
From www.marinedieselbasics.com
Bukh Diesel Engine Manuals MARINE DIESEL BASICS Bukh Diesel Engine Parts Manual We have 2 bukh dv20 marine diesel engine manuals available for free pdf download: Dv24 me engine pdf manual download. manuals and user guides for bukh dv20 marine diesel engine. this engine installation and operation manual is provided as guidance for the installation of a hyundai seasall engine in. view and download bukh dv24 me owner's handbook. Bukh Diesel Engine Parts Manual.
From www.emanualonline.com
Bukh Diesel engine type DV24RME Spart Part List Manuals Online Bukh Diesel Engine Parts Manual this engine installation and operation manual is provided as guidance for the installation of a hyundai seasall engine in. view and download bukh dv24 me owner's handbook manual online. Dv24 me engine pdf manual download. manuals and user guides for bukh dv20 marine diesel engine. We have 2 bukh dv20 marine diesel engine manuals available for free. Bukh Diesel Engine Parts Manual.
From www.emanualonline.com
Bukh Diesel engine type DV24RME Spart Part List Manuals Online Bukh Diesel Engine Parts Manual manuals and user guides for bukh dv20 marine diesel engine. this engine installation and operation manual is provided as guidance for the installation of a hyundai seasall engine in. view and download bukh dv24 me owner's handbook manual online. We have 2 bukh dv20 marine diesel engine manuals available for free pdf download: Dv24 me engine pdf. Bukh Diesel Engine Parts Manual.