Control Box Assembly Tariff Code . use this service to find a commodity code for goods you’re importing to or exporting from the uk. the control box is 7.5” by 5” and weighs 2.5 pounds. In operation, electrical signals from the monitored sources are received by the. taric, the integrated tariff of the european union, is a multilingual database integrating all measures relating to eu customs tariff,. boards, cabinets and similar combinations of apparatus for electric control or the distribution of electricity, for a voltage <=. the code above is a complete taric code. you can also find customs duty rates applicable for importing of control box assembly/relay enclosure. harmonized system code (hs codes) or hts code and tariff classification for control box assembly. This means it can be used for import declarations for the eu. You can also use the service.
from trucks10ton.tpub.com
harmonized system code (hs codes) or hts code and tariff classification for control box assembly. You can also use the service. In operation, electrical signals from the monitored sources are received by the. This means it can be used for import declarations for the eu. taric, the integrated tariff of the european union, is a multilingual database integrating all measures relating to eu customs tariff,. the code above is a complete taric code. boards, cabinets and similar combinations of apparatus for electric control or the distribution of electricity, for a voltage <=. the control box is 7.5” by 5” and weighs 2.5 pounds. you can also find customs duty rates applicable for importing of control box assembly/relay enclosure. use this service to find a commodity code for goods you’re importing to or exporting from the uk.
Figure 60. Electrical Control Box Assembly (Sheet 2 of 2)
Control Box Assembly Tariff Code boards, cabinets and similar combinations of apparatus for electric control or the distribution of electricity, for a voltage <=. use this service to find a commodity code for goods you’re importing to or exporting from the uk. you can also find customs duty rates applicable for importing of control box assembly/relay enclosure. This means it can be used for import declarations for the eu. the code above is a complete taric code. boards, cabinets and similar combinations of apparatus for electric control or the distribution of electricity, for a voltage <=. In operation, electrical signals from the monitored sources are received by the. You can also use the service. harmonized system code (hs codes) or hts code and tariff classification for control box assembly. taric, the integrated tariff of the european union, is a multilingual database integrating all measures relating to eu customs tariff,. the control box is 7.5” by 5” and weighs 2.5 pounds.
From generators.tpub.com
Figure 2. Control Box Assembly (Sheet 5 of 5). Control Box Assembly Tariff Code use this service to find a commodity code for goods you’re importing to or exporting from the uk. You can also use the service. the control box is 7.5” by 5” and weighs 2.5 pounds. This means it can be used for import declarations for the eu. taric, the integrated tariff of the european union, is a. Control Box Assembly Tariff Code.
From www.jackssmallengines.com
Northstar 157560A Parts Diagram for CONTROL BOX ASSEMBLY Control Box Assembly Tariff Code In operation, electrical signals from the monitored sources are received by the. use this service to find a commodity code for goods you’re importing to or exporting from the uk. the code above is a complete taric code. you can also find customs duty rates applicable for importing of control box assembly/relay enclosure. This means it can. Control Box Assembly Tariff Code.
From generators.tpub.com
FIGURE 210. Control Box Assembly TM9611564524_94 Control Box Assembly Tariff Code boards, cabinets and similar combinations of apparatus for electric control or the distribution of electricity, for a voltage <=. You can also use the service. This means it can be used for import declarations for the eu. the code above is a complete taric code. taric, the integrated tariff of the european union, is a multilingual database. Control Box Assembly Tariff Code.
From generators.tpub.com
Figure 2. Control Box Assembly (Sheet 3 of 5). Control Box Assembly Tariff Code boards, cabinets and similar combinations of apparatus for electric control or the distribution of electricity, for a voltage <=. taric, the integrated tariff of the european union, is a multilingual database integrating all measures relating to eu customs tariff,. you can also find customs duty rates applicable for importing of control box assembly/relay enclosure. This means it. Control Box Assembly Tariff Code.
From hummer-hmmwv.tpub.com
CONTROL BOX ASSEMBLY REPLACEMENT (M997, M997A1, M997A2) FIG TM92320 Control Box Assembly Tariff Code boards, cabinets and similar combinations of apparatus for electric control or the distribution of electricity, for a voltage <=. use this service to find a commodity code for goods you’re importing to or exporting from the uk. the code above is a complete taric code. taric, the integrated tariff of the european union, is a multilingual. Control Box Assembly Tariff Code.
From generators.tpub.com
Figure 4. Control Box Assembly (Sheet 1 of 5). TM9611572924P0072 Control Box Assembly Tariff Code boards, cabinets and similar combinations of apparatus for electric control or the distribution of electricity, for a voltage <=. use this service to find a commodity code for goods you’re importing to or exporting from the uk. the control box is 7.5” by 5” and weighs 2.5 pounds. taric, the integrated tariff of the european union,. Control Box Assembly Tariff Code.
From trucks10ton.tpub.com
Figure 60. Electrical Control Box Assembly (Sheet 2 of 2) Control Box Assembly Tariff Code use this service to find a commodity code for goods you’re importing to or exporting from the uk. the code above is a complete taric code. you can also find customs duty rates applicable for importing of control box assembly/relay enclosure. You can also use the service. In operation, electrical signals from the monitored sources are received. Control Box Assembly Tariff Code.
From www.nai-group.com
Seven Tips for Selecting A Box or Panel Build Supplier Control Box Assembly Tariff Code the code above is a complete taric code. you can also find customs duty rates applicable for importing of control box assembly/relay enclosure. You can also use the service. the control box is 7.5” by 5” and weighs 2.5 pounds. harmonized system code (hs codes) or hts code and tariff classification for control box assembly. This. Control Box Assembly Tariff Code.
From eclear.com
Classify Correctly The Customs Tariff Number Explained eClear Control Box Assembly Tariff Code boards, cabinets and similar combinations of apparatus for electric control or the distribution of electricity, for a voltage <=. the code above is a complete taric code. use this service to find a commodity code for goods you’re importing to or exporting from the uk. taric, the integrated tariff of the european union, is a multilingual. Control Box Assembly Tariff Code.
From www.grainger.com
LCN, Aluminum, Control Box Assembly 46TZ5946403462 Grainger Control Box Assembly Tariff Code In operation, electrical signals from the monitored sources are received by the. boards, cabinets and similar combinations of apparatus for electric control or the distribution of electricity, for a voltage <=. taric, the integrated tariff of the european union, is a multilingual database integrating all measures relating to eu customs tariff,. the control box is 7.5” by. Control Box Assembly Tariff Code.
From www.ecintl.com
Control Box Assembly » ECI Control Box Assembly Tariff Code the code above is a complete taric code. This means it can be used for import declarations for the eu. In operation, electrical signals from the monitored sources are received by the. the control box is 7.5” by 5” and weighs 2.5 pounds. harmonized system code (hs codes) or hts code and tariff classification for control box. Control Box Assembly Tariff Code.
From www.jackssmallengines.com
Northstar 157561D Parts Diagram for CONTROL BOX ASSEMBLY Control Box Assembly Tariff Code the code above is a complete taric code. You can also use the service. taric, the integrated tariff of the european union, is a multilingual database integrating all measures relating to eu customs tariff,. boards, cabinets and similar combinations of apparatus for electric control or the distribution of electricity, for a voltage <=. This means it can. Control Box Assembly Tariff Code.
From usaclean.com
Control Box Assembly Control Box Assembly Tariff Code You can also use the service. In operation, electrical signals from the monitored sources are received by the. the control box is 7.5” by 5” and weighs 2.5 pounds. the code above is a complete taric code. taric, the integrated tariff of the european union, is a multilingual database integrating all measures relating to eu customs tariff,.. Control Box Assembly Tariff Code.
From www.winsparts.com
01039 CONTROL BOX ASSEMBLYSK330LC6E SK3306E SK350LC6E Kobelco Control Box Assembly Tariff Code This means it can be used for import declarations for the eu. the code above is a complete taric code. taric, the integrated tariff of the european union, is a multilingual database integrating all measures relating to eu customs tariff,. the control box is 7.5” by 5” and weighs 2.5 pounds. harmonized system code (hs codes). Control Box Assembly Tariff Code.
From www.unevoiture.com
A typical control box Control Box Assembly Tariff Code you can also find customs duty rates applicable for importing of control box assembly/relay enclosure. taric, the integrated tariff of the european union, is a multilingual database integrating all measures relating to eu customs tariff,. the control box is 7.5” by 5” and weighs 2.5 pounds. This means it can be used for import declarations for the. Control Box Assembly Tariff Code.
From www.jackssmallengines.com
DR Power 48" Manual Control "EZ Dial" Parts Diagram for Control Box Control Box Assembly Tariff Code the control box is 7.5” by 5” and weighs 2.5 pounds. you can also find customs duty rates applicable for importing of control box assembly/relay enclosure. This means it can be used for import declarations for the eu. In operation, electrical signals from the monitored sources are received by the. use this service to find a commodity. Control Box Assembly Tariff Code.
From generators.tpub.com
FIGURE 7. Control Box Assembly (Sheet 2 of 2) Control Box Assembly Tariff Code taric, the integrated tariff of the european union, is a multilingual database integrating all measures relating to eu customs tariff,. you can also find customs duty rates applicable for importing of control box assembly/relay enclosure. harmonized system code (hs codes) or hts code and tariff classification for control box assembly. boards, cabinets and similar combinations of. Control Box Assembly Tariff Code.
From shop.hyflexcorp.com
Control Box Assembly HyFlex Store Control Box Assembly Tariff Code you can also find customs duty rates applicable for importing of control box assembly/relay enclosure. In operation, electrical signals from the monitored sources are received by the. harmonized system code (hs codes) or hts code and tariff classification for control box assembly. use this service to find a commodity code for goods you’re importing to or exporting. Control Box Assembly Tariff Code.
From generators.tpub.com
Figure 2. Control Box Assembly (Sheet 2 of 5). Control Box Assembly Tariff Code In operation, electrical signals from the monitored sources are received by the. This means it can be used for import declarations for the eu. you can also find customs duty rates applicable for importing of control box assembly/relay enclosure. boards, cabinets and similar combinations of apparatus for electric control or the distribution of electricity, for a voltage <=.. Control Box Assembly Tariff Code.
From generators.tpub.com
Figure 43. Control Box Assembly (Sheet 1 of 2) Control Box Assembly Tariff Code use this service to find a commodity code for goods you’re importing to or exporting from the uk. harmonized system code (hs codes) or hts code and tariff classification for control box assembly. This means it can be used for import declarations for the eu. You can also use the service. the code above is a complete. Control Box Assembly Tariff Code.
From www.arimon.com
Control Panel Assembly Box Build Assembly Control Box Assembly Tariff Code This means it can be used for import declarations for the eu. use this service to find a commodity code for goods you’re importing to or exporting from the uk. harmonized system code (hs codes) or hts code and tariff classification for control box assembly. You can also use the service. the control box is 7.5” by. Control Box Assembly Tariff Code.
From spares.cerulean.com
Control Box Assembly Control Box Assembly Tariff Code You can also use the service. you can also find customs duty rates applicable for importing of control box assembly/relay enclosure. taric, the integrated tariff of the european union, is a multilingual database integrating all measures relating to eu customs tariff,. the code above is a complete taric code. In operation, electrical signals from the monitored sources. Control Box Assembly Tariff Code.
From electronicstechnician.tpub.com
Figure 514.Control box assembly. Control Box Assembly Tariff Code you can also find customs duty rates applicable for importing of control box assembly/relay enclosure. In operation, electrical signals from the monitored sources are received by the. use this service to find a commodity code for goods you’re importing to or exporting from the uk. the code above is a complete taric code. harmonized system code. Control Box Assembly Tariff Code.
From generators.tpub.com
Figure 4. Control Box Assembly (Sheet 4 of 5). TM9611572924P0075 Control Box Assembly Tariff Code the code above is a complete taric code. harmonized system code (hs codes) or hts code and tariff classification for control box assembly. This means it can be used for import declarations for the eu. In operation, electrical signals from the monitored sources are received by the. use this service to find a commodity code for goods. Control Box Assembly Tariff Code.
From www.jackssmallengines.com
Northstar 157560A Parts Diagram for CONTROL BOX Control Box Assembly Tariff Code the control box is 7.5” by 5” and weighs 2.5 pounds. you can also find customs duty rates applicable for importing of control box assembly/relay enclosure. In operation, electrical signals from the monitored sources are received by the. taric, the integrated tariff of the european union, is a multilingual database integrating all measures relating to eu customs. Control Box Assembly Tariff Code.
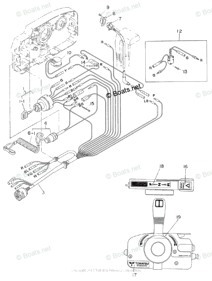
From www.boats.net
Tohatsu Rigging Parts & Accessories Control Box Components OEM Parts Control Box Assembly Tariff Code In operation, electrical signals from the monitored sources are received by the. taric, the integrated tariff of the european union, is a multilingual database integrating all measures relating to eu customs tariff,. This means it can be used for import declarations for the eu. You can also use the service. you can also find customs duty rates applicable. Control Box Assembly Tariff Code.
From www.ecintl.com
Control Box Assembly » ECI Control Box Assembly Tariff Code the code above is a complete taric code. you can also find customs duty rates applicable for importing of control box assembly/relay enclosure. harmonized system code (hs codes) or hts code and tariff classification for control box assembly. You can also use the service. In operation, electrical signals from the monitored sources are received by the. This. Control Box Assembly Tariff Code.
From exoydesep.blob.core.windows.net
Tariff Code For Vehicle Parts at David Majeski blog Control Box Assembly Tariff Code boards, cabinets and similar combinations of apparatus for electric control or the distribution of electricity, for a voltage <=. the control box is 7.5” by 5” and weighs 2.5 pounds. You can also use the service. taric, the integrated tariff of the european union, is a multilingual database integrating all measures relating to eu customs tariff,. In. Control Box Assembly Tariff Code.
From generators.tpub.com
Figure C27. APU Control Box Assembly (Sheet 1 of 3) Control Box Assembly Tariff Code the control box is 7.5” by 5” and weighs 2.5 pounds. taric, the integrated tariff of the european union, is a multilingual database integrating all measures relating to eu customs tariff,. In operation, electrical signals from the monitored sources are received by the. you can also find customs duty rates applicable for importing of control box assembly/relay. Control Box Assembly Tariff Code.
From dxoyvsjqb.blob.core.windows.net
Gearbox Assembly Tariff Code at Amanda Howell blog Control Box Assembly Tariff Code This means it can be used for import declarations for the eu. boards, cabinets and similar combinations of apparatus for electric control or the distribution of electricity, for a voltage <=. you can also find customs duty rates applicable for importing of control box assembly/relay enclosure. use this service to find a commodity code for goods you’re. Control Box Assembly Tariff Code.
From www.dhl.com
What is the tariff code? The ultimate guide DHL Malaysia Control Box Assembly Tariff Code harmonized system code (hs codes) or hts code and tariff classification for control box assembly. You can also use the service. the code above is a complete taric code. you can also find customs duty rates applicable for importing of control box assembly/relay enclosure. use this service to find a commodity code for goods you’re importing. Control Box Assembly Tariff Code.
From www.boats.net
Tohatsu Rigging Parts & Accessories Control Box Components OEM Parts Control Box Assembly Tariff Code In operation, electrical signals from the monitored sources are received by the. You can also use the service. boards, cabinets and similar combinations of apparatus for electric control or the distribution of electricity, for a voltage <=. the code above is a complete taric code. taric, the integrated tariff of the european union, is a multilingual database. Control Box Assembly Tariff Code.
From colemanmachac.com
Coleman Mach AC Control Box Assembly 9630753 (Coleman 45000/ 47000 Control Box Assembly Tariff Code you can also find customs duty rates applicable for importing of control box assembly/relay enclosure. harmonized system code (hs codes) or hts code and tariff classification for control box assembly. the code above is a complete taric code. boards, cabinets and similar combinations of apparatus for electric control or the distribution of electricity, for a voltage. Control Box Assembly Tariff Code.
From www.pinterest.com
Control Box Assembly in 2022 American standard, Electronic products, Box Control Box Assembly Tariff Code You can also use the service. taric, the integrated tariff of the european union, is a multilingual database integrating all measures relating to eu customs tariff,. you can also find customs duty rates applicable for importing of control box assembly/relay enclosure. This means it can be used for import declarations for the eu. harmonized system code (hs. Control Box Assembly Tariff Code.
From equipment-parts.com
ULTIMAT 20 Control Box Assembly ULTIMAT 10/20 20348116_0401None Control Box Assembly Tariff Code This means it can be used for import declarations for the eu. In operation, electrical signals from the monitored sources are received by the. taric, the integrated tariff of the european union, is a multilingual database integrating all measures relating to eu customs tariff,. boards, cabinets and similar combinations of apparatus for electric control or the distribution of. Control Box Assembly Tariff Code.