Interference Fit For Bronze Bushing . Joint pressure in the friction surface is necessary for the torque. Determines the interference or clearance between the bushing. In the specific case of a. The interference fit is achieved by pressing a larger inside member into the smaller opening of an outside member. The flattening of roughness peaks by mounting under high pressure is. Input hole and shaft diameters to determine the interference fit. The interference should be corrected for the effect of surface roughness. Understanding shaft and hole clearance to interference fits, how to determine fit, and specifying a fit in mechanical system design The effective interference of the press fit is designed and facilitated within the target hole which the bushing is installed. As said, if you press or shrink a bushing by.003, expect a. Calculate press fit interference easily with our online tool. Key tolerances to consider for bushing installation.
from engineeringlearn.com
Joint pressure in the friction surface is necessary for the torque. Input hole and shaft diameters to determine the interference fit. The interference fit is achieved by pressing a larger inside member into the smaller opening of an outside member. The interference should be corrected for the effect of surface roughness. Determines the interference or clearance between the bushing. The flattening of roughness peaks by mounting under high pressure is. As said, if you press or shrink a bushing by.003, expect a. Key tolerances to consider for bushing installation. Understanding shaft and hole clearance to interference fits, how to determine fit, and specifying a fit in mechanical system design In the specific case of a.
3 Types of Fits Clearance Fit, Interference Fit, Transition Fit
Interference Fit For Bronze Bushing Joint pressure in the friction surface is necessary for the torque. In the specific case of a. Joint pressure in the friction surface is necessary for the torque. Calculate press fit interference easily with our online tool. The effective interference of the press fit is designed and facilitated within the target hole which the bushing is installed. Understanding shaft and hole clearance to interference fits, how to determine fit, and specifying a fit in mechanical system design As said, if you press or shrink a bushing by.003, expect a. Key tolerances to consider for bushing installation. The flattening of roughness peaks by mounting under high pressure is. The interference should be corrected for the effect of surface roughness. Determines the interference or clearance between the bushing. Input hole and shaft diameters to determine the interference fit. The interference fit is achieved by pressing a larger inside member into the smaller opening of an outside member.
From www.rechargecolorado.org
Bushing Press Fit Tolerance Chart Best Picture Of Chart Interference Fit For Bronze Bushing The interference fit is achieved by pressing a larger inside member into the smaller opening of an outside member. As said, if you press or shrink a bushing by.003, expect a. Calculate press fit interference easily with our online tool. Input hole and shaft diameters to determine the interference fit. Determines the interference or clearance between the bushing. Understanding shaft. Interference Fit For Bronze Bushing.
From www.bronzegleitlager.com
Interference Fit Bronze Sleeve Bushing OD & ID Dimensions Tolerance Interference Fit For Bronze Bushing The effective interference of the press fit is designed and facilitated within the target hole which the bushing is installed. As said, if you press or shrink a bushing by.003, expect a. Understanding shaft and hole clearance to interference fits, how to determine fit, and specifying a fit in mechanical system design Determines the interference or clearance between the bushing.. Interference Fit For Bronze Bushing.
From www.youtube.com
In The Removing and Fitting Interference Fit Bush YouTube Interference Fit For Bronze Bushing Input hole and shaft diameters to determine the interference fit. Determines the interference or clearance between the bushing. Key tolerances to consider for bushing installation. The effective interference of the press fit is designed and facilitated within the target hole which the bushing is installed. Understanding shaft and hole clearance to interference fits, how to determine fit, and specifying a. Interference Fit For Bronze Bushing.
From www.youtube.com
Bearing installation inner ring interference fit YouTube Interference Fit For Bronze Bushing As said, if you press or shrink a bushing by.003, expect a. Input hole and shaft diameters to determine the interference fit. Joint pressure in the friction surface is necessary for the torque. Understanding shaft and hole clearance to interference fits, how to determine fit, and specifying a fit in mechanical system design The effective interference of the press fit. Interference Fit For Bronze Bushing.
From bushingmfg.com
Find Find Bushings By Size,Types & Material Bushing MFG Interference Fit For Bronze Bushing Input hole and shaft diameters to determine the interference fit. Calculate press fit interference easily with our online tool. The flattening of roughness peaks by mounting under high pressure is. The effective interference of the press fit is designed and facilitated within the target hole which the bushing is installed. The interference should be corrected for the effect of surface. Interference Fit For Bronze Bushing.
From www.rechargecolorado.org
Bushing Press Fit Tolerance Chart Best Picture Of Chart Interference Fit For Bronze Bushing Determines the interference or clearance between the bushing. The effective interference of the press fit is designed and facilitated within the target hole which the bushing is installed. Calculate press fit interference easily with our online tool. Input hole and shaft diameters to determine the interference fit. As said, if you press or shrink a bushing by.003, expect a. In. Interference Fit For Bronze Bushing.
From www.tstar.com
Bearing Selection and Achieving the Right Press Fit Interference Fit For Bronze Bushing Calculate press fit interference easily with our online tool. As said, if you press or shrink a bushing by.003, expect a. Joint pressure in the friction surface is necessary for the torque. The interference fit is achieved by pressing a larger inside member into the smaller opening of an outside member. Input hole and shaft diameters to determine the interference. Interference Fit For Bronze Bushing.
From www.villageinframe.com
Iso Tolerances For Shafts And Holes A Pictures Of Hole 2018 Interference Fit For Bronze Bushing The effective interference of the press fit is designed and facilitated within the target hole which the bushing is installed. Joint pressure in the friction surface is necessary for the torque. Key tolerances to consider for bushing installation. The interference fit is achieved by pressing a larger inside member into the smaller opening of an outside member. The interference should. Interference Fit For Bronze Bushing.
From www.esrd.com
StressCheck Tutorial 2D Interference Fit Bushing ESRD Engineering Interference Fit For Bronze Bushing The interference should be corrected for the effect of surface roughness. The interference fit is achieved by pressing a larger inside member into the smaller opening of an outside member. Input hole and shaft diameters to determine the interference fit. Key tolerances to consider for bushing installation. Calculate press fit interference easily with our online tool. Understanding shaft and hole. Interference Fit For Bronze Bushing.
From www.youtube.com
01_04_P2 PressFit Bushings YouTube Interference Fit For Bronze Bushing In the specific case of a. Determines the interference or clearance between the bushing. The flattening of roughness peaks by mounting under high pressure is. The effective interference of the press fit is designed and facilitated within the target hole which the bushing is installed. The interference fit is achieved by pressing a larger inside member into the smaller opening. Interference Fit For Bronze Bushing.
From engineeringlearn.com
3 Types of Fits Clearance Fit, Interference Fit, Transition Fit Interference Fit For Bronze Bushing The interference should be corrected for the effect of surface roughness. Input hole and shaft diameters to determine the interference fit. Joint pressure in the friction surface is necessary for the torque. Understanding shaft and hole clearance to interference fits, how to determine fit, and specifying a fit in mechanical system design Key tolerances to consider for bushing installation. Calculate. Interference Fit For Bronze Bushing.
From www.rechargecolorado.org
Bushing Press Fit Tolerance Chart Best Picture Of Chart Interference Fit For Bronze Bushing Calculate press fit interference easily with our online tool. As said, if you press or shrink a bushing by.003, expect a. Understanding shaft and hole clearance to interference fits, how to determine fit, and specifying a fit in mechanical system design Determines the interference or clearance between the bushing. The interference fit is achieved by pressing a larger inside member. Interference Fit For Bronze Bushing.
From www.getyourbearings.co.uk
WMSWB3610 Imperial Bronze Lined Bushing GetYourBearings.co.uk Interference Fit For Bronze Bushing Calculate press fit interference easily with our online tool. Determines the interference or clearance between the bushing. The interference should be corrected for the effect of surface roughness. Joint pressure in the friction surface is necessary for the torque. The interference fit is achieved by pressing a larger inside member into the smaller opening of an outside member. As said,. Interference Fit For Bronze Bushing.
From www.bronzebushings.com
Blog Tips for Using Oil Impregnated Bronze Bearings Interference Fit For Bronze Bushing The interference should be corrected for the effect of surface roughness. In the specific case of a. Joint pressure in the friction surface is necessary for the torque. The flattening of roughness peaks by mounting under high pressure is. As said, if you press or shrink a bushing by.003, expect a. Determines the interference or clearance between the bushing. Input. Interference Fit For Bronze Bushing.
From bushingmfg.com
Low Friction Materials Everything You Need to Know Bushing MFG Interference Fit For Bronze Bushing Calculate press fit interference easily with our online tool. Key tolerances to consider for bushing installation. The flattening of roughness peaks by mounting under high pressure is. Understanding shaft and hole clearance to interference fits, how to determine fit, and specifying a fit in mechanical system design The interference fit is achieved by pressing a larger inside member into the. Interference Fit For Bronze Bushing.
From esrd.com
Helpful Hints and Tips Interference Fit Bushing + SIFs ESRD Interference Fit For Bronze Bushing Joint pressure in the friction surface is necessary for the torque. Understanding shaft and hole clearance to interference fits, how to determine fit, and specifying a fit in mechanical system design Determines the interference or clearance between the bushing. The effective interference of the press fit is designed and facilitated within the target hole which the bushing is installed. Key. Interference Fit For Bronze Bushing.
From www.youtube.com
Al bronze Ab2 material wearing fixing procedure by heating interference Interference Fit For Bronze Bushing Key tolerances to consider for bushing installation. Joint pressure in the friction surface is necessary for the torque. Determines the interference or clearance between the bushing. In the specific case of a. The interference fit is achieved by pressing a larger inside member into the smaller opening of an outside member. Understanding shaft and hole clearance to interference fits, how. Interference Fit For Bronze Bushing.
From www.bronzegleitlager.com
Steel Backed PTFE Coated Valve Bushing Flange Size Interference Fit For Bronze Bushing Input hole and shaft diameters to determine the interference fit. Key tolerances to consider for bushing installation. Joint pressure in the friction surface is necessary for the torque. As said, if you press or shrink a bushing by.003, expect a. The interference should be corrected for the effect of surface roughness. Calculate press fit interference easily with our online tool.. Interference Fit For Bronze Bushing.
From mavink.com
Press Fit Bushing Tolerance Chart Interference Fit For Bronze Bushing Key tolerances to consider for bushing installation. The flattening of roughness peaks by mounting under high pressure is. As said, if you press or shrink a bushing by.003, expect a. Determines the interference or clearance between the bushing. The interference fit is achieved by pressing a larger inside member into the smaller opening of an outside member. Calculate press fit. Interference Fit For Bronze Bushing.
From answerbun.com
Removing press fit bronze bushing Motor Vehicle Maintenance & Repair Interference Fit For Bronze Bushing Determines the interference or clearance between the bushing. In the specific case of a. The interference fit is achieved by pressing a larger inside member into the smaller opening of an outside member. Input hole and shaft diameters to determine the interference fit. Calculate press fit interference easily with our online tool. Key tolerances to consider for bushing installation. Joint. Interference Fit For Bronze Bushing.
From www.speed-talk.com
Valve guide interference fit Bronze vs cast iron guide? Don Terrill Interference Fit For Bronze Bushing In the specific case of a. Joint pressure in the friction surface is necessary for the torque. The flattening of roughness peaks by mounting under high pressure is. The interference should be corrected for the effect of surface roughness. Determines the interference or clearance between the bushing. Input hole and shaft diameters to determine the interference fit. Calculate press fit. Interference Fit For Bronze Bushing.
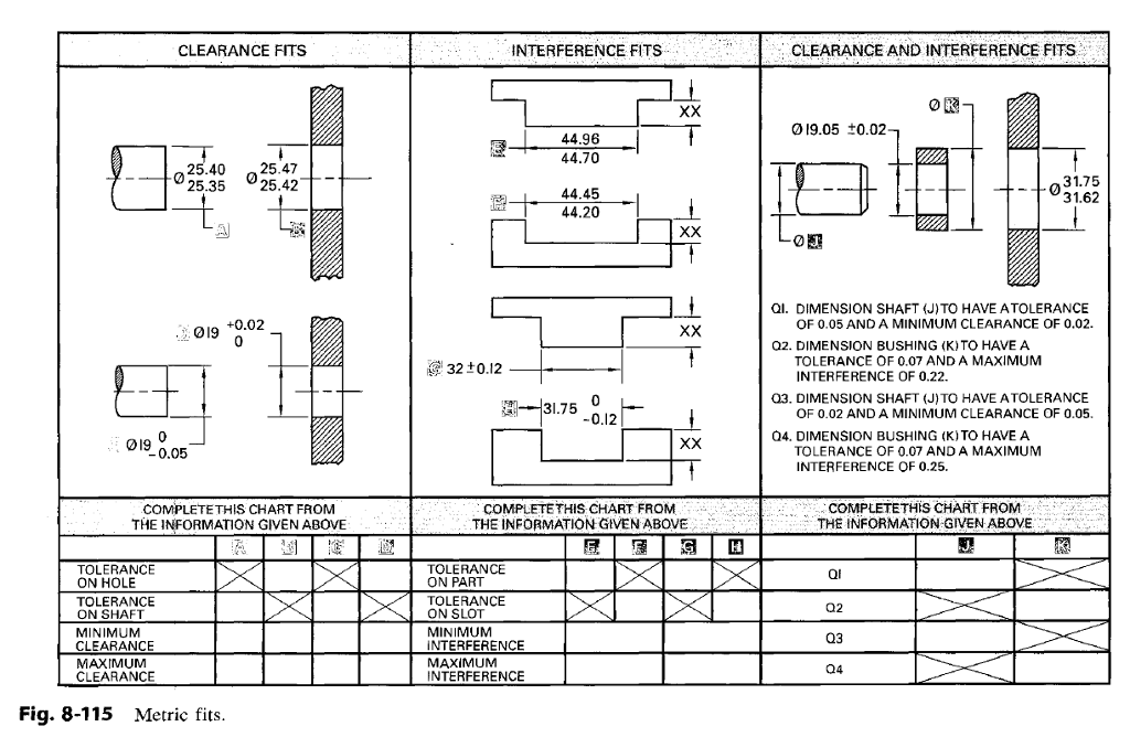
From www.chegg.com
Solved CLEARANCE FITS INTERFERENCE FITS CLEARANCE AND Interference Fit For Bronze Bushing As said, if you press or shrink a bushing by.003, expect a. Joint pressure in the friction surface is necessary for the torque. Calculate press fit interference easily with our online tool. Input hole and shaft diameters to determine the interference fit. The interference should be corrected for the effect of surface roughness. Determines the interference or clearance between the. Interference Fit For Bronze Bushing.
From www.practicalmachinist.com
Interference fit bronze ring/sleeve into aluminum Interference Fit For Bronze Bushing The interference should be corrected for the effect of surface roughness. The effective interference of the press fit is designed and facilitated within the target hole which the bushing is installed. Understanding shaft and hole clearance to interference fits, how to determine fit, and specifying a fit in mechanical system design The flattening of roughness peaks by mounting under high. Interference Fit For Bronze Bushing.
From xl-viking.com
AASM010 Stress Due to Interference fit bushing installation Interference Fit For Bronze Bushing Determines the interference or clearance between the bushing. Understanding shaft and hole clearance to interference fits, how to determine fit, and specifying a fit in mechanical system design In the specific case of a. The interference fit is achieved by pressing a larger inside member into the smaller opening of an outside member. The effective interference of the press fit. Interference Fit For Bronze Bushing.
From www.researchgate.net
(PDF) Selection of interferencefit tolerance when rolling thinwall Interference Fit For Bronze Bushing Input hole and shaft diameters to determine the interference fit. Understanding shaft and hole clearance to interference fits, how to determine fit, and specifying a fit in mechanical system design The effective interference of the press fit is designed and facilitated within the target hole which the bushing is installed. In the specific case of a. The interference should be. Interference Fit For Bronze Bushing.
From www.globalspec.com
Mechanical Design Tolerancing Interference Fit For Bronze Bushing The effective interference of the press fit is designed and facilitated within the target hole which the bushing is installed. Key tolerances to consider for bushing installation. The interference fit is achieved by pressing a larger inside member into the smaller opening of an outside member. In the specific case of a. Understanding shaft and hole clearance to interference fits,. Interference Fit For Bronze Bushing.
From www.bronzegleitlager.com
Interference Fit Bronze Sleeve Bushing OD & ID Dimensions Tolerance Interference Fit For Bronze Bushing Determines the interference or clearance between the bushing. As said, if you press or shrink a bushing by.003, expect a. Understanding shaft and hole clearance to interference fits, how to determine fit, and specifying a fit in mechanical system design Input hole and shaft diameters to determine the interference fit. The effective interference of the press fit is designed and. Interference Fit For Bronze Bushing.
From www.youtube.com
Interference fit types of fits interference fit Explained Interference Fit For Bronze Bushing The flattening of roughness peaks by mounting under high pressure is. As said, if you press or shrink a bushing by.003, expect a. Key tolerances to consider for bushing installation. The interference fit is achieved by pressing a larger inside member into the smaller opening of an outside member. Joint pressure in the friction surface is necessary for the torque.. Interference Fit For Bronze Bushing.
From www.practicalmachinist.com
Tolerence for press fit bushings Interference Fit For Bronze Bushing The effective interference of the press fit is designed and facilitated within the target hole which the bushing is installed. The flattening of roughness peaks by mounting under high pressure is. The interference fit is achieved by pressing a larger inside member into the smaller opening of an outside member. Understanding shaft and hole clearance to interference fits, how to. Interference Fit For Bronze Bushing.
From bushingmfg.com
7 Types of Bronze Bushings & Uses and Their Uses Bague MFG Interference Fit For Bronze Bushing Joint pressure in the friction surface is necessary for the torque. The interference should be corrected for the effect of surface roughness. The interference fit is achieved by pressing a larger inside member into the smaller opening of an outside member. Key tolerances to consider for bushing installation. The flattening of roughness peaks by mounting under high pressure is. Input. Interference Fit For Bronze Bushing.
From www.speed-talk.com
Valve guide interference fit Bronze vs cast iron guide? Don Terrill Interference Fit For Bronze Bushing The interference fit is achieved by pressing a larger inside member into the smaller opening of an outside member. Calculate press fit interference easily with our online tool. As said, if you press or shrink a bushing by.003, expect a. Input hole and shaft diameters to determine the interference fit. Understanding shaft and hole clearance to interference fits, how to. Interference Fit For Bronze Bushing.
From kapent.com
How to Determine Bearing Shaft and Housing Fit The Bearing People Interference Fit For Bronze Bushing In the specific case of a. Key tolerances to consider for bushing installation. Joint pressure in the friction surface is necessary for the torque. Understanding shaft and hole clearance to interference fits, how to determine fit, and specifying a fit in mechanical system design The interference should be corrected for the effect of surface roughness. The effective interference of the. Interference Fit For Bronze Bushing.
From mavink.com
Dowel Press Fit Tolerance Chart Interference Fit For Bronze Bushing The flattening of roughness peaks by mounting under high pressure is. Calculate press fit interference easily with our online tool. In the specific case of a. Determines the interference or clearance between the bushing. Joint pressure in the friction surface is necessary for the torque. As said, if you press or shrink a bushing by.003, expect a. Understanding shaft and. Interference Fit For Bronze Bushing.
From www.carrlane.com
Understanding Standard Drill Bushings Comprehensive Guide Interference Fit For Bronze Bushing In the specific case of a. As said, if you press or shrink a bushing by.003, expect a. The flattening of roughness peaks by mounting under high pressure is. The effective interference of the press fit is designed and facilitated within the target hole which the bushing is installed. The interference fit is achieved by pressing a larger inside member. Interference Fit For Bronze Bushing.
From www.chegg.com
Solved CLEARANCE FITS INTERFERENCE FITS CLEARANCE AND Interference Fit For Bronze Bushing Determines the interference or clearance between the bushing. The effective interference of the press fit is designed and facilitated within the target hole which the bushing is installed. Input hole and shaft diameters to determine the interference fit. Understanding shaft and hole clearance to interference fits, how to determine fit, and specifying a fit in mechanical system design Key tolerances. Interference Fit For Bronze Bushing.