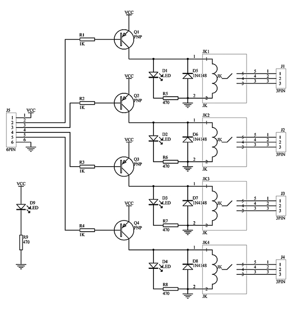
Light Bar 5 Pin Relay Wiring Diagram . the 5 pin relay wiring diagram for light bars is designed to create a positive and negative connection between two points in a circuit. the main purpose of this diagram is to show you how to wire the light bar using a 5 pin relay. Most likely, your relay will be mounted near or on the. learn how to properly wire lights using a 5 pin relay with this comprehensive wiring diagram. this shows how to wire a relay for light bars, foglight, auxiliary. learn how to wire a light bar with a relay using a detailed wiring diagram. The rocker switch operates the light bar by pushing on the top of the switch.
from circuitenginewasps101.z22.web.core.windows.net
learn how to wire a light bar with a relay using a detailed wiring diagram. The rocker switch operates the light bar by pushing on the top of the switch. the 5 pin relay wiring diagram for light bars is designed to create a positive and negative connection between two points in a circuit. this shows how to wire a relay for light bars, foglight, auxiliary. the main purpose of this diagram is to show you how to wire the light bar using a 5 pin relay. learn how to properly wire lights using a 5 pin relay with this comprehensive wiring diagram. Most likely, your relay will be mounted near or on the.
Light Bar 5 Pin Relay Wiring Diagram
Light Bar 5 Pin Relay Wiring Diagram this shows how to wire a relay for light bars, foglight, auxiliary. The rocker switch operates the light bar by pushing on the top of the switch. the 5 pin relay wiring diagram for light bars is designed to create a positive and negative connection between two points in a circuit. learn how to wire a light bar with a relay using a detailed wiring diagram. learn how to properly wire lights using a 5 pin relay with this comprehensive wiring diagram. Most likely, your relay will be mounted near or on the. the main purpose of this diagram is to show you how to wire the light bar using a 5 pin relay. this shows how to wire a relay for light bars, foglight, auxiliary.
From annawiringdiagram.com
12V Relay Wiring Diagram 5 Pin Wiring Diagram Light Bar 5 Pin Relay Wiring Diagram this shows how to wire a relay for light bars, foglight, auxiliary. learn how to wire a light bar with a relay using a detailed wiring diagram. The rocker switch operates the light bar by pushing on the top of the switch. the 5 pin relay wiring diagram for light bars is designed to create a positive. Light Bar 5 Pin Relay Wiring Diagram.
From wirewiringgutierrez.z13.web.core.windows.net
Wiring Diagram For Aftermarket Fog Lights Light Bar 5 Pin Relay Wiring Diagram this shows how to wire a relay for light bars, foglight, auxiliary. the 5 pin relay wiring diagram for light bars is designed to create a positive and negative connection between two points in a circuit. learn how to wire a light bar with a relay using a detailed wiring diagram. The rocker switch operates the light. Light Bar 5 Pin Relay Wiring Diagram.
From wirelistdismissal.z21.web.core.windows.net
Led Light Wiring Switch Light Bar 5 Pin Relay Wiring Diagram learn how to properly wire lights using a 5 pin relay with this comprehensive wiring diagram. this shows how to wire a relay for light bars, foglight, auxiliary. Most likely, your relay will be mounted near or on the. the main purpose of this diagram is to show you how to wire the light bar using a. Light Bar 5 Pin Relay Wiring Diagram.
From schematiccambiarismn.z22.web.core.windows.net
Light Bar Rocker Switch Wiring Light Bar 5 Pin Relay Wiring Diagram Most likely, your relay will be mounted near or on the. the main purpose of this diagram is to show you how to wire the light bar using a 5 pin relay. this shows how to wire a relay for light bars, foglight, auxiliary. The rocker switch operates the light bar by pushing on the top of the. Light Bar 5 Pin Relay Wiring Diagram.
From circuitenginewasps101.z22.web.core.windows.net
Light Bar 5 Pin Relay Wiring Diagram Light Bar 5 Pin Relay Wiring Diagram the 5 pin relay wiring diagram for light bars is designed to create a positive and negative connection between two points in a circuit. learn how to properly wire lights using a 5 pin relay with this comprehensive wiring diagram. this shows how to wire a relay for light bars, foglight, auxiliary. the main purpose of. Light Bar 5 Pin Relay Wiring Diagram.
From hxejtmlhu.blob.core.windows.net
Nilight Wiring Harness Rocker Switch at Eric Small blog Light Bar 5 Pin Relay Wiring Diagram Most likely, your relay will be mounted near or on the. the main purpose of this diagram is to show you how to wire the light bar using a 5 pin relay. learn how to properly wire lights using a 5 pin relay with this comprehensive wiring diagram. learn how to wire a light bar with a. Light Bar 5 Pin Relay Wiring Diagram.
From diagramdatabaguettes.z21.web.core.windows.net
How To Check A 5 Prong Relay Light Bar 5 Pin Relay Wiring Diagram the main purpose of this diagram is to show you how to wire the light bar using a 5 pin relay. this shows how to wire a relay for light bars, foglight, auxiliary. The rocker switch operates the light bar by pushing on the top of the switch. learn how to wire a light bar with a. Light Bar 5 Pin Relay Wiring Diagram.
From guidemanualmalmag.z21.web.core.windows.net
Wire 12 Volt Relay Light Bar 5 Pin Relay Wiring Diagram this shows how to wire a relay for light bars, foglight, auxiliary. Most likely, your relay will be mounted near or on the. The rocker switch operates the light bar by pushing on the top of the switch. the main purpose of this diagram is to show you how to wire the light bar using a 5 pin. Light Bar 5 Pin Relay Wiring Diagram.
From wirelistdismissal.z21.web.core.windows.net
Led Light Wiring Switch Light Bar 5 Pin Relay Wiring Diagram learn how to properly wire lights using a 5 pin relay with this comprehensive wiring diagram. the main purpose of this diagram is to show you how to wire the light bar using a 5 pin relay. this shows how to wire a relay for light bars, foglight, auxiliary. the 5 pin relay wiring diagram for. Light Bar 5 Pin Relay Wiring Diagram.
From quovadismonxdschematic.z21.web.core.windows.net
Wiring A 3 Pin Rocker Switch Light Bar 5 Pin Relay Wiring Diagram the main purpose of this diagram is to show you how to wire the light bar using a 5 pin relay. learn how to properly wire lights using a 5 pin relay with this comprehensive wiring diagram. the 5 pin relay wiring diagram for light bars is designed to create a positive and negative connection between two. Light Bar 5 Pin Relay Wiring Diagram.
From wiringfixgroanings.z21.web.core.windows.net
Wire A Lighted Switch Light Bar 5 Pin Relay Wiring Diagram learn how to wire a light bar with a relay using a detailed wiring diagram. The rocker switch operates the light bar by pushing on the top of the switch. Most likely, your relay will be mounted near or on the. learn how to properly wire lights using a 5 pin relay with this comprehensive wiring diagram. . Light Bar 5 Pin Relay Wiring Diagram.
From schematiclistsalem123.z22.web.core.windows.net
Relay Terminal Diagram Light Bar 5 Pin Relay Wiring Diagram learn how to properly wire lights using a 5 pin relay with this comprehensive wiring diagram. the 5 pin relay wiring diagram for light bars is designed to create a positive and negative connection between two points in a circuit. The rocker switch operates the light bar by pushing on the top of the switch. this shows. Light Bar 5 Pin Relay Wiring Diagram.
From templath4schematic.z4.web.core.windows.net
How To Wire A Four Pin Relay Light Bar 5 Pin Relay Wiring Diagram the main purpose of this diagram is to show you how to wire the light bar using a 5 pin relay. Most likely, your relay will be mounted near or on the. The rocker switch operates the light bar by pushing on the top of the switch. learn how to properly wire lights using a 5 pin relay. Light Bar 5 Pin Relay Wiring Diagram.
From faceitsalon.com
Light Bar 5 Pin Relay Wiring Diagram Collection Light Bar 5 Pin Relay Wiring Diagram this shows how to wire a relay for light bars, foglight, auxiliary. Most likely, your relay will be mounted near or on the. learn how to properly wire lights using a 5 pin relay with this comprehensive wiring diagram. the 5 pin relay wiring diagram for light bars is designed to create a positive and negative connection. Light Bar 5 Pin Relay Wiring Diagram.
From enginelibfrenetical.z13.web.core.windows.net
Nilight Rocker Switch Wiring Light Bar 5 Pin Relay Wiring Diagram the 5 pin relay wiring diagram for light bars is designed to create a positive and negative connection between two points in a circuit. learn how to wire a light bar with a relay using a detailed wiring diagram. The rocker switch operates the light bar by pushing on the top of the switch. this shows how. Light Bar 5 Pin Relay Wiring Diagram.
From userdataparalogize.z21.web.core.windows.net
Relay Wiring With Switch And Harness Light Bar 5 Pin Relay Wiring Diagram the main purpose of this diagram is to show you how to wire the light bar using a 5 pin relay. The rocker switch operates the light bar by pushing on the top of the switch. learn how to wire a light bar with a relay using a detailed wiring diagram. the 5 pin relay wiring diagram. Light Bar 5 Pin Relay Wiring Diagram.
From www.circuitdiagram.co
Light Bar Wiring Diagram 5 Pin Relay Circuit Diagram Light Bar 5 Pin Relay Wiring Diagram this shows how to wire a relay for light bars, foglight, auxiliary. Most likely, your relay will be mounted near or on the. learn how to properly wire lights using a 5 pin relay with this comprehensive wiring diagram. The rocker switch operates the light bar by pushing on the top of the switch. learn how to. Light Bar 5 Pin Relay Wiring Diagram.
From oneseds.blogspot.com
Light Bar 5 Pin Relay Wiring Diagram Onesed Light Bar 5 Pin Relay Wiring Diagram learn how to properly wire lights using a 5 pin relay with this comprehensive wiring diagram. the 5 pin relay wiring diagram for light bars is designed to create a positive and negative connection between two points in a circuit. Most likely, your relay will be mounted near or on the. this shows how to wire a. Light Bar 5 Pin Relay Wiring Diagram.
From schematicwiringcollins.z13.web.core.windows.net
Reversing Relay Schematic Wiring Diagram Light Bar 5 Pin Relay Wiring Diagram The rocker switch operates the light bar by pushing on the top of the switch. the main purpose of this diagram is to show you how to wire the light bar using a 5 pin relay. this shows how to wire a relay for light bars, foglight, auxiliary. learn how to properly wire lights using a 5. Light Bar 5 Pin Relay Wiring Diagram.
From wiringfixgroanings.z21.web.core.windows.net
Control Relay Wiring Diagram Light Bar 5 Pin Relay Wiring Diagram the main purpose of this diagram is to show you how to wire the light bar using a 5 pin relay. learn how to properly wire lights using a 5 pin relay with this comprehensive wiring diagram. The rocker switch operates the light bar by pushing on the top of the switch. Most likely, your relay will be. Light Bar 5 Pin Relay Wiring Diagram.
From rosa-long.blogspot.com
The Best Light Bar 5 Pin Relay Wiring Rosa Long Light Bar 5 Pin Relay Wiring Diagram the main purpose of this diagram is to show you how to wire the light bar using a 5 pin relay. learn how to wire a light bar with a relay using a detailed wiring diagram. learn how to properly wire lights using a 5 pin relay with this comprehensive wiring diagram. The rocker switch operates the. Light Bar 5 Pin Relay Wiring Diagram.
From wiringwiringfrueh.z19.web.core.windows.net
5 Pin Wiring Diagram Light Bar 5 Pin Relay Wiring Diagram Most likely, your relay will be mounted near or on the. The rocker switch operates the light bar by pushing on the top of the switch. learn how to properly wire lights using a 5 pin relay with this comprehensive wiring diagram. this shows how to wire a relay for light bars, foglight, auxiliary. learn how to. Light Bar 5 Pin Relay Wiring Diagram.
From www.got2bwireless.com
4 Pin Relay Wiring Diagram Light Bar Database Light Bar 5 Pin Relay Wiring Diagram this shows how to wire a relay for light bars, foglight, auxiliary. learn how to wire a light bar with a relay using a detailed wiring diagram. Most likely, your relay will be mounted near or on the. The rocker switch operates the light bar by pushing on the top of the switch. the main purpose of. Light Bar 5 Pin Relay Wiring Diagram.
From diagramvariancamfx.z13.web.core.windows.net
Relay Wiring Diagram Explained Light Bar 5 Pin Relay Wiring Diagram learn how to wire a light bar with a relay using a detailed wiring diagram. the main purpose of this diagram is to show you how to wire the light bar using a 5 pin relay. Most likely, your relay will be mounted near or on the. this shows how to wire a relay for light bars,. Light Bar 5 Pin Relay Wiring Diagram.
From guidemanualcarson.z5.web.core.windows.net
5 Pin Relay Wiring Diagram Driving Lights Light Bar 5 Pin Relay Wiring Diagram learn how to wire a light bar with a relay using a detailed wiring diagram. learn how to properly wire lights using a 5 pin relay with this comprehensive wiring diagram. this shows how to wire a relay for light bars, foglight, auxiliary. the 5 pin relay wiring diagram for light bars is designed to create. Light Bar 5 Pin Relay Wiring Diagram.
From circuitenginewasps101.z22.web.core.windows.net
5 Pin Relay Wiring Diagram Headlights Light Bar 5 Pin Relay Wiring Diagram the main purpose of this diagram is to show you how to wire the light bar using a 5 pin relay. this shows how to wire a relay for light bars, foglight, auxiliary. the 5 pin relay wiring diagram for light bars is designed to create a positive and negative connection between two points in a circuit.. Light Bar 5 Pin Relay Wiring Diagram.
From schematiclistsalem123.z22.web.core.windows.net
Relay Wiring For Light Bar Light Bar 5 Pin Relay Wiring Diagram The rocker switch operates the light bar by pushing on the top of the switch. learn how to properly wire lights using a 5 pin relay with this comprehensive wiring diagram. this shows how to wire a relay for light bars, foglight, auxiliary. Most likely, your relay will be mounted near or on the. the main purpose. Light Bar 5 Pin Relay Wiring Diagram.
From guidedatatgesku.z21.web.core.windows.net
How To Wire A Rocker Light Switch Light Bar 5 Pin Relay Wiring Diagram this shows how to wire a relay for light bars, foglight, auxiliary. Most likely, your relay will be mounted near or on the. the 5 pin relay wiring diagram for light bars is designed to create a positive and negative connection between two points in a circuit. The rocker switch operates the light bar by pushing on the. Light Bar 5 Pin Relay Wiring Diagram.
From circuitenginewasps101.z22.web.core.windows.net
Wiring A 4 Prong Relay Light Bar 5 Pin Relay Wiring Diagram Most likely, your relay will be mounted near or on the. learn how to properly wire lights using a 5 pin relay with this comprehensive wiring diagram. learn how to wire a light bar with a relay using a detailed wiring diagram. the 5 pin relay wiring diagram for light bars is designed to create a positive. Light Bar 5 Pin Relay Wiring Diagram.
From manualwiringreinhardt.z19.web.core.windows.net
5 Volt Relay Circuit Diagram Light Bar 5 Pin Relay Wiring Diagram The rocker switch operates the light bar by pushing on the top of the switch. the main purpose of this diagram is to show you how to wire the light bar using a 5 pin relay. learn how to properly wire lights using a 5 pin relay with this comprehensive wiring diagram. the 5 pin relay wiring. Light Bar 5 Pin Relay Wiring Diagram.
From wiringdiagram.2bitboer.com
Spotlight Wiring Diagram 5 Pin Relay Wiring Diagram Light Bar 5 Pin Relay Wiring Diagram this shows how to wire a relay for light bars, foglight, auxiliary. the 5 pin relay wiring diagram for light bars is designed to create a positive and negative connection between two points in a circuit. learn how to properly wire lights using a 5 pin relay with this comprehensive wiring diagram. the main purpose of. Light Bar 5 Pin Relay Wiring Diagram.
From schematicdatadolma123.z22.web.core.windows.net
5 Pin Relay Headlight Wiring Diagram Light Bar 5 Pin Relay Wiring Diagram Most likely, your relay will be mounted near or on the. the main purpose of this diagram is to show you how to wire the light bar using a 5 pin relay. learn how to wire a light bar with a relay using a detailed wiring diagram. learn how to properly wire lights using a 5 pin. Light Bar 5 Pin Relay Wiring Diagram.
From schematicciroliniml.z4.web.core.windows.net
Wiring Truck For Trailer Lights Light Bar 5 Pin Relay Wiring Diagram the 5 pin relay wiring diagram for light bars is designed to create a positive and negative connection between two points in a circuit. learn how to wire a light bar with a relay using a detailed wiring diagram. the main purpose of this diagram is to show you how to wire the light bar using a. Light Bar 5 Pin Relay Wiring Diagram.
From wiredatathinngk.z21.web.core.windows.net
Relay Electrical Diagram Light Bar 5 Pin Relay Wiring Diagram the 5 pin relay wiring diagram for light bars is designed to create a positive and negative connection between two points in a circuit. Most likely, your relay will be mounted near or on the. The rocker switch operates the light bar by pushing on the top of the switch. learn how to properly wire lights using a. Light Bar 5 Pin Relay Wiring Diagram.
From digiminingamed.github.io
Kings Led Light Bar Wiring Harness [diagram] Kings Spotlight Wiring Light Bar 5 Pin Relay Wiring Diagram Most likely, your relay will be mounted near or on the. The rocker switch operates the light bar by pushing on the top of the switch. learn how to properly wire lights using a 5 pin relay with this comprehensive wiring diagram. learn how to wire a light bar with a relay using a detailed wiring diagram. . Light Bar 5 Pin Relay Wiring Diagram.