What Is Fvnr Motor Starter . Save share reply quote like What is the technical difference between fvnr & fvr type of motor starters? This webinar will educate the participant in the various power components of a mv class e2 motor controller and the different types of. Applies the system line voltage to motor terminals to start a motor. Fvnr full voltage (direct on line) motor starter. As the name implies, when the controller’s single contactor actuates, this. Can anyone explain difference between fvnr & fvr type of starters?
from www.slevysurplus.com
Save share reply quote like This webinar will educate the participant in the various power components of a mv class e2 motor controller and the different types of. What is the technical difference between fvnr & fvr type of motor starters? Can anyone explain difference between fvnr & fvr type of starters? Applies the system line voltage to motor terminals to start a motor. Fvnr full voltage (direct on line) motor starter. As the name implies, when the controller’s single contactor actuates, this.
Eaton AN19SN0A5E300 SIZE 5 FVNR Starter
What Is Fvnr Motor Starter As the name implies, when the controller’s single contactor actuates, this. Fvnr full voltage (direct on line) motor starter. Save share reply quote like As the name implies, when the controller’s single contactor actuates, this. This webinar will educate the participant in the various power components of a mv class e2 motor controller and the different types of. What is the technical difference between fvnr & fvr type of motor starters? Applies the system line voltage to motor terminals to start a motor. Can anyone explain difference between fvnr & fvr type of starters?
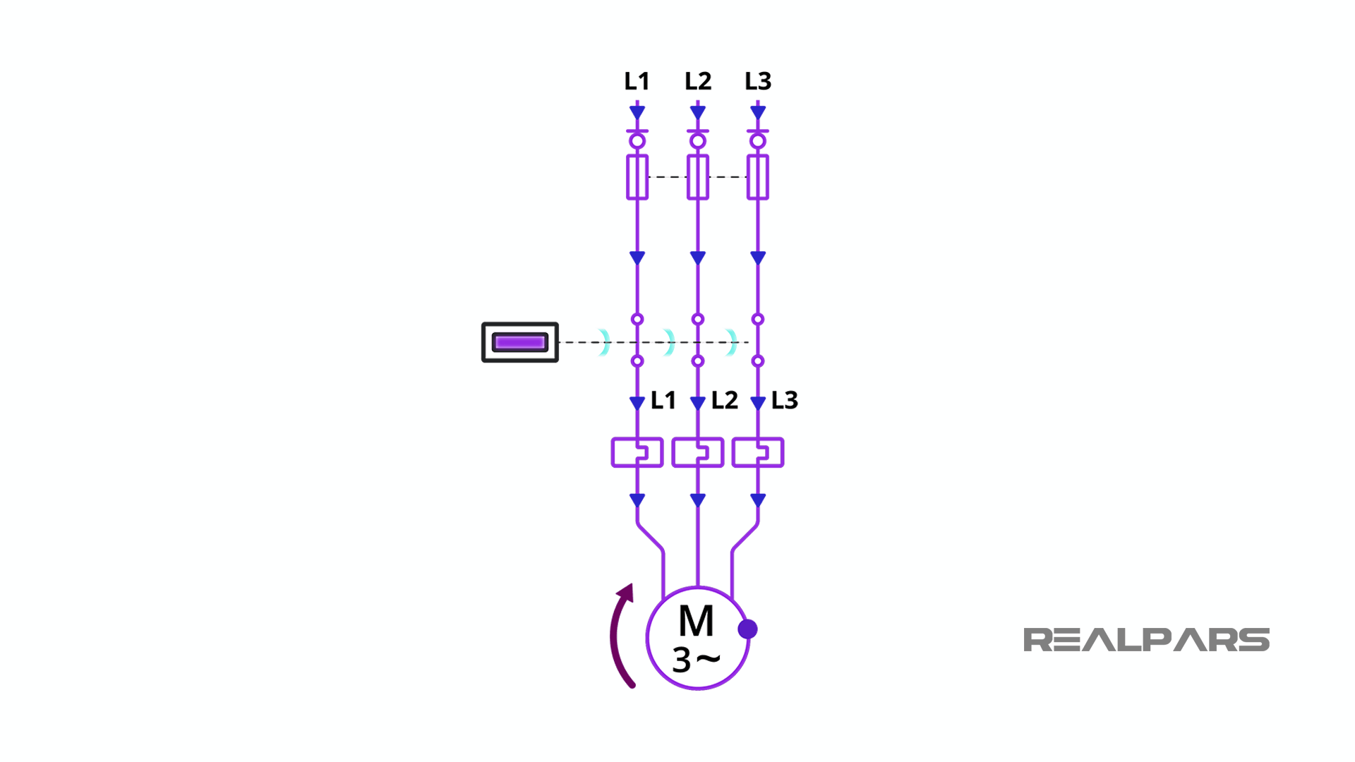
From www.realpars.com
Motor Starter Explained Motor Starter Types RealPars What Is Fvnr Motor Starter Applies the system line voltage to motor terminals to start a motor. What is the technical difference between fvnr & fvr type of motor starters? As the name implies, when the controller’s single contactor actuates, this. This webinar will educate the participant in the various power components of a mv class e2 motor controller and the different types of. Can. What Is Fvnr Motor Starter.
From genemco.com
Ram Industries FVNR Motor Starter 40 HP What Is Fvnr Motor Starter What is the technical difference between fvnr & fvr type of motor starters? This webinar will educate the participant in the various power components of a mv class e2 motor controller and the different types of. Applies the system line voltage to motor terminals to start a motor. Can anyone explain difference between fvnr & fvr type of starters? Fvnr. What Is Fvnr Motor Starter.
From www.mtechcontrol.com
Combination Motor Starter Controls Full Voltage NonReversing Starter What Is Fvnr Motor Starter Fvnr full voltage (direct on line) motor starter. Save share reply quote like Applies the system line voltage to motor terminals to start a motor. As the name implies, when the controller’s single contactor actuates, this. Can anyone explain difference between fvnr & fvr type of starters? This webinar will educate the participant in the various power components of a. What Is Fvnr Motor Starter.
From www.stromquist.com
Siemens 14DP32AA81, Fvnr Starter/Sz1/3Ph/Open/120/240V, Stromquist What Is Fvnr Motor Starter Applies the system line voltage to motor terminals to start a motor. What is the technical difference between fvnr & fvr type of motor starters? Save share reply quote like This webinar will educate the participant in the various power components of a mv class e2 motor controller and the different types of. As the name implies, when the controller’s. What Is Fvnr Motor Starter.
From shop.atlaselectricinc.com
Cutler Hammer A1 Open Starter FVNR Atlas Electric Inc. What Is Fvnr Motor Starter Save share reply quote like Applies the system line voltage to motor terminals to start a motor. Fvnr full voltage (direct on line) motor starter. Can anyone explain difference between fvnr & fvr type of starters? This webinar will educate the participant in the various power components of a mv class e2 motor controller and the different types of. What. What Is Fvnr Motor Starter.
From www.slevysurplus.com
Eaton AN19SN0A5E300 SIZE 5 FVNR Starter What Is Fvnr Motor Starter This webinar will educate the participant in the various power components of a mv class e2 motor controller and the different types of. Fvnr full voltage (direct on line) motor starter. What is the technical difference between fvnr & fvr type of motor starters? As the name implies, when the controller’s single contactor actuates, this. Save share reply quote like. What Is Fvnr Motor Starter.
From www.northcoast.com
SA 14DP12AA81 STARTERFVNR,SZ1,1PH North Coast What Is Fvnr Motor Starter What is the technical difference between fvnr & fvr type of motor starters? This webinar will educate the participant in the various power components of a mv class e2 motor controller and the different types of. As the name implies, when the controller’s single contactor actuates, this. Save share reply quote like Can anyone explain difference between fvnr & fvr. What Is Fvnr Motor Starter.
From www.slevysurplus.com
Eaton AN19SN0A5E300 SIZE 5 FVNR Starter What Is Fvnr Motor Starter Can anyone explain difference between fvnr & fvr type of starters? Fvnr full voltage (direct on line) motor starter. Save share reply quote like This webinar will educate the participant in the various power components of a mv class e2 motor controller and the different types of. Applies the system line voltage to motor terminals to start a motor. What. What Is Fvnr Motor Starter.
From atlas-electric-inc.myshopify.com
Allen Bradley Size 5 FVNR Motor Starter Catalog Number 709FOD103 What Is Fvnr Motor Starter Save share reply quote like What is the technical difference between fvnr & fvr type of motor starters? Can anyone explain difference between fvnr & fvr type of starters? Fvnr full voltage (direct on line) motor starter. This webinar will educate the participant in the various power components of a mv class e2 motor controller and the different types of.. What Is Fvnr Motor Starter.
From genemco.com
Ram Industries FVNR Motor Starter 40 HP What Is Fvnr Motor Starter Applies the system line voltage to motor terminals to start a motor. As the name implies, when the controller’s single contactor actuates, this. What is the technical difference between fvnr & fvr type of motor starters? Can anyone explain difference between fvnr & fvr type of starters? Save share reply quote like This webinar will educate the participant in the. What Is Fvnr Motor Starter.
From atlaselectricinc.com
Square D Size 4 FVNR Combination Starter Atlas Electric What Is Fvnr Motor Starter Save share reply quote like As the name implies, when the controller’s single contactor actuates, this. Fvnr full voltage (direct on line) motor starter. What is the technical difference between fvnr & fvr type of motor starters? This webinar will educate the participant in the various power components of a mv class e2 motor controller and the different types of.. What Is Fvnr Motor Starter.
From www.walmart.com
NEW Eaton E101D65F3A Motor Starter 65A 24V Coil 516A Overload FVNR What Is Fvnr Motor Starter What is the technical difference between fvnr & fvr type of motor starters? Save share reply quote like This webinar will educate the participant in the various power components of a mv class e2 motor controller and the different types of. Fvnr full voltage (direct on line) motor starter. Can anyone explain difference between fvnr & fvr type of starters?. What Is Fvnr Motor Starter.
From www.sesco.ca
Class 14 Enclosed NEMA Motor Starter FVNR Surface Mount 10 40 A, 110 What Is Fvnr Motor Starter Can anyone explain difference between fvnr & fvr type of starters? As the name implies, when the controller’s single contactor actuates, this. This webinar will educate the participant in the various power components of a mv class e2 motor controller and the different types of. Fvnr full voltage (direct on line) motor starter. Save share reply quote like What is. What Is Fvnr Motor Starter.
From www.realpars.com
Motor Starter Explained Motor Starter Types RealPars What Is Fvnr Motor Starter Can anyone explain difference between fvnr & fvr type of starters? Save share reply quote like What is the technical difference between fvnr & fvr type of motor starters? Applies the system line voltage to motor terminals to start a motor. As the name implies, when the controller’s single contactor actuates, this. This webinar will educate the participant in the. What Is Fvnr Motor Starter.
From www.slevysurplus.com
Eaton AN19SN0A5E300 SIZE 5 FVNR Starter What Is Fvnr Motor Starter As the name implies, when the controller’s single contactor actuates, this. Can anyone explain difference between fvnr & fvr type of starters? This webinar will educate the participant in the various power components of a mv class e2 motor controller and the different types of. Fvnr full voltage (direct on line) motor starter. Applies the system line voltage to motor. What Is Fvnr Motor Starter.
From www.alliedelec.com
Siemens 14HP32AA81 STARTERFVNR,SZ3,3PH,OPN,120/240V, Allied What Is Fvnr Motor Starter As the name implies, when the controller’s single contactor actuates, this. Save share reply quote like What is the technical difference between fvnr & fvr type of motor starters? This webinar will educate the participant in the various power components of a mv class e2 motor controller and the different types of. Fvnr full voltage (direct on line) motor starter.. What Is Fvnr Motor Starter.
From wiringdiagram.2bitboer.com
Fvnr Starter Wiring Diagram Wiring Diagram What Is Fvnr Motor Starter Can anyone explain difference between fvnr & fvr type of starters? What is the technical difference between fvnr & fvr type of motor starters? Fvnr full voltage (direct on line) motor starter. Save share reply quote like As the name implies, when the controller’s single contactor actuates, this. This webinar will educate the participant in the various power components of. What Is Fvnr Motor Starter.
From www.mtechcontrol.com
What is a Motor Starter? MTech Control What Is Fvnr Motor Starter Fvnr full voltage (direct on line) motor starter. As the name implies, when the controller’s single contactor actuates, this. Applies the system line voltage to motor terminals to start a motor. Can anyone explain difference between fvnr & fvr type of starters? This webinar will educate the participant in the various power components of a mv class e2 motor controller. What Is Fvnr Motor Starter.
From atlaselectricinc.com
Square D Size 4 FVNR Combination Starter Atlas Electric What Is Fvnr Motor Starter What is the technical difference between fvnr & fvr type of motor starters? Fvnr full voltage (direct on line) motor starter. Applies the system line voltage to motor terminals to start a motor. Can anyone explain difference between fvnr & fvr type of starters? This webinar will educate the participant in the various power components of a mv class e2. What Is Fvnr Motor Starter.
From www.slevysurplus.com
Eaton AN19SN0A5E300 SIZE 5 FVNR Starter What Is Fvnr Motor Starter Save share reply quote like This webinar will educate the participant in the various power components of a mv class e2 motor controller and the different types of. As the name implies, when the controller’s single contactor actuates, this. What is the technical difference between fvnr & fvr type of motor starters? Applies the system line voltage to motor terminals. What Is Fvnr Motor Starter.
From shop.atlaselectricinc.com
Allen Bradley Size 1 FVNR Motor Starter Catalog Number 509BONA2G 120 What Is Fvnr Motor Starter Fvnr full voltage (direct on line) motor starter. As the name implies, when the controller’s single contactor actuates, this. Save share reply quote like Applies the system line voltage to motor terminals to start a motor. What is the technical difference between fvnr & fvr type of motor starters? This webinar will educate the participant in the various power components. What Is Fvnr Motor Starter.
From integrityelectricdirect.com
NEW SIEMENS COMBINATION FVNR MOTOR STARTER 18DUC92BF NEMA 1, 10A 200 What Is Fvnr Motor Starter Applies the system line voltage to motor terminals to start a motor. Fvnr full voltage (direct on line) motor starter. This webinar will educate the participant in the various power components of a mv class e2 motor controller and the different types of. Save share reply quote like What is the technical difference between fvnr & fvr type of motor. What Is Fvnr Motor Starter.
From motorsandcontrol.com
Eaton Cutler Hammer, XTAE018C01E024, Starter 3P FVNR 18A Frame C 1NC 16 What Is Fvnr Motor Starter Can anyone explain difference between fvnr & fvr type of starters? Fvnr full voltage (direct on line) motor starter. As the name implies, when the controller’s single contactor actuates, this. Applies the system line voltage to motor terminals to start a motor. Save share reply quote like This webinar will educate the participant in the various power components of a. What Is Fvnr Motor Starter.
From www.selectequipment.net
A10BNOA,Cutler Hammer Nema Size 0 FVNR Motor Starter, Citation Series What Is Fvnr Motor Starter Applies the system line voltage to motor terminals to start a motor. As the name implies, when the controller’s single contactor actuates, this. Can anyone explain difference between fvnr & fvr type of starters? What is the technical difference between fvnr & fvr type of motor starters? This webinar will educate the participant in the various power components of a. What Is Fvnr Motor Starter.
From atlas-electric-inc.myshopify.com
Allen Bradley Size 5 FVNR Motor Starter Catalog Number 709FOD103 What Is Fvnr Motor Starter This webinar will educate the participant in the various power components of a mv class e2 motor controller and the different types of. Applies the system line voltage to motor terminals to start a motor. What is the technical difference between fvnr & fvr type of motor starters? Fvnr full voltage (direct on line) motor starter. Can anyone explain difference. What Is Fvnr Motor Starter.
From www.ebay.com
Allen Bradley Size 2 FVNR Motor Starter Catalog Number 409B40ND 30HP What Is Fvnr Motor Starter As the name implies, when the controller’s single contactor actuates, this. Can anyone explain difference between fvnr & fvr type of starters? What is the technical difference between fvnr & fvr type of motor starters? Fvnr full voltage (direct on line) motor starter. This webinar will educate the participant in the various power components of a mv class e2 motor. What Is Fvnr Motor Starter.
From atlas-electric-inc.myshopify.com
Allen Bradley Size 1 FVNR Motor Starter Catalog Number 509BONA2G 120 What Is Fvnr Motor Starter This webinar will educate the participant in the various power components of a mv class e2 motor controller and the different types of. Applies the system line voltage to motor terminals to start a motor. Fvnr full voltage (direct on line) motor starter. As the name implies, when the controller’s single contactor actuates, this. Can anyone explain difference between fvnr. What Is Fvnr Motor Starter.
From www.electricalandsupply.com
Westinghouse Size 3 FVNR Motor Starter Catalog Number A200M3CACM What Is Fvnr Motor Starter Fvnr full voltage (direct on line) motor starter. What is the technical difference between fvnr & fvr type of motor starters? Applies the system line voltage to motor terminals to start a motor. Save share reply quote like As the name implies, when the controller’s single contactor actuates, this. This webinar will educate the participant in the various power components. What Is Fvnr Motor Starter.
From atlas-electric-inc.myshopify.com
Allen Bradley Size 1 FVNR Motor Starter Catalog Number 509BONA2G 120 What Is Fvnr Motor Starter As the name implies, when the controller’s single contactor actuates, this. This webinar will educate the participant in the various power components of a mv class e2 motor controller and the different types of. Applies the system line voltage to motor terminals to start a motor. Can anyone explain difference between fvnr & fvr type of starters? Fvnr full voltage. What Is Fvnr Motor Starter.
From genemco.com
Ram Industries FVNR Motor Starter 40 HP What Is Fvnr Motor Starter Fvnr full voltage (direct on line) motor starter. This webinar will educate the participant in the various power components of a mv class e2 motor controller and the different types of. Can anyone explain difference between fvnr & fvr type of starters? As the name implies, when the controller’s single contactor actuates, this. Applies the system line voltage to motor. What Is Fvnr Motor Starter.
From www.slevysurplus.com
Eaton AN19SN0A5E300 SIZE 5 FVNR Starter What Is Fvnr Motor Starter Applies the system line voltage to motor terminals to start a motor. What is the technical difference between fvnr & fvr type of motor starters? This webinar will educate the participant in the various power components of a mv class e2 motor controller and the different types of. Fvnr full voltage (direct on line) motor starter. Save share reply quote. What Is Fvnr Motor Starter.
From www.selectequipment.net
A10GNOA, Cutler Hammer Nema Size 5 FVNR Motor Starter, Citation Series What Is Fvnr Motor Starter Fvnr full voltage (direct on line) motor starter. Can anyone explain difference between fvnr & fvr type of starters? Applies the system line voltage to motor terminals to start a motor. This webinar will educate the participant in the various power components of a mv class e2 motor controller and the different types of. What is the technical difference between. What Is Fvnr Motor Starter.
From atlas-electric-inc.myshopify.com
Allen Bradley Size 5 FVNR Motor Starter Catalog Number 709FOD103 What Is Fvnr Motor Starter Fvnr full voltage (direct on line) motor starter. What is the technical difference between fvnr & fvr type of motor starters? As the name implies, when the controller’s single contactor actuates, this. Save share reply quote like Applies the system line voltage to motor terminals to start a motor. Can anyone explain difference between fvnr & fvr type of starters?. What Is Fvnr Motor Starter.
From genemco.com
Ram Industries FVNR Motor Starter 40 HP What Is Fvnr Motor Starter As the name implies, when the controller’s single contactor actuates, this. Can anyone explain difference between fvnr & fvr type of starters? Save share reply quote like What is the technical difference between fvnr & fvr type of motor starters? This webinar will educate the participant in the various power components of a mv class e2 motor controller and the. What Is Fvnr Motor Starter.
From atlas-electric-inc.myshopify.com
Allen Bradley Size 1 FVNR Motor Starter Catalog Number 709BOD103 120V What Is Fvnr Motor Starter Can anyone explain difference between fvnr & fvr type of starters? Applies the system line voltage to motor terminals to start a motor. This webinar will educate the participant in the various power components of a mv class e2 motor controller and the different types of. What is the technical difference between fvnr & fvr type of motor starters? As. What Is Fvnr Motor Starter.