Hydraulic Nomograph . Use the nomogram below to determine hose id size based on flow (q) and velocity. A nomographic chart is a visual tool that allows users to choose the ideal hose size based on system fluid volumetric flow rate and. By choosing a flow rate and a flow. *recommended velocities shown are based on hydraulic fluids with maximum viscosity of 315 ssu at 100° f (38° c) working at room. To determine the recommended hose assembly size where the flow rate is known, lay a straight edge across. How to use the nomographic chart. Hose id selection nomograph the chart below is intended to aid in the selection of the correct hose size. The nomogram below can be used to determine the hose i.d. Determine the correct hydraulic hose size using a nomograph chart with hose inner diameter, desired flow rate and recommended flow velocity. (or dash size) that you will need. Adequate sizing of hydraulic hoses is an essential step of any project.
from www.fhwa.dot.gov
To determine the recommended hose assembly size where the flow rate is known, lay a straight edge across. *recommended velocities shown are based on hydraulic fluids with maximum viscosity of 315 ssu at 100° f (38° c) working at room. A nomographic chart is a visual tool that allows users to choose the ideal hose size based on system fluid volumetric flow rate and. (or dash size) that you will need. Use the nomogram below to determine hose id size based on flow (q) and velocity. The nomogram below can be used to determine the hose i.d. How to use the nomographic chart. Hose id selection nomograph the chart below is intended to aid in the selection of the correct hose size. Adequate sizing of hydraulic hoses is an essential step of any project. By choosing a flow rate and a flow.
Publications Hydraulic Engineering Federal Highway Administration
Hydraulic Nomograph Hose id selection nomograph the chart below is intended to aid in the selection of the correct hose size. Adequate sizing of hydraulic hoses is an essential step of any project. By choosing a flow rate and a flow. How to use the nomographic chart. (or dash size) that you will need. To determine the recommended hose assembly size where the flow rate is known, lay a straight edge across. A nomographic chart is a visual tool that allows users to choose the ideal hose size based on system fluid volumetric flow rate and. *recommended velocities shown are based on hydraulic fluids with maximum viscosity of 315 ssu at 100° f (38° c) working at room. Use the nomogram below to determine hose id size based on flow (q) and velocity. The nomogram below can be used to determine the hose i.d. Hose id selection nomograph the chart below is intended to aid in the selection of the correct hose size. Determine the correct hydraulic hose size using a nomograph chart with hose inner diameter, desired flow rate and recommended flow velocity.
From www.theleeco.com
Hydraulic Power The Lee Company Hydraulic Nomograph *recommended velocities shown are based on hydraulic fluids with maximum viscosity of 315 ssu at 100° f (38° c) working at room. Adequate sizing of hydraulic hoses is an essential step of any project. Use the nomogram below to determine hose id size based on flow (q) and velocity. Hose id selection nomograph the chart below is intended to aid. Hydraulic Nomograph.
From www.fhwa.dot.gov
Publications Hydraulic Engineering Federal Highway Administration Hydraulic Nomograph Determine the correct hydraulic hose size using a nomograph chart with hose inner diameter, desired flow rate and recommended flow velocity. *recommended velocities shown are based on hydraulic fluids with maximum viscosity of 315 ssu at 100° f (38° c) working at room. By choosing a flow rate and a flow. Use the nomogram below to determine hose id size. Hydraulic Nomograph.
From www.slideshare.net
Ch 27 culverts Hydraulic Nomograph Adequate sizing of hydraulic hoses is an essential step of any project. *recommended velocities shown are based on hydraulic fluids with maximum viscosity of 315 ssu at 100° f (38° c) working at room. By choosing a flow rate and a flow. A nomographic chart is a visual tool that allows users to choose the ideal hose size based on. Hydraulic Nomograph.
From www.wikiwand.com
Nomogram Wikiwand Hydraulic Nomograph Determine the correct hydraulic hose size using a nomograph chart with hose inner diameter, desired flow rate and recommended flow velocity. *recommended velocities shown are based on hydraulic fluids with maximum viscosity of 315 ssu at 100° f (38° c) working at room. Use the nomogram below to determine hose id size based on flow (q) and velocity. Adequate sizing. Hydraulic Nomograph.
From www.engineeringtoolbox.com
Compressed Air Pressure Drop Diagram Hydraulic Nomograph By choosing a flow rate and a flow. (or dash size) that you will need. The nomogram below can be used to determine the hose i.d. *recommended velocities shown are based on hydraulic fluids with maximum viscosity of 315 ssu at 100° f (38° c) working at room. Hose id selection nomograph the chart below is intended to aid in. Hydraulic Nomograph.
From blog.hydra-star.co.uk
Gates Hose, Festo Valves and tec Products from Hydrastar Ltd, UK Hydraulic Nomograph *recommended velocities shown are based on hydraulic fluids with maximum viscosity of 315 ssu at 100° f (38° c) working at room. Determine the correct hydraulic hose size using a nomograph chart with hose inner diameter, desired flow rate and recommended flow velocity. Hose id selection nomograph the chart below is intended to aid in the selection of the correct. Hydraulic Nomograph.
From www.theleeco.com
Hydraulic Power The Lee Company Hydraulic Nomograph To determine the recommended hose assembly size where the flow rate is known, lay a straight edge across. Hose id selection nomograph the chart below is intended to aid in the selection of the correct hose size. Adequate sizing of hydraulic hoses is an essential step of any project. A nomographic chart is a visual tool that allows users to. Hydraulic Nomograph.
From groups.google.com
LARE Section 4 Nomograph for manning's equation Hydraulic Nomograph (or dash size) that you will need. Use the nomogram below to determine hose id size based on flow (q) and velocity. By choosing a flow rate and a flow. A nomographic chart is a visual tool that allows users to choose the ideal hose size based on system fluid volumetric flow rate and. Hose id selection nomograph the chart. Hydraulic Nomograph.
From www.researchgate.net
Nomograph for the selection of standardised small hydraulic turbines Hydraulic Nomograph Hose id selection nomograph the chart below is intended to aid in the selection of the correct hose size. By choosing a flow rate and a flow. A nomographic chart is a visual tool that allows users to choose the ideal hose size based on system fluid volumetric flow rate and. (or dash size) that you will need. To determine. Hydraulic Nomograph.
From www.semanticscholar.org
Figure I from Capacity charts for the hydraulic design of highway Hydraulic Nomograph The nomogram below can be used to determine the hose i.d. How to use the nomographic chart. By choosing a flow rate and a flow. Adequate sizing of hydraulic hoses is an essential step of any project. To determine the recommended hose assembly size where the flow rate is known, lay a straight edge across. *recommended velocities shown are based. Hydraulic Nomograph.
From www.scribd.com
Nomograph Manning's Equation Hydraulics and Drainage English PDF Hydraulic Nomograph Determine the correct hydraulic hose size using a nomograph chart with hose inner diameter, desired flow rate and recommended flow velocity. How to use the nomographic chart. *recommended velocities shown are based on hydraulic fluids with maximum viscosity of 315 ssu at 100° f (38° c) working at room. The nomogram below can be used to determine the hose i.d.. Hydraulic Nomograph.
From www.chegg.com
Solved How can I solve them by using Manning's nomograph Hydraulic Nomograph Adequate sizing of hydraulic hoses is an essential step of any project. Use the nomogram below to determine hose id size based on flow (q) and velocity. (or dash size) that you will need. How to use the nomographic chart. By choosing a flow rate and a flow. Determine the correct hydraulic hose size using a nomograph chart with hose. Hydraulic Nomograph.
From epg.modot.org
File750.2 Inlet Control Nomograph for Concrete Pipe.pdf Engineering Hydraulic Nomograph Use the nomogram below to determine hose id size based on flow (q) and velocity. *recommended velocities shown are based on hydraulic fluids with maximum viscosity of 315 ssu at 100° f (38° c) working at room. The nomogram below can be used to determine the hose i.d. Hose id selection nomograph the chart below is intended to aid in. Hydraulic Nomograph.
From dcd.kitsapgov.com
Uniform Flow Analysis Method Hydraulic Nomograph Adequate sizing of hydraulic hoses is an essential step of any project. (or dash size) that you will need. *recommended velocities shown are based on hydraulic fluids with maximum viscosity of 315 ssu at 100° f (38° c) working at room. How to use the nomographic chart. To determine the recommended hose assembly size where the flow rate is known,. Hydraulic Nomograph.
From www.researchgate.net
Nomograph for the selection of standardised small hydraulic turbines Hydraulic Nomograph Hose id selection nomograph the chart below is intended to aid in the selection of the correct hose size. (or dash size) that you will need. A nomographic chart is a visual tool that allows users to choose the ideal hose size based on system fluid volumetric flow rate and. Adequate sizing of hydraulic hoses is an essential step of. Hydraulic Nomograph.
From hydraulichose.cn
Hydraulic Hose Selection Sinopulse hose Hydraulic Nomograph The nomogram below can be used to determine the hose i.d. By choosing a flow rate and a flow. Use the nomogram below to determine hose id size based on flow (q) and velocity. Hose id selection nomograph the chart below is intended to aid in the selection of the correct hose size. Determine the correct hydraulic hose size using. Hydraulic Nomograph.
From www.researchgate.net
Nomograph for the selection of standardised small hydraulic turbines Hydraulic Nomograph Adequate sizing of hydraulic hoses is an essential step of any project. By choosing a flow rate and a flow. To determine the recommended hose assembly size where the flow rate is known, lay a straight edge across. Use the nomogram below to determine hose id size based on flow (q) and velocity. (or dash size) that you will need.. Hydraulic Nomograph.
From www.chegg.com
Solved 2) Hydraulic Design of pipe culvert by Nomograph Hydraulic Nomograph Use the nomogram below to determine hose id size based on flow (q) and velocity. By choosing a flow rate and a flow. Hose id selection nomograph the chart below is intended to aid in the selection of the correct hose size. How to use the nomographic chart. A nomographic chart is a visual tool that allows users to choose. Hydraulic Nomograph.
From www.essentracomponents.com
Hydraulic hose sizing nomograph Essentra Components US Hydraulic Nomograph *recommended velocities shown are based on hydraulic fluids with maximum viscosity of 315 ssu at 100° f (38° c) working at room. Adequate sizing of hydraulic hoses is an essential step of any project. Hose id selection nomograph the chart below is intended to aid in the selection of the correct hose size. A nomographic chart is a visual tool. Hydraulic Nomograph.
From www.youtube.com
Hydraulics Mannnig's Equation Nomograph for Circular Conveyances Hydraulic Nomograph How to use the nomographic chart. A nomographic chart is a visual tool that allows users to choose the ideal hose size based on system fluid volumetric flow rate and. Hose id selection nomograph the chart below is intended to aid in the selection of the correct hose size. Determine the correct hydraulic hose size using a nomograph chart with. Hydraulic Nomograph.
From www.lancashirehose.co.uk
Interactive Nomogram Hydraulic Nomograph How to use the nomographic chart. Determine the correct hydraulic hose size using a nomograph chart with hose inner diameter, desired flow rate and recommended flow velocity. Adequate sizing of hydraulic hoses is an essential step of any project. *recommended velocities shown are based on hydraulic fluids with maximum viscosity of 315 ssu at 100° f (38° c) working at. Hydraulic Nomograph.
From www.chegg.com
Solved Using The Nomograph Below, Determine What The Flow... Hydraulic Nomograph A nomographic chart is a visual tool that allows users to choose the ideal hose size based on system fluid volumetric flow rate and. By choosing a flow rate and a flow. How to use the nomographic chart. Hose id selection nomograph the chart below is intended to aid in the selection of the correct hose size. Determine the correct. Hydraulic Nomograph.
From lefakkomies.github.io
Examples — pyNomo Documentation 0.3.2.2 documentation Hydraulic Nomograph *recommended velocities shown are based on hydraulic fluids with maximum viscosity of 315 ssu at 100° f (38° c) working at room. By choosing a flow rate and a flow. Use the nomogram below to determine hose id size based on flow (q) and velocity. How to use the nomographic chart. Hose id selection nomograph the chart below is intended. Hydraulic Nomograph.
From www.haikupower.com
HAIKU POWER Safe Passage To Hydraulics Power Hydraulic Nomograph Hose id selection nomograph the chart below is intended to aid in the selection of the correct hose size. (or dash size) that you will need. The nomogram below can be used to determine the hose i.d. *recommended velocities shown are based on hydraulic fluids with maximum viscosity of 315 ssu at 100° f (38° c) working at room. Use. Hydraulic Nomograph.
From www.orangetractortalks.com
Hydraulic connectors on a BX2380 or in general. OrangeTractorTalks Hydraulic Nomograph By choosing a flow rate and a flow. The nomogram below can be used to determine the hose i.d. Use the nomogram below to determine hose id size based on flow (q) and velocity. Adequate sizing of hydraulic hoses is an essential step of any project. (or dash size) that you will need. Hose id selection nomograph the chart below. Hydraulic Nomograph.
From www.researchgate.net
Nomograph for the selection of standardised small hydraulic turbines Hydraulic Nomograph Hose id selection nomograph the chart below is intended to aid in the selection of the correct hose size. Use the nomogram below to determine hose id size based on flow (q) and velocity. By choosing a flow rate and a flow. A nomographic chart is a visual tool that allows users to choose the ideal hose size based on. Hydraulic Nomograph.
From www.datadeluge.com
Data Deluge More on Nomograms Hydraulic Nomograph A nomographic chart is a visual tool that allows users to choose the ideal hose size based on system fluid volumetric flow rate and. The nomogram below can be used to determine the hose i.d. Use the nomogram below to determine hose id size based on flow (q) and velocity. By choosing a flow rate and a flow. *recommended velocities. Hydraulic Nomograph.
From www.scribd.com
Hydraulic & Offshore Supplies Pipe Sizing Nomogram PDF Pipe (Fluid Hydraulic Nomograph How to use the nomographic chart. Determine the correct hydraulic hose size using a nomograph chart with hose inner diameter, desired flow rate and recommended flow velocity. *recommended velocities shown are based on hydraulic fluids with maximum viscosity of 315 ssu at 100° f (38° c) working at room. Hose id selection nomograph the chart below is intended to aid. Hydraulic Nomograph.
From www.researchgate.net
Nomogram of the hydraulic calculations of the system InletWater Hydraulic Nomograph (or dash size) that you will need. *recommended velocities shown are based on hydraulic fluids with maximum viscosity of 315 ssu at 100° f (38° c) working at room. The nomogram below can be used to determine the hose i.d. A nomographic chart is a visual tool that allows users to choose the ideal hose size based on system fluid. Hydraulic Nomograph.
From armyengineer.tpub.com
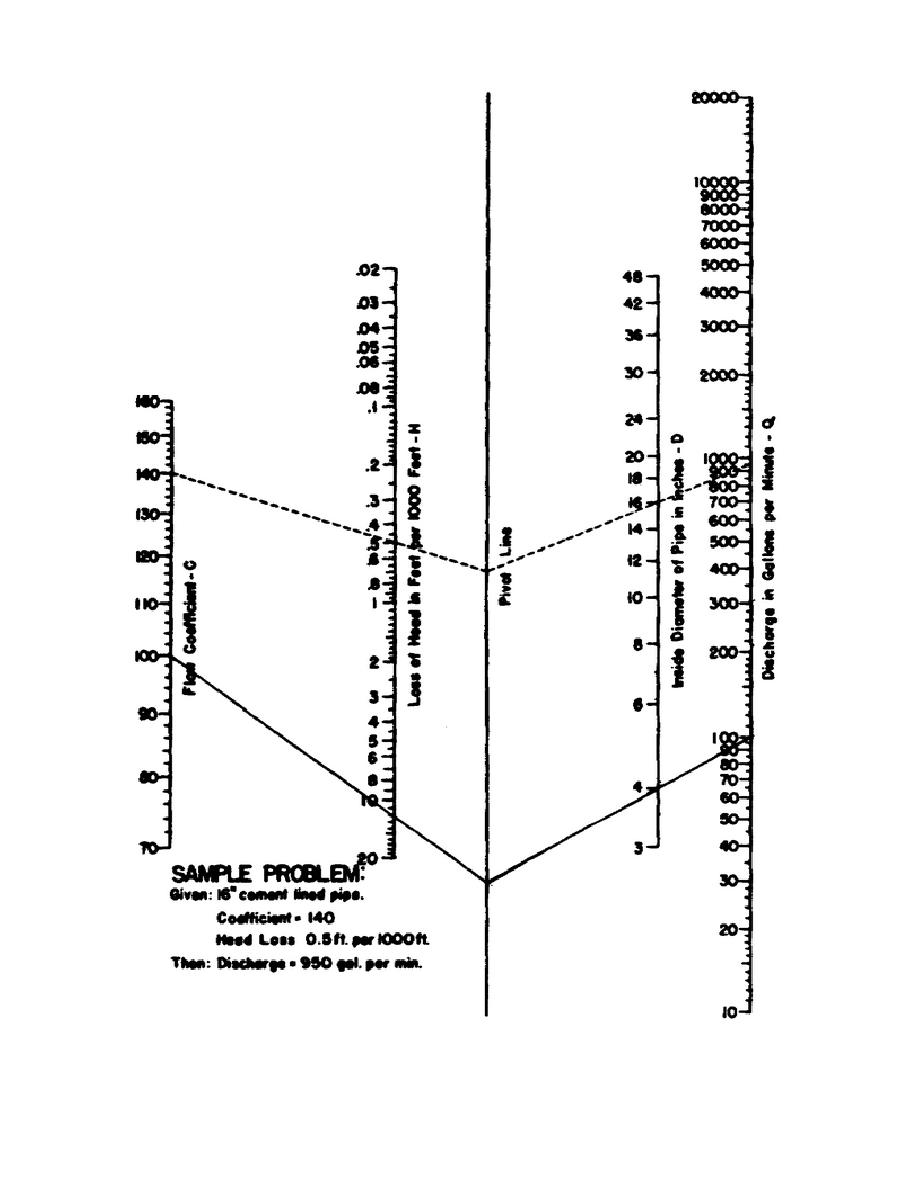
Figure 15. Nomograph for calculating pipe size, discharge, and head loss. Hydraulic Nomograph To determine the recommended hose assembly size where the flow rate is known, lay a straight edge across. *recommended velocities shown are based on hydraulic fluids with maximum viscosity of 315 ssu at 100° f (38° c) working at room. Use the nomogram below to determine hose id size based on flow (q) and velocity. By choosing a flow rate. Hydraulic Nomograph.
From www.scribd.com
Hydraulic Hose Sizing Nomograph PDF Hydraulic Nomograph *recommended velocities shown are based on hydraulic fluids with maximum viscosity of 315 ssu at 100° f (38° c) working at room. Use the nomogram below to determine hose id size based on flow (q) and velocity. Adequate sizing of hydraulic hoses is an essential step of any project. Hose id selection nomograph the chart below is intended to aid. Hydraulic Nomograph.
From hoseflex.com
Nomograph Pacific Hoseflex Hydraulic Nomograph Use the nomogram below to determine hose id size based on flow (q) and velocity. The nomogram below can be used to determine the hose i.d. *recommended velocities shown are based on hydraulic fluids with maximum viscosity of 315 ssu at 100° f (38° c) working at room. By choosing a flow rate and a flow. Hose id selection nomograph. Hydraulic Nomograph.
From armyengineer.tpub.com
Figure 45. Nomograph for Manning's Equation Hydraulic Nomograph By choosing a flow rate and a flow. A nomographic chart is a visual tool that allows users to choose the ideal hose size based on system fluid volumetric flow rate and. (or dash size) that you will need. *recommended velocities shown are based on hydraulic fluids with maximum viscosity of 315 ssu at 100° f (38° c) working at. Hydraulic Nomograph.
From www.xrp.com
Tech Center XRP, Inc. Hydraulic Nomograph How to use the nomographic chart. Adequate sizing of hydraulic hoses is an essential step of any project. *recommended velocities shown are based on hydraulic fluids with maximum viscosity of 315 ssu at 100° f (38° c) working at room. (or dash size) that you will need. Hose id selection nomograph the chart below is intended to aid in the. Hydraulic Nomograph.
From www.researchgate.net
Nomogram for calculation of standard water. Note. Developed by Phyllis Hydraulic Nomograph How to use the nomographic chart. A nomographic chart is a visual tool that allows users to choose the ideal hose size based on system fluid volumetric flow rate and. Hose id selection nomograph the chart below is intended to aid in the selection of the correct hose size. By choosing a flow rate and a flow. Adequate sizing of. Hydraulic Nomograph.