Pi Network Attenuator Calculator . Active calculator for resistive impedance matching pi attenuator circuits with results for resistance, attenuation, minimum attenuation,. The shunt resistors (r1) are. With the pi attenuator calculator, you will save the valuable time required in calculating pi attenuator resistor values. Use digikey’s attenuator calculators to determine the resistance values for tee, bridged tee, reflection and pi attenuators given the. Enter values for r1 and r2 to calculate attenuator loss and impedance. Alternatively, generate r1 and r2 for a wanted. You can do it with a. Use pi attenuator calculator to find the values of both the resistance (r1 & r2) by using the required attenuation and characteristic impedance (zo) value of any pi. A pi pad attenuator is one in which the resistors are in a π configuration.
from www.qsl.net
Use pi attenuator calculator to find the values of both the resistance (r1 & r2) by using the required attenuation and characteristic impedance (zo) value of any pi. Active calculator for resistive impedance matching pi attenuator circuits with results for resistance, attenuation, minimum attenuation,. You can do it with a. Use digikey’s attenuator calculators to determine the resistance values for tee, bridged tee, reflection and pi attenuators given the. Alternatively, generate r1 and r2 for a wanted. Enter values for r1 and r2 to calculate attenuator loss and impedance. With the pi attenuator calculator, you will save the valuable time required in calculating pi attenuator resistor values. A pi pad attenuator is one in which the resistors are in a π configuration. The shunt resistors (r1) are.
Matching T Attenuator Calculator
Pi Network Attenuator Calculator The shunt resistors (r1) are. The shunt resistors (r1) are. Active calculator for resistive impedance matching pi attenuator circuits with results for resistance, attenuation, minimum attenuation,. Alternatively, generate r1 and r2 for a wanted. Enter values for r1 and r2 to calculate attenuator loss and impedance. You can do it with a. A pi pad attenuator is one in which the resistors are in a π configuration. Use digikey’s attenuator calculators to determine the resistance values for tee, bridged tee, reflection and pi attenuators given the. With the pi attenuator calculator, you will save the valuable time required in calculating pi attenuator resistor values. Use pi attenuator calculator to find the values of both the resistance (r1 & r2) by using the required attenuation and characteristic impedance (zo) value of any pi.
From www.onesdr.com
dB Attenuator Calculator OneSDR A Wireless Technology Blog Pi Network Attenuator Calculator Enter values for r1 and r2 to calculate attenuator loss and impedance. Use digikey’s attenuator calculators to determine the resistance values for tee, bridged tee, reflection and pi attenuators given the. Use pi attenuator calculator to find the values of both the resistance (r1 & r2) by using the required attenuation and characteristic impedance (zo) value of any pi. A. Pi Network Attenuator Calculator.
From oshwlab.com
PI Attenuator (SMD) EasyEDA open source hardware lab Pi Network Attenuator Calculator You can do it with a. Use digikey’s attenuator calculators to determine the resistance values for tee, bridged tee, reflection and pi attenuators given the. The shunt resistors (r1) are. With the pi attenuator calculator, you will save the valuable time required in calculating pi attenuator resistor values. Enter values for r1 and r2 to calculate attenuator loss and impedance.. Pi Network Attenuator Calculator.
From www.qsl.net
Impedance Matching Pi Attenuator Calculator Pi Network Attenuator Calculator A pi pad attenuator is one in which the resistors are in a π configuration. Active calculator for resistive impedance matching pi attenuator circuits with results for resistance, attenuation, minimum attenuation,. You can do it with a. Use pi attenuator calculator to find the values of both the resistance (r1 & r2) by using the required attenuation and characteristic impedance. Pi Network Attenuator Calculator.
From www.omnicalculator.com
Pi Attenuator Calculator Pi Network Attenuator Calculator Use digikey’s attenuator calculators to determine the resistance values for tee, bridged tee, reflection and pi attenuators given the. Use pi attenuator calculator to find the values of both the resistance (r1 & r2) by using the required attenuation and characteristic impedance (zo) value of any pi. You can do it with a. Alternatively, generate r1 and r2 for a. Pi Network Attenuator Calculator.
From www.onesdr.com
dB Attenuator Calculator OneSDR A Wireless Technology Blog Pi Network Attenuator Calculator Active calculator for resistive impedance matching pi attenuator circuits with results for resistance, attenuation, minimum attenuation,. Use pi attenuator calculator to find the values of both the resistance (r1 & r2) by using the required attenuation and characteristic impedance (zo) value of any pi. Use digikey’s attenuator calculators to determine the resistance values for tee, bridged tee, reflection and pi. Pi Network Attenuator Calculator.
From werbelmicrowave.com
Pi Attenuator Table Microwave RF Components Couplers Dividers Pi Network Attenuator Calculator Enter values for r1 and r2 to calculate attenuator loss and impedance. With the pi attenuator calculator, you will save the valuable time required in calculating pi attenuator resistor values. The shunt resistors (r1) are. Use digikey’s attenuator calculators to determine the resistance values for tee, bridged tee, reflection and pi attenuators given the. Active calculator for resistive impedance matching. Pi Network Attenuator Calculator.
From klaiychev.blob.core.windows.net
Attenuator Calculation at Eugene Wharton blog Pi Network Attenuator Calculator A pi pad attenuator is one in which the resistors are in a π configuration. You can do it with a. Active calculator for resistive impedance matching pi attenuator circuits with results for resistance, attenuation, minimum attenuation,. Use pi attenuator calculator to find the values of both the resistance (r1 & r2) by using the required attenuation and characteristic impedance. Pi Network Attenuator Calculator.
From hackaday.com
Pi Network Attenuators Impedance Matching For The Strong Of Signal Pi Network Attenuator Calculator Enter values for r1 and r2 to calculate attenuator loss and impedance. Use pi attenuator calculator to find the values of both the resistance (r1 & r2) by using the required attenuation and characteristic impedance (zo) value of any pi. A pi pad attenuator is one in which the resistors are in a π configuration. You can do it with. Pi Network Attenuator Calculator.
From www.allaboutcircuits.com
Attenuators Amplifiers and Active Devices Electronics Textbook Pi Network Attenuator Calculator Enter values for r1 and r2 to calculate attenuator loss and impedance. Use digikey’s attenuator calculators to determine the resistance values for tee, bridged tee, reflection and pi attenuators given the. The shunt resistors (r1) are. Use pi attenuator calculator to find the values of both the resistance (r1 & r2) by using the required attenuation and characteristic impedance (zo). Pi Network Attenuator Calculator.
From www.youtube.com
pitype attenuator YouTube Pi Network Attenuator Calculator The shunt resistors (r1) are. Use pi attenuator calculator to find the values of both the resistance (r1 & r2) by using the required attenuation and characteristic impedance (zo) value of any pi. Enter values for r1 and r2 to calculate attenuator loss and impedance. With the pi attenuator calculator, you will save the valuable time required in calculating pi. Pi Network Attenuator Calculator.
From www.onesdr.com
75 Ohm Attenuator Calculator OneSDR A Wireless Technology Blog Pi Network Attenuator Calculator Use digikey’s attenuator calculators to determine the resistance values for tee, bridged tee, reflection and pi attenuators given the. You can do it with a. Use pi attenuator calculator to find the values of both the resistance (r1 & r2) by using the required attenuation and characteristic impedance (zo) value of any pi. A pi pad attenuator is one in. Pi Network Attenuator Calculator.
From www.youtube.com
How to Measure 6 dB Attenuator using VNA Vector Network Analyzer S11 Pi Network Attenuator Calculator The shunt resistors (r1) are. Alternatively, generate r1 and r2 for a wanted. With the pi attenuator calculator, you will save the valuable time required in calculating pi attenuator resistor values. Use pi attenuator calculator to find the values of both the resistance (r1 & r2) by using the required attenuation and characteristic impedance (zo) value of any pi. You. Pi Network Attenuator Calculator.
From klaiychev.blob.core.windows.net
Attenuator Calculation at Eugene Wharton blog Pi Network Attenuator Calculator The shunt resistors (r1) are. Use digikey’s attenuator calculators to determine the resistance values for tee, bridged tee, reflection and pi attenuators given the. With the pi attenuator calculator, you will save the valuable time required in calculating pi attenuator resistor values. Active calculator for resistive impedance matching pi attenuator circuits with results for resistance, attenuation, minimum attenuation,. You can. Pi Network Attenuator Calculator.
From www.youtube.com
Switchable Pi Attenuator with Dummy Antenna, using PCBWay PCB's YouTube Pi Network Attenuator Calculator Alternatively, generate r1 and r2 for a wanted. Enter values for r1 and r2 to calculate attenuator loss and impedance. The shunt resistors (r1) are. With the pi attenuator calculator, you will save the valuable time required in calculating pi attenuator resistor values. Active calculator for resistive impedance matching pi attenuator circuits with results for resistance, attenuation, minimum attenuation,. Use. Pi Network Attenuator Calculator.
From www.eeworldonline.com
What is signal attenuation? Electrical Engineering News and Products Pi Network Attenuator Calculator Active calculator for resistive impedance matching pi attenuator circuits with results for resistance, attenuation, minimum attenuation,. With the pi attenuator calculator, you will save the valuable time required in calculating pi attenuator resistor values. Use digikey’s attenuator calculators to determine the resistance values for tee, bridged tee, reflection and pi attenuators given the. A pi pad attenuator is one in. Pi Network Attenuator Calculator.
From www.thetechedvocate.org
How to get pi on a calculator The Tech Edvocate Pi Network Attenuator Calculator A pi pad attenuator is one in which the resistors are in a π configuration. Active calculator for resistive impedance matching pi attenuator circuits with results for resistance, attenuation, minimum attenuation,. Use digikey’s attenuator calculators to determine the resistance values for tee, bridged tee, reflection and pi attenuators given the. With the pi attenuator calculator, you will save the valuable. Pi Network Attenuator Calculator.
From mungfali.com
Step Attenuator Schematic Pi Network Attenuator Calculator A pi pad attenuator is one in which the resistors are in a π configuration. Enter values for r1 and r2 to calculate attenuator loss and impedance. Use pi attenuator calculator to find the values of both the resistance (r1 & r2) by using the required attenuation and characteristic impedance (zo) value of any pi. You can do it with. Pi Network Attenuator Calculator.
From www.arduinoetal.net
Attenuators Arduino et al Pi Network Attenuator Calculator Use digikey’s attenuator calculators to determine the resistance values for tee, bridged tee, reflection and pi attenuators given the. Alternatively, generate r1 and r2 for a wanted. You can do it with a. The shunt resistors (r1) are. With the pi attenuator calculator, you will save the valuable time required in calculating pi attenuator resistor values. A pi pad attenuator. Pi Network Attenuator Calculator.
From www.allaboutcircuits.com
Attenuators Amplifiers and Active Devices Electronics Textbook Pi Network Attenuator Calculator Active calculator for resistive impedance matching pi attenuator circuits with results for resistance, attenuation, minimum attenuation,. The shunt resistors (r1) are. A pi pad attenuator is one in which the resistors are in a π configuration. Alternatively, generate r1 and r2 for a wanted. Enter values for r1 and r2 to calculate attenuator loss and impedance. Use digikey’s attenuator calculators. Pi Network Attenuator Calculator.
From www.qsl.net
Matching T Attenuator Calculator Pi Network Attenuator Calculator Use digikey’s attenuator calculators to determine the resistance values for tee, bridged tee, reflection and pi attenuators given the. The shunt resistors (r1) are. With the pi attenuator calculator, you will save the valuable time required in calculating pi attenuator resistor values. Use pi attenuator calculator to find the values of both the resistance (r1 & r2) by using the. Pi Network Attenuator Calculator.
From solderingmind.com
Pi Resistor Attenuator Calculator Soldering Mind Pi Network Attenuator Calculator A pi pad attenuator is one in which the resistors are in a π configuration. You can do it with a. Active calculator for resistive impedance matching pi attenuator circuits with results for resistance, attenuation, minimum attenuation,. With the pi attenuator calculator, you will save the valuable time required in calculating pi attenuator resistor values. Enter values for r1 and. Pi Network Attenuator Calculator.
From www.electronicsforu.com
Electronics Calculators Archives Page 5 of 7 Electronics For You Pi Network Attenuator Calculator Use pi attenuator calculator to find the values of both the resistance (r1 & r2) by using the required attenuation and characteristic impedance (zo) value of any pi. With the pi attenuator calculator, you will save the valuable time required in calculating pi attenuator resistor values. You can do it with a. Use digikey’s attenuator calculators to determine the resistance. Pi Network Attenuator Calculator.
From geekpossible.com
How to Enter Pi Into Microsoft Calculator GeekPossible Pi Network Attenuator Calculator Use pi attenuator calculator to find the values of both the resistance (r1 & r2) by using the required attenuation and characteristic impedance (zo) value of any pi. You can do it with a. Use digikey’s attenuator calculators to determine the resistance values for tee, bridged tee, reflection and pi attenuators given the. The shunt resistors (r1) are. Enter values. Pi Network Attenuator Calculator.
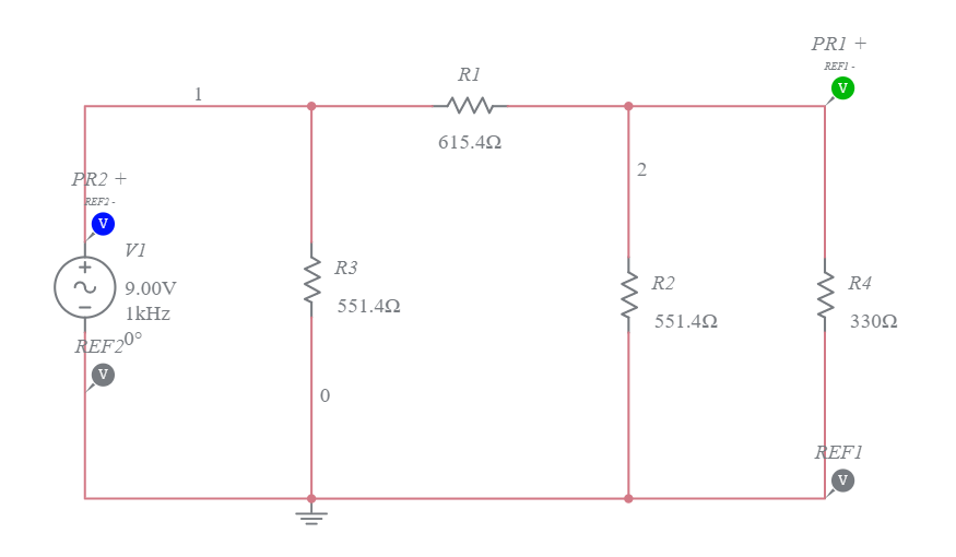
From www.multisim.com
pi network attenuator 330 Multisim Live Pi Network Attenuator Calculator Use digikey’s attenuator calculators to determine the resistance values for tee, bridged tee, reflection and pi attenuators given the. Use pi attenuator calculator to find the values of both the resistance (r1 & r2) by using the required attenuation and characteristic impedance (zo) value of any pi. Active calculator for resistive impedance matching pi attenuator circuits with results for resistance,. Pi Network Attenuator Calculator.
From nerdytechy.com
Pi Attenuator Calculator Online Calculation and Formula NerdyTechy Pi Network Attenuator Calculator Use pi attenuator calculator to find the values of both the resistance (r1 & r2) by using the required attenuation and characteristic impedance (zo) value of any pi. Use digikey’s attenuator calculators to determine the resistance values for tee, bridged tee, reflection and pi attenuators given the. Enter values for r1 and r2 to calculate attenuator loss and impedance. Active. Pi Network Attenuator Calculator.
From www.mdpi.com
Electronics Free FullText A C/X/Ku/KBand Precision Compact 6Bit Pi Network Attenuator Calculator Active calculator for resistive impedance matching pi attenuator circuits with results for resistance, attenuation, minimum attenuation,. Use pi attenuator calculator to find the values of both the resistance (r1 & r2) by using the required attenuation and characteristic impedance (zo) value of any pi. With the pi attenuator calculator, you will save the valuable time required in calculating pi attenuator. Pi Network Attenuator Calculator.
From 3roam.com
Pi Attenuator Calculator (with Examples) Pi Network Attenuator Calculator The shunt resistors (r1) are. Use digikey’s attenuator calculators to determine the resistance values for tee, bridged tee, reflection and pi attenuators given the. Use pi attenuator calculator to find the values of both the resistance (r1 & r2) by using the required attenuation and characteristic impedance (zo) value of any pi. Active calculator for resistive impedance matching pi attenuator. Pi Network Attenuator Calculator.
From www.arduinoetal.net
Attenuators Arduino et al Pi Network Attenuator Calculator Use pi attenuator calculator to find the values of both the resistance (r1 & r2) by using the required attenuation and characteristic impedance (zo) value of any pi. A pi pad attenuator is one in which the resistors are in a π configuration. Use digikey’s attenuator calculators to determine the resistance values for tee, bridged tee, reflection and pi attenuators. Pi Network Attenuator Calculator.
From syncchannel.blogspot.com
The Sync Channel Blog Quick PCB Pi Attenuator Pi Network Attenuator Calculator With the pi attenuator calculator, you will save the valuable time required in calculating pi attenuator resistor values. Use pi attenuator calculator to find the values of both the resistance (r1 & r2) by using the required attenuation and characteristic impedance (zo) value of any pi. Use digikey’s attenuator calculators to determine the resistance values for tee, bridged tee, reflection. Pi Network Attenuator Calculator.
From www.researchgate.net
PIattenuator designed with three PIN diodes Download Scientific Diagram Pi Network Attenuator Calculator Use pi attenuator calculator to find the values of both the resistance (r1 & r2) by using the required attenuation and characteristic impedance (zo) value of any pi. A pi pad attenuator is one in which the resistors are in a π configuration. With the pi attenuator calculator, you will save the valuable time required in calculating pi attenuator resistor. Pi Network Attenuator Calculator.
From klaiychev.blob.core.windows.net
Attenuator Calculation at Eugene Wharton blog Pi Network Attenuator Calculator You can do it with a. Use pi attenuator calculator to find the values of both the resistance (r1 & r2) by using the required attenuation and characteristic impedance (zo) value of any pi. A pi pad attenuator is one in which the resistors are in a π configuration. Active calculator for resistive impedance matching pi attenuator circuits with results. Pi Network Attenuator Calculator.
From klaiychev.blob.core.windows.net
Attenuator Calculation at Eugene Wharton blog Pi Network Attenuator Calculator Alternatively, generate r1 and r2 for a wanted. You can do it with a. A pi pad attenuator is one in which the resistors are in a π configuration. Use digikey’s attenuator calculators to determine the resistance values for tee, bridged tee, reflection and pi attenuators given the. The shunt resistors (r1) are. Use pi attenuator calculator to find the. Pi Network Attenuator Calculator.
From nerdytechy.com
Pi Attenuator Calculator Online Calculation and Formula NerdyTechy Pi Network Attenuator Calculator Use digikey’s attenuator calculators to determine the resistance values for tee, bridged tee, reflection and pi attenuators given the. Alternatively, generate r1 and r2 for a wanted. Active calculator for resistive impedance matching pi attenuator circuits with results for resistance, attenuation, minimum attenuation,. Enter values for r1 and r2 to calculate attenuator loss and impedance. With the pi attenuator calculator,. Pi Network Attenuator Calculator.
From 3roam.com
Pi Attenuator Calculator (with Examples) Pi Network Attenuator Calculator Enter values for r1 and r2 to calculate attenuator loss and impedance. Active calculator for resistive impedance matching pi attenuator circuits with results for resistance, attenuation, minimum attenuation,. Use pi attenuator calculator to find the values of both the resistance (r1 & r2) by using the required attenuation and characteristic impedance (zo) value of any pi. The shunt resistors (r1). Pi Network Attenuator Calculator.
From www.youtube.com
SYMMETRICAL PI ATTENUATOR NETWORK AND LINES UNIT03LECTURE06 Pi Network Attenuator Calculator You can do it with a. The shunt resistors (r1) are. Alternatively, generate r1 and r2 for a wanted. Use pi attenuator calculator to find the values of both the resistance (r1 & r2) by using the required attenuation and characteristic impedance (zo) value of any pi. With the pi attenuator calculator, you will save the valuable time required in. Pi Network Attenuator Calculator.