What Is Cabin Pressure Control System . The cabin pressure controller is the device used to control the cabin air pressure. All commercial airplanes have pressurized cabins such as this. By using a cabin pressure regulator, to manage the flow of air through the outflow valve, the pressure within the aircraft can be increased or decreased. The cabin pressure control system continuously monitors and adjusts the cabin pressure throughout the flight, keeping it within a safe and comfortable range. As airplanes ascend higher into the sky, they pump air into the cabin space to pressurize it. It doesn’t just create a more. Digital electronic controls to fit airplane cost, performance, flexibility, and valve configuration needs. Single or multiple outflow systems to aid in cabin comfort and ventilation of heat and odors. Older aircraft use strictly pneumatic means for controlling cabin. The major components for the pressurization control are the cabin pressure. Controlling cabin pressurization is accomplished by regulating the amount of air that flows out of the cabin.
from cabinpressurerepair.com
All commercial airplanes have pressurized cabins such as this. As airplanes ascend higher into the sky, they pump air into the cabin space to pressurize it. Controlling cabin pressurization is accomplished by regulating the amount of air that flows out of the cabin. Digital electronic controls to fit airplane cost, performance, flexibility, and valve configuration needs. The major components for the pressurization control are the cabin pressure. The cabin pressure control system continuously monitors and adjusts the cabin pressure throughout the flight, keeping it within a safe and comfortable range. Older aircraft use strictly pneumatic means for controlling cabin. By using a cabin pressure regulator, to manage the flow of air through the outflow valve, the pressure within the aircraft can be increased or decreased. It doesn’t just create a more. Single or multiple outflow systems to aid in cabin comfort and ventilation of heat and odors.
Gain Aviation Cabin Pressure ControllersValves
What Is Cabin Pressure Control System Older aircraft use strictly pneumatic means for controlling cabin. Older aircraft use strictly pneumatic means for controlling cabin. As airplanes ascend higher into the sky, they pump air into the cabin space to pressurize it. It doesn’t just create a more. Digital electronic controls to fit airplane cost, performance, flexibility, and valve configuration needs. By using a cabin pressure regulator, to manage the flow of air through the outflow valve, the pressure within the aircraft can be increased or decreased. Single or multiple outflow systems to aid in cabin comfort and ventilation of heat and odors. Controlling cabin pressurization is accomplished by regulating the amount of air that flows out of the cabin. The cabin pressure controller is the device used to control the cabin air pressure. The major components for the pressurization control are the cabin pressure. The cabin pressure control system continuously monitors and adjusts the cabin pressure throughout the flight, keeping it within a safe and comfortable range. All commercial airplanes have pressurized cabins such as this.
From www.researchgate.net
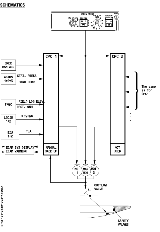
Schematic diagram of cabin pressure control system. Download What Is Cabin Pressure Control System All commercial airplanes have pressurized cabins such as this. Single or multiple outflow systems to aid in cabin comfort and ventilation of heat and odors. The cabin pressure controller is the device used to control the cabin air pressure. As airplanes ascend higher into the sky, they pump air into the cabin space to pressurize it. The cabin pressure control. What Is Cabin Pressure Control System.
From aviation.stackexchange.com
aircraft design How does the cabin pressure controller work in a What Is Cabin Pressure Control System All commercial airplanes have pressurized cabins such as this. Older aircraft use strictly pneumatic means for controlling cabin. As airplanes ascend higher into the sky, they pump air into the cabin space to pressurize it. The cabin pressure controller is the device used to control the cabin air pressure. The cabin pressure control system continuously monitors and adjusts the cabin. What Is Cabin Pressure Control System.
From www.aircraftsystemstech.com
Control of Cabin Pressure Aircraft Pressurization Systems Aircraft What Is Cabin Pressure Control System The cabin pressure controller is the device used to control the cabin air pressure. Older aircraft use strictly pneumatic means for controlling cabin. Single or multiple outflow systems to aid in cabin comfort and ventilation of heat and odors. The major components for the pressurization control are the cabin pressure. All commercial airplanes have pressurized cabins such as this. Controlling. What Is Cabin Pressure Control System.
From www.iitk.ac.in
Cabin Pressure Control System (CPCS) SMSS Laboratory IIT Kanpur What Is Cabin Pressure Control System Older aircraft use strictly pneumatic means for controlling cabin. Controlling cabin pressurization is accomplished by regulating the amount of air that flows out of the cabin. Digital electronic controls to fit airplane cost, performance, flexibility, and valve configuration needs. All commercial airplanes have pressurized cabins such as this. By using a cabin pressure regulator, to manage the flow of air. What Is Cabin Pressure Control System.
From www.howitworksdaily.com
How do cabin air systems work? How It Works Magazine What Is Cabin Pressure Control System Single or multiple outflow systems to aid in cabin comfort and ventilation of heat and odors. The major components for the pressurization control are the cabin pressure. The cabin pressure control system continuously monitors and adjusts the cabin pressure throughout the flight, keeping it within a safe and comfortable range. By using a cabin pressure regulator, to manage the flow. What Is Cabin Pressure Control System.
From www.defspace.com
Cabin Pressure Control Systems What Is Cabin Pressure Control System Digital electronic controls to fit airplane cost, performance, flexibility, and valve configuration needs. Older aircraft use strictly pneumatic means for controlling cabin. The cabin pressure controller is the device used to control the cabin air pressure. As airplanes ascend higher into the sky, they pump air into the cabin space to pressurize it. The cabin pressure control system continuously monitors. What Is Cabin Pressure Control System.
From www.youtube.com
Airplane Cabin Pressurization Explained [Hindi] YouTube What Is Cabin Pressure Control System It doesn’t just create a more. The cabin pressure controller is the device used to control the cabin air pressure. The cabin pressure control system continuously monitors and adjusts the cabin pressure throughout the flight, keeping it within a safe and comfortable range. Digital electronic controls to fit airplane cost, performance, flexibility, and valve configuration needs. The major components for. What Is Cabin Pressure Control System.
From www.aircraftsystemstech.com
Control of Cabin Pressure Aircraft Pressurization Systems (Part 4) What Is Cabin Pressure Control System The cabin pressure controller is the device used to control the cabin air pressure. All commercial airplanes have pressurized cabins such as this. By using a cabin pressure regulator, to manage the flow of air through the outflow valve, the pressure within the aircraft can be increased or decreased. The major components for the pressurization control are the cabin pressure.. What Is Cabin Pressure Control System.
From www.pinterest.com
Airbus A320 Series Have The (Cabin) Pressure Control and monitoring What Is Cabin Pressure Control System It doesn’t just create a more. By using a cabin pressure regulator, to manage the flow of air through the outflow valve, the pressure within the aircraft can be increased or decreased. Single or multiple outflow systems to aid in cabin comfort and ventilation of heat and odors. All commercial airplanes have pressurized cabins such as this. The cabin pressure. What Is Cabin Pressure Control System.
From innovationsinelectrical.blogspot.com
Electrofuse Control on Cabin Pressure What Is Cabin Pressure Control System Controlling cabin pressurization is accomplished by regulating the amount of air that flows out of the cabin. The cabin pressure control system continuously monitors and adjusts the cabin pressure throughout the flight, keeping it within a safe and comfortable range. Digital electronic controls to fit airplane cost, performance, flexibility, and valve configuration needs. The cabin pressure controller is the device. What Is Cabin Pressure Control System.
From www.pall.com
How Cabin Air Filters Work Commercial Fixed Wing Pall Corporation What Is Cabin Pressure Control System The cabin pressure controller is the device used to control the cabin air pressure. As airplanes ascend higher into the sky, they pump air into the cabin space to pressurize it. Single or multiple outflow systems to aid in cabin comfort and ventilation of heat and odors. It doesn’t just create a more. Controlling cabin pressurization is accomplished by regulating. What Is Cabin Pressure Control System.
From cabinpressurerepair.com
Gain Aviation Cabin Pressure ControllersValves What Is Cabin Pressure Control System The cabin pressure controller is the device used to control the cabin air pressure. As airplanes ascend higher into the sky, they pump air into the cabin space to pressurize it. The cabin pressure control system continuously monitors and adjusts the cabin pressure throughout the flight, keeping it within a safe and comfortable range. By using a cabin pressure regulator,. What Is Cabin Pressure Control System.
From www.youtube.com
Cabin Pressure Control Gauge for PMDG 737 Saitek/Logitech Flight What Is Cabin Pressure Control System Single or multiple outflow systems to aid in cabin comfort and ventilation of heat and odors. By using a cabin pressure regulator, to manage the flow of air through the outflow valve, the pressure within the aircraft can be increased or decreased. Older aircraft use strictly pneumatic means for controlling cabin. All commercial airplanes have pressurized cabins such as this.. What Is Cabin Pressure Control System.
From www.youtube.com
A320 Family Pressurization System YouTube What Is Cabin Pressure Control System It doesn’t just create a more. Older aircraft use strictly pneumatic means for controlling cabin. By using a cabin pressure regulator, to manage the flow of air through the outflow valve, the pressure within the aircraft can be increased or decreased. All commercial airplanes have pressurized cabins such as this. As airplanes ascend higher into the sky, they pump air. What Is Cabin Pressure Control System.
From www.jetpartsliquidator.com
Boeing 737 Cabin Pressure Control Panel 7110025 Jet Parts Liquidator What Is Cabin Pressure Control System By using a cabin pressure regulator, to manage the flow of air through the outflow valve, the pressure within the aircraft can be increased or decreased. The cabin pressure control system continuously monitors and adjusts the cabin pressure throughout the flight, keeping it within a safe and comfortable range. As airplanes ascend higher into the sky, they pump air into. What Is Cabin Pressure Control System.
From slidetodoc.com
Cabin Pressurization Servicing an Oxygen System Fill chart What Is Cabin Pressure Control System The major components for the pressurization control are the cabin pressure. The cabin pressure control system continuously monitors and adjusts the cabin pressure throughout the flight, keeping it within a safe and comfortable range. It doesn’t just create a more. All commercial airplanes have pressurized cabins such as this. The cabin pressure controller is the device used to control the. What Is Cabin Pressure Control System.
From aerospace.honeywell.com
Airplane Cabin Pressure Control Systems Honeywell Aerospace What Is Cabin Pressure Control System Older aircraft use strictly pneumatic means for controlling cabin. As airplanes ascend higher into the sky, they pump air into the cabin space to pressurize it. Single or multiple outflow systems to aid in cabin comfort and ventilation of heat and odors. By using a cabin pressure regulator, to manage the flow of air through the outflow valve, the pressure. What Is Cabin Pressure Control System.
From cabinpressurerepair.com
Gain Aviation Cabin Pressure ControllersValves What Is Cabin Pressure Control System By using a cabin pressure regulator, to manage the flow of air through the outflow valve, the pressure within the aircraft can be increased or decreased. Single or multiple outflow systems to aid in cabin comfort and ventilation of heat and odors. The major components for the pressurization control are the cabin pressure. The cabin pressure control system continuously monitors. What Is Cabin Pressure Control System.
From www.redimec.com.ar
Cabin pressure control systems What Is Cabin Pressure Control System All commercial airplanes have pressurized cabins such as this. It doesn’t just create a more. The cabin pressure control system continuously monitors and adjusts the cabin pressure throughout the flight, keeping it within a safe and comfortable range. Controlling cabin pressurization is accomplished by regulating the amount of air that flows out of the cabin. Older aircraft use strictly pneumatic. What Is Cabin Pressure Control System.
From www.avotek.com
Cabin Atmosphere Control/Pressurization Training System AS64 Avotek What Is Cabin Pressure Control System Older aircraft use strictly pneumatic means for controlling cabin. As airplanes ascend higher into the sky, they pump air into the cabin space to pressurize it. The cabin pressure controller is the device used to control the cabin air pressure. By using a cabin pressure regulator, to manage the flow of air through the outflow valve, the pressure within the. What Is Cabin Pressure Control System.
From wtruib.ru
AIR CONDITIONING SYSTEM OVERVIEW WTRUIB TRAINING What Is Cabin Pressure Control System Older aircraft use strictly pneumatic means for controlling cabin. The cabin pressure control system continuously monitors and adjusts the cabin pressure throughout the flight, keeping it within a safe and comfortable range. The major components for the pressurization control are the cabin pressure. By using a cabin pressure regulator, to manage the flow of air through the outflow valve, the. What Is Cabin Pressure Control System.
From learntoflyblog.com
Aircraft Systems Pressurized Aircraft Learn to Fly Blog ASA What Is Cabin Pressure Control System The major components for the pressurization control are the cabin pressure. Single or multiple outflow systems to aid in cabin comfort and ventilation of heat and odors. It doesn’t just create a more. Controlling cabin pressurization is accomplished by regulating the amount of air that flows out of the cabin. All commercial airplanes have pressurized cabins such as this. The. What Is Cabin Pressure Control System.
From aviation.stackexchange.com
cabin pressure What would happen if an airplane climbed beyond its What Is Cabin Pressure Control System Digital electronic controls to fit airplane cost, performance, flexibility, and valve configuration needs. As airplanes ascend higher into the sky, they pump air into the cabin space to pressurize it. The cabin pressure controller is the device used to control the cabin air pressure. By using a cabin pressure regulator, to manage the flow of air through the outflow valve,. What Is Cabin Pressure Control System.
From www.iann.net
Cabin Pressure Control What Is Cabin Pressure Control System The cabin pressure controller is the device used to control the cabin air pressure. Older aircraft use strictly pneumatic means for controlling cabin. Digital electronic controls to fit airplane cost, performance, flexibility, and valve configuration needs. By using a cabin pressure regulator, to manage the flow of air through the outflow valve, the pressure within the aircraft can be increased. What Is Cabin Pressure Control System.
From www.aircraftsystemstech.com
Control of Cabin Pressure Aircraft Pressurization Systems Aircraft What Is Cabin Pressure Control System By using a cabin pressure regulator, to manage the flow of air through the outflow valve, the pressure within the aircraft can be increased or decreased. The cabin pressure controller is the device used to control the cabin air pressure. Older aircraft use strictly pneumatic means for controlling cabin. The cabin pressure control system continuously monitors and adjusts the cabin. What Is Cabin Pressure Control System.
From cabinpressurerepair.com
Gain Aviation Cabin Pressure ControllersValves What Is Cabin Pressure Control System Controlling cabin pressurization is accomplished by regulating the amount of air that flows out of the cabin. As airplanes ascend higher into the sky, they pump air into the cabin space to pressurize it. Older aircraft use strictly pneumatic means for controlling cabin. All commercial airplanes have pressurized cabins such as this. The cabin pressure control system continuously monitors and. What Is Cabin Pressure Control System.
From aviationinternationalrecycling.com
CABIN PRESSURE CONTROL PANEL Aviation International Recycling What Is Cabin Pressure Control System The cabin pressure control system continuously monitors and adjusts the cabin pressure throughout the flight, keeping it within a safe and comfortable range. By using a cabin pressure regulator, to manage the flow of air through the outflow valve, the pressure within the aircraft can be increased or decreased. Single or multiple outflow systems to aid in cabin comfort and. What Is Cabin Pressure Control System.
From www.tasecs.com.tr
Tasecs Cabin Pressurization Control Systems (CPCS) What Is Cabin Pressure Control System The cabin pressure control system continuously monitors and adjusts the cabin pressure throughout the flight, keeping it within a safe and comfortable range. By using a cabin pressure regulator, to manage the flow of air through the outflow valve, the pressure within the aircraft can be increased or decreased. Controlling cabin pressurization is accomplished by regulating the amount of air. What Is Cabin Pressure Control System.
From www.youtube.com
Cabin Pressure Controller Test YouTube What Is Cabin Pressure Control System By using a cabin pressure regulator, to manage the flow of air through the outflow valve, the pressure within the aircraft can be increased or decreased. It doesn’t just create a more. All commercial airplanes have pressurized cabins such as this. The cabin pressure controller is the device used to control the cabin air pressure. The major components for the. What Is Cabin Pressure Control System.
From aviationinternationalrecycling.com
CABIN PRESSURE CONTROL PANEL Aviation International Recycling What Is Cabin Pressure Control System As airplanes ascend higher into the sky, they pump air into the cabin space to pressurize it. All commercial airplanes have pressurized cabins such as this. By using a cabin pressure regulator, to manage the flow of air through the outflow valve, the pressure within the aircraft can be increased or decreased. The major components for the pressurization control are. What Is Cabin Pressure Control System.
From cabinpressurerepair.com
Gain Aviation Cabin Pressure ControllersValves What Is Cabin Pressure Control System All commercial airplanes have pressurized cabins such as this. Older aircraft use strictly pneumatic means for controlling cabin. Digital electronic controls to fit airplane cost, performance, flexibility, and valve configuration needs. The cabin pressure control system continuously monitors and adjusts the cabin pressure throughout the flight, keeping it within a safe and comfortable range. As airplanes ascend higher into the. What Is Cabin Pressure Control System.
From www.uncleodiescollectibles.com
REPLICA CABIN PRESSURE CONTROL UNIT What Is Cabin Pressure Control System The cabin pressure control system continuously monitors and adjusts the cabin pressure throughout the flight, keeping it within a safe and comfortable range. By using a cabin pressure regulator, to manage the flow of air through the outflow valve, the pressure within the aircraft can be increased or decreased. Digital electronic controls to fit airplane cost, performance, flexibility, and valve. What Is Cabin Pressure Control System.
From www.youtube.com
MSFS Cabin Pressurization Systems YouTube What Is Cabin Pressure Control System Older aircraft use strictly pneumatic means for controlling cabin. As airplanes ascend higher into the sky, they pump air into the cabin space to pressurize it. Digital electronic controls to fit airplane cost, performance, flexibility, and valve configuration needs. It doesn’t just create a more. The major components for the pressurization control are the cabin pressure. The cabin pressure control. What Is Cabin Pressure Control System.
From www.youtube.com
Cabin Pressure Differential Gauge for PMDG 737 Saitek/Logitech Flight What Is Cabin Pressure Control System All commercial airplanes have pressurized cabins such as this. Single or multiple outflow systems to aid in cabin comfort and ventilation of heat and odors. Controlling cabin pressurization is accomplished by regulating the amount of air that flows out of the cabin. The cabin pressure control system continuously monitors and adjusts the cabin pressure throughout the flight, keeping it within. What Is Cabin Pressure Control System.
From www.youtube.com
How is Cabin pressure maintained in an aircraft? SkillLync YouTube What Is Cabin Pressure Control System Older aircraft use strictly pneumatic means for controlling cabin. As airplanes ascend higher into the sky, they pump air into the cabin space to pressurize it. By using a cabin pressure regulator, to manage the flow of air through the outflow valve, the pressure within the aircraft can be increased or decreased. Controlling cabin pressurization is accomplished by regulating the. What Is Cabin Pressure Control System.