Current Meter Circuit Diagram . The three “donut” current transformers (ct’s). This guide goes over how to use the. learn about the fundamentals of analog dc ammeters, including understanding ammeter resistance, examining multirange ammeters,. We will also make our own. but in this tutorial, we are going to cover very basic method to measure current using shunt resistance in the circuit. The ammeter is a measuring instrument used to find the strength of current flowing around an electrical circuit when connected in series with.
from electronics.stackexchange.com
The ammeter is a measuring instrument used to find the strength of current flowing around an electrical circuit when connected in series with. We will also make our own. learn about the fundamentals of analog dc ammeters, including understanding ammeter resistance, examining multirange ammeters,. This guide goes over how to use the. but in this tutorial, we are going to cover very basic method to measure current using shunt resistance in the circuit. The three “donut” current transformers (ct’s).
adc Implementing A/D conversion circuit to a DIY clamp meter
Current Meter Circuit Diagram The ammeter is a measuring instrument used to find the strength of current flowing around an electrical circuit when connected in series with. We will also make our own. The three “donut” current transformers (ct’s). learn about the fundamentals of analog dc ammeters, including understanding ammeter resistance, examining multirange ammeters,. The ammeter is a measuring instrument used to find the strength of current flowing around an electrical circuit when connected in series with. This guide goes over how to use the. but in this tutorial, we are going to cover very basic method to measure current using shunt resistance in the circuit.
From wireenginepaul.z19.web.core.windows.net
Circuit Diagram Connecting Voltmeter And Ammeter Current Meter Circuit Diagram but in this tutorial, we are going to cover very basic method to measure current using shunt resistance in the circuit. We will also make our own. learn about the fundamentals of analog dc ammeters, including understanding ammeter resistance, examining multirange ammeters,. This guide goes over how to use the. The three “donut” current transformers (ct’s). The ammeter. Current Meter Circuit Diagram.
From www.the-diy-life.com
Simple 3 Phase Arduino Energy Meter The DIY Life Current Meter Circuit Diagram The three “donut” current transformers (ct’s). The ammeter is a measuring instrument used to find the strength of current flowing around an electrical circuit when connected in series with. This guide goes over how to use the. We will also make our own. learn about the fundamentals of analog dc ammeters, including understanding ammeter resistance, examining multirange ammeters,. . Current Meter Circuit Diagram.
From userenginemanuela.z19.web.core.windows.net
Ac Voltmeter Circuit Diagram Current Meter Circuit Diagram This guide goes over how to use the. but in this tutorial, we are going to cover very basic method to measure current using shunt resistance in the circuit. The three “donut” current transformers (ct’s). The ammeter is a measuring instrument used to find the strength of current flowing around an electrical circuit when connected in series with. We. Current Meter Circuit Diagram.
From www.eleccircuit.com
Digital multimeter circuit using ICL7107 Current Meter Circuit Diagram We will also make our own. but in this tutorial, we are going to cover very basic method to measure current using shunt resistance in the circuit. The ammeter is a measuring instrument used to find the strength of current flowing around an electrical circuit when connected in series with. The three “donut” current transformers (ct’s). learn about. Current Meter Circuit Diagram.
From circuitdigest.com
IoT based Electricity Energy Meter using ESP12 and Arduino Current Meter Circuit Diagram We will also make our own. The three “donut” current transformers (ct’s). learn about the fundamentals of analog dc ammeters, including understanding ammeter resistance, examining multirange ammeters,. but in this tutorial, we are going to cover very basic method to measure current using shunt resistance in the circuit. The ammeter is a measuring instrument used to find the. Current Meter Circuit Diagram.
From diyprojects.eu
How to wire digital dual display volt and ammeter DIY Projects Current Meter Circuit Diagram learn about the fundamentals of analog dc ammeters, including understanding ammeter resistance, examining multirange ammeters,. We will also make our own. but in this tutorial, we are going to cover very basic method to measure current using shunt resistance in the circuit. The three “donut” current transformers (ct’s). This guide goes over how to use the. The ammeter. Current Meter Circuit Diagram.
From circuitdigest.com
Simple Digital Voltmeter Circuit Diagram using ICL7107 Current Meter Circuit Diagram but in this tutorial, we are going to cover very basic method to measure current using shunt resistance in the circuit. This guide goes over how to use the. learn about the fundamentals of analog dc ammeters, including understanding ammeter resistance, examining multirange ammeters,. The ammeter is a measuring instrument used to find the strength of current flowing. Current Meter Circuit Diagram.
From wiraelectrical.com
Digital Multimeter Diagram How it Works Wira Electrical Current Meter Circuit Diagram We will also make our own. This guide goes over how to use the. but in this tutorial, we are going to cover very basic method to measure current using shunt resistance in the circuit. The ammeter is a measuring instrument used to find the strength of current flowing around an electrical circuit when connected in series with. . Current Meter Circuit Diagram.
From userfixabt.z19.web.core.windows.net
Digital Current Meter Circuit Diagram Current Meter Circuit Diagram We will also make our own. The ammeter is a measuring instrument used to find the strength of current flowing around an electrical circuit when connected in series with. The three “donut” current transformers (ct’s). learn about the fundamentals of analog dc ammeters, including understanding ammeter resistance, examining multirange ammeters,. This guide goes over how to use the. . Current Meter Circuit Diagram.
From circuitdbjoanne.z21.web.core.windows.net
Current Meter Circuit Diagram Current Meter Circuit Diagram learn about the fundamentals of analog dc ammeters, including understanding ammeter resistance, examining multirange ammeters,. but in this tutorial, we are going to cover very basic method to measure current using shunt resistance in the circuit. The ammeter is a measuring instrument used to find the strength of current flowing around an electrical circuit when connected in series. Current Meter Circuit Diagram.
From partdiagramshamanismif.z21.web.core.windows.net
Electric Meter Circuit Diagram Current Meter Circuit Diagram learn about the fundamentals of analog dc ammeters, including understanding ammeter resistance, examining multirange ammeters,. We will also make our own. but in this tutorial, we are going to cover very basic method to measure current using shunt resistance in the circuit. This guide goes over how to use the. The three “donut” current transformers (ct’s). The ammeter. Current Meter Circuit Diagram.
From circuitn2z1i2galo.z13.web.core.windows.net
Electric Meter Circuit Diagram Current Meter Circuit Diagram We will also make our own. but in this tutorial, we are going to cover very basic method to measure current using shunt resistance in the circuit. The three “donut” current transformers (ct’s). The ammeter is a measuring instrument used to find the strength of current flowing around an electrical circuit when connected in series with. This guide goes. Current Meter Circuit Diagram.
From www.pinterest.co.uk
the three phase meter connection diagram and wiring for two phase Current Meter Circuit Diagram This guide goes over how to use the. The ammeter is a measuring instrument used to find the strength of current flowing around an electrical circuit when connected in series with. The three “donut” current transformers (ct’s). but in this tutorial, we are going to cover very basic method to measure current using shunt resistance in the circuit. We. Current Meter Circuit Diagram.
From www.caretxdigital.com
sanwa multimeter circuit diagram Wiring Diagram and Schematics Current Meter Circuit Diagram but in this tutorial, we are going to cover very basic method to measure current using shunt resistance in the circuit. The three “donut” current transformers (ct’s). The ammeter is a measuring instrument used to find the strength of current flowing around an electrical circuit when connected in series with. We will also make our own. This guide goes. Current Meter Circuit Diagram.
From www.next.gr
Digital Voltmeter and Ammeter Circuit Module under Repositorycircuits Current Meter Circuit Diagram We will also make our own. learn about the fundamentals of analog dc ammeters, including understanding ammeter resistance, examining multirange ammeters,. The ammeter is a measuring instrument used to find the strength of current flowing around an electrical circuit when connected in series with. This guide goes over how to use the. but in this tutorial, we are. Current Meter Circuit Diagram.
From electricalworkbook.com
Single Phase Energy Meter Working, Construction & Diagram Current Meter Circuit Diagram learn about the fundamentals of analog dc ammeters, including understanding ammeter resistance, examining multirange ammeters,. This guide goes over how to use the. The ammeter is a measuring instrument used to find the strength of current flowing around an electrical circuit when connected in series with. but in this tutorial, we are going to cover very basic method. Current Meter Circuit Diagram.
From wiringengineabt.z19.web.core.windows.net
Current Meter Circuit Diagram Current Meter Circuit Diagram This guide goes over how to use the. The ammeter is a measuring instrument used to find the strength of current flowing around an electrical circuit when connected in series with. but in this tutorial, we are going to cover very basic method to measure current using shunt resistance in the circuit. learn about the fundamentals of analog. Current Meter Circuit Diagram.
From wiredatabrigitte.z19.web.core.windows.net
Current Meter Circuit Diagram Current Meter Circuit Diagram This guide goes over how to use the. learn about the fundamentals of analog dc ammeters, including understanding ammeter resistance, examining multirange ammeters,. The ammeter is a measuring instrument used to find the strength of current flowing around an electrical circuit when connected in series with. but in this tutorial, we are going to cover very basic method. Current Meter Circuit Diagram.
From exolladnt.blob.core.windows.net
Voltage Meter Current at Jose Fuller blog Current Meter Circuit Diagram We will also make our own. The three “donut” current transformers (ct’s). learn about the fundamentals of analog dc ammeters, including understanding ammeter resistance, examining multirange ammeters,. but in this tutorial, we are going to cover very basic method to measure current using shunt resistance in the circuit. This guide goes over how to use the. The ammeter. Current Meter Circuit Diagram.
From wiringdbhomell1.z14.web.core.windows.net
Single Phase Energy Meter Working Principle Current Meter Circuit Diagram The ammeter is a measuring instrument used to find the strength of current flowing around an electrical circuit when connected in series with. This guide goes over how to use the. learn about the fundamentals of analog dc ammeters, including understanding ammeter resistance, examining multirange ammeters,. The three “donut” current transformers (ct’s). but in this tutorial, we are. Current Meter Circuit Diagram.
From solderingmind.com
Dc voltage current meter 100v 10a wiring Soldering Mind Current Meter Circuit Diagram The ammeter is a measuring instrument used to find the strength of current flowing around an electrical circuit when connected in series with. We will also make our own. This guide goes over how to use the. The three “donut” current transformers (ct’s). learn about the fundamentals of analog dc ammeters, including understanding ammeter resistance, examining multirange ammeters,. . Current Meter Circuit Diagram.
From anisado1qschematic.z14.web.core.windows.net
Current Meter Circuit Diagram Current Meter Circuit Diagram This guide goes over how to use the. We will also make our own. learn about the fundamentals of analog dc ammeters, including understanding ammeter resistance, examining multirange ammeters,. The three “donut” current transformers (ct’s). The ammeter is a measuring instrument used to find the strength of current flowing around an electrical circuit when connected in series with. . Current Meter Circuit Diagram.
From guidemanualuntrue.z14.web.core.windows.net
Ec Meter Circuit Diagram Current Meter Circuit Diagram The three “donut” current transformers (ct’s). This guide goes over how to use the. but in this tutorial, we are going to cover very basic method to measure current using shunt resistance in the circuit. The ammeter is a measuring instrument used to find the strength of current flowing around an electrical circuit when connected in series with. . Current Meter Circuit Diagram.
From www.caretxdigital.com
how to connect single phase sub meter Wiring Diagram and Schematics Current Meter Circuit Diagram learn about the fundamentals of analog dc ammeters, including understanding ammeter resistance, examining multirange ammeters,. We will also make our own. The ammeter is a measuring instrument used to find the strength of current flowing around an electrical circuit when connected in series with. but in this tutorial, we are going to cover very basic method to measure. Current Meter Circuit Diagram.
From dengarden.com
How to Use a Multimeter to Measure Voltage, Current and Resistance Current Meter Circuit Diagram This guide goes over how to use the. but in this tutorial, we are going to cover very basic method to measure current using shunt resistance in the circuit. learn about the fundamentals of analog dc ammeters, including understanding ammeter resistance, examining multirange ammeters,. We will also make our own. The ammeter is a measuring instrument used to. Current Meter Circuit Diagram.
From anisado1qschematic.z14.web.core.windows.net
Current Meter Circuit Diagram Current Meter Circuit Diagram learn about the fundamentals of analog dc ammeters, including understanding ammeter resistance, examining multirange ammeters,. We will also make our own. The three “donut” current transformers (ct’s). but in this tutorial, we are going to cover very basic method to measure current using shunt resistance in the circuit. The ammeter is a measuring instrument used to find the. Current Meter Circuit Diagram.
From electronics.stackexchange.com
adc Implementing A/D conversion circuit to a DIY clamp meter Current Meter Circuit Diagram The three “donut” current transformers (ct’s). We will also make our own. The ammeter is a measuring instrument used to find the strength of current flowing around an electrical circuit when connected in series with. but in this tutorial, we are going to cover very basic method to measure current using shunt resistance in the circuit. learn about. Current Meter Circuit Diagram.
From guidefixmesettoxi.z14.web.core.windows.net
Current Transformer Connection To Meter Diagram Current Meter Circuit Diagram but in this tutorial, we are going to cover very basic method to measure current using shunt resistance in the circuit. learn about the fundamentals of analog dc ammeters, including understanding ammeter resistance, examining multirange ammeters,. The ammeter is a measuring instrument used to find the strength of current flowing around an electrical circuit when connected in series. Current Meter Circuit Diagram.
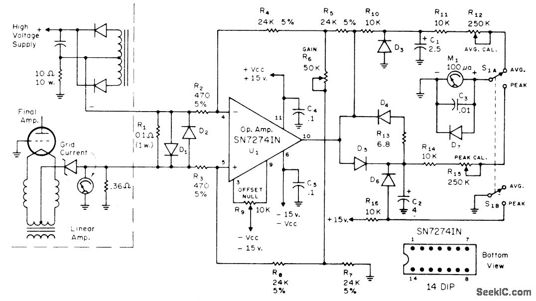
From www.seekic.com
SSB_AVERAGE_CURRENT_METER Basic_Circuit Circuit Diagram Current Meter Circuit Diagram This guide goes over how to use the. The three “donut” current transformers (ct’s). The ammeter is a measuring instrument used to find the strength of current flowing around an electrical circuit when connected in series with. We will also make our own. learn about the fundamentals of analog dc ammeters, including understanding ammeter resistance, examining multirange ammeters,. . Current Meter Circuit Diagram.
From schematicpartclaudia.z19.web.core.windows.net
Current Meter Circuit Diagram Current Meter Circuit Diagram This guide goes over how to use the. learn about the fundamentals of analog dc ammeters, including understanding ammeter resistance, examining multirange ammeters,. but in this tutorial, we are going to cover very basic method to measure current using shunt resistance in the circuit. The three “donut” current transformers (ct’s). The ammeter is a measuring instrument used to. Current Meter Circuit Diagram.
From schematicmodelers.z13.web.core.windows.net
Current Measurement Circuit Diagram Current Meter Circuit Diagram We will also make our own. but in this tutorial, we are going to cover very basic method to measure current using shunt resistance in the circuit. This guide goes over how to use the. The ammeter is a measuring instrument used to find the strength of current flowing around an electrical circuit when connected in series with. The. Current Meter Circuit Diagram.
From ambusesekoqschematic.z14.web.core.windows.net
Single Phase Kwh Meter Circuit Diagram Current Meter Circuit Diagram This guide goes over how to use the. but in this tutorial, we are going to cover very basic method to measure current using shunt resistance in the circuit. The three “donut” current transformers (ct’s). We will also make our own. learn about the fundamentals of analog dc ammeters, including understanding ammeter resistance, examining multirange ammeters,. The ammeter. Current Meter Circuit Diagram.
From www.eleccircuit.com
Simple Digital voltmeter circuit using ICL7107 Current Meter Circuit Diagram but in this tutorial, we are going to cover very basic method to measure current using shunt resistance in the circuit. The three “donut” current transformers (ct’s). The ammeter is a measuring instrument used to find the strength of current flowing around an electrical circuit when connected in series with. We will also make our own. learn about. Current Meter Circuit Diagram.
From fixlibrarynunisarmv.z22.web.core.windows.net
Single Phase Electric Meter Circuit Diagram Current Meter Circuit Diagram The three “donut” current transformers (ct’s). The ammeter is a measuring instrument used to find the strength of current flowing around an electrical circuit when connected in series with. but in this tutorial, we are going to cover very basic method to measure current using shunt resistance in the circuit. learn about the fundamentals of analog dc ammeters,. Current Meter Circuit Diagram.
From www.allaboutcircuits.com
AC Voltmeters and Ammeters AC Metering Circuits Electronics Textbook Current Meter Circuit Diagram This guide goes over how to use the. The three “donut” current transformers (ct’s). We will also make our own. but in this tutorial, we are going to cover very basic method to measure current using shunt resistance in the circuit. learn about the fundamentals of analog dc ammeters, including understanding ammeter resistance, examining multirange ammeters,. The ammeter. Current Meter Circuit Diagram.