Input Shaft Porsche Transmission . — the pdk ’box has two input shafts versus the manual transaxle’s single shaft. — we tore down the transmission in our last lesson but did not take apart the. A drive flange added to the output shaft sends torque to the front. — the input shaft is half of the gears in your 915 transmission. Typical symptoms, common problems, concerns, reliability, and fault codes with porsche pdk transmission. We show you the complete teardown and reassembly of the input shaft. Compare specs, problems, service intervals, and modifications for each gearbox.
from www.alltranz.com.au
Compare specs, problems, service intervals, and modifications for each gearbox. — we tore down the transmission in our last lesson but did not take apart the. Typical symptoms, common problems, concerns, reliability, and fault codes with porsche pdk transmission. We show you the complete teardown and reassembly of the input shaft. A drive flange added to the output shaft sends torque to the front. — the input shaft is half of the gears in your 915 transmission. — the pdk ’box has two input shafts versus the manual transaxle’s single shaft.
37900U INPUT SHAFT AND DRUM (TH700) V8 871993 Transmissions
Input Shaft Porsche Transmission — the input shaft is half of the gears in your 915 transmission. Compare specs, problems, service intervals, and modifications for each gearbox. — we tore down the transmission in our last lesson but did not take apart the. A drive flange added to the output shaft sends torque to the front. — the pdk ’box has two input shafts versus the manual transaxle’s single shaft. — the input shaft is half of the gears in your 915 transmission. Typical symptoms, common problems, concerns, reliability, and fault codes with porsche pdk transmission. We show you the complete teardown and reassembly of the input shaft.
From www.ecstuning.com
Genuine Porsche 016311113C Transmission Main Shaft Seal Input Shaft Porsche Transmission A drive flange added to the output shaft sends torque to the front. — the pdk ’box has two input shafts versus the manual transaxle’s single shaft. Compare specs, problems, service intervals, and modifications for each gearbox. We show you the complete teardown and reassembly of the input shaft. — we tore down the transmission in our last. Input Shaft Porsche Transmission.
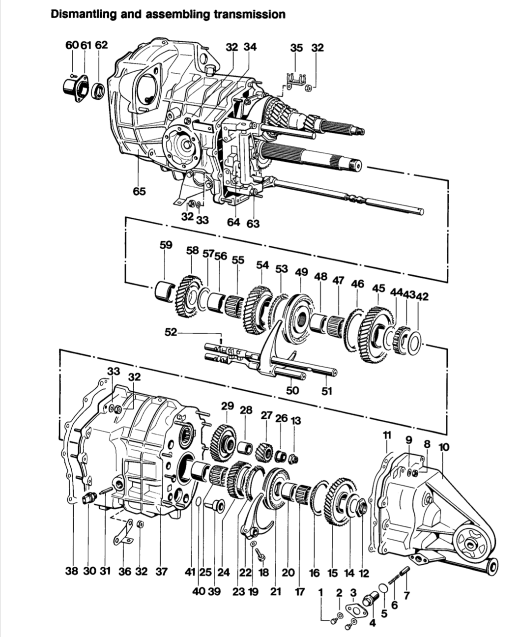
From www.klassikats.com
How to ReBuild a Porsche 915 Transmission Pinion Shaft. Klassik ATS Input Shaft Porsche Transmission Compare specs, problems, service intervals, and modifications for each gearbox. Typical symptoms, common problems, concerns, reliability, and fault codes with porsche pdk transmission. — the pdk ’box has two input shafts versus the manual transaxle’s single shaft. — the input shaft is half of the gears in your 915 transmission. A drive flange added to the output shaft. Input Shaft Porsche Transmission.
From rennlist.com
964 Transmission/Differential Rennlist Porsche Discussion Forums Input Shaft Porsche Transmission A drive flange added to the output shaft sends torque to the front. — the input shaft is half of the gears in your 915 transmission. We show you the complete teardown and reassembly of the input shaft. — the pdk ’box has two input shafts versus the manual transaxle’s single shaft. — we tore down the. Input Shaft Porsche Transmission.
From www.porscherepair.us
Dismantling and assembling input shaft Tools Porsche 964 911 Carrera4 Input Shaft Porsche Transmission — the pdk ’box has two input shafts versus the manual transaxle’s single shaft. — the input shaft is half of the gears in your 915 transmission. We show you the complete teardown and reassembly of the input shaft. — we tore down the transmission in our last lesson but did not take apart the. A drive. Input Shaft Porsche Transmission.
From www.carid.com
Richmond® 4520526 Manual Transmission Input Shaft Input Shaft Porsche Transmission — the input shaft is half of the gears in your 915 transmission. Compare specs, problems, service intervals, and modifications for each gearbox. — the pdk ’box has two input shafts versus the manual transaxle’s single shaft. We show you the complete teardown and reassembly of the input shaft. A drive flange added to the output shaft sends. Input Shaft Porsche Transmission.
From www.pelicanparts.com
Pelican Parts Porsche 356B Transmission Gears and Shafts Page 1 Input Shaft Porsche Transmission We show you the complete teardown and reassembly of the input shaft. A drive flange added to the output shaft sends torque to the front. Typical symptoms, common problems, concerns, reliability, and fault codes with porsche pdk transmission. — the pdk ’box has two input shafts versus the manual transaxle’s single shaft. — the input shaft is half. Input Shaft Porsche Transmission.
From www.alltranz.com.au
37900U INPUT SHAFT AND DRUM (TH700) V8 871993 Transmissions Input Shaft Porsche Transmission We show you the complete teardown and reassembly of the input shaft. — we tore down the transmission in our last lesson but did not take apart the. Typical symptoms, common problems, concerns, reliability, and fault codes with porsche pdk transmission. — the input shaft is half of the gears in your 915 transmission. A drive flange added. Input Shaft Porsche Transmission.
From www.youtube.com
Porsche 915 Transmission Pinion Shaft Rebuild YouTube Input Shaft Porsche Transmission Compare specs, problems, service intervals, and modifications for each gearbox. — we tore down the transmission in our last lesson but did not take apart the. — the pdk ’box has two input shafts versus the manual transaxle’s single shaft. Typical symptoms, common problems, concerns, reliability, and fault codes with porsche pdk transmission. We show you the complete. Input Shaft Porsche Transmission.
From www.pelicanparts.com
Porsche Manual Transmission Input Shaft Seal Genuine Porsche 928302 Input Shaft Porsche Transmission — we tore down the transmission in our last lesson but did not take apart the. — the pdk ’box has two input shafts versus the manual transaxle’s single shaft. — the input shaft is half of the gears in your 915 transmission. We show you the complete teardown and reassembly of the input shaft. Compare specs,. Input Shaft Porsche Transmission.
From www.circledtrans.com
8L90 Performance Transmission Billet Input Shaft (2015 & Up) Input Shaft Porsche Transmission Compare specs, problems, service intervals, and modifications for each gearbox. — the input shaft is half of the gears in your 915 transmission. A drive flange added to the output shaft sends torque to the front. — the pdk ’box has two input shafts versus the manual transaxle’s single shaft. — we tore down the transmission in. Input Shaft Porsche Transmission.
From www.excellence-mag.com
The PDK Transmission Issue 226 Excellence The Magazine About Porsche Input Shaft Porsche Transmission Compare specs, problems, service intervals, and modifications for each gearbox. Typical symptoms, common problems, concerns, reliability, and fault codes with porsche pdk transmission. A drive flange added to the output shaft sends torque to the front. — we tore down the transmission in our last lesson but did not take apart the. — the input shaft is half. Input Shaft Porsche Transmission.
From www.porscherepair.us
Removing and installing input shaft Porsche 993 Repair Input Shaft Porsche Transmission Compare specs, problems, service intervals, and modifications for each gearbox. — the pdk ’box has two input shafts versus the manual transaxle’s single shaft. We show you the complete teardown and reassembly of the input shaft. Typical symptoms, common problems, concerns, reliability, and fault codes with porsche pdk transmission. — we tore down the transmission in our last. Input Shaft Porsche Transmission.
From rennlist.com
transmission input shaft seal replacement how's it done? Rennlist Input Shaft Porsche Transmission A drive flange added to the output shaft sends torque to the front. — the input shaft is half of the gears in your 915 transmission. We show you the complete teardown and reassembly of the input shaft. Compare specs, problems, service intervals, and modifications for each gearbox. — the pdk ’box has two input shafts versus the. Input Shaft Porsche Transmission.
From rennlist.com
Building a HEAVY duty Trans... Rennlist Porsche Discussion Forums Input Shaft Porsche Transmission Typical symptoms, common problems, concerns, reliability, and fault codes with porsche pdk transmission. We show you the complete teardown and reassembly of the input shaft. A drive flange added to the output shaft sends torque to the front. Compare specs, problems, service intervals, and modifications for each gearbox. — we tore down the transmission in our last lesson but. Input Shaft Porsche Transmission.
From www.carid.com
SKF® BR5624 Manual Transmission Input Shaft Bearing Input Shaft Porsche Transmission A drive flange added to the output shaft sends torque to the front. Typical symptoms, common problems, concerns, reliability, and fault codes with porsche pdk transmission. Compare specs, problems, service intervals, and modifications for each gearbox. We show you the complete teardown and reassembly of the input shaft. — we tore down the transmission in our last lesson but. Input Shaft Porsche Transmission.
From dragcartel.com
KSERIES INPUT SHAFT 2.61 / 1.61 Ratio dragcartel Input Shaft Porsche Transmission A drive flange added to the output shaft sends torque to the front. Typical symptoms, common problems, concerns, reliability, and fault codes with porsche pdk transmission. Compare specs, problems, service intervals, and modifications for each gearbox. — the pdk ’box has two input shafts versus the manual transaxle’s single shaft. — we tore down the transmission in our. Input Shaft Porsche Transmission.
From www.carid.com
INA® Porsche 911 1986 Manual Transmission Input Shaft Bearing Input Shaft Porsche Transmission Compare specs, problems, service intervals, and modifications for each gearbox. We show you the complete teardown and reassembly of the input shaft. — we tore down the transmission in our last lesson but did not take apart the. — the input shaft is half of the gears in your 915 transmission. — the pdk ’box has two. Input Shaft Porsche Transmission.
From www.carid.com
Richmond® 4520526 Manual Transmission Input Shaft Input Shaft Porsche Transmission We show you the complete teardown and reassembly of the input shaft. — the input shaft is half of the gears in your 915 transmission. Compare specs, problems, service intervals, and modifications for each gearbox. A drive flange added to the output shaft sends torque to the front. Typical symptoms, common problems, concerns, reliability, and fault codes with porsche. Input Shaft Porsche Transmission.
From www.cogscogs.com
Porsche 911 Gear Shift Rod Input Shaft 915 Trans Input Shaft Porsche Transmission — we tore down the transmission in our last lesson but did not take apart the. Compare specs, problems, service intervals, and modifications for each gearbox. — the pdk ’box has two input shafts versus the manual transaxle’s single shaft. — the input shaft is half of the gears in your 915 transmission. We show you the. Input Shaft Porsche Transmission.
From www.summitracing.com
Motive Gear Manual Transmission Input Shafts 1352085025R Free Input Shaft Porsche Transmission Typical symptoms, common problems, concerns, reliability, and fault codes with porsche pdk transmission. — the input shaft is half of the gears in your 915 transmission. Compare specs, problems, service intervals, and modifications for each gearbox. — we tore down the transmission in our last lesson but did not take apart the. A drive flange added to the. Input Shaft Porsche Transmission.
From www.carid.com
PCE® PCE659.1007 Automatic Transmission Input Shaft Input Shaft Porsche Transmission Compare specs, problems, service intervals, and modifications for each gearbox. We show you the complete teardown and reassembly of the input shaft. — we tore down the transmission in our last lesson but did not take apart the. — the pdk ’box has two input shafts versus the manual transaxle’s single shaft. — the input shaft is. Input Shaft Porsche Transmission.
From www.porscherepair.us
I Porsche 911 Guide Porsche Repair Blog Input Shaft Porsche Transmission We show you the complete teardown and reassembly of the input shaft. — we tore down the transmission in our last lesson but did not take apart the. — the input shaft is half of the gears in your 915 transmission. Typical symptoms, common problems, concerns, reliability, and fault codes with porsche pdk transmission. Compare specs, problems, service. Input Shaft Porsche Transmission.
From www.pelicanparts.com
Porsche 944 Turbo Input Shaft Seal Replacement (19861991) Pelican Input Shaft Porsche Transmission Compare specs, problems, service intervals, and modifications for each gearbox. Typical symptoms, common problems, concerns, reliability, and fault codes with porsche pdk transmission. — the input shaft is half of the gears in your 915 transmission. — we tore down the transmission in our last lesson but did not take apart the. A drive flange added to the. Input Shaft Porsche Transmission.
From www.cogscogs.com
Porsche 911 Gear Shift Rod Input Shaft 915 Trans Input Shaft Porsche Transmission — we tore down the transmission in our last lesson but did not take apart the. Typical symptoms, common problems, concerns, reliability, and fault codes with porsche pdk transmission. A drive flange added to the output shaft sends torque to the front. We show you the complete teardown and reassembly of the input shaft. Compare specs, problems, service intervals,. Input Shaft Porsche Transmission.
From partworks.de
Gearbox shaft seal for PORSCHE 356 911 914 input shaft Input Shaft Porsche Transmission — the input shaft is half of the gears in your 915 transmission. Typical symptoms, common problems, concerns, reliability, and fault codes with porsche pdk transmission. A drive flange added to the output shaft sends torque to the front. Compare specs, problems, service intervals, and modifications for each gearbox. — we tore down the transmission in our last. Input Shaft Porsche Transmission.
From www.prs356.co.uk
Gearbox / Transmission Input Shaft Seal all 356 PRS 356 Porsche Input Shaft Porsche Transmission — the input shaft is half of the gears in your 915 transmission. A drive flange added to the output shaft sends torque to the front. Compare specs, problems, service intervals, and modifications for each gearbox. — we tore down the transmission in our last lesson but did not take apart the. Typical symptoms, common problems, concerns, reliability,. Input Shaft Porsche Transmission.
From www.porscherepair.us
Disassembling and assembling input shaft Porsche 964 911 Carrera4 Input Shaft Porsche Transmission We show you the complete teardown and reassembly of the input shaft. — the input shaft is half of the gears in your 915 transmission. Typical symptoms, common problems, concerns, reliability, and fault codes with porsche pdk transmission. A drive flange added to the output shaft sends torque to the front. — we tore down the transmission in. Input Shaft Porsche Transmission.
From www.transmissionpartsdistributors.com
FS5W71G TRANSMISSION INPUT SHAFT 21T/32T FITS '86+ NISSAN HARDBODY Input Shaft Porsche Transmission Compare specs, problems, service intervals, and modifications for each gearbox. Typical symptoms, common problems, concerns, reliability, and fault codes with porsche pdk transmission. — the input shaft is half of the gears in your 915 transmission. A drive flange added to the output shaft sends torque to the front. — we tore down the transmission in our last. Input Shaft Porsche Transmission.
From www.youtube.com
Porsche 915 Transmission Input Shaft Rebuild YouTube Input Shaft Porsche Transmission Typical symptoms, common problems, concerns, reliability, and fault codes with porsche pdk transmission. — we tore down the transmission in our last lesson but did not take apart the. A drive flange added to the output shaft sends torque to the front. Compare specs, problems, service intervals, and modifications for each gearbox. — the input shaft is half. Input Shaft Porsche Transmission.
From gomechanic.in
The Manual Transmission Explained All The Basics Input Shaft Porsche Transmission — the input shaft is half of the gears in your 915 transmission. Typical symptoms, common problems, concerns, reliability, and fault codes with porsche pdk transmission. We show you the complete teardown and reassembly of the input shaft. A drive flange added to the output shaft sends torque to the front. — the pdk ’box has two input. Input Shaft Porsche Transmission.
From www.autozone.com
Rostra Automatic Transmission Input Shaft Speed Sensor 5010490000 Input Shaft Porsche Transmission We show you the complete teardown and reassembly of the input shaft. Typical symptoms, common problems, concerns, reliability, and fault codes with porsche pdk transmission. — we tore down the transmission in our last lesson but did not take apart the. — the pdk ’box has two input shafts versus the manual transaxle’s single shaft. A drive flange. Input Shaft Porsche Transmission.
From www.alltranz.com.au
36902S INPUT SHAFT H/DUTY (TH400) Transmissions Input Shaft Porsche Transmission — the pdk ’box has two input shafts versus the manual transaxle’s single shaft. A drive flange added to the output shaft sends torque to the front. — we tore down the transmission in our last lesson but did not take apart the. Typical symptoms, common problems, concerns, reliability, and fault codes with porsche pdk transmission. We show. Input Shaft Porsche Transmission.
From www.pelicanparts.com
Porsche Manual Transmission Input Shaft Seal Genuine Porsche 928302 Input Shaft Porsche Transmission — the input shaft is half of the gears in your 915 transmission. — the pdk ’box has two input shafts versus the manual transaxle’s single shaft. We show you the complete teardown and reassembly of the input shaft. Typical symptoms, common problems, concerns, reliability, and fault codes with porsche pdk transmission. — we tore down the. Input Shaft Porsche Transmission.
From www.klassikats.com
How to ReBuild a Porsche 915 Transmission Input Shaft Klassik ATS Input Shaft Porsche Transmission A drive flange added to the output shaft sends torque to the front. — we tore down the transmission in our last lesson but did not take apart the. Compare specs, problems, service intervals, and modifications for each gearbox. — the pdk ’box has two input shafts versus the manual transaxle’s single shaft. Typical symptoms, common problems, concerns,. Input Shaft Porsche Transmission.
From www.pelicanparts.com
Porsche 944 Turbo Input Shaft Seal Replacement (19861991) Pelican Input Shaft Porsche Transmission We show you the complete teardown and reassembly of the input shaft. — we tore down the transmission in our last lesson but did not take apart the. A drive flange added to the output shaft sends torque to the front. — the input shaft is half of the gears in your 915 transmission. — the pdk. Input Shaft Porsche Transmission.