Control Valve Exploded View . It consists of a hollow, perforated ball that pivots to manage. Provides active links to view specific part details. The 700 series is the bermad flagship product line, especially. Replacement parts sold in kits. Triple offset seat geometry gives frictionless seal with uniform compressive sealing. Easily build an asco valve to your specifications and generate a 3d cad drawing. This manual has been prepared to assist you in the proper maintenance of the va20/va35 and vg20/vg35/vg80 directional control valves. Bermad 700 series hydraulic control valves. A ball valve is a device used for controlling the flow of fluid. Identifies symptoms and recommended solutions for quality rebuilds. Numatics product configurator generate 2d and 3d cad models. Sectional directional control valve exploded view. Lists any tools/fixtures required for part installation. Displays an exploded view location guide for individual valve trains.
        
        from constructionpneumaticdrills.tpub.com 
     
        
        Sectional directional control valve exploded view. This manual has been prepared to assist you in the proper maintenance of the va20/va35 and vg20/vg35/vg80 directional control valves. A ball valve is a device used for controlling the flow of fluid. Displays an exploded view location guide for individual valve trains. Replacement parts sold in kits. Bermad 700 series hydraulic control valves. Provides active links to view specific part details. Identifies symptoms and recommended solutions for quality rebuilds. Easily build an asco valve to your specifications and generate a 3d cad drawing. It consists of a hollow, perforated ball that pivots to manage.
    
    	
            
	
		 
         
    Figure 613. Hydraulic valve, exploded view 
    Control Valve Exploded View  Numatics product configurator generate 2d and 3d cad models. Identifies symptoms and recommended solutions for quality rebuilds. Numatics product configurator generate 2d and 3d cad models. It consists of a hollow, perforated ball that pivots to manage. Triple offset seat geometry gives frictionless seal with uniform compressive sealing. This manual has been prepared to assist you in the proper maintenance of the va20/va35 and vg20/vg35/vg80 directional control valves. Provides active links to view specific part details. Sectional directional control valve exploded view. Displays an exploded view location guide for individual valve trains. Easily build an asco valve to your specifications and generate a 3d cad drawing. Bermad 700 series hydraulic control valves. Replacement parts sold in kits. Lists any tools/fixtures required for part installation. The 700 series is the bermad flagship product line, especially. A ball valve is a device used for controlling the flow of fluid.
            
	
		 
         
 
    
        From www.statesupply.com 
                    B&G 132150 3DS 2" Grooved Cast Iron TripleDuty Valve Control Valve Exploded View  This manual has been prepared to assist you in the proper maintenance of the va20/va35 and vg20/vg35/vg80 directional control valves. It consists of a hollow, perforated ball that pivots to manage. Lists any tools/fixtures required for part installation. Provides active links to view specific part details. Sectional directional control valve exploded view. Replacement parts sold in kits. A ball valve. Control Valve Exploded View.
     
    
        From gms-instruments.com 
                    What is a temperature control valve? GMS Instruments Control Valve Exploded View  Lists any tools/fixtures required for part installation. Triple offset seat geometry gives frictionless seal with uniform compressive sealing. Identifies symptoms and recommended solutions for quality rebuilds. Sectional directional control valve exploded view. Replacement parts sold in kits. Numatics product configurator generate 2d and 3d cad models. It consists of a hollow, perforated ball that pivots to manage. A ball valve. Control Valve Exploded View.
     
    
        From operatormanuals.tpub.com 
                    Figure D27. Directional control valveexploded view. Control Valve Exploded View  Easily build an asco valve to your specifications and generate a 3d cad drawing. Replacement parts sold in kits. Provides active links to view specific part details. Triple offset seat geometry gives frictionless seal with uniform compressive sealing. It consists of a hollow, perforated ball that pivots to manage. Lists any tools/fixtures required for part installation. A ball valve is. Control Valve Exploded View.
     
    
        From www.franklen.com 
                    FMC2104 Smith 4" 210 VALVE EXPLODED VIEW Control Valve Exploded View  Identifies symptoms and recommended solutions for quality rebuilds. Provides active links to view specific part details. Sectional directional control valve exploded view. Lists any tools/fixtures required for part installation. Numatics product configurator generate 2d and 3d cad models. Triple offset seat geometry gives frictionless seal with uniform compressive sealing. The 700 series is the bermad flagship product line, especially. Easily. Control Valve Exploded View.
     
    
        From hidromaronline.com 
                    Exploded view Econominder 9000 Control Valve Hidromar Control Valve Exploded View  Sectional directional control valve exploded view. Displays an exploded view location guide for individual valve trains. Replacement parts sold in kits. Bermad 700 series hydraulic control valves. The 700 series is the bermad flagship product line, especially. Provides active links to view specific part details. Identifies symptoms and recommended solutions for quality rebuilds. It consists of a hollow, perforated ball. Control Valve Exploded View.
     
    
        From constructionforklifts.tpub.com 
                    Figure 46. Hydraulic Hoist and Tilt Control Valve, Exploded View Control Valve Exploded View  A ball valve is a device used for controlling the flow of fluid. It consists of a hollow, perforated ball that pivots to manage. Provides active links to view specific part details. Triple offset seat geometry gives frictionless seal with uniform compressive sealing. Displays an exploded view location guide for individual valve trains. Identifies symptoms and recommended solutions for quality. Control Valve Exploded View.
     
    
        From constructionpneumaticdrills.tpub.com 
                    Figure 613. Hydraulic valve, exploded view Control Valve Exploded View  Displays an exploded view location guide for individual valve trains. Identifies symptoms and recommended solutions for quality rebuilds. Provides active links to view specific part details. Replacement parts sold in kits. Sectional directional control valve exploded view. This manual has been prepared to assist you in the proper maintenance of the va20/va35 and vg20/vg35/vg80 directional control valves. It consists of. Control Valve Exploded View.
     
    
        From instrumentationtools.com 
                    Basic Parts of Control Valves Control Valve Functions Control Valve Exploded View  Replacement parts sold in kits. Lists any tools/fixtures required for part installation. A ball valve is a device used for controlling the flow of fluid. Provides active links to view specific part details. Easily build an asco valve to your specifications and generate a 3d cad drawing. Bermad 700 series hydraulic control valves. Numatics product configurator generate 2d and 3d. Control Valve Exploded View.
     
    
        From constructioncranes.tpub.com 
                    Figure 178. Power steering control valveexploded view. Control Valve Exploded View  Bermad 700 series hydraulic control valves. Replacement parts sold in kits. The 700 series is the bermad flagship product line, especially. A ball valve is a device used for controlling the flow of fluid. This manual has been prepared to assist you in the proper maintenance of the va20/va35 and vg20/vg35/vg80 directional control valves. It consists of a hollow, perforated. Control Valve Exploded View.
     
    
        From www.cmmachineservices.net 
                    Flow Control Valve Exploded View PR10 Meat injector Control Valve Exploded View  Replacement parts sold in kits. Lists any tools/fixtures required for part installation. A ball valve is a device used for controlling the flow of fluid. Identifies symptoms and recommended solutions for quality rebuilds. Numatics product configurator generate 2d and 3d cad models. This manual has been prepared to assist you in the proper maintenance of the va20/va35 and vg20/vg35/vg80 directional. Control Valve Exploded View.
     
    
        From constructionforklifts.tpub.com 
                    Figure 112. Control valve. exploded view. Control Valve Exploded View  Displays an exploded view location guide for individual valve trains. Lists any tools/fixtures required for part installation. A ball valve is a device used for controlling the flow of fluid. Numatics product configurator generate 2d and 3d cad models. Sectional directional control valve exploded view. Provides active links to view specific part details. Easily build an asco valve to your. Control Valve Exploded View.
     
    
        From constructionforklifts.tpub.com 
                    Figure 146. Control Valve, Exploded View. Control Valve Exploded View  The 700 series is the bermad flagship product line, especially. It consists of a hollow, perforated ball that pivots to manage. A ball valve is a device used for controlling the flow of fluid. Identifies symptoms and recommended solutions for quality rebuilds. Lists any tools/fixtures required for part installation. Displays an exploded view location guide for individual valve trains. This. Control Valve Exploded View.
     
    
        From instrumentationtools.com 
                    Control Valve Study Material Instrumentation Tools Control Valve Exploded View  Easily build an asco valve to your specifications and generate a 3d cad drawing. The 700 series is the bermad flagship product line, especially. Identifies symptoms and recommended solutions for quality rebuilds. A ball valve is a device used for controlling the flow of fluid. Sectional directional control valve exploded view. This manual has been prepared to assist you in. Control Valve Exploded View.
     
    
        From constructioncranes.tpub.com 
                    Figure 312. Control Valve, exploded view Control Valve Exploded View  Lists any tools/fixtures required for part installation. It consists of a hollow, perforated ball that pivots to manage. Provides active links to view specific part details. This manual has been prepared to assist you in the proper maintenance of the va20/va35 and vg20/vg35/vg80 directional control valves. Easily build an asco valve to your specifications and generate a 3d cad drawing.. Control Valve Exploded View.
     
    
        From constructioncranes.tpub.com 
                    Figure 203.Utility blade control valve exploded view. Control Valve Exploded View  Sectional directional control valve exploded view. Lists any tools/fixtures required for part installation. Displays an exploded view location guide for individual valve trains. Numatics product configurator generate 2d and 3d cad models. Triple offset seat geometry gives frictionless seal with uniform compressive sealing. A ball valve is a device used for controlling the flow of fluid. This manual has been. Control Valve Exploded View.
     
    
        From constructioncranes.tpub.com 
                    Figure 1812. Three way control valveexploded view. Control Valve Exploded View  Replacement parts sold in kits. This manual has been prepared to assist you in the proper maintenance of the va20/va35 and vg20/vg35/vg80 directional control valves. Numatics product configurator generate 2d and 3d cad models. Sectional directional control valve exploded view. Lists any tools/fixtures required for part installation. Provides active links to view specific part details. It consists of a hollow,. Control Valve Exploded View.
     
    
        From bemcon.in 
                    Valves Bemcon Engineering Pvt. Ltd. Control Valve Exploded View  Numatics product configurator generate 2d and 3d cad models. Provides active links to view specific part details. Displays an exploded view location guide for individual valve trains. Triple offset seat geometry gives frictionless seal with uniform compressive sealing. This manual has been prepared to assist you in the proper maintenance of the va20/va35 and vg20/vg35/vg80 directional control valves. Sectional directional. Control Valve Exploded View.
     
    
        From forumautomation.com 
                    Parts of a Ball valve Valves Industrial Automation, PLC Programming Control Valve Exploded View  Displays an exploded view location guide for individual valve trains. Easily build an asco valve to your specifications and generate a 3d cad drawing. Triple offset seat geometry gives frictionless seal with uniform compressive sealing. Bermad 700 series hydraulic control valves. Numatics product configurator generate 2d and 3d cad models. A ball valve is a device used for controlling the. Control Valve Exploded View.
     
    
        From www.franklen.com 
                    Smith 4" 210 VALVE EXPLODED VIEW Control Valve Exploded View  This manual has been prepared to assist you in the proper maintenance of the va20/va35 and vg20/vg35/vg80 directional control valves. The 700 series is the bermad flagship product line, especially. A ball valve is a device used for controlling the flow of fluid. Lists any tools/fixtures required for part installation. Sectional directional control valve exploded view. Easily build an asco. Control Valve Exploded View.
     
    
        From constructionforklifts.tpub.com 
                    Figure 1012. Hydraulic control valve, exploded view. Control Valve Exploded View  Identifies symptoms and recommended solutions for quality rebuilds. Displays an exploded view location guide for individual valve trains. Numatics product configurator generate 2d and 3d cad models. Provides active links to view specific part details. Easily build an asco valve to your specifications and generate a 3d cad drawing. Triple offset seat geometry gives frictionless seal with uniform compressive sealing.. Control Valve Exploded View.
     
    
        From heavymotions.com 
                    HV20 Sectional Directional Control Valves Heavy Motions Control Valve Exploded View  Replacement parts sold in kits. Bermad 700 series hydraulic control valves. It consists of a hollow, perforated ball that pivots to manage. This manual has been prepared to assist you in the proper maintenance of the va20/va35 and vg20/vg35/vg80 directional control valves. Displays an exploded view location guide for individual valve trains. Identifies symptoms and recommended solutions for quality rebuilds.. Control Valve Exploded View.
     
    
        From constructionforklifts.tpub.com 
                    Figure 330. Control valve, exploded view. Control Valve Exploded View  Replacement parts sold in kits. Triple offset seat geometry gives frictionless seal with uniform compressive sealing. Numatics product configurator generate 2d and 3d cad models. Lists any tools/fixtures required for part installation. Sectional directional control valve exploded view. It consists of a hollow, perforated ball that pivots to manage. Identifies symptoms and recommended solutions for quality rebuilds. A ball valve. Control Valve Exploded View.
     
    
        From firetrucksandequipment.tpub.com 
                    Figure 6. Relief valve control, exploded view. Control Valve Exploded View  Identifies symptoms and recommended solutions for quality rebuilds. Bermad 700 series hydraulic control valves. Easily build an asco valve to your specifications and generate a 3d cad drawing. The 700 series is the bermad flagship product line, especially. Replacement parts sold in kits. Numatics product configurator generate 2d and 3d cad models. Sectional directional control valve exploded view. Provides active. Control Valve Exploded View.
     
    
        From operatormanuals.tpub.com 
                    Figure 337. Directional control valve assembly exploded view. Control Valve Exploded View  Triple offset seat geometry gives frictionless seal with uniform compressive sealing. Easily build an asco valve to your specifications and generate a 3d cad drawing. Bermad 700 series hydraulic control valves. Sectional directional control valve exploded view. Identifies symptoms and recommended solutions for quality rebuilds. Provides active links to view specific part details. This manual has been prepared to assist. Control Valve Exploded View.
     
    
        From mavink.com 
                    Solenoid Valve Exploded View Control Valve Exploded View  The 700 series is the bermad flagship product line, especially. This manual has been prepared to assist you in the proper maintenance of the va20/va35 and vg20/vg35/vg80 directional control valves. It consists of a hollow, perforated ball that pivots to manage. A ball valve is a device used for controlling the flow of fluid. Bermad 700 series hydraulic control valves.. Control Valve Exploded View.
     
    
        From waterstorage.tpub.com 
                    Figure 413. Pressure Control Pilot Valve, Exploded View Control Valve Exploded View  Replacement parts sold in kits. Identifies symptoms and recommended solutions for quality rebuilds. It consists of a hollow, perforated ball that pivots to manage. Triple offset seat geometry gives frictionless seal with uniform compressive sealing. Sectional directional control valve exploded view. Bermad 700 series hydraulic control valves. Numatics product configurator generate 2d and 3d cad models. Displays an exploded view. Control Valve Exploded View.
     
    
        From constructioncranes.tpub.com 
                    Figure 1811. Reservoir exhaust control valveexploded view. Control Valve Exploded View  Replacement parts sold in kits. Triple offset seat geometry gives frictionless seal with uniform compressive sealing. Displays an exploded view location guide for individual valve trains. The 700 series is the bermad flagship product line, especially. Easily build an asco valve to your specifications and generate a 3d cad drawing. Numatics product configurator generate 2d and 3d cad models. Bermad. Control Valve Exploded View.
     
    
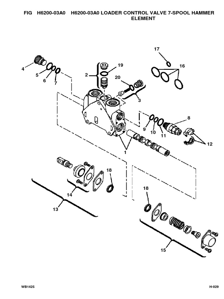
        From www.scribd.com 
                    Exploded View Diagram and Parts List for a 7Spool Hammer Loader Control Valve Exploded View  Numatics product configurator generate 2d and 3d cad models. Displays an exploded view location guide for individual valve trains. Identifies symptoms and recommended solutions for quality rebuilds. A ball valve is a device used for controlling the flow of fluid. Sectional directional control valve exploded view. The 700 series is the bermad flagship product line, especially. Bermad 700 series hydraulic. Control Valve Exploded View.
     
    
        From boatmanuals.tpub.com 
                    Figure 336. Transmission control valve, exploded view. Control Valve Exploded View  Lists any tools/fixtures required for part installation. Triple offset seat geometry gives frictionless seal with uniform compressive sealing. Sectional directional control valve exploded view. Easily build an asco valve to your specifications and generate a 3d cad drawing. A ball valve is a device used for controlling the flow of fluid. Numatics product configurator generate 2d and 3d cad models.. Control Valve Exploded View.
     
    
        From constructionpneumaticdrills.tpub.com 
                    Figure 612. Hydraulic valves assembly exploded Control Valve Exploded View  Identifies symptoms and recommended solutions for quality rebuilds. It consists of a hollow, perforated ball that pivots to manage. Easily build an asco valve to your specifications and generate a 3d cad drawing. Lists any tools/fixtures required for part installation. Sectional directional control valve exploded view. Triple offset seat geometry gives frictionless seal with uniform compressive sealing. This manual has. Control Valve Exploded View.
     
    
        From www.youtube.com 
                    Exploded view of EconĀ® 7249 ball valve YouTube Control Valve Exploded View  Easily build an asco valve to your specifications and generate a 3d cad drawing. Provides active links to view specific part details. Displays an exploded view location guide for individual valve trains. This manual has been prepared to assist you in the proper maintenance of the va20/va35 and vg20/vg35/vg80 directional control valves. Lists any tools/fixtures required for part installation. Identifies. Control Valve Exploded View.
     
    
        From constructioncranes.tpub.com 
                    Figure 1813. Park release control valveexploded view. Control Valve Exploded View  Bermad 700 series hydraulic control valves. Provides active links to view specific part details. This manual has been prepared to assist you in the proper maintenance of the va20/va35 and vg20/vg35/vg80 directional control valves. Numatics product configurator generate 2d and 3d cad models. The 700 series is the bermad flagship product line, especially. Displays an exploded view location guide for. Control Valve Exploded View.
     
    
        From engineenginefrueh.z19.web.core.windows.net 
                    Flow Control Valve Diagram Control Valve Exploded View  Displays an exploded view location guide for individual valve trains. Sectional directional control valve exploded view. The 700 series is the bermad flagship product line, especially. This manual has been prepared to assist you in the proper maintenance of the va20/va35 and vg20/vg35/vg80 directional control valves. Identifies symptoms and recommended solutions for quality rebuilds. Lists any tools/fixtures required for part. Control Valve Exploded View.
     
    
        From studypolygon.com 
                    Design of Water Control Valve in Solidworks Exploded View Control Valve Exploded View  It consists of a hollow, perforated ball that pivots to manage. The 700 series is the bermad flagship product line, especially. Identifies symptoms and recommended solutions for quality rebuilds. Replacement parts sold in kits. Bermad 700 series hydraulic control valves. A ball valve is a device used for controlling the flow of fluid. Displays an exploded view location guide for. Control Valve Exploded View.
     
    
        From constructionforklifts.tpub.com 
                    Figure 126. Control valve, exploded view. Control Valve Exploded View  This manual has been prepared to assist you in the proper maintenance of the va20/va35 and vg20/vg35/vg80 directional control valves. Sectional directional control valve exploded view. Triple offset seat geometry gives frictionless seal with uniform compressive sealing. Bermad 700 series hydraulic control valves. Provides active links to view specific part details. Numatics product configurator generate 2d and 3d cad models.. Control Valve Exploded View.