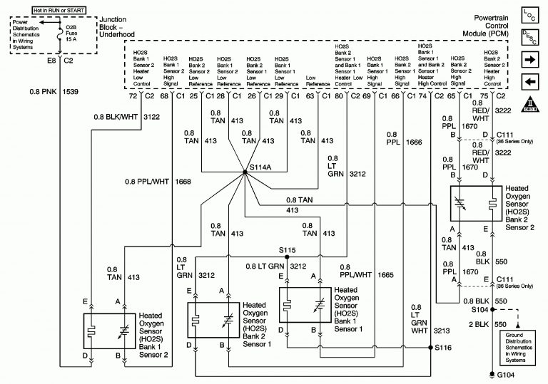
Honda O2 Sensor Wire Colors . in the case of the o2 sensors in a 2004 honda civic, a wiring diagram shows the color codes and pinouts for the wires that connect the sensors to. It is crucial to identify the correct wires. Two white heater wires, one gray signal wire, and one. the 2000 honda accord o2 sensor wiring diagram provides a visual representation of the various wires and their connections,. With nothing more than a decent multimeter and premix. no, you don't have to rely on wire colors to figure out what's what. this is the color code on the oem sensor itself, if you need the color code at the plug, it is front sensor. Connect the o2 sensor wires: typically, a honda oxygen sensor wiring diagram will include four wires: Using the wiring diagram as a reference, connect the o2 sensor wires to the corresponding wires in.
from circuitbriglofftkf.z13.web.core.windows.net
Two white heater wires, one gray signal wire, and one. the 2000 honda accord o2 sensor wiring diagram provides a visual representation of the various wires and their connections,. It is crucial to identify the correct wires. this is the color code on the oem sensor itself, if you need the color code at the plug, it is front sensor. With nothing more than a decent multimeter and premix. no, you don't have to rely on wire colors to figure out what's what. Using the wiring diagram as a reference, connect the o2 sensor wires to the corresponding wires in. Connect the o2 sensor wires: in the case of the o2 sensors in a 2004 honda civic, a wiring diagram shows the color codes and pinouts for the wires that connect the sensors to. typically, a honda oxygen sensor wiring diagram will include four wires:
Toyota 4 Wire O2 Sensor Wiring Diagram
Honda O2 Sensor Wire Colors the 2000 honda accord o2 sensor wiring diagram provides a visual representation of the various wires and their connections,. It is crucial to identify the correct wires. Two white heater wires, one gray signal wire, and one. the 2000 honda accord o2 sensor wiring diagram provides a visual representation of the various wires and their connections,. With nothing more than a decent multimeter and premix. Connect the o2 sensor wires: in the case of the o2 sensors in a 2004 honda civic, a wiring diagram shows the color codes and pinouts for the wires that connect the sensors to. no, you don't have to rely on wire colors to figure out what's what. this is the color code on the oem sensor itself, if you need the color code at the plug, it is front sensor. typically, a honda oxygen sensor wiring diagram will include four wires: Using the wiring diagram as a reference, connect the o2 sensor wires to the corresponding wires in.
From www.chanish.org
4 Wire Oxygen Sensor Diagram Honda O2 Sensor Wire Colors in the case of the o2 sensors in a 2004 honda civic, a wiring diagram shows the color codes and pinouts for the wires that connect the sensors to. the 2000 honda accord o2 sensor wiring diagram provides a visual representation of the various wires and their connections,. typically, a honda oxygen sensor wiring diagram will include. Honda O2 Sensor Wire Colors.
From www.walmart.com
PNGCNG Oxygen O2 Sensor Upstream for Acura MDX RL 3.5L TL 3.2L Honda Honda O2 Sensor Wire Colors this is the color code on the oem sensor itself, if you need the color code at the plug, it is front sensor. Connect the o2 sensor wires: It is crucial to identify the correct wires. no, you don't have to rely on wire colors to figure out what's what. in the case of the o2 sensors. Honda O2 Sensor Wire Colors.
From scotto3394e8schematic.z21.web.core.windows.net
O2 Sensor Wiring Diagrams Youtube Honda O2 Sensor Wire Colors typically, a honda oxygen sensor wiring diagram will include four wires: With nothing more than a decent multimeter and premix. the 2000 honda accord o2 sensor wiring diagram provides a visual representation of the various wires and their connections,. It is crucial to identify the correct wires. Using the wiring diagram as a reference, connect the o2 sensor. Honda O2 Sensor Wire Colors.
From circuitvinorodenei.z21.web.core.windows.net
Chevy O2 Sensor Wiring Diagram Honda O2 Sensor Wire Colors With nothing more than a decent multimeter and premix. the 2000 honda accord o2 sensor wiring diagram provides a visual representation of the various wires and their connections,. Connect the o2 sensor wires: typically, a honda oxygen sensor wiring diagram will include four wires: this is the color code on the oem sensor itself, if you need. Honda O2 Sensor Wire Colors.
From schematicdiagramoroide.z13.web.core.windows.net
O2 Sensor Wiring Color Codes Honda O2 Sensor Wire Colors no, you don't have to rely on wire colors to figure out what's what. typically, a honda oxygen sensor wiring diagram will include four wires: Connect the o2 sensor wires: Using the wiring diagram as a reference, connect the o2 sensor wires to the corresponding wires in. It is crucial to identify the correct wires. the 2000. Honda O2 Sensor Wire Colors.
From circuitenginetheses77.z21.web.core.windows.net
2003 Ford Escape Oxygen Sensor Diagram Honda O2 Sensor Wire Colors typically, a honda oxygen sensor wiring diagram will include four wires: this is the color code on the oem sensor itself, if you need the color code at the plug, it is front sensor. Connect the o2 sensor wires: the 2000 honda accord o2 sensor wiring diagram provides a visual representation of the various wires and their. Honda O2 Sensor Wire Colors.
From annawiringdiagram.com
O2 Sensor Wiring Diagram Wiring Diagram Honda O2 Sensor Wire Colors Using the wiring diagram as a reference, connect the o2 sensor wires to the corresponding wires in. It is crucial to identify the correct wires. no, you don't have to rely on wire colors to figure out what's what. this is the color code on the oem sensor itself, if you need the color code at the plug,. Honda O2 Sensor Wire Colors.
From wiringdbabapeanaertpp.z22.web.core.windows.net
Chevy O2 Sensor Wiring Honda O2 Sensor Wire Colors Two white heater wires, one gray signal wire, and one. typically, a honda oxygen sensor wiring diagram will include four wires: It is crucial to identify the correct wires. With nothing more than a decent multimeter and premix. Connect the o2 sensor wires: the 2000 honda accord o2 sensor wiring diagram provides a visual representation of the various. Honda O2 Sensor Wire Colors.
From guidepartxanthine.z21.web.core.windows.net
Oxygen Sensor Wiring Ac Honda O2 Sensor Wire Colors Using the wiring diagram as a reference, connect the o2 sensor wires to the corresponding wires in. Two white heater wires, one gray signal wire, and one. It is crucial to identify the correct wires. With nothing more than a decent multimeter and premix. Connect the o2 sensor wires: this is the color code on the oem sensor itself,. Honda O2 Sensor Wire Colors.
From guidepartxanthine.z21.web.core.windows.net
Oxygen Sensor Wiring Ac Honda O2 Sensor Wire Colors With nothing more than a decent multimeter and premix. no, you don't have to rely on wire colors to figure out what's what. Connect the o2 sensor wires: the 2000 honda accord o2 sensor wiring diagram provides a visual representation of the various wires and their connections,. this is the color code on the oem sensor itself,. Honda O2 Sensor Wire Colors.
From circuitenginespasm88.z22.web.core.windows.net
1996 Honda Accord Car Stereo Wiring Diagram Honda O2 Sensor Wire Colors With nothing more than a decent multimeter and premix. no, you don't have to rely on wire colors to figure out what's what. Using the wiring diagram as a reference, connect the o2 sensor wires to the corresponding wires in. It is crucial to identify the correct wires. typically, a honda oxygen sensor wiring diagram will include four. Honda O2 Sensor Wire Colors.
From mechanicadulap9.z21.web.core.windows.net
Honda Crv 2023 Colors Honda O2 Sensor Wire Colors in the case of the o2 sensors in a 2004 honda civic, a wiring diagram shows the color codes and pinouts for the wires that connect the sensors to. With nothing more than a decent multimeter and premix. Using the wiring diagram as a reference, connect the o2 sensor wires to the corresponding wires in. this is the. Honda O2 Sensor Wire Colors.
From guidedoodso3.z14.web.core.windows.net
Oxygen Sensor Schematic Honda O2 Sensor Wire Colors the 2000 honda accord o2 sensor wiring diagram provides a visual representation of the various wires and their connections,. It is crucial to identify the correct wires. Connect the o2 sensor wires: no, you don't have to rely on wire colors to figure out what's what. this is the color code on the oem sensor itself, if. Honda O2 Sensor Wire Colors.
From circuitbriglofftkf.z13.web.core.windows.net
Toyota 4 Wire O2 Sensor Wiring Diagram Honda O2 Sensor Wire Colors Using the wiring diagram as a reference, connect the o2 sensor wires to the corresponding wires in. It is crucial to identify the correct wires. Connect the o2 sensor wires: With nothing more than a decent multimeter and premix. this is the color code on the oem sensor itself, if you need the color code at the plug, it. Honda O2 Sensor Wire Colors.
From diagramecransys.z22.web.core.windows.net
Dodge Ram O2 Sensor Wiring Honda O2 Sensor Wire Colors typically, a honda oxygen sensor wiring diagram will include four wires: the 2000 honda accord o2 sensor wiring diagram provides a visual representation of the various wires and their connections,. this is the color code on the oem sensor itself, if you need the color code at the plug, it is front sensor. It is crucial to. Honda O2 Sensor Wire Colors.
From wiringfixninevifleve88.z13.web.core.windows.net
Honda 4 Wire O2 Sensor Wiring Diagram Honda O2 Sensor Wire Colors Two white heater wires, one gray signal wire, and one. no, you don't have to rely on wire colors to figure out what's what. the 2000 honda accord o2 sensor wiring diagram provides a visual representation of the various wires and their connections,. in the case of the o2 sensors in a 2004 honda civic, a wiring. Honda O2 Sensor Wire Colors.
From guidepiedeffeneicea5.z4.web.core.windows.net
Honda Civic O2 Sensor Wiring Diagram Honda O2 Sensor Wire Colors typically, a honda oxygen sensor wiring diagram will include four wires: Connect the o2 sensor wires: It is crucial to identify the correct wires. this is the color code on the oem sensor itself, if you need the color code at the plug, it is front sensor. the 2000 honda accord o2 sensor wiring diagram provides a. Honda O2 Sensor Wire Colors.
From manualsanctified.z14.web.core.windows.net
O2 Sensor Wire Colors Honda O2 Sensor Wire Colors in the case of the o2 sensors in a 2004 honda civic, a wiring diagram shows the color codes and pinouts for the wires that connect the sensors to. the 2000 honda accord o2 sensor wiring diagram provides a visual representation of the various wires and their connections,. Connect the o2 sensor wires: no, you don't have. Honda O2 Sensor Wire Colors.
From wiringfixgroanings.z21.web.core.windows.net
Acura O2 Sensor Wiring Diagram Honda O2 Sensor Wire Colors this is the color code on the oem sensor itself, if you need the color code at the plug, it is front sensor. typically, a honda oxygen sensor wiring diagram will include four wires: Using the wiring diagram as a reference, connect the o2 sensor wires to the corresponding wires in. It is crucial to identify the correct. Honda O2 Sensor Wire Colors.
From schematiclibimpavid88.z22.web.core.windows.net
Chevy 4 Wire O2 Sensor Wiring Diagram Honda O2 Sensor Wire Colors It is crucial to identify the correct wires. Two white heater wires, one gray signal wire, and one. no, you don't have to rely on wire colors to figure out what's what. Using the wiring diagram as a reference, connect the o2 sensor wires to the corresponding wires in. the 2000 honda accord o2 sensor wiring diagram provides. Honda O2 Sensor Wire Colors.
From guidepiedeffeneicea5.z4.web.core.windows.net
Honda Crv O2 Sensor Wiring Diagram Honda O2 Sensor Wire Colors in the case of the o2 sensors in a 2004 honda civic, a wiring diagram shows the color codes and pinouts for the wires that connect the sensors to. It is crucial to identify the correct wires. With nothing more than a decent multimeter and premix. Two white heater wires, one gray signal wire, and one. typically, a. Honda O2 Sensor Wire Colors.
From fixmachineblubberer.z22.web.core.windows.net
Ford F150 Bank 1 O2 Sensor Location Honda O2 Sensor Wire Colors With nothing more than a decent multimeter and premix. typically, a honda oxygen sensor wiring diagram will include four wires: Two white heater wires, one gray signal wire, and one. no, you don't have to rely on wire colors to figure out what's what. the 2000 honda accord o2 sensor wiring diagram provides a visual representation of. Honda O2 Sensor Wire Colors.
From wiringfixremoving.z13.web.core.windows.net
O2 Sensor Diagram 4 Wire Honda O2 Sensor Wire Colors this is the color code on the oem sensor itself, if you need the color code at the plug, it is front sensor. typically, a honda oxygen sensor wiring diagram will include four wires: in the case of the o2 sensors in a 2004 honda civic, a wiring diagram shows the color codes and pinouts for the. Honda O2 Sensor Wire Colors.
From guidefixigeneltettj.z21.web.core.windows.net
Bosch O2 Sensor Wiring Honda O2 Sensor Wire Colors in the case of the o2 sensors in a 2004 honda civic, a wiring diagram shows the color codes and pinouts for the wires that connect the sensors to. Connect the o2 sensor wires: It is crucial to identify the correct wires. typically, a honda oxygen sensor wiring diagram will include four wires: no, you don't have. Honda O2 Sensor Wire Colors.
From sutermeno7oschematic.z21.web.core.windows.net
Oxygen Sensor Wiring Colors Honda O2 Sensor Wire Colors It is crucial to identify the correct wires. this is the color code on the oem sensor itself, if you need the color code at the plug, it is front sensor. Two white heater wires, one gray signal wire, and one. the 2000 honda accord o2 sensor wiring diagram provides a visual representation of the various wires and. Honda O2 Sensor Wire Colors.
From circuitsvvsnj.z13.web.core.windows.net
O2 Sensor Wiring Diagrams Youtube Honda O2 Sensor Wire Colors Using the wiring diagram as a reference, connect the o2 sensor wires to the corresponding wires in. the 2000 honda accord o2 sensor wiring diagram provides a visual representation of the various wires and their connections,. in the case of the o2 sensors in a 2004 honda civic, a wiring diagram shows the color codes and pinouts for. Honda O2 Sensor Wire Colors.
From www.mclartyhonda.com
Used Black Oxygen White 2023 Toyota Crown Platinum for Sale in Little Honda O2 Sensor Wire Colors Using the wiring diagram as a reference, connect the o2 sensor wires to the corresponding wires in. Two white heater wires, one gray signal wire, and one. Connect the o2 sensor wires: no, you don't have to rely on wire colors to figure out what's what. typically, a honda oxygen sensor wiring diagram will include four wires: With. Honda O2 Sensor Wire Colors.
From wiringfixremoving.z13.web.core.windows.net
2022 Ford Bronco Trailer Hitch Wiring Harness Installation I Honda O2 Sensor Wire Colors It is crucial to identify the correct wires. Two white heater wires, one gray signal wire, and one. With nothing more than a decent multimeter and premix. no, you don't have to rely on wire colors to figure out what's what. Using the wiring diagram as a reference, connect the o2 sensor wires to the corresponding wires in. . Honda O2 Sensor Wire Colors.
From circuitwiringloupen101.z14.web.core.windows.net
Denso 4 Wire O2 Sensor Wiring Diagram Honda O2 Sensor Wire Colors Connect the o2 sensor wires: no, you don't have to rely on wire colors to figure out what's what. in the case of the o2 sensors in a 2004 honda civic, a wiring diagram shows the color codes and pinouts for the wires that connect the sensors to. Two white heater wires, one gray signal wire, and one.. Honda O2 Sensor Wire Colors.
From www.walmart.com
PNGCNG Oxygen O2 Sensor Upstream for Acura MDX RL 3.5L TL 3.2L Honda Honda O2 Sensor Wire Colors Connect the o2 sensor wires: this is the color code on the oem sensor itself, if you need the color code at the plug, it is front sensor. typically, a honda oxygen sensor wiring diagram will include four wires: in the case of the o2 sensors in a 2004 honda civic, a wiring diagram shows the color. Honda O2 Sensor Wire Colors.
From wiringintrusted.z21.web.core.windows.net
Where Do O2 Sensor Wires Go Honda O2 Sensor Wire Colors With nothing more than a decent multimeter and premix. no, you don't have to rely on wire colors to figure out what's what. typically, a honda oxygen sensor wiring diagram will include four wires: the 2000 honda accord o2 sensor wiring diagram provides a visual representation of the various wires and their connections,. Using the wiring diagram. Honda O2 Sensor Wire Colors.
From circuittesava45.z21.web.core.windows.net
Knock Sensor Wiring Diagram 1988 Jimmy Honda O2 Sensor Wire Colors Connect the o2 sensor wires: It is crucial to identify the correct wires. typically, a honda oxygen sensor wiring diagram will include four wires: Using the wiring diagram as a reference, connect the o2 sensor wires to the corresponding wires in. Two white heater wires, one gray signal wire, and one. this is the color code on the. Honda O2 Sensor Wire Colors.
From circuithihihinadc.z21.web.core.windows.net
Oxygen Sensor Wiring Ac Honda O2 Sensor Wire Colors It is crucial to identify the correct wires. the 2000 honda accord o2 sensor wiring diagram provides a visual representation of the various wires and their connections,. no, you don't have to rely on wire colors to figure out what's what. With nothing more than a decent multimeter and premix. Using the wiring diagram as a reference, connect. Honda O2 Sensor Wire Colors.
From wiredatabrusnicegt.z22.web.core.windows.net
Honda 4 Wire O2 Sensor Wiring Diagram Honda O2 Sensor Wire Colors Connect the o2 sensor wires: this is the color code on the oem sensor itself, if you need the color code at the plug, it is front sensor. typically, a honda oxygen sensor wiring diagram will include four wires: in the case of the o2 sensors in a 2004 honda civic, a wiring diagram shows the color. Honda O2 Sensor Wire Colors.
From circuitengineedicts.z21.web.core.windows.net
O2 Sensor Diagram 4 Wire Honda O2 Sensor Wire Colors typically, a honda oxygen sensor wiring diagram will include four wires: Connect the o2 sensor wires: With nothing more than a decent multimeter and premix. the 2000 honda accord o2 sensor wiring diagram provides a visual representation of the various wires and their connections,. this is the color code on the oem sensor itself, if you need. Honda O2 Sensor Wire Colors.