Mk1 Golf Valve Stem Seals . 8mm valve stem seal for use on all type 25 buses with diesel engines including turbo. about press copyright contact us creators advertise developers terms. mk1 golf 8mm valve stem seal. cylinder heads in which the valve seats can no longer be reworked, or cylinder heads which have already been machined to the. cylinder heads which have cracks between the valve seats or between valve seat inserts and the spark plug thread can be. when fitting, the seals need protection from burrs on the valve stems using the little caps provided in the. volkswagen workshop service and repair manuals > golf mk1 > power unit | 4 cyl. Carburetor engine, mechanics (1.5, 1.6 and.
from yannparts.com
cylinder heads in which the valve seats can no longer be reworked, or cylinder heads which have already been machined to the. when fitting, the seals need protection from burrs on the valve stems using the little caps provided in the. about press copyright contact us creators advertise developers terms. 8mm valve stem seal for use on all type 25 buses with diesel engines including turbo. mk1 golf 8mm valve stem seal. cylinder heads which have cracks between the valve seats or between valve seat inserts and the spark plug thread can be. Carburetor engine, mechanics (1.5, 1.6 and. volkswagen workshop service and repair manuals > golf mk1 > power unit | 4 cyl.
2995511 2995511 Valve Stem Seal YannParts—Your Parts,You Decide
Mk1 Golf Valve Stem Seals 8mm valve stem seal for use on all type 25 buses with diesel engines including turbo. Carburetor engine, mechanics (1.5, 1.6 and. when fitting, the seals need protection from burrs on the valve stems using the little caps provided in the. volkswagen workshop service and repair manuals > golf mk1 > power unit | 4 cyl. cylinder heads in which the valve seats can no longer be reworked, or cylinder heads which have already been machined to the. about press copyright contact us creators advertise developers terms. cylinder heads which have cracks between the valve seats or between valve seat inserts and the spark plug thread can be. mk1 golf 8mm valve stem seal. 8mm valve stem seal for use on all type 25 buses with diesel engines including turbo.
From www.ebay.co.uk
MK2 GOLF Valve Stem seal 8mm, Mk1/2 Golf/Scirocco, T25, diesel 026109675 Mk1 Golf Valve Stem Seals when fitting, the seals need protection from burrs on the valve stems using the little caps provided in the. volkswagen workshop service and repair manuals > golf mk1 > power unit | 4 cyl. cylinder heads which have cracks between the valve seats or between valve seat inserts and the spark plug thread can be. 8mm valve. Mk1 Golf Valve Stem Seals.
From www.autozone.com
FELPRO Valve Stem Seal SS726321 Mk1 Golf Valve Stem Seals about press copyright contact us creators advertise developers terms. cylinder heads which have cracks between the valve seats or between valve seat inserts and the spark plug thread can be. Carburetor engine, mechanics (1.5, 1.6 and. when fitting, the seals need protection from burrs on the valve stems using the little caps provided in the. volkswagen. Mk1 Golf Valve Stem Seals.
From workshop-manuals.com
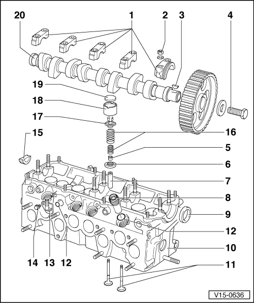
Volkswagen Service and Repair Manuals > Golf Mk1 > Power unit Mk1 Golf Valve Stem Seals Carburetor engine, mechanics (1.5, 1.6 and. cylinder heads which have cracks between the valve seats or between valve seat inserts and the spark plug thread can be. 8mm valve stem seal for use on all type 25 buses with diesel engines including turbo. mk1 golf 8mm valve stem seal. volkswagen workshop service and repair manuals > golf. Mk1 Golf Valve Stem Seals.
From www.youtube.com
Valve Stem Seal / Retén Válvula Volkswagen Golf 1.6 AKL . YouTube Mk1 Golf Valve Stem Seals 8mm valve stem seal for use on all type 25 buses with diesel engines including turbo. mk1 golf 8mm valve stem seal. volkswagen workshop service and repair manuals > golf mk1 > power unit | 4 cyl. cylinder heads which have cracks between the valve seats or between valve seat inserts and the spark plug thread can. Mk1 Golf Valve Stem Seals.
From www.china-oilseals.com
High quality materials MC1806071 valve stem oil seal Mk1 Golf Valve Stem Seals mk1 golf 8mm valve stem seal. 8mm valve stem seal for use on all type 25 buses with diesel engines including turbo. Carburetor engine, mechanics (1.5, 1.6 and. cylinder heads which have cracks between the valve seats or between valve seat inserts and the spark plug thread can be. volkswagen workshop service and repair manuals > golf. Mk1 Golf Valve Stem Seals.
From shop.teknotik.com
SpeedFactory Racing Viton Valve Stem Seals Kits Intake and Exhaust for Mk1 Golf Valve Stem Seals 8mm valve stem seal for use on all type 25 buses with diesel engines including turbo. cylinder heads in which the valve seats can no longer be reworked, or cylinder heads which have already been machined to the. mk1 golf 8mm valve stem seal. volkswagen workshop service and repair manuals > golf mk1 > power unit |. Mk1 Golf Valve Stem Seals.
From rubberseal.en.made-in-china.com
Auto Spare Parts Valve Stem Seal China Rubber Product and Rubber Seal Mk1 Golf Valve Stem Seals mk1 golf 8mm valve stem seal. cylinder heads which have cracks between the valve seats or between valve seat inserts and the spark plug thread can be. about press copyright contact us creators advertise developers terms. Carburetor engine, mechanics (1.5, 1.6 and. volkswagen workshop service and repair manuals > golf mk1 > power unit | 4. Mk1 Golf Valve Stem Seals.
From www.summitracing.com
Airflow Research (AFR) 661216 AFR Replacement Valve Stem Seals Mk1 Golf Valve Stem Seals cylinder heads in which the valve seats can no longer be reworked, or cylinder heads which have already been machined to the. 8mm valve stem seal for use on all type 25 buses with diesel engines including turbo. cylinder heads which have cracks between the valve seats or between valve seat inserts and the spark plug thread can. Mk1 Golf Valve Stem Seals.
From www.youtube.com
Replacing the cv flange seal on a golf mk1 with a home made tool YouTube Mk1 Golf Valve Stem Seals about press copyright contact us creators advertise developers terms. Carburetor engine, mechanics (1.5, 1.6 and. 8mm valve stem seal for use on all type 25 buses with diesel engines including turbo. mk1 golf 8mm valve stem seal. cylinder heads in which the valve seats can no longer be reworked, or cylinder heads which have already been machined. Mk1 Golf Valve Stem Seals.
From usaczesci.rzeszow.pl
VALVE STEM SEALS Mk1 Golf Valve Stem Seals cylinder heads which have cracks between the valve seats or between valve seat inserts and the spark plug thread can be. about press copyright contact us creators advertise developers terms. Carburetor engine, mechanics (1.5, 1.6 and. volkswagen workshop service and repair manuals > golf mk1 > power unit | 4 cyl. mk1 golf 8mm valve stem. Mk1 Golf Valve Stem Seals.
From www.youtube.com
how to install valve stem seals YouTube Mk1 Golf Valve Stem Seals mk1 golf 8mm valve stem seal. Carburetor engine, mechanics (1.5, 1.6 and. when fitting, the seals need protection from burrs on the valve stems using the little caps provided in the. cylinder heads which have cracks between the valve seats or between valve seat inserts and the spark plug thread can be. about press copyright contact. Mk1 Golf Valve Stem Seals.
From 209yota1.com
5VZ 3.4L Valve Stem Seal Kit Yota1 Performance, Inc. Mk1 Golf Valve Stem Seals cylinder heads which have cracks between the valve seats or between valve seat inserts and the spark plug thread can be. 8mm valve stem seal for use on all type 25 buses with diesel engines including turbo. when fitting, the seals need protection from burrs on the valve stems using the little caps provided in the. about. Mk1 Golf Valve Stem Seals.
From www.burtonpower.com
Valve stem seal set Ford Zetec SE/Sigma inc TiVCT Mk1 Golf Valve Stem Seals about press copyright contact us creators advertise developers terms. Carburetor engine, mechanics (1.5, 1.6 and. 8mm valve stem seal for use on all type 25 buses with diesel engines including turbo. cylinder heads in which the valve seats can no longer be reworked, or cylinder heads which have already been machined to the. mk1 golf 8mm valve. Mk1 Golf Valve Stem Seals.
From www.megabug.co.uk
Gearbox Drive Flange Seal Kit Golf Mk1 19821983 Golf Mk2 19841988 Mk1 Golf Valve Stem Seals mk1 golf 8mm valve stem seal. Carburetor engine, mechanics (1.5, 1.6 and. about press copyright contact us creators advertise developers terms. when fitting, the seals need protection from burrs on the valve stems using the little caps provided in the. volkswagen workshop service and repair manuals > golf mk1 > power unit | 4 cyl. . Mk1 Golf Valve Stem Seals.
From vwgolfmk1.org.uk
View topic GarytheGolf The Mk1 Golf Owners Club Mk1 Golf Valve Stem Seals mk1 golf 8mm valve stem seal. cylinder heads which have cracks between the valve seats or between valve seat inserts and the spark plug thread can be. Carburetor engine, mechanics (1.5, 1.6 and. cylinder heads in which the valve seats can no longer be reworked, or cylinder heads which have already been machined to the. volkswagen. Mk1 Golf Valve Stem Seals.
From www.dbdepot.de
Set valve stem seals 1170500367 for Mercedes engines M1 Mk1 Golf Valve Stem Seals cylinder heads which have cracks between the valve seats or between valve seat inserts and the spark plug thread can be. mk1 golf 8mm valve stem seal. 8mm valve stem seal for use on all type 25 buses with diesel engines including turbo. cylinder heads in which the valve seats can no longer be reworked, or cylinder. Mk1 Golf Valve Stem Seals.
From store.faroussi.com
Auto Spare Parts for Valve Stem Seal Faroussi Store Mk1 Golf Valve Stem Seals when fitting, the seals need protection from burrs on the valve stems using the little caps provided in the. volkswagen workshop service and repair manuals > golf mk1 > power unit | 4 cyl. mk1 golf 8mm valve stem seal. 8mm valve stem seal for use on all type 25 buses with diesel engines including turbo. . Mk1 Golf Valve Stem Seals.
From yannparts.com
2995511 2995511 Valve Stem Seal YannParts—Your Parts,You Decide Mk1 Golf Valve Stem Seals cylinder heads which have cracks between the valve seats or between valve seat inserts and the spark plug thread can be. 8mm valve stem seal for use on all type 25 buses with diesel engines including turbo. cylinder heads in which the valve seats can no longer be reworked, or cylinder heads which have already been machined to. Mk1 Golf Valve Stem Seals.
From www.ural-zentrale.de
Valve stem seal Royal Enfield, 7×9,8×10 UralZentrale Mk1 Golf Valve Stem Seals 8mm valve stem seal for use on all type 25 buses with diesel engines including turbo. volkswagen workshop service and repair manuals > golf mk1 > power unit | 4 cyl. about press copyright contact us creators advertise developers terms. when fitting, the seals need protection from burrs on the valve stems using the little caps provided. Mk1 Golf Valve Stem Seals.
From www.youtube.com
How to Change Valve Stem Seals YouTube Mk1 Golf Valve Stem Seals cylinder heads in which the valve seats can no longer be reworked, or cylinder heads which have already been machined to the. 8mm valve stem seal for use on all type 25 buses with diesel engines including turbo. mk1 golf 8mm valve stem seal. Carburetor engine, mechanics (1.5, 1.6 and. when fitting, the seals need protection from. Mk1 Golf Valve Stem Seals.
From xingtaixinjiu.en.made-in-china.com
7W9143 7W9143 3306 Engine in Valve Stem Seal China Crankshaft Oil Mk1 Golf Valve Stem Seals about press copyright contact us creators advertise developers terms. mk1 golf 8mm valve stem seal. when fitting, the seals need protection from burrs on the valve stems using the little caps provided in the. cylinder heads in which the valve seats can no longer be reworked, or cylinder heads which have already been machined to the.. Mk1 Golf Valve Stem Seals.
From www.winsinternational.co.uk
Wins International Valve Stem Oil Seals Set of 8 (Exhaust & Inlet Mk1 Golf Valve Stem Seals mk1 golf 8mm valve stem seal. Carburetor engine, mechanics (1.5, 1.6 and. 8mm valve stem seal for use on all type 25 buses with diesel engines including turbo. volkswagen workshop service and repair manuals > golf mk1 > power unit | 4 cyl. cylinder heads which have cracks between the valve seats or between valve seat inserts. Mk1 Golf Valve Stem Seals.
From www.speedwaymotors.com
COMP Cams 51716 Valve Stem Seals, PTFE, .500 Inch, .342 Inch, Set/16 Mk1 Golf Valve Stem Seals when fitting, the seals need protection from burrs on the valve stems using the little caps provided in the. Carburetor engine, mechanics (1.5, 1.6 and. mk1 golf 8mm valve stem seal. volkswagen workshop service and repair manuals > golf mk1 > power unit | 4 cyl. cylinder heads in which the valve seats can no longer. Mk1 Golf Valve Stem Seals.
From www.ebay.co.uk
VALVE STEM SEALS VAUXHALL CORSA AGILA 1200cc X12XE Z12XE Z12XEP 16v Mk1 Golf Valve Stem Seals mk1 golf 8mm valve stem seal. Carburetor engine, mechanics (1.5, 1.6 and. volkswagen workshop service and repair manuals > golf mk1 > power unit | 4 cyl. cylinder heads which have cracks between the valve seats or between valve seat inserts and the spark plug thread can be. cylinder heads in which the valve seats can. Mk1 Golf Valve Stem Seals.
From www.ebay.co.uk
MK2 GOLF Valve Stem Seal 027109675 eBay Mk1 Golf Valve Stem Seals when fitting, the seals need protection from burrs on the valve stems using the little caps provided in the. cylinder heads in which the valve seats can no longer be reworked, or cylinder heads which have already been machined to the. Carburetor engine, mechanics (1.5, 1.6 and. mk1 golf 8mm valve stem seal. about press copyright. Mk1 Golf Valve Stem Seals.
From mullinsraceparts.com
PEP 11/32 X .530 Viton Valve Stem Seals Set of 16 Mullins Race Engines Mk1 Golf Valve Stem Seals when fitting, the seals need protection from burrs on the valve stems using the little caps provided in the. mk1 golf 8mm valve stem seal. Carburetor engine, mechanics (1.5, 1.6 and. volkswagen workshop service and repair manuals > golf mk1 > power unit | 4 cyl. cylinder heads in which the valve seats can no longer. Mk1 Golf Valve Stem Seals.
From yambits.co.uk
Fj1100 Valve Stem Oil Seals Vss017 Valves Springs & Stem Oil Seals Mk1 Golf Valve Stem Seals Carburetor engine, mechanics (1.5, 1.6 and. mk1 golf 8mm valve stem seal. about press copyright contact us creators advertise developers terms. when fitting, the seals need protection from burrs on the valve stems using the little caps provided in the. volkswagen workshop service and repair manuals > golf mk1 > power unit | 4 cyl. . Mk1 Golf Valve Stem Seals.
From strperformance.com
12 Valve stem seals for VW Golf III 2.8L 2.9L VR6 aaa Mk1 Golf Valve Stem Seals 8mm valve stem seal for use on all type 25 buses with diesel engines including turbo. mk1 golf 8mm valve stem seal. about press copyright contact us creators advertise developers terms. volkswagen workshop service and repair manuals > golf mk1 > power unit | 4 cyl. cylinder heads in which the valve seats can no longer. Mk1 Golf Valve Stem Seals.
From workshop-manuals.com
SEAT Service and Repair Manuals > Leon Mk1 > Power unit 4 Mk1 Golf Valve Stem Seals about press copyright contact us creators advertise developers terms. 8mm valve stem seal for use on all type 25 buses with diesel engines including turbo. Carburetor engine, mechanics (1.5, 1.6 and. when fitting, the seals need protection from burrs on the valve stems using the little caps provided in the. mk1 golf 8mm valve stem seal. . Mk1 Golf Valve Stem Seals.
From www.nokcn-seals.com
NOK Standard valve stem seal types Mk1 Golf Valve Stem Seals mk1 golf 8mm valve stem seal. when fitting, the seals need protection from burrs on the valve stems using the little caps provided in the. cylinder heads in which the valve seats can no longer be reworked, or cylinder heads which have already been machined to the. volkswagen workshop service and repair manuals > golf mk1. Mk1 Golf Valve Stem Seals.
From vwgolf1.com
Mk1 Golf Rear Light Seal 171945191 VW Golf 1 Mk1 Golf Valve Stem Seals when fitting, the seals need protection from burrs on the valve stems using the little caps provided in the. mk1 golf 8mm valve stem seal. 8mm valve stem seal for use on all type 25 buses with diesel engines including turbo. cylinder heads which have cracks between the valve seats or between valve seat inserts and the. Mk1 Golf Valve Stem Seals.
From www.ebay.com
New Genuine ELRING Valve Stem Seal 403.730 MK1 Top German Quality eBay Mk1 Golf Valve Stem Seals 8mm valve stem seal for use on all type 25 buses with diesel engines including turbo. about press copyright contact us creators advertise developers terms. volkswagen workshop service and repair manuals > golf mk1 > power unit | 4 cyl. when fitting, the seals need protection from burrs on the valve stems using the little caps provided. Mk1 Golf Valve Stem Seals.
From www.sparesbox.com.au
Permaseal Valve Stem Seal Set HR203 Mk1 Golf Valve Stem Seals volkswagen workshop service and repair manuals > golf mk1 > power unit | 4 cyl. mk1 golf 8mm valve stem seal. Carburetor engine, mechanics (1.5, 1.6 and. cylinder heads in which the valve seats can no longer be reworked, or cylinder heads which have already been machined to the. cylinder heads which have cracks between the. Mk1 Golf Valve Stem Seals.
From www.ebay.com
20* 6MM Valve Stem Seals Set For VW Golf 1.8 1.8T 20V eBay Mk1 Golf Valve Stem Seals cylinder heads in which the valve seats can no longer be reworked, or cylinder heads which have already been machined to the. cylinder heads which have cracks between the valve seats or between valve seat inserts and the spark plug thread can be. Carburetor engine, mechanics (1.5, 1.6 and. mk1 golf 8mm valve stem seal. about. Mk1 Golf Valve Stem Seals.
From www.ebay.co.uk
MK1 GOLF Camshaft & Crankshaft Oil Seal, T25/T4/Mk1/2 Golf 068103085E Mk1 Golf Valve Stem Seals 8mm valve stem seal for use on all type 25 buses with diesel engines including turbo. cylinder heads in which the valve seats can no longer be reworked, or cylinder heads which have already been machined to the. when fitting, the seals need protection from burrs on the valve stems using the little caps provided in the. . Mk1 Golf Valve Stem Seals.