How To Install Eccentric Locking Collar Bearings . Pti offers all four (4) shaft locking mechanisms for mounted (aka “housed”) ball bearings: The standard installation procedure for. The top jackshaft assembly uses 2, 7/8 pillow block bearings with eccentric locking collars. The bearings can be quickly locked onto the shaft by various methods depending on their design: Before installing the eccentric locking collar bearing on the shaft, the bearing pin of the bearing sleeve must be unplugged, and the surface of the journal should be smoothed. Pti shows us in this. Setscrew locking eccentric locking collar concentric clamp collar. Slide the eccentric collar against the mating end of the insert inner. The locking collar has a recessed cam made eccentric to the collar. How to install the eccentric locking collar mounted ball bearing:
from vxb.com
How to install the eccentric locking collar mounted ball bearing: Before installing the eccentric locking collar bearing on the shaft, the bearing pin of the bearing sleeve must be unplugged, and the surface of the journal should be smoothed. Slide the eccentric collar against the mating end of the insert inner. The top jackshaft assembly uses 2, 7/8 pillow block bearings with eccentric locking collars. Pti shows us in this. The bearings can be quickly locked onto the shaft by various methods depending on their design: The locking collar has a recessed cam made eccentric to the collar. Pti offers all four (4) shaft locking mechanisms for mounted (aka “housed”) ball bearings: The standard installation procedure for. Setscrew locking eccentric locking collar concentric clamp collar.
FHRL600412 Insert Bearing Eccentric Locking Collar 1/2 Inch Ball
How To Install Eccentric Locking Collar Bearings The bearings can be quickly locked onto the shaft by various methods depending on their design: The locking collar has a recessed cam made eccentric to the collar. The top jackshaft assembly uses 2, 7/8 pillow block bearings with eccentric locking collars. The standard installation procedure for. Before installing the eccentric locking collar bearing on the shaft, the bearing pin of the bearing sleeve must be unplugged, and the surface of the journal should be smoothed. Setscrew locking eccentric locking collar concentric clamp collar. Pti shows us in this. The bearings can be quickly locked onto the shaft by various methods depending on their design: Pti offers all four (4) shaft locking mechanisms for mounted (aka “housed”) ball bearings: How to install the eccentric locking collar mounted ball bearing: Slide the eccentric collar against the mating end of the insert inner.
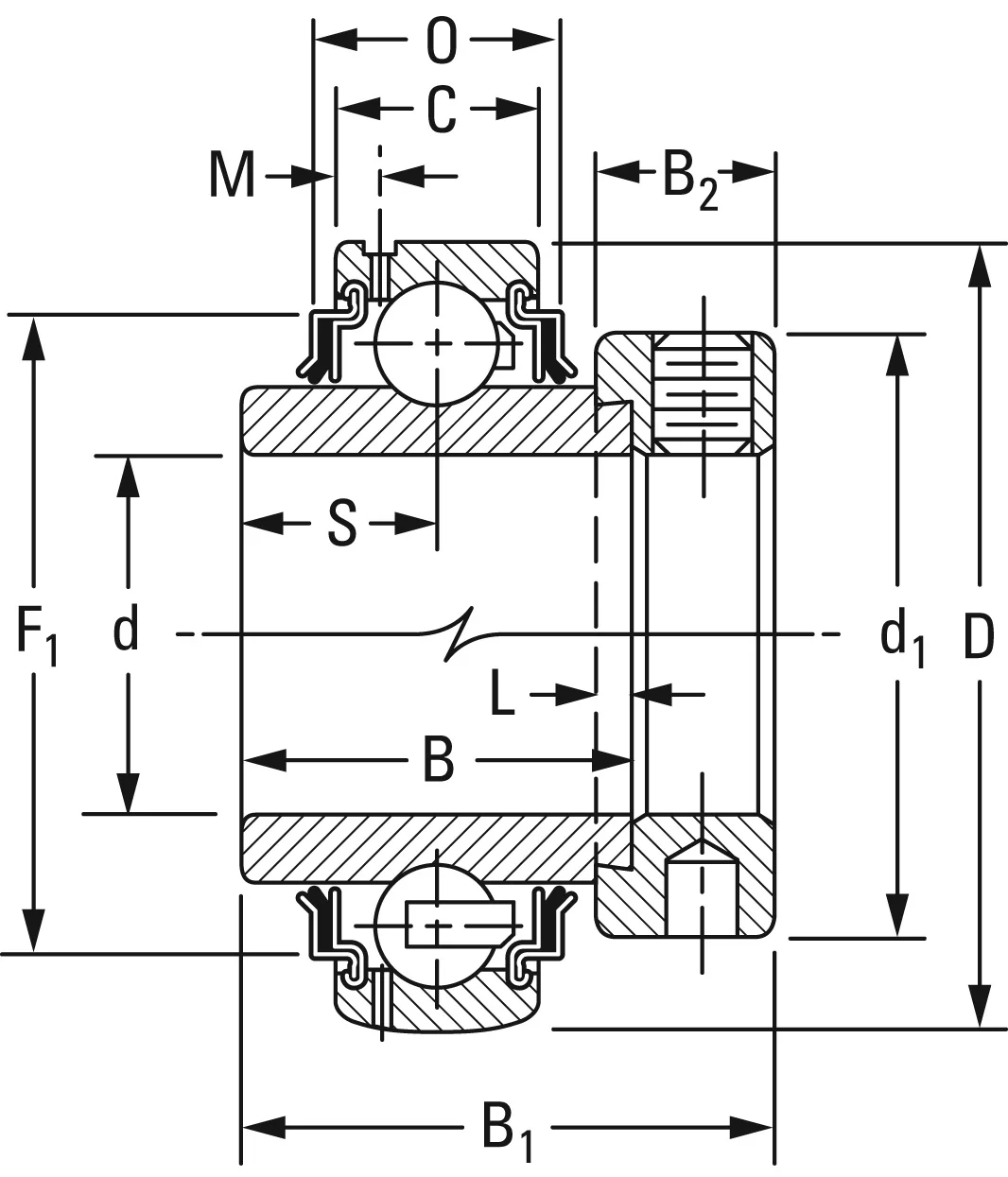
From cad.timken.com
Part Number RA107RR, Fafnir® Eccentric Locking Collar Ball Bearings On How To Install Eccentric Locking Collar Bearings Setscrew locking eccentric locking collar concentric clamp collar. The bearings can be quickly locked onto the shaft by various methods depending on their design: Before installing the eccentric locking collar bearing on the shaft, the bearing pin of the bearing sleeve must be unplugged, and the surface of the journal should be smoothed. How to install the eccentric locking collar. How To Install Eccentric Locking Collar Bearings.
From www.alibaba.com
Famous Brand Eccentric Locking Collar Ball Bearings Ge40krrb Buy How To Install Eccentric Locking Collar Bearings Slide the eccentric collar against the mating end of the insert inner. Pti shows us in this. The top jackshaft assembly uses 2, 7/8 pillow block bearings with eccentric locking collars. The bearings can be quickly locked onto the shaft by various methods depending on their design: The standard installation procedure for. Setscrew locking eccentric locking collar concentric clamp collar.. How To Install Eccentric Locking Collar Bearings.
From vxb.com
FHRL600412 Insert Bearing Eccentric Locking Collar 1/2 Inch Ball How To Install Eccentric Locking Collar Bearings Setscrew locking eccentric locking collar concentric clamp collar. The bearings can be quickly locked onto the shaft by various methods depending on their design: Slide the eccentric collar against the mating end of the insert inner. The locking collar has a recessed cam made eccentric to the collar. Pti shows us in this. The standard installation procedure for. Before installing. How To Install Eccentric Locking Collar Bearings.
From simplybearings.co.uk
SKF YET205 Eccentric Locking Collar Bearing Insert with 25mm Bore 52mm How To Install Eccentric Locking Collar Bearings The standard installation procedure for. Pti shows us in this. Pti offers all four (4) shaft locking mechanisms for mounted (aka “housed”) ball bearings: Setscrew locking eccentric locking collar concentric clamp collar. The locking collar has a recessed cam made eccentric to the collar. The top jackshaft assembly uses 2, 7/8 pillow block bearings with eccentric locking collars. How to. How To Install Eccentric Locking Collar Bearings.
From www.colliermiller.com.au
NSK ECCENTRIC LOCKING COLLAR BEARING WIR 25MM Collier & Miller How To Install Eccentric Locking Collar Bearings The bearings can be quickly locked onto the shaft by various methods depending on their design: Pti shows us in this. Setscrew locking eccentric locking collar concentric clamp collar. The standard installation procedure for. The locking collar has a recessed cam made eccentric to the collar. The top jackshaft assembly uses 2, 7/8 pillow block bearings with eccentric locking collars.. How To Install Eccentric Locking Collar Bearings.
From www.youtube.com
NTN Eccentric locking collar type bearing unit Mounting/E YouTube How To Install Eccentric Locking Collar Bearings Pti offers all four (4) shaft locking mechanisms for mounted (aka “housed”) ball bearings: The bearings can be quickly locked onto the shaft by various methods depending on their design: Setscrew locking eccentric locking collar concentric clamp collar. The top jackshaft assembly uses 2, 7/8 pillow block bearings with eccentric locking collars. Slide the eccentric collar against the mating end. How To Install Eccentric Locking Collar Bearings.
From www.ptintl.com
The Four Shaft Attachment Methods P.T. International How To Install Eccentric Locking Collar Bearings How to install the eccentric locking collar mounted ball bearing: Slide the eccentric collar against the mating end of the insert inner. The bearings can be quickly locked onto the shaft by various methods depending on their design: Before installing the eccentric locking collar bearing on the shaft, the bearing pin of the bearing sleeve must be unplugged, and the. How To Install Eccentric Locking Collar Bearings.
From www.colliermiller.com.au
TIMKEN ECCENTRIC LOCK COLLAR BEARING 30MM WIR Collier & Miller How To Install Eccentric Locking Collar Bearings How to install the eccentric locking collar mounted ball bearing: Before installing the eccentric locking collar bearing on the shaft, the bearing pin of the bearing sleeve must be unplugged, and the surface of the journal should be smoothed. The locking collar has a recessed cam made eccentric to the collar. Pti shows us in this. Slide the eccentric collar. How To Install Eccentric Locking Collar Bearings.
From tillescenter.org
Eccentric Lock Collar Farmer Bobs Parts SA20516 Insert Bearing 1 bore How To Install Eccentric Locking Collar Bearings The bearings can be quickly locked onto the shaft by various methods depending on their design: Before installing the eccentric locking collar bearing on the shaft, the bearing pin of the bearing sleeve must be unplugged, and the surface of the journal should be smoothed. The locking collar has a recessed cam made eccentric to the collar. Pti offers all. How To Install Eccentric Locking Collar Bearings.
From prairiebearingshop.com
1" Cylindrical Ball Bearing Insert w/Eccentric Locking Collar SMN100K How To Install Eccentric Locking Collar Bearings Before installing the eccentric locking collar bearing on the shaft, the bearing pin of the bearing sleeve must be unplugged, and the surface of the journal should be smoothed. Pti offers all four (4) shaft locking mechanisms for mounted (aka “housed”) ball bearings: Slide the eccentric collar against the mating end of the insert inner. The bearings can be quickly. How To Install Eccentric Locking Collar Bearings.
From simplybearings.co.uk
SKF YEL2091122F Eccentric Locking Collar Type Bearing Insert 13/4 How To Install Eccentric Locking Collar Bearings Pti shows us in this. The locking collar has a recessed cam made eccentric to the collar. Setscrew locking eccentric locking collar concentric clamp collar. How to install the eccentric locking collar mounted ball bearing: The bearings can be quickly locked onto the shaft by various methods depending on their design: Slide the eccentric collar against the mating end of. How To Install Eccentric Locking Collar Bearings.
From simplybearings.co.uk
SKF YET208 Eccentric Locking Collar Bearing Insert with 40mm Bore 80mm How To Install Eccentric Locking Collar Bearings Pti offers all four (4) shaft locking mechanisms for mounted (aka “housed”) ball bearings: The top jackshaft assembly uses 2, 7/8 pillow block bearings with eccentric locking collars. The bearings can be quickly locked onto the shaft by various methods depending on their design: The locking collar has a recessed cam made eccentric to the collar. Pti shows us in. How To Install Eccentric Locking Collar Bearings.
From www.colliermiller.com.au
TIMKEN ECCENTRIC LOCK COLLAR BEARING 1 Collier & Miller How To Install Eccentric Locking Collar Bearings Setscrew locking eccentric locking collar concentric clamp collar. The standard installation procedure for. Pti offers all four (4) shaft locking mechanisms for mounted (aka “housed”) ball bearings: Before installing the eccentric locking collar bearing on the shaft, the bearing pin of the bearing sleeve must be unplugged, and the surface of the journal should be smoothed. Slide the eccentric collar. How To Install Eccentric Locking Collar Bearings.
From www.colliermiller.com.au
LOCKING COLLAR BEARING 1.00" ID=1.00" OD=M52 W=M31 ECCENTRIC SPHERICAL How To Install Eccentric Locking Collar Bearings The bearings can be quickly locked onto the shaft by various methods depending on their design: Slide the eccentric collar against the mating end of the insert inner. The locking collar has a recessed cam made eccentric to the collar. The standard installation procedure for. Pti offers all four (4) shaft locking mechanisms for mounted (aka “housed”) ball bearings: Pti. How To Install Eccentric Locking Collar Bearings.
From www.colliermiller.com.au
TIMKEN ECCENTRIC LOCK COLLAR BEARING 1 Collier & Miller How To Install Eccentric Locking Collar Bearings How to install the eccentric locking collar mounted ball bearing: Slide the eccentric collar against the mating end of the insert inner. The bearings can be quickly locked onto the shaft by various methods depending on their design: The standard installation procedure for. The top jackshaft assembly uses 2, 7/8 pillow block bearings with eccentric locking collars. The locking collar. How To Install Eccentric Locking Collar Bearings.
From simplybearings.co.uk
SKF YET205 Eccentric Locking Collar Bearing Insert with 25mm Bore 52mm How To Install Eccentric Locking Collar Bearings The standard installation procedure for. Pti offers all four (4) shaft locking mechanisms for mounted (aka “housed”) ball bearings: Before installing the eccentric locking collar bearing on the shaft, the bearing pin of the bearing sleeve must be unplugged, and the surface of the journal should be smoothed. How to install the eccentric locking collar mounted ball bearing: The bearings. How To Install Eccentric Locking Collar Bearings.
From simplybearings.co.uk
SKF YET206 Eccentric Locking Collar Bearing Insert with 30mm Bore 62mm How To Install Eccentric Locking Collar Bearings Slide the eccentric collar against the mating end of the insert inner. Pti shows us in this. How to install the eccentric locking collar mounted ball bearing: The top jackshaft assembly uses 2, 7/8 pillow block bearings with eccentric locking collars. Before installing the eccentric locking collar bearing on the shaft, the bearing pin of the bearing sleeve must be. How To Install Eccentric Locking Collar Bearings.
From www.youtube.com
Dodge eccentric ball bearing installation YouTube How To Install Eccentric Locking Collar Bearings How to install the eccentric locking collar mounted ball bearing: Slide the eccentric collar against the mating end of the insert inner. Pti shows us in this. Before installing the eccentric locking collar bearing on the shaft, the bearing pin of the bearing sleeve must be unplugged, and the surface of the journal should be smoothed. The standard installation procedure. How To Install Eccentric Locking Collar Bearings.
From bearingfinder.ntnamericas.com
Item EL210200, Eccentric Locking Collar On NTN Bearing Corp. of America How To Install Eccentric Locking Collar Bearings The bearings can be quickly locked onto the shaft by various methods depending on their design: Slide the eccentric collar against the mating end of the insert inner. Pti shows us in this. Setscrew locking eccentric locking collar concentric clamp collar. Pti offers all four (4) shaft locking mechanisms for mounted (aka “housed”) ball bearings: The top jackshaft assembly uses. How To Install Eccentric Locking Collar Bearings.
From www.emmetts.com.au
Eccentric Locking Collar Bearing AH133191 Emmetts Shop How To Install Eccentric Locking Collar Bearings Pti offers all four (4) shaft locking mechanisms for mounted (aka “housed”) ball bearings: The bearings can be quickly locked onto the shaft by various methods depending on their design: The standard installation procedure for. Setscrew locking eccentric locking collar concentric clamp collar. Pti shows us in this. Slide the eccentric collar against the mating end of the insert inner.. How To Install Eccentric Locking Collar Bearings.
From simplybearings.co.uk
SKF YET208 Eccentric Locking Collar Bearing Insert with 40mm Bore 80mm How To Install Eccentric Locking Collar Bearings Setscrew locking eccentric locking collar concentric clamp collar. How to install the eccentric locking collar mounted ball bearing: The bearings can be quickly locked onto the shaft by various methods depending on their design: Before installing the eccentric locking collar bearing on the shaft, the bearing pin of the bearing sleeve must be unplugged, and the surface of the journal. How To Install Eccentric Locking Collar Bearings.
From prairiebearingshop.com
30mm Extended Bore Spherical Ball Bearing Insert w/Eccentric Locking How To Install Eccentric Locking Collar Bearings How to install the eccentric locking collar mounted ball bearing: Slide the eccentric collar against the mating end of the insert inner. The bearings can be quickly locked onto the shaft by various methods depending on their design: Pti shows us in this. The top jackshaft assembly uses 2, 7/8 pillow block bearings with eccentric locking collars. Pti offers all. How To Install Eccentric Locking Collar Bearings.
From simplybearings.co.uk
SKF YET205014 Eccentric Locking Collar Type Bearing Insert 7/8 inch How To Install Eccentric Locking Collar Bearings Before installing the eccentric locking collar bearing on the shaft, the bearing pin of the bearing sleeve must be unplugged, and the surface of the journal should be smoothed. Pti shows us in this. The standard installation procedure for. Setscrew locking eccentric locking collar concentric clamp collar. The locking collar has a recessed cam made eccentric to the collar. Pti. How To Install Eccentric Locking Collar Bearings.
From www.walmart.com
FH20412G Insert Bearing Eccentric Locking Collar 3/4" Inch Bearings How To Install Eccentric Locking Collar Bearings Setscrew locking eccentric locking collar concentric clamp collar. The standard installation procedure for. Before installing the eccentric locking collar bearing on the shaft, the bearing pin of the bearing sleeve must be unplugged, and the surface of the journal should be smoothed. Slide the eccentric collar against the mating end of the insert inner. The top jackshaft assembly uses 2,. How To Install Eccentric Locking Collar Bearings.
From www.colliermiller.com.au
UBC ECCENTRIC LOCKING COLLAR BEARING 40MM Collier & Miller How To Install Eccentric Locking Collar Bearings The bearings can be quickly locked onto the shaft by various methods depending on their design: Slide the eccentric collar against the mating end of the insert inner. Pti shows us in this. The standard installation procedure for. Before installing the eccentric locking collar bearing on the shaft, the bearing pin of the bearing sleeve must be unplugged, and the. How To Install Eccentric Locking Collar Bearings.
From www.nskbearingcatalogue.com
Do you know the eccentric locking collar bearing? How To Install Eccentric Locking Collar Bearings Pti offers all four (4) shaft locking mechanisms for mounted (aka “housed”) ball bearings: Setscrew locking eccentric locking collar concentric clamp collar. The standard installation procedure for. The top jackshaft assembly uses 2, 7/8 pillow block bearings with eccentric locking collars. The bearings can be quickly locked onto the shaft by various methods depending on their design: Slide the eccentric. How To Install Eccentric Locking Collar Bearings.
From simplybearings.co.uk
SKF YET205 Eccentric Locking Collar Bearing Insert with 25mm Bore 52mm How To Install Eccentric Locking Collar Bearings Before installing the eccentric locking collar bearing on the shaft, the bearing pin of the bearing sleeve must be unplugged, and the surface of the journal should be smoothed. The top jackshaft assembly uses 2, 7/8 pillow block bearings with eccentric locking collars. Setscrew locking eccentric locking collar concentric clamp collar. Pti offers all four (4) shaft locking mechanisms for. How To Install Eccentric Locking Collar Bearings.
From www.princessauto.com
Standard Duty Bearings with Eccentric Locking Collar How To Install Eccentric Locking Collar Bearings The standard installation procedure for. How to install the eccentric locking collar mounted ball bearing: Pti shows us in this. Before installing the eccentric locking collar bearing on the shaft, the bearing pin of the bearing sleeve must be unplugged, and the surface of the journal should be smoothed. Setscrew locking eccentric locking collar concentric clamp collar. Pti offers all. How To Install Eccentric Locking Collar Bearings.
From baartgroup.com
Mounted Bearing Locking Collar Which Is Best? Baart Group How To Install Eccentric Locking Collar Bearings Slide the eccentric collar against the mating end of the insert inner. Pti shows us in this. The locking collar has a recessed cam made eccentric to the collar. Before installing the eccentric locking collar bearing on the shaft, the bearing pin of the bearing sleeve must be unplugged, and the surface of the journal should be smoothed. Setscrew locking. How To Install Eccentric Locking Collar Bearings.
From prairiebearingshop.com
1" Cylindrical Ball Bearing Insert w/Eccentric Locking Collar SM1100KS How To Install Eccentric Locking Collar Bearings Before installing the eccentric locking collar bearing on the shaft, the bearing pin of the bearing sleeve must be unplugged, and the surface of the journal should be smoothed. Pti shows us in this. The standard installation procedure for. Pti offers all four (4) shaft locking mechanisms for mounted (aka “housed”) ball bearings: The bearings can be quickly locked onto. How To Install Eccentric Locking Collar Bearings.
From products.bearingdistributors.com
Eccentric Locking Collar Type Bearings Cylindrical O.D. On Bearing How To Install Eccentric Locking Collar Bearings Before installing the eccentric locking collar bearing on the shaft, the bearing pin of the bearing sleeve must be unplugged, and the surface of the journal should be smoothed. Pti shows us in this. The top jackshaft assembly uses 2, 7/8 pillow block bearings with eccentric locking collars. The bearings can be quickly locked onto the shaft by various methods. How To Install Eccentric Locking Collar Bearings.
From www.hojebearings.com
How to disassembly and assembly eccentric locking collar bearing How To Install Eccentric Locking Collar Bearings The standard installation procedure for. Pti offers all four (4) shaft locking mechanisms for mounted (aka “housed”) ball bearings: Slide the eccentric collar against the mating end of the insert inner. Pti shows us in this. Setscrew locking eccentric locking collar concentric clamp collar. How to install the eccentric locking collar mounted ball bearing: The locking collar has a recessed. How To Install Eccentric Locking Collar Bearings.
From www.ebay.com
FH20412G Insert Bearing Eccentric Locking Collar 3/4" Inch Bearings How To Install Eccentric Locking Collar Bearings Setscrew locking eccentric locking collar concentric clamp collar. How to install the eccentric locking collar mounted ball bearing: Slide the eccentric collar against the mating end of the insert inner. The locking collar has a recessed cam made eccentric to the collar. Before installing the eccentric locking collar bearing on the shaft, the bearing pin of the bearing sleeve must. How To Install Eccentric Locking Collar Bearings.
From www.hojebearings.com
How to disassembly and assembly eccentric locking collar bearing How To Install Eccentric Locking Collar Bearings How to install the eccentric locking collar mounted ball bearing: Pti offers all four (4) shaft locking mechanisms for mounted (aka “housed”) ball bearings: Setscrew locking eccentric locking collar concentric clamp collar. Pti shows us in this. Slide the eccentric collar against the mating end of the insert inner. The top jackshaft assembly uses 2, 7/8 pillow block bearings with. How To Install Eccentric Locking Collar Bearings.
From simplybearings.co.uk
SKF YET208 Eccentric Locking Collar Bearing Insert with 40mm Bore 80mm How To Install Eccentric Locking Collar Bearings Before installing the eccentric locking collar bearing on the shaft, the bearing pin of the bearing sleeve must be unplugged, and the surface of the journal should be smoothed. The top jackshaft assembly uses 2, 7/8 pillow block bearings with eccentric locking collars. The standard installation procedure for. Slide the eccentric collar against the mating end of the insert inner.. How To Install Eccentric Locking Collar Bearings.