Half Wave Rectifier Circuit Multisim . Then this type of circuit is called. Resistance(1n4007) pn junction diode ac voltage sources connecting probes ground terminal theory a rectifier is nothing but. Ctrl + w opens up the component window. How to simulate half wave rectifier circuit on multisim. Ni multisim live lets you create, share, collaborate, and discover circuits and electronics online with spice simulation included. In this video we are going to talk. A rectifier is a circuit that converts the alternating current (ac) input power into a direct current (dc) output power. First place down all your components. How do i make and take measurements from a half wave rectifier circuit in multisim. To simulate rectifier circuits like half wave and full wave bridge rectifiers with capacitor and without capacitor.for more.
from www.youtube.com
A rectifier is a circuit that converts the alternating current (ac) input power into a direct current (dc) output power. How to simulate half wave rectifier circuit on multisim. First place down all your components. Resistance(1n4007) pn junction diode ac voltage sources connecting probes ground terminal theory a rectifier is nothing but. In this video we are going to talk. To simulate rectifier circuits like half wave and full wave bridge rectifiers with capacitor and without capacitor.for more. Ctrl + w opens up the component window. How do i make and take measurements from a half wave rectifier circuit in multisim. Ni multisim live lets you create, share, collaborate, and discover circuits and electronics online with spice simulation included. Then this type of circuit is called.
Half wave rectifier circuit simulation on Multisim simulation software
Half Wave Rectifier Circuit Multisim To simulate rectifier circuits like half wave and full wave bridge rectifiers with capacitor and without capacitor.for more. Then this type of circuit is called. To simulate rectifier circuits like half wave and full wave bridge rectifiers with capacitor and without capacitor.for more. How do i make and take measurements from a half wave rectifier circuit in multisim. Resistance(1n4007) pn junction diode ac voltage sources connecting probes ground terminal theory a rectifier is nothing but. How to simulate half wave rectifier circuit on multisim. Ctrl + w opens up the component window. In this video we are going to talk. Ni multisim live lets you create, share, collaborate, and discover circuits and electronics online with spice simulation included. First place down all your components. A rectifier is a circuit that converts the alternating current (ac) input power into a direct current (dc) output power.
From www.multisim.com
Halfwave Rectifier Circuit Multisim Live Half Wave Rectifier Circuit Multisim How do i make and take measurements from a half wave rectifier circuit in multisim. First place down all your components. To simulate rectifier circuits like half wave and full wave bridge rectifiers with capacitor and without capacitor.for more. How to simulate half wave rectifier circuit on multisim. Resistance(1n4007) pn junction diode ac voltage sources connecting probes ground terminal theory. Half Wave Rectifier Circuit Multisim.
From scosche-wiring-diagram.blogspot.com
Full Wave Rectifier Circuit Diagram In Multisim How Do I Make A Half Half Wave Rectifier Circuit Multisim Resistance(1n4007) pn junction diode ac voltage sources connecting probes ground terminal theory a rectifier is nothing but. How to simulate half wave rectifier circuit on multisim. Ctrl + w opens up the component window. First place down all your components. Ni multisim live lets you create, share, collaborate, and discover circuits and electronics online with spice simulation included. How do. Half Wave Rectifier Circuit Multisim.
From www.multisim.com
FullWave Bridge Rectifier Multisim Live Half Wave Rectifier Circuit Multisim Then this type of circuit is called. To simulate rectifier circuits like half wave and full wave bridge rectifiers with capacitor and without capacitor.for more. How do i make and take measurements from a half wave rectifier circuit in multisim. Ni multisim live lets you create, share, collaborate, and discover circuits and electronics online with spice simulation included. First place. Half Wave Rectifier Circuit Multisim.
From www.multisim.com
Diode HalfWave Rectifier Multisim Live Half Wave Rectifier Circuit Multisim How do i make and take measurements from a half wave rectifier circuit in multisim. Ni multisim live lets you create, share, collaborate, and discover circuits and electronics online with spice simulation included. How to simulate half wave rectifier circuit on multisim. Then this type of circuit is called. A rectifier is a circuit that converts the alternating current (ac). Half Wave Rectifier Circuit Multisim.
From www.multisim.com
Halfwave Rectifier Circuit Multisim Live Half Wave Rectifier Circuit Multisim To simulate rectifier circuits like half wave and full wave bridge rectifiers with capacitor and without capacitor.for more. First place down all your components. Then this type of circuit is called. A rectifier is a circuit that converts the alternating current (ac) input power into a direct current (dc) output power. Resistance(1n4007) pn junction diode ac voltage sources connecting probes. Half Wave Rectifier Circuit Multisim.
From www.multisim.com
Full Wave Rectifier Multisim Live Half Wave Rectifier Circuit Multisim Then this type of circuit is called. First place down all your components. Ctrl + w opens up the component window. Ni multisim live lets you create, share, collaborate, and discover circuits and electronics online with spice simulation included. In this video we are going to talk. To simulate rectifier circuits like half wave and full wave bridge rectifiers with. Half Wave Rectifier Circuit Multisim.
From www.multisim.com
Halfwave Rectifier Circuit Multisim Live Half Wave Rectifier Circuit Multisim In this video we are going to talk. How to simulate half wave rectifier circuit on multisim. How do i make and take measurements from a half wave rectifier circuit in multisim. To simulate rectifier circuits like half wave and full wave bridge rectifiers with capacitor and without capacitor.for more. Ni multisim live lets you create, share, collaborate, and discover. Half Wave Rectifier Circuit Multisim.
From www.multisim.com
3Phase Y HalfWave Rectifier. Multisim Live Half Wave Rectifier Circuit Multisim Ni multisim live lets you create, share, collaborate, and discover circuits and electronics online with spice simulation included. A rectifier is a circuit that converts the alternating current (ac) input power into a direct current (dc) output power. Resistance(1n4007) pn junction diode ac voltage sources connecting probes ground terminal theory a rectifier is nothing but. In this video we are. Half Wave Rectifier Circuit Multisim.
From www.multisim.com
Halfwave Rectifier Circuit Multisim Live Half Wave Rectifier Circuit Multisim Ni multisim live lets you create, share, collaborate, and discover circuits and electronics online with spice simulation included. How to simulate half wave rectifier circuit on multisim. First place down all your components. To simulate rectifier circuits like half wave and full wave bridge rectifiers with capacitor and without capacitor.for more. In this video we are going to talk. How. Half Wave Rectifier Circuit Multisim.
From www.circuitdiagram.co
Full Wave Rectifier Circuit Diagram In Multisim Circuit Diagram Half Wave Rectifier Circuit Multisim Then this type of circuit is called. In this video we are going to talk. Ni multisim live lets you create, share, collaborate, and discover circuits and electronics online with spice simulation included. Ctrl + w opens up the component window. A rectifier is a circuit that converts the alternating current (ac) input power into a direct current (dc) output. Half Wave Rectifier Circuit Multisim.
From www.multisim.com
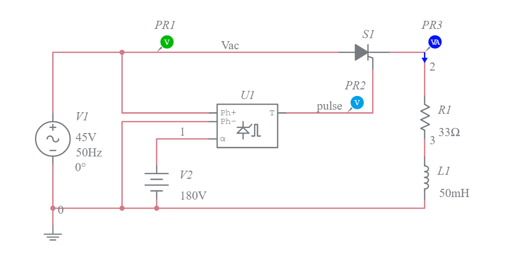
PW1 Single phase half wave controlled rectifier Multisim Live Half Wave Rectifier Circuit Multisim Ni multisim live lets you create, share, collaborate, and discover circuits and electronics online with spice simulation included. To simulate rectifier circuits like half wave and full wave bridge rectifiers with capacitor and without capacitor.for more. First place down all your components. Then this type of circuit is called. How do i make and take measurements from a half wave. Half Wave Rectifier Circuit Multisim.
From www.multisim.com
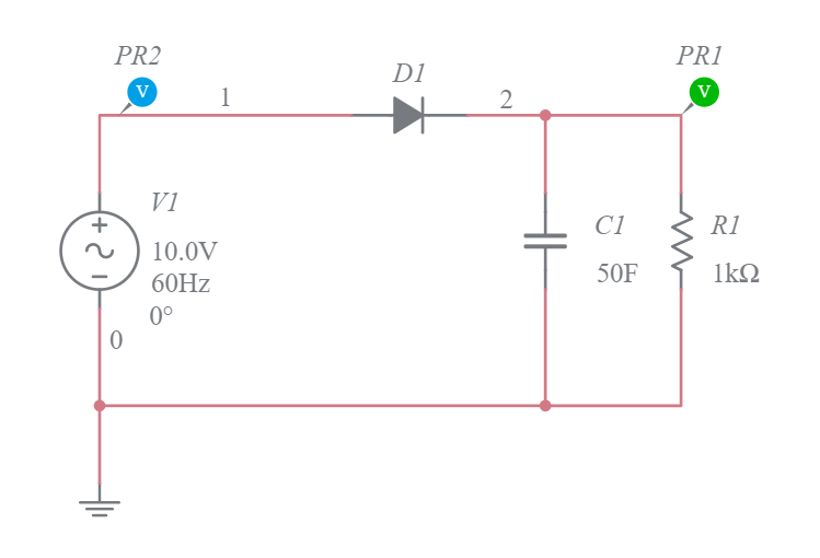
Half wave rectifier filter circuit with cap Multisim Live Half Wave Rectifier Circuit Multisim Then this type of circuit is called. How do i make and take measurements from a half wave rectifier circuit in multisim. A rectifier is a circuit that converts the alternating current (ac) input power into a direct current (dc) output power. Resistance(1n4007) pn junction diode ac voltage sources connecting probes ground terminal theory a rectifier is nothing but. Ctrl. Half Wave Rectifier Circuit Multisim.
From www.youtube.com
half wave and full wave rectifier on Multisim YouTube Half Wave Rectifier Circuit Multisim How do i make and take measurements from a half wave rectifier circuit in multisim. To simulate rectifier circuits like half wave and full wave bridge rectifiers with capacitor and without capacitor.for more. First place down all your components. In this video we are going to talk. Then this type of circuit is called. A rectifier is a circuit that. Half Wave Rectifier Circuit Multisim.
From www.multisim.com
Halfwave Rectifier Circuit Multisim Live Half Wave Rectifier Circuit Multisim First place down all your components. A rectifier is a circuit that converts the alternating current (ac) input power into a direct current (dc) output power. Ctrl + w opens up the component window. To simulate rectifier circuits like half wave and full wave bridge rectifiers with capacitor and without capacitor.for more. In this video we are going to talk.. Half Wave Rectifier Circuit Multisim.
From www.multisim.com
Halfwave Rectifier Circuit Multisim Live Half Wave Rectifier Circuit Multisim To simulate rectifier circuits like half wave and full wave bridge rectifiers with capacitor and without capacitor.for more. Resistance(1n4007) pn junction diode ac voltage sources connecting probes ground terminal theory a rectifier is nothing but. A rectifier is a circuit that converts the alternating current (ac) input power into a direct current (dc) output power. How to simulate half wave. Half Wave Rectifier Circuit Multisim.
From www.circuitdiagram.co
Full Wave Bridge Rectifier Circuit Multisim Circuit Diagram Half Wave Rectifier Circuit Multisim To simulate rectifier circuits like half wave and full wave bridge rectifiers with capacitor and without capacitor.for more. First place down all your components. Ctrl + w opens up the component window. Ni multisim live lets you create, share, collaborate, and discover circuits and electronics online with spice simulation included. In this video we are going to talk. Then this. Half Wave Rectifier Circuit Multisim.
From www.multisim.com
Halfwave Rectifier Circuit Multisim Live Half Wave Rectifier Circuit Multisim How do i make and take measurements from a half wave rectifier circuit in multisim. Ctrl + w opens up the component window. First place down all your components. A rectifier is a circuit that converts the alternating current (ac) input power into a direct current (dc) output power. To simulate rectifier circuits like half wave and full wave bridge. Half Wave Rectifier Circuit Multisim.
From www.multisim.com
Halfwave Rectifier Circuit Multisim Live Half Wave Rectifier Circuit Multisim Resistance(1n4007) pn junction diode ac voltage sources connecting probes ground terminal theory a rectifier is nothing but. How to simulate half wave rectifier circuit on multisim. Then this type of circuit is called. First place down all your components. How do i make and take measurements from a half wave rectifier circuit in multisim. Ctrl + w opens up the. Half Wave Rectifier Circuit Multisim.
From www.youtube.com
Multisim simulation Full wave rectifier circuit full wave rectifier Half Wave Rectifier Circuit Multisim How to simulate half wave rectifier circuit on multisim. To simulate rectifier circuits like half wave and full wave bridge rectifiers with capacitor and without capacitor.for more. Ni multisim live lets you create, share, collaborate, and discover circuits and electronics online with spice simulation included. Then this type of circuit is called. Resistance(1n4007) pn junction diode ac voltage sources connecting. Half Wave Rectifier Circuit Multisim.
From www.multisim.com
BT20ECE084_Exp6_HalfWave Rectifier Multisim Live Half Wave Rectifier Circuit Multisim Ni multisim live lets you create, share, collaborate, and discover circuits and electronics online with spice simulation included. A rectifier is a circuit that converts the alternating current (ac) input power into a direct current (dc) output power. First place down all your components. Then this type of circuit is called. How do i make and take measurements from a. Half Wave Rectifier Circuit Multisim.
From www.youtube.com
How To Implement Half Wave Rectifier Circuit In Multisim Positive and Half Wave Rectifier Circuit Multisim In this video we are going to talk. Ctrl + w opens up the component window. Then this type of circuit is called. How to simulate half wave rectifier circuit on multisim. To simulate rectifier circuits like half wave and full wave bridge rectifiers with capacitor and without capacitor.for more. A rectifier is a circuit that converts the alternating current. Half Wave Rectifier Circuit Multisim.
From www.circuitdiagram.co
Circuit Diagram Of Single Phase Half Wave Controlled Rectifier Half Wave Rectifier Circuit Multisim First place down all your components. To simulate rectifier circuits like half wave and full wave bridge rectifiers with capacitor and without capacitor.for more. In this video we are going to talk. Resistance(1n4007) pn junction diode ac voltage sources connecting probes ground terminal theory a rectifier is nothing but. How do i make and take measurements from a half wave. Half Wave Rectifier Circuit Multisim.
From www.multisim.com
Full Wave Bridge rectifier circuit Multisim Live Half Wave Rectifier Circuit Multisim Then this type of circuit is called. Ni multisim live lets you create, share, collaborate, and discover circuits and electronics online with spice simulation included. How do i make and take measurements from a half wave rectifier circuit in multisim. Resistance(1n4007) pn junction diode ac voltage sources connecting probes ground terminal theory a rectifier is nothing but. Ctrl + w. Half Wave Rectifier Circuit Multisim.
From scosche-wiring-diagram.blogspot.com
Full Wave Rectifier Circuit Diagram In Multisim How Do I Make A Half Half Wave Rectifier Circuit Multisim Then this type of circuit is called. First place down all your components. A rectifier is a circuit that converts the alternating current (ac) input power into a direct current (dc) output power. Ctrl + w opens up the component window. To simulate rectifier circuits like half wave and full wave bridge rectifiers with capacitor and without capacitor.for more. How. Half Wave Rectifier Circuit Multisim.
From exohhtots.blob.core.windows.net
Full Wave Rectifier Circuit Multisim at Caroline Mendonca blog Half Wave Rectifier Circuit Multisim Resistance(1n4007) pn junction diode ac voltage sources connecting probes ground terminal theory a rectifier is nothing but. How to simulate half wave rectifier circuit on multisim. A rectifier is a circuit that converts the alternating current (ac) input power into a direct current (dc) output power. How do i make and take measurements from a half wave rectifier circuit in. Half Wave Rectifier Circuit Multisim.
From www.chegg.com
Solved In Multisim, construct the halfwave rectifier Half Wave Rectifier Circuit Multisim Then this type of circuit is called. A rectifier is a circuit that converts the alternating current (ac) input power into a direct current (dc) output power. Ni multisim live lets you create, share, collaborate, and discover circuits and electronics online with spice simulation included. First place down all your components. In this video we are going to talk. To. Half Wave Rectifier Circuit Multisim.
From www.multisim.com
half_wave_rectifier Multisim Live Half Wave Rectifier Circuit Multisim To simulate rectifier circuits like half wave and full wave bridge rectifiers with capacitor and without capacitor.for more. First place down all your components. Ni multisim live lets you create, share, collaborate, and discover circuits and electronics online with spice simulation included. Ctrl + w opens up the component window. Resistance(1n4007) pn junction diode ac voltage sources connecting probes ground. Half Wave Rectifier Circuit Multisim.
From www.circuitdiagram.co
Half Bridge Rectifier Circuit Circuit Diagram Half Wave Rectifier Circuit Multisim A rectifier is a circuit that converts the alternating current (ac) input power into a direct current (dc) output power. How do i make and take measurements from a half wave rectifier circuit in multisim. In this video we are going to talk. To simulate rectifier circuits like half wave and full wave bridge rectifiers with capacitor and without capacitor.for. Half Wave Rectifier Circuit Multisim.
From www.multisim.com
SCR halfwave controlled rectifier using equivalent circuit Multisim Live Half Wave Rectifier Circuit Multisim To simulate rectifier circuits like half wave and full wave bridge rectifiers with capacitor and without capacitor.for more. Ctrl + w opens up the component window. Resistance(1n4007) pn junction diode ac voltage sources connecting probes ground terminal theory a rectifier is nothing but. Then this type of circuit is called. How do i make and take measurements from a half. Half Wave Rectifier Circuit Multisim.
From www.multisim.com
Halfwave Rectifier Circuit Multisim Live Half Wave Rectifier Circuit Multisim How do i make and take measurements from a half wave rectifier circuit in multisim. Ctrl + w opens up the component window. First place down all your components. Resistance(1n4007) pn junction diode ac voltage sources connecting probes ground terminal theory a rectifier is nothing but. To simulate rectifier circuits like half wave and full wave bridge rectifiers with capacitor. Half Wave Rectifier Circuit Multisim.
From www.youtube.com
Half wave rectifier circuit simulation on Multisim simulation software Half Wave Rectifier Circuit Multisim Ctrl + w opens up the component window. Then this type of circuit is called. A rectifier is a circuit that converts the alternating current (ac) input power into a direct current (dc) output power. How do i make and take measurements from a half wave rectifier circuit in multisim. In this video we are going to talk. How to. Half Wave Rectifier Circuit Multisim.
From www.multisim.com
HALF WAVE RECTIFIER Multisim Live Half Wave Rectifier Circuit Multisim To simulate rectifier circuits like half wave and full wave bridge rectifiers with capacitor and without capacitor.for more. How do i make and take measurements from a half wave rectifier circuit in multisim. Ctrl + w opens up the component window. How to simulate half wave rectifier circuit on multisim. Then this type of circuit is called. In this video. Half Wave Rectifier Circuit Multisim.
From www.multisim.com
Halfwave Rectifier Circuit Multisim Live Half Wave Rectifier Circuit Multisim How to simulate half wave rectifier circuit on multisim. A rectifier is a circuit that converts the alternating current (ac) input power into a direct current (dc) output power. First place down all your components. Ni multisim live lets you create, share, collaborate, and discover circuits and electronics online with spice simulation included. Ctrl + w opens up the component. Half Wave Rectifier Circuit Multisim.
From www.multisim.com
Halfwave Rectifier Circuit Multisim Live Half Wave Rectifier Circuit Multisim Resistance(1n4007) pn junction diode ac voltage sources connecting probes ground terminal theory a rectifier is nothing but. First place down all your components. Ctrl + w opens up the component window. In this video we are going to talk. A rectifier is a circuit that converts the alternating current (ac) input power into a direct current (dc) output power. How. Half Wave Rectifier Circuit Multisim.
From www.multisim.com
Full Wave Rectifier Multisim Live Half Wave Rectifier Circuit Multisim Then this type of circuit is called. Ni multisim live lets you create, share, collaborate, and discover circuits and electronics online with spice simulation included. First place down all your components. To simulate rectifier circuits like half wave and full wave bridge rectifiers with capacitor and without capacitor.for more. How to simulate half wave rectifier circuit on multisim. A rectifier. Half Wave Rectifier Circuit Multisim.