Labview Adaptive Filter Toolkit . You can use the labview adaptive filter toolkit to design anc. For labview 2022 q3 and newer versions,. You can implement an lms adaptive filter using the labview adaptive filter toolkit. You also can implement an lms adaptive filter using the labview graphical development. To access the adaptive filter toolkit api, you will need to install the labview digital filter toolkit. Labview remains key in test, promising speed, efficiency, and new features with ni’s investment in core tech, community, and.
from dokumen.tips
For labview 2022 q3 and newer versions,. To access the adaptive filter toolkit api, you will need to install the labview digital filter toolkit. You can implement an lms adaptive filter using the labview adaptive filter toolkit. You also can implement an lms adaptive filter using the labview graphical development. Labview remains key in test, promising speed, efficiency, and new features with ni’s investment in core tech, community, and. You can use the labview adaptive filter toolkit to design anc.
(PDF) Getting Started with the NI LabVIEW Digital Filter Design
Labview Adaptive Filter Toolkit You can use the labview adaptive filter toolkit to design anc. You can use the labview adaptive filter toolkit to design anc. For labview 2022 q3 and newer versions,. You can implement an lms adaptive filter using the labview adaptive filter toolkit. To access the adaptive filter toolkit api, you will need to install the labview digital filter toolkit. You also can implement an lms adaptive filter using the labview graphical development. Labview remains key in test, promising speed, efficiency, and new features with ni’s investment in core tech, community, and.
From www.semanticscholar.org
Figure 1 from A Comparative Analysis of Adaptive IIR Filtering Labview Adaptive Filter Toolkit To access the adaptive filter toolkit api, you will need to install the labview digital filter toolkit. For labview 2022 q3 and newer versions,. You can implement an lms adaptive filter using the labview adaptive filter toolkit. You also can implement an lms adaptive filter using the labview graphical development. Labview remains key in test, promising speed, efficiency, and new. Labview Adaptive Filter Toolkit.
From ozlib.com
Моделирование приложений адаптивной фильтрации с помощью Adaptive Labview Adaptive Filter Toolkit You can implement an lms adaptive filter using the labview adaptive filter toolkit. You can use the labview adaptive filter toolkit to design anc. You also can implement an lms adaptive filter using the labview graphical development. To access the adaptive filter toolkit api, you will need to install the labview digital filter toolkit. Labview remains key in test, promising. Labview Adaptive Filter Toolkit.
From ozlib.com
Моделирование приложений адаптивной фильтрации с помощью Adaptive Labview Adaptive Filter Toolkit Labview remains key in test, promising speed, efficiency, and new features with ni’s investment in core tech, community, and. For labview 2022 q3 and newer versions,. You can implement an lms adaptive filter using the labview adaptive filter toolkit. To access the adaptive filter toolkit api, you will need to install the labview digital filter toolkit. You can use the. Labview Adaptive Filter Toolkit.
From ozlib.com
Моделирование приложений адаптивной фильтрации с помощью Adaptive Labview Adaptive Filter Toolkit You also can implement an lms adaptive filter using the labview graphical development. For labview 2022 q3 and newer versions,. To access the adaptive filter toolkit api, you will need to install the labview digital filter toolkit. Labview remains key in test, promising speed, efficiency, and new features with ni’s investment in core tech, community, and. You can use the. Labview Adaptive Filter Toolkit.
From liaspicizma.weebly.com
Signal Processing Zip Build Activation Keygen X64 Utorrent Labview Adaptive Filter Toolkit Labview remains key in test, promising speed, efficiency, and new features with ni’s investment in core tech, community, and. For labview 2022 q3 and newer versions,. To access the adaptive filter toolkit api, you will need to install the labview digital filter toolkit. You can implement an lms adaptive filter using the labview adaptive filter toolkit. You can use the. Labview Adaptive Filter Toolkit.
From www.semanticscholar.org
Figure 3 from Performance Analysis of Basic Adaptive Filter Algorithms Labview Adaptive Filter Toolkit To access the adaptive filter toolkit api, you will need to install the labview digital filter toolkit. Labview remains key in test, promising speed, efficiency, and new features with ni’s investment in core tech, community, and. You can use the labview adaptive filter toolkit to design anc. You also can implement an lms adaptive filter using the labview graphical development.. Labview Adaptive Filter Toolkit.
From www.semanticscholar.org
Figure 4 from Performance Analysis of Basic Adaptive Filter Algorithms Labview Adaptive Filter Toolkit You can use the labview adaptive filter toolkit to design anc. To access the adaptive filter toolkit api, you will need to install the labview digital filter toolkit. You can implement an lms adaptive filter using the labview adaptive filter toolkit. You also can implement an lms adaptive filter using the labview graphical development. For labview 2022 q3 and newer. Labview Adaptive Filter Toolkit.
From dokumen.tips
(PDF) Modulhandbuch Elektrotechnische Systementwicklung Labview Adaptive Filter Toolkit You can use the labview adaptive filter toolkit to design anc. You also can implement an lms adaptive filter using the labview graphical development. For labview 2022 q3 and newer versions,. Labview remains key in test, promising speed, efficiency, and new features with ni’s investment in core tech, community, and. To access the adaptive filter toolkit api, you will need. Labview Adaptive Filter Toolkit.
From dokumen.tips
(PDF) Getting Started with the NI LabVIEW Digital Filter Design Labview Adaptive Filter Toolkit To access the adaptive filter toolkit api, you will need to install the labview digital filter toolkit. You can use the labview adaptive filter toolkit to design anc. For labview 2022 q3 and newer versions,. Labview remains key in test, promising speed, efficiency, and new features with ni’s investment in core tech, community, and. You also can implement an lms. Labview Adaptive Filter Toolkit.
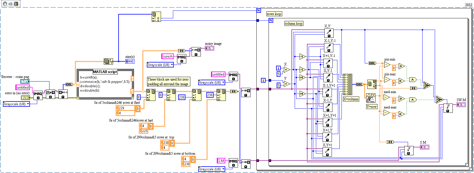
From forums.ni.com
Adaptive Median Filter Using LabVIEW NI Community Labview Adaptive Filter Toolkit You can implement an lms adaptive filter using the labview adaptive filter toolkit. You can use the labview adaptive filter toolkit to design anc. You also can implement an lms adaptive filter using the labview graphical development. For labview 2022 q3 and newer versions,. To access the adaptive filter toolkit api, you will need to install the labview digital filter. Labview Adaptive Filter Toolkit.
From www.academia.edu
(DOC) Least Mean Squares (LMS) Algorithms (Adaptive Filter Toolkit Labview Adaptive Filter Toolkit To access the adaptive filter toolkit api, you will need to install the labview digital filter toolkit. Labview remains key in test, promising speed, efficiency, and new features with ni’s investment in core tech, community, and. You can implement an lms adaptive filter using the labview adaptive filter toolkit. For labview 2022 q3 and newer versions,. You can use the. Labview Adaptive Filter Toolkit.
From www.youtube.com
Digital IIR Filter LabVIEW YouTube Labview Adaptive Filter Toolkit You can implement an lms adaptive filter using the labview adaptive filter toolkit. To access the adaptive filter toolkit api, you will need to install the labview digital filter toolkit. Labview remains key in test, promising speed, efficiency, and new features with ni’s investment in core tech, community, and. You can use the labview adaptive filter toolkit to design anc.. Labview Adaptive Filter Toolkit.
From www.pressebox.de
Neues Toolkit erlaubt interaktives Entwerfen von Digitalfiltern und Labview Adaptive Filter Toolkit You can implement an lms adaptive filter using the labview adaptive filter toolkit. You can use the labview adaptive filter toolkit to design anc. You also can implement an lms adaptive filter using the labview graphical development. Labview remains key in test, promising speed, efficiency, and new features with ni’s investment in core tech, community, and. To access the adaptive. Labview Adaptive Filter Toolkit.
From www.ni.com
Archived Sound and Vibration Toolkit for LabVIEW NXG 2.0 NI Labview Adaptive Filter Toolkit To access the adaptive filter toolkit api, you will need to install the labview digital filter toolkit. Labview remains key in test, promising speed, efficiency, and new features with ni’s investment in core tech, community, and. You can use the labview adaptive filter toolkit to design anc. You can implement an lms adaptive filter using the labview adaptive filter toolkit.. Labview Adaptive Filter Toolkit.
From avxhm.se
NI LabVIEW 2018 Digital Filter Design Toolkit / AvaxHome Labview Adaptive Filter Toolkit You also can implement an lms adaptive filter using the labview graphical development. You can implement an lms adaptive filter using the labview adaptive filter toolkit. Labview remains key in test, promising speed, efficiency, and new features with ni’s investment in core tech, community, and. To access the adaptive filter toolkit api, you will need to install the labview digital. Labview Adaptive Filter Toolkit.
From ozlib.com
Моделирование приложений адаптивной фильтрации с помощью Adaptive Labview Adaptive Filter Toolkit To access the adaptive filter toolkit api, you will need to install the labview digital filter toolkit. You can use the labview adaptive filter toolkit to design anc. You also can implement an lms adaptive filter using the labview graphical development. Labview remains key in test, promising speed, efficiency, and new features with ni’s investment in core tech, community, and.. Labview Adaptive Filter Toolkit.
From forums.ni.com
Solved How to install Adaptive Filter Toolkit on myRIO 1900 RT Target Labview Adaptive Filter Toolkit Labview remains key in test, promising speed, efficiency, and new features with ni’s investment in core tech, community, and. You can use the labview adaptive filter toolkit to design anc. You also can implement an lms adaptive filter using the labview graphical development. You can implement an lms adaptive filter using the labview adaptive filter toolkit. For labview 2022 q3. Labview Adaptive Filter Toolkit.
From www.researchgate.net
LabView implementation of Kalman filter. Download Scientific Diagram Labview Adaptive Filter Toolkit For labview 2022 q3 and newer versions,. To access the adaptive filter toolkit api, you will need to install the labview digital filter toolkit. You can use the labview adaptive filter toolkit to design anc. You also can implement an lms adaptive filter using the labview graphical development. You can implement an lms adaptive filter using the labview adaptive filter. Labview Adaptive Filter Toolkit.
From www.semanticscholar.org
Figure 1 from Adaptive noise cancellation using LabVIEW Semantic Scholar Labview Adaptive Filter Toolkit You can use the labview adaptive filter toolkit to design anc. Labview remains key in test, promising speed, efficiency, and new features with ni’s investment in core tech, community, and. To access the adaptive filter toolkit api, you will need to install the labview digital filter toolkit. You also can implement an lms adaptive filter using the labview graphical development.. Labview Adaptive Filter Toolkit.
From ozlib.com
Моделирование приложений адаптивной фильтрации с помощью Adaptive Labview Adaptive Filter Toolkit To access the adaptive filter toolkit api, you will need to install the labview digital filter toolkit. For labview 2022 q3 and newer versions,. You also can implement an lms adaptive filter using the labview graphical development. Labview remains key in test, promising speed, efficiency, and new features with ni’s investment in core tech, community, and. You can use the. Labview Adaptive Filter Toolkit.
From www.semanticscholar.org
Figure 1 from A Comparative Analysis of Adaptive IIR Filtering Labview Adaptive Filter Toolkit You also can implement an lms adaptive filter using the labview graphical development. You can implement an lms adaptive filter using the labview adaptive filter toolkit. You can use the labview adaptive filter toolkit to design anc. For labview 2022 q3 and newer versions,. Labview remains key in test, promising speed, efficiency, and new features with ni’s investment in core. Labview Adaptive Filter Toolkit.
From ozlib.com
Моделирование приложений адаптивной фильтрации с помощью Adaptive Labview Adaptive Filter Toolkit You can implement an lms adaptive filter using the labview adaptive filter toolkit. For labview 2022 q3 and newer versions,. Labview remains key in test, promising speed, efficiency, and new features with ni’s investment in core tech, community, and. You also can implement an lms adaptive filter using the labview graphical development. To access the adaptive filter toolkit api, you. Labview Adaptive Filter Toolkit.
From www.semanticscholar.org
Figure 1 from A Comparative Analysis of Adaptive IIR Filtering Labview Adaptive Filter Toolkit You can use the labview adaptive filter toolkit to design anc. To access the adaptive filter toolkit api, you will need to install the labview digital filter toolkit. You can implement an lms adaptive filter using the labview adaptive filter toolkit. For labview 2022 q3 and newer versions,. Labview remains key in test, promising speed, efficiency, and new features with. Labview Adaptive Filter Toolkit.
From liaspicizma.weebly.com
Signal Processing Zip Build Activation Keygen X64 Utorrent Labview Adaptive Filter Toolkit You can use the labview adaptive filter toolkit to design anc. You can implement an lms adaptive filter using the labview adaptive filter toolkit. For labview 2022 q3 and newer versions,. Labview remains key in test, promising speed, efficiency, and new features with ni’s investment in core tech, community, and. You also can implement an lms adaptive filter using the. Labview Adaptive Filter Toolkit.
From forums.ni.com
Solved How to install Adaptive Filter Toolkit on myRIO 1900 RT Target Labview Adaptive Filter Toolkit For labview 2022 q3 and newer versions,. You also can implement an lms adaptive filter using the labview graphical development. To access the adaptive filter toolkit api, you will need to install the labview digital filter toolkit. You can implement an lms adaptive filter using the labview adaptive filter toolkit. You can use the labview adaptive filter toolkit to design. Labview Adaptive Filter Toolkit.
From www.semanticscholar.org
Figure 1 from A Comparative Analysis of Adaptive IIR Filtering Labview Adaptive Filter Toolkit To access the adaptive filter toolkit api, you will need to install the labview digital filter toolkit. Labview remains key in test, promising speed, efficiency, and new features with ni’s investment in core tech, community, and. You can implement an lms adaptive filter using the labview adaptive filter toolkit. For labview 2022 q3 and newer versions,. You also can implement. Labview Adaptive Filter Toolkit.
From tunersread.com
LabVIEW Labview Adaptive Filter Toolkit To access the adaptive filter toolkit api, you will need to install the labview digital filter toolkit. You can use the labview adaptive filter toolkit to design anc. Labview remains key in test, promising speed, efficiency, and new features with ni’s investment in core tech, community, and. You can implement an lms adaptive filter using the labview adaptive filter toolkit.. Labview Adaptive Filter Toolkit.
From www.semanticscholar.org
Figure 1 from A Comparative Analysis of Adaptive IIR Filtering Labview Adaptive Filter Toolkit You can use the labview adaptive filter toolkit to design anc. You also can implement an lms adaptive filter using the labview graphical development. Labview remains key in test, promising speed, efficiency, and new features with ni’s investment in core tech, community, and. You can implement an lms adaptive filter using the labview adaptive filter toolkit. To access the adaptive. Labview Adaptive Filter Toolkit.
From dokumen.tips
(PDF) Labview Digital Filter Design Toolkit Reference Manual Labview Adaptive Filter Toolkit You also can implement an lms adaptive filter using the labview graphical development. For labview 2022 q3 and newer versions,. You can implement an lms adaptive filter using the labview adaptive filter toolkit. Labview remains key in test, promising speed, efficiency, and new features with ni’s investment in core tech, community, and. You can use the labview adaptive filter toolkit. Labview Adaptive Filter Toolkit.
From avxhm.se
LabVIEW 2017 Analytics and Machine Learning Toolkit / AvaxHome Labview Adaptive Filter Toolkit You can use the labview adaptive filter toolkit to design anc. Labview remains key in test, promising speed, efficiency, and new features with ni’s investment in core tech, community, and. For labview 2022 q3 and newer versions,. To access the adaptive filter toolkit api, you will need to install the labview digital filter toolkit. You can implement an lms adaptive. Labview Adaptive Filter Toolkit.
From ozlib.com
Моделирование приложений адаптивной фильтрации с помощью Adaptive Labview Adaptive Filter Toolkit You can use the labview adaptive filter toolkit to design anc. You also can implement an lms adaptive filter using the labview graphical development. To access the adaptive filter toolkit api, you will need to install the labview digital filter toolkit. Labview remains key in test, promising speed, efficiency, and new features with ni’s investment in core tech, community, and.. Labview Adaptive Filter Toolkit.
From www.techsquare.co.th
LabVIEW Advanced Signal Processing Toolkit บริษัท เทคสแควร์ จำกัด Labview Adaptive Filter Toolkit You can use the labview adaptive filter toolkit to design anc. For labview 2022 q3 and newer versions,. You also can implement an lms adaptive filter using the labview graphical development. You can implement an lms adaptive filter using the labview adaptive filter toolkit. To access the adaptive filter toolkit api, you will need to install the labview digital filter. Labview Adaptive Filter Toolkit.
From forums.ni.com
Solved How to install Adaptive Filter Toolkit on myRIO 1900 RT Target Labview Adaptive Filter Toolkit To access the adaptive filter toolkit api, you will need to install the labview digital filter toolkit. For labview 2022 q3 and newer versions,. You can implement an lms adaptive filter using the labview adaptive filter toolkit. Labview remains key in test, promising speed, efficiency, and new features with ni’s investment in core tech, community, and. You also can implement. Labview Adaptive Filter Toolkit.
From dokumen.tips
(PDF) LabVIEW Digital Filter Design Toolkit User Manual National Labview Adaptive Filter Toolkit You also can implement an lms adaptive filter using the labview graphical development. To access the adaptive filter toolkit api, you will need to install the labview digital filter toolkit. You can implement an lms adaptive filter using the labview adaptive filter toolkit. Labview remains key in test, promising speed, efficiency, and new features with ni’s investment in core tech,. Labview Adaptive Filter Toolkit.
From www.semanticscholar.org
Figure 1 from A Comparative Analysis of Adaptive IIR Filtering Labview Adaptive Filter Toolkit You can use the labview adaptive filter toolkit to design anc. You can implement an lms adaptive filter using the labview adaptive filter toolkit. To access the adaptive filter toolkit api, you will need to install the labview digital filter toolkit. For labview 2022 q3 and newer versions,. Labview remains key in test, promising speed, efficiency, and new features with. Labview Adaptive Filter Toolkit.