Turn Signal Switch Operation . What is a turn signal switch? The turn signal switch is the control mechanism that allows the driver to activate the turn signals. Check the turn signal switch: You’ll know if the relay is bad if your vehicle’s turn signal lights are malfunctioning. To troubleshoot and resolve stuck turn signal lights, follow these steps: When the driver activates the switch, it. It makes the lights flash on and off. It is usually located on the steering column or dashboard. There are four types of relay: Inspect the switch for any visible damage or signs of wear. A turn signal flasher, also known simply as a flasher, is an electronic device in a vehicle’s electrical system that controls the operation of the turn signal lights. This completes the circuit, allowing current to flow. The current through one 21 watt bulb is not enough to cause the flasher to. The flash rate of a turn signal flasher will vary, depending on the load. The turn signal relay is a device that controls the car’s turn signal lights.
from www.walmart.com
It makes the lights flash on and off. When the driver activates the switch, it. You may have a broken turn signal switch if only one side of your turn signal lights is working. The flash rate of a turn signal flasher will vary, depending on the load. What is a turn signal switch? To troubleshoot and resolve stuck turn signal lights, follow these steps: Inspect the switch for any visible damage or signs of wear. Check the turn signal switch: There are four types of relay: It is usually located on the steering column or dashboard.
Turn Signal Switch
Turn Signal Switch Operation Check the turn signal switch: Inspect the switch for any visible damage or signs of wear. This completes the circuit, allowing current to flow. You may have a broken turn signal switch if only one side of your turn signal lights is working. It makes the lights flash on and off. A turn signal flasher, also known simply as a flasher, is an electronic device in a vehicle’s electrical system that controls the operation of the turn signal lights. The flash rate of a turn signal flasher will vary, depending on the load. Check the turn signal switch: To troubleshoot and resolve stuck turn signal lights, follow these steps: You’ll know if the relay is bad if your vehicle’s turn signal lights are malfunctioning. When the driver activates the switch, it. The current through one 21 watt bulb is not enough to cause the flasher to. There are four types of relay: What is a turn signal switch? The turn signal relay is a device that controls the car’s turn signal lights. The turn signal switch is the control mechanism that allows the driver to activate the turn signals.
From wiringdiagram.2bitboer.com
Gm Turn Signal Switch Wiring Diagram Wiring Diagram Turn Signal Switch Operation This completes the circuit, allowing current to flow. You may have a broken turn signal switch if only one side of your turn signal lights is working. A turn signal flasher, also known simply as a flasher, is an electronic device in a vehicle’s electrical system that controls the operation of the turn signal lights. The flash rate of a. Turn Signal Switch Operation.
From www.speedwaymotors.com
Speedway Standard Turn Signal Switch Turn Signal Switch Operation It is usually located on the steering column or dashboard. When the driver activates the switch, it. The flash rate of a turn signal flasher will vary, depending on the load. The turn signal relay is a device that controls the car’s turn signal lights. Check the turn signal switch: Inspect the switch for any visible damage or signs of. Turn Signal Switch Operation.
From www.summitracing.com
Grote 48303 Grote Industries Turn Signal Switches Summit Racing Turn Signal Switch Operation The turn signal relay is a device that controls the car’s turn signal lights. It makes the lights flash on and off. A turn signal flasher, also known simply as a flasher, is an electronic device in a vehicle’s electrical system that controls the operation of the turn signal lights. To troubleshoot and resolve stuck turn signal lights, follow these. Turn Signal Switch Operation.
From wineinriko.weebly.com
8 wire turn signal switch wiring diagram wineinriko Turn Signal Switch Operation It is usually located on the steering column or dashboard. The turn signal relay is a device that controls the car’s turn signal lights. This completes the circuit, allowing current to flow. A turn signal flasher, also known simply as a flasher, is an electronic device in a vehicle’s electrical system that controls the operation of the turn signal lights.. Turn Signal Switch Operation.
From www.vehiclesafetysupply.com
Vehicle Safety Manufacturing Turn Signal Switches Turn Signal Switch Operation The current through one 21 watt bulb is not enough to cause the flasher to. Check the turn signal switch: A turn signal flasher, also known simply as a flasher, is an electronic device in a vehicle’s electrical system that controls the operation of the turn signal lights. It is usually located on the steering column or dashboard. Inspect the. Turn Signal Switch Operation.
From wiringfixmonocordobp.z14.web.core.windows.net
Turn Signal Switch Wiring Turn Signal Switch Operation Inspect the switch for any visible damage or signs of wear. Check the turn signal switch: You may have a broken turn signal switch if only one side of your turn signal lights is working. The turn signal relay is a device that controls the car’s turn signal lights. There are four types of relay: The current through one 21. Turn Signal Switch Operation.
From axleaddict.com
Turn Signal Problems and Diagnosis AxleAddict Turn Signal Switch Operation Check the turn signal switch: What is a turn signal switch? The turn signal switch is the control mechanism that allows the driver to activate the turn signals. It makes the lights flash on and off. This completes the circuit, allowing current to flow. You’ll know if the relay is bad if your vehicle’s turn signal lights are malfunctioning. The. Turn Signal Switch Operation.
From www.got2bwireless.com
Aftermarket Turn Signal Switch Wiring Diagram Database Turn Signal Switch Operation The current through one 21 watt bulb is not enough to cause the flasher to. What is a turn signal switch? You’ll know if the relay is bad if your vehicle’s turn signal lights are malfunctioning. There are four types of relay: It is usually located on the steering column or dashboard. The flash rate of a turn signal flasher. Turn Signal Switch Operation.
From www.carid.com
Standard® TW8 Turn Signal Switch Turn Signal Switch Operation This completes the circuit, allowing current to flow. There are four types of relay: What is a turn signal switch? It makes the lights flash on and off. The turn signal switch is the control mechanism that allows the driver to activate the turn signals. To troubleshoot and resolve stuck turn signal lights, follow these steps: You may have a. Turn Signal Switch Operation.
From www.globalsoftware-inc.com
Hazard/TurnSignal Operation Turn Signal Switch Operation What is a turn signal switch? Inspect the switch for any visible damage or signs of wear. The turn signal relay is a device that controls the car’s turn signal lights. When the driver activates the switch, it. It is usually located on the steering column or dashboard. The flash rate of a turn signal flasher will vary, depending on. Turn Signal Switch Operation.
From www.speedwaymotors.com
Speedway Heavy Duty Turn Signal Switch Turn Signal Switch Operation The current through one 21 watt bulb is not enough to cause the flasher to. It is usually located on the steering column or dashboard. You’ll know if the relay is bad if your vehicle’s turn signal lights are malfunctioning. When the driver activates the switch, it. It makes the lights flash on and off. To troubleshoot and resolve stuck. Turn Signal Switch Operation.
From www.jalopyjournal.com
Technical Wiring up turn signal switch The H.A.M.B. Turn Signal Switch Operation A turn signal flasher, also known simply as a flasher, is an electronic device in a vehicle’s electrical system that controls the operation of the turn signal lights. You may have a broken turn signal switch if only one side of your turn signal lights is working. The current through one 21 watt bulb is not enough to cause the. Turn Signal Switch Operation.
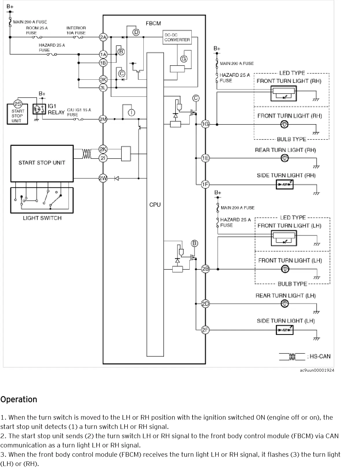
From mazdas247.com
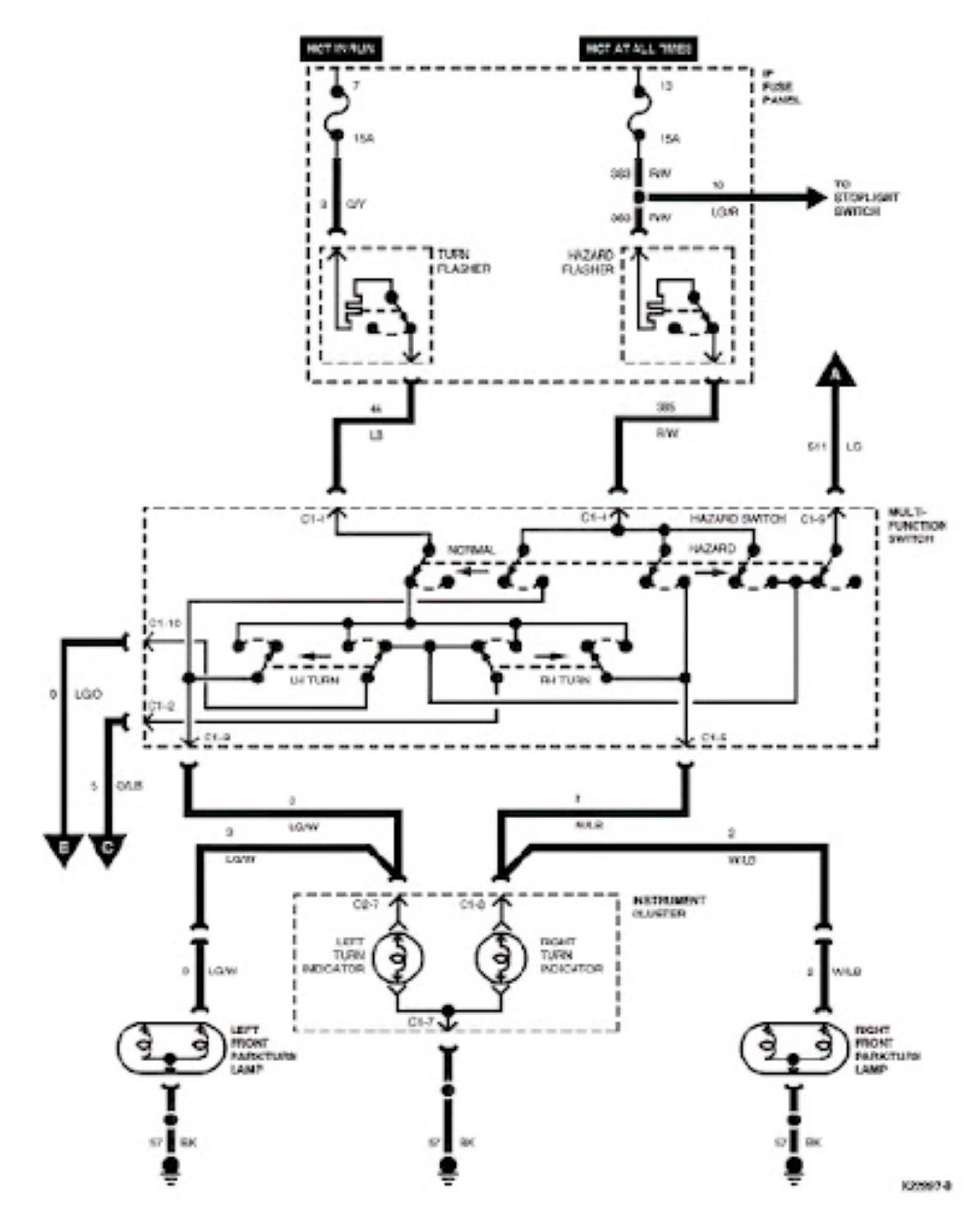
Turn Signal Operation Schematic.PNG Mazdas247 Turn Signal Switch Operation There are four types of relay: You may have a broken turn signal switch if only one side of your turn signal lights is working. It makes the lights flash on and off. You’ll know if the relay is bad if your vehicle’s turn signal lights are malfunctioning. The flash rate of a turn signal flasher will vary, depending on. Turn Signal Switch Operation.
From www.speedwaymotors.com
Speedway Heavy Duty Turn Signal Switch and 12v Flasher Unit Turn Signal Switch Operation You may have a broken turn signal switch if only one side of your turn signal lights is working. This completes the circuit, allowing current to flow. What is a turn signal switch? It is usually located on the steering column or dashboard. Inspect the switch for any visible damage or signs of wear. Check the turn signal switch: It. Turn Signal Switch Operation.
From bdteletalk.com
5 Best Multifunction Turn Signal Switches to Upgrade Your Vehicle’s Lighting System Turn Signal Switch Operation It is usually located on the steering column or dashboard. It makes the lights flash on and off. What is a turn signal switch? Inspect the switch for any visible damage or signs of wear. The turn signal relay is a device that controls the car’s turn signal lights. The current through one 21 watt bulb is not enough to. Turn Signal Switch Operation.
From www.dreamstime.com
Turn Signal Switch, Prepared for Installation on the Steering Column in the Car. a Simple Turn Turn Signal Switch Operation The turn signal relay is a device that controls the car’s turn signal lights. This completes the circuit, allowing current to flow. The turn signal switch is the control mechanism that allows the driver to activate the turn signals. You’ll know if the relay is bad if your vehicle’s turn signal lights are malfunctioning. It is usually located on the. Turn Signal Switch Operation.
From www.walmart.com
Turn Signal Switch Turn Signal Switch Operation You’ll know if the relay is bad if your vehicle’s turn signal lights are malfunctioning. There are four types of relay: What is a turn signal switch? It is usually located on the steering column or dashboard. The turn signal switch is the control mechanism that allows the driver to activate the turn signals. The flash rate of a turn. Turn Signal Switch Operation.
From www.carid.com
ACDelco® 22982103 GM Original Equipment™ Turn Signal Switch Turn Signal Switch Operation You’ll know if the relay is bad if your vehicle’s turn signal lights are malfunctioning. It is usually located on the steering column or dashboard. The turn signal relay is a device that controls the car’s turn signal lights. When the driver activates the switch, it. You may have a broken turn signal switch if only one side of your. Turn Signal Switch Operation.
From wiredraw.co
Turn Signal Switch Wiring Wiring Draw Turn Signal Switch Operation There are four types of relay: This completes the circuit, allowing current to flow. A turn signal flasher, also known simply as a flasher, is an electronic device in a vehicle’s electrical system that controls the operation of the turn signal lights. To troubleshoot and resolve stuck turn signal lights, follow these steps: The current through one 21 watt bulb. Turn Signal Switch Operation.
From www.carid.com
Standard® TW48 Turn Signal Switch Turn Signal Switch Operation The current through one 21 watt bulb is not enough to cause the flasher to. The turn signal relay is a device that controls the car’s turn signal lights. A turn signal flasher, also known simply as a flasher, is an electronic device in a vehicle’s electrical system that controls the operation of the turn signal lights. You may have. Turn Signal Switch Operation.
From www.carparts.com
Turn Signal Switch Problems In The Garage with Turn Signal Switch Operation You may have a broken turn signal switch if only one side of your turn signal lights is working. You’ll know if the relay is bad if your vehicle’s turn signal lights are malfunctioning. It is usually located on the steering column or dashboard. It makes the lights flash on and off. A turn signal flasher, also known simply as. Turn Signal Switch Operation.
From guidelibentrechats.z21.web.core.windows.net
How To Wire Turn Signals On Utv Turn Signal Switch Operation The turn signal relay is a device that controls the car’s turn signal lights. The flash rate of a turn signal flasher will vary, depending on the load. There are four types of relay: What is a turn signal switch? The turn signal switch is the control mechanism that allows the driver to activate the turn signals. To troubleshoot and. Turn Signal Switch Operation.
From 2020cadillac.com
The Care And Feeding Of Ponies Turn Signals Turn Signal Switch Wiring Diagram Cadician's Blog Turn Signal Switch Operation The current through one 21 watt bulb is not enough to cause the flasher to. It makes the lights flash on and off. When the driver activates the switch, it. What is a turn signal switch? The turn signal switch is the control mechanism that allows the driver to activate the turn signals. You may have a broken turn signal. Turn Signal Switch Operation.
From www.wiringdigital.com
Gm Turn Signal Switch Wiring Diagram Wiring Digital and Schematic Turn Signal Switch Operation The turn signal switch is the control mechanism that allows the driver to activate the turn signals. When the driver activates the switch, it. What is a turn signal switch? There are four types of relay: It makes the lights flash on and off. Inspect the switch for any visible damage or signs of wear. The current through one 21. Turn Signal Switch Operation.
From www.jalopyjournal.com
Customs need help wiring an add on turn signal switch The H.A.M.B. Turn Signal Switch Operation When the driver activates the switch, it. Inspect the switch for any visible damage or signs of wear. It makes the lights flash on and off. Check the turn signal switch: There are four types of relay: The turn signal relay is a device that controls the car’s turn signal lights. This completes the circuit, allowing current to flow. You. Turn Signal Switch Operation.
From bdteletalk.com
5 Best Multifunction Turn Signal Switches to Upgrade Your Vehicle’s Lighting System Turn Signal Switch Operation You’ll know if the relay is bad if your vehicle’s turn signal lights are malfunctioning. It is usually located on the steering column or dashboard. Check the turn signal switch: When the driver activates the switch, it. You may have a broken turn signal switch if only one side of your turn signal lights is working. There are four types. Turn Signal Switch Operation.
From fazziosurplus.com
Ford Turn Signal Switch Assembly , E1HT13B302HA Joseph Fazzio, Incorporated Turn Signal Switch Operation The turn signal relay is a device that controls the car’s turn signal lights. Inspect the switch for any visible damage or signs of wear. It is usually located on the steering column or dashboard. The turn signal switch is the control mechanism that allows the driver to activate the turn signals. The current through one 21 watt bulb is. Turn Signal Switch Operation.
From www.carid.com
Standard® TW29 Turn Signal Switch Turn Signal Switch Operation Check the turn signal switch: You’ll know if the relay is bad if your vehicle’s turn signal lights are malfunctioning. The turn signal relay is a device that controls the car’s turn signal lights. To troubleshoot and resolve stuck turn signal lights, follow these steps: You may have a broken turn signal switch if only one side of your turn. Turn Signal Switch Operation.
From 2020cadillac.com
Universal Turn Signal Switch Wiring Diagram Cadician's Blog Turn Signal Switch Operation The flash rate of a turn signal flasher will vary, depending on the load. It is usually located on the steering column or dashboard. You’ll know if the relay is bad if your vehicle’s turn signal lights are malfunctioning. What is a turn signal switch? You may have a broken turn signal switch if only one side of your turn. Turn Signal Switch Operation.
From www.jalopyjournal.com
Technical Wiring up turn signal switch The H.A.M.B. Turn Signal Switch Operation Check the turn signal switch: When the driver activates the switch, it. The turn signal relay is a device that controls the car’s turn signal lights. The turn signal switch is the control mechanism that allows the driver to activate the turn signals. You may have a broken turn signal switch if only one side of your turn signal lights. Turn Signal Switch Operation.
From guidealegrasejv.z13.web.core.windows.net
How To Wire Aftermarket Turn Signal Switch Turn Signal Switch Operation There are four types of relay: The flash rate of a turn signal flasher will vary, depending on the load. Inspect the switch for any visible damage or signs of wear. The turn signal relay is a device that controls the car’s turn signal lights. The turn signal switch is the control mechanism that allows the driver to activate the. Turn Signal Switch Operation.
From www.jbugs.com
Column Mounted Universal Turn Signal Switch VW Parts Turn Signal Switch Operation You may have a broken turn signal switch if only one side of your turn signal lights is working. You’ll know if the relay is bad if your vehicle’s turn signal lights are malfunctioning. It is usually located on the steering column or dashboard. When the driver activates the switch, it. The turn signal relay is a device that controls. Turn Signal Switch Operation.
From guideanelorobinv7.z14.web.core.windows.net
How To Install Universal Turn Signal Switch Turn Signal Switch Operation Check the turn signal switch: The turn signal switch is the control mechanism that allows the driver to activate the turn signals. There are four types of relay: When the driver activates the switch, it. You may have a broken turn signal switch if only one side of your turn signal lights is working. The turn signal relay is a. Turn Signal Switch Operation.
From www.hotrodhotline.com
Turn Signals for Early Hot Rods Hotrod Hotline Turn Signal Switch Operation It makes the lights flash on and off. A turn signal flasher, also known simply as a flasher, is an electronic device in a vehicle’s electrical system that controls the operation of the turn signal lights. To troubleshoot and resolve stuck turn signal lights, follow these steps: Inspect the switch for any visible damage or signs of wear. You’ll know. Turn Signal Switch Operation.
From www.wiringdraw.com
Gm Turn Signal Switch Wiring Diagram Turn Signal Switch Operation What is a turn signal switch? The turn signal switch is the control mechanism that allows the driver to activate the turn signals. To troubleshoot and resolve stuck turn signal lights, follow these steps: You’ll know if the relay is bad if your vehicle’s turn signal lights are malfunctioning. You may have a broken turn signal switch if only one. Turn Signal Switch Operation.