Craftsman Air Compressor Replacement Pump . Easily filter our craftsman air compressor to find the exact replacement you. How to rebuild an air compressor pump. If the air compressor won't fill the tank with compressed air, rebuild the pump using these steps in about. How do i fix a craftsman air compressor that is producing less air pressure than usual? Its primary purpose is to control. Sourced directly from the manufacturer, this part is an exact replacement for various air compressors. This could be due to a clogged air filter, a faulty check valve, or a damaged piston. Shop for genuine craftsman air compressor from top manufacturers. Shop for repair and replacement parts for your sears craftsman air compressor pump. Shop craftsman air compressor parts for pressure switches, air regulators, compressor pumps, parts, filters, safety valves, drain valves and.
from www.searspartsdirect.com
How do i fix a craftsman air compressor that is producing less air pressure than usual? Shop for repair and replacement parts for your sears craftsman air compressor pump. How to rebuild an air compressor pump. Sourced directly from the manufacturer, this part is an exact replacement for various air compressors. If the air compressor won't fill the tank with compressed air, rebuild the pump using these steps in about. Its primary purpose is to control. Easily filter our craftsman air compressor to find the exact replacement you. This could be due to a clogged air filter, a faulty check valve, or a damaged piston. Shop craftsman air compressor parts for pressure switches, air regulators, compressor pumps, parts, filters, safety valves, drain valves and. Shop for genuine craftsman air compressor from top manufacturers.
Official Craftsman air compressor parts Sears PartsDirect
Craftsman Air Compressor Replacement Pump Sourced directly from the manufacturer, this part is an exact replacement for various air compressors. If the air compressor won't fill the tank with compressed air, rebuild the pump using these steps in about. Easily filter our craftsman air compressor to find the exact replacement you. Its primary purpose is to control. Sourced directly from the manufacturer, this part is an exact replacement for various air compressors. This could be due to a clogged air filter, a faulty check valve, or a damaged piston. Shop for repair and replacement parts for your sears craftsman air compressor pump. Shop for genuine craftsman air compressor from top manufacturers. How do i fix a craftsman air compressor that is producing less air pressure than usual? How to rebuild an air compressor pump. Shop craftsman air compressor parts for pressure switches, air regulators, compressor pumps, parts, filters, safety valves, drain valves and.
From www.americanfreight.com
Craftsman 16724 15 gal. Air Compressor, 1.5 hp UMC, Horizontal Tank Craftsman Air Compressor Replacement Pump Easily filter our craftsman air compressor to find the exact replacement you. How to rebuild an air compressor pump. This could be due to a clogged air filter, a faulty check valve, or a damaged piston. Shop for genuine craftsman air compressor from top manufacturers. Shop for repair and replacement parts for your sears craftsman air compressor pump. Its primary. Craftsman Air Compressor Replacement Pump.
From www.youtube.com
Craftsman Air Compressor Repair How to Replace a Pump Isolator YouTube Craftsman Air Compressor Replacement Pump How to rebuild an air compressor pump. Shop for genuine craftsman air compressor from top manufacturers. Easily filter our craftsman air compressor to find the exact replacement you. How do i fix a craftsman air compressor that is producing less air pressure than usual? Sourced directly from the manufacturer, this part is an exact replacement for various air compressors. Shop. Craftsman Air Compressor Replacement Pump.
From www.walmart.com
Craftsman Inflator C3 19.2Volt Cordless Portable Tire Pump Air Craftsman Air Compressor Replacement Pump Shop for repair and replacement parts for your sears craftsman air compressor pump. Easily filter our craftsman air compressor to find the exact replacement you. This could be due to a clogged air filter, a faulty check valve, or a damaged piston. Its primary purpose is to control. How to rebuild an air compressor pump. Shop craftsman air compressor parts. Craftsman Air Compressor Replacement Pump.
From www.pinterest.ca
Craftsman Air Compressor Parts Diagram Craftsman air compressor, Air Craftsman Air Compressor Replacement Pump Its primary purpose is to control. Shop for repair and replacement parts for your sears craftsman air compressor pump. How do i fix a craftsman air compressor that is producing less air pressure than usual? Sourced directly from the manufacturer, this part is an exact replacement for various air compressors. Shop craftsman air compressor parts for pressure switches, air regulators,. Craftsman Air Compressor Replacement Pump.
From www.sears.com
Craftsman 30 gal. Air Compressor, 6 hp, Vertical Tank, Oil Free Pump Craftsman Air Compressor Replacement Pump Shop craftsman air compressor parts for pressure switches, air regulators, compressor pumps, parts, filters, safety valves, drain valves and. If the air compressor won't fill the tank with compressed air, rebuild the pump using these steps in about. Sourced directly from the manufacturer, this part is an exact replacement for various air compressors. Shop for genuine craftsman air compressor from. Craftsman Air Compressor Replacement Pump.
From www.youtube.com
CRAFTSMAN Oil Free Air Compressor Repair / Rebuild YouTube Craftsman Air Compressor Replacement Pump Shop for genuine craftsman air compressor from top manufacturers. Shop craftsman air compressor parts for pressure switches, air regulators, compressor pumps, parts, filters, safety valves, drain valves and. Its primary purpose is to control. How to rebuild an air compressor pump. This could be due to a clogged air filter, a faulty check valve, or a damaged piston. Sourced directly. Craftsman Air Compressor Replacement Pump.
From www.searspartsdirect.com
Air Compressor Pump Assembly 0400348 parts Sears PartsDirect Craftsman Air Compressor Replacement Pump Sourced directly from the manufacturer, this part is an exact replacement for various air compressors. Shop for repair and replacement parts for your sears craftsman air compressor pump. Shop for genuine craftsman air compressor from top manufacturers. If the air compressor won't fill the tank with compressed air, rebuild the pump using these steps in about. How to rebuild an. Craftsman Air Compressor Replacement Pump.
From www.kmart.com
Craftsman 20 Gallon1.5 HP Vertical Air Compressor 150 Max PSI Craftsman Air Compressor Replacement Pump How do i fix a craftsman air compressor that is producing less air pressure than usual? This could be due to a clogged air filter, a faulty check valve, or a damaged piston. Its primary purpose is to control. Easily filter our craftsman air compressor to find the exact replacement you. Shop craftsman air compressor parts for pressure switches, air. Craftsman Air Compressor Replacement Pump.
From reviewmotors.co
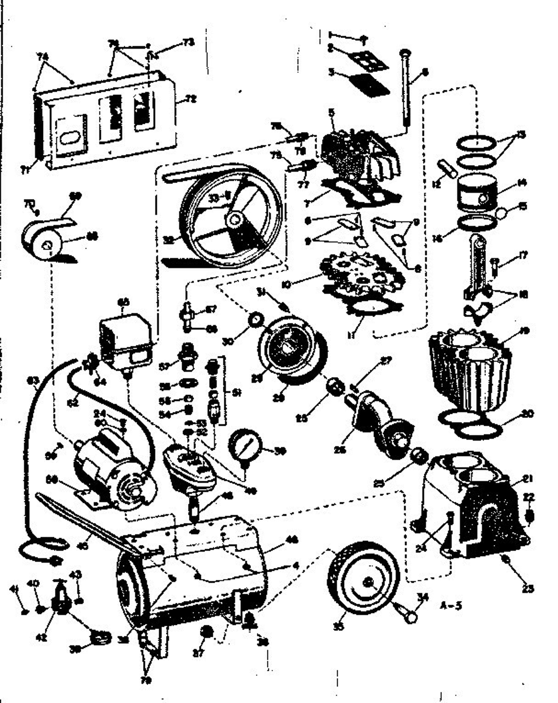
Parts For Old Craftsman Air Compressor Reviewmotors.co Craftsman Air Compressor Replacement Pump Sourced directly from the manufacturer, this part is an exact replacement for various air compressors. Shop for repair and replacement parts for your sears craftsman air compressor pump. How to rebuild an air compressor pump. How do i fix a craftsman air compressor that is producing less air pressure than usual? This could be due to a clogged air filter,. Craftsman Air Compressor Replacement Pump.
From reviewmotors.co
Replacement Parts Craftsman Air Compressor Reviewmotors.co Craftsman Air Compressor Replacement Pump If the air compressor won't fill the tank with compressed air, rebuild the pump using these steps in about. Shop for genuine craftsman air compressor from top manufacturers. Shop for repair and replacement parts for your sears craftsman air compressor pump. Shop craftsman air compressor parts for pressure switches, air regulators, compressor pumps, parts, filters, safety valves, drain valves and.. Craftsman Air Compressor Replacement Pump.
From www.searspartsdirect.com
Air Compressor Pump Assembly N087118SV parts Sears PartsDirect Craftsman Air Compressor Replacement Pump This could be due to a clogged air filter, a faulty check valve, or a damaged piston. Its primary purpose is to control. How do i fix a craftsman air compressor that is producing less air pressure than usual? Shop craftsman air compressor parts for pressure switches, air regulators, compressor pumps, parts, filters, safety valves, drain valves and. How to. Craftsman Air Compressor Replacement Pump.
From techdiagrammer.com
The Ultimate Guide to Understanding Craftsman Compressor Parts Diagram Craftsman Air Compressor Replacement Pump Shop craftsman air compressor parts for pressure switches, air regulators, compressor pumps, parts, filters, safety valves, drain valves and. Shop for repair and replacement parts for your sears craftsman air compressor pump. Its primary purpose is to control. If the air compressor won't fill the tank with compressed air, rebuild the pump using these steps in about. How do i. Craftsman Air Compressor Replacement Pump.
From mastertoolrepair.com
Craftsman Air Compressor Replacement Pumps Craftsman Air Compressor Replacement Pump Its primary purpose is to control. How do i fix a craftsman air compressor that is producing less air pressure than usual? If the air compressor won't fill the tank with compressed air, rebuild the pump using these steps in about. Shop for genuine craftsman air compressor from top manufacturers. Easily filter our craftsman air compressor to find the exact. Craftsman Air Compressor Replacement Pump.
From www.youtube.com
Sears Craftsman Air Compressor Repair Leaky Regulator Control YouTube Craftsman Air Compressor Replacement Pump This could be due to a clogged air filter, a faulty check valve, or a damaged piston. Easily filter our craftsman air compressor to find the exact replacement you. Shop craftsman air compressor parts for pressure switches, air regulators, compressor pumps, parts, filters, safety valves, drain valves and. Shop for repair and replacement parts for your sears craftsman air compressor. Craftsman Air Compressor Replacement Pump.
From reviewmotors.co
Replacement Parts Craftsman Air Compressor Reviewmotors.co Craftsman Air Compressor Replacement Pump Shop craftsman air compressor parts for pressure switches, air regulators, compressor pumps, parts, filters, safety valves, drain valves and. Sourced directly from the manufacturer, this part is an exact replacement for various air compressors. Its primary purpose is to control. Shop for genuine craftsman air compressor from top manufacturers. How do i fix a craftsman air compressor that is producing. Craftsman Air Compressor Replacement Pump.
From mastertoolrepair.com
Craftsman Air Compressor Replacement Pumps Craftsman Air Compressor Replacement Pump Shop for genuine craftsman air compressor from top manufacturers. Easily filter our craftsman air compressor to find the exact replacement you. This could be due to a clogged air filter, a faulty check valve, or a damaged piston. Shop for repair and replacement parts for your sears craftsman air compressor pump. Shop craftsman air compressor parts for pressure switches, air. Craftsman Air Compressor Replacement Pump.
From reviewmotors.co
Sears Craftsman Air Compressor Parts Reviewmotors.co Craftsman Air Compressor Replacement Pump Easily filter our craftsman air compressor to find the exact replacement you. Sourced directly from the manufacturer, this part is an exact replacement for various air compressors. If the air compressor won't fill the tank with compressed air, rebuild the pump using these steps in about. This could be due to a clogged air filter, a faulty check valve, or. Craftsman Air Compressor Replacement Pump.
From www.aircompressorpumps.com
Air Compressor Pumps Craftsman Compressors Craftsman Air Compressor Replacement Pump Its primary purpose is to control. Shop for genuine craftsman air compressor from top manufacturers. How to rebuild an air compressor pump. If the air compressor won't fill the tank with compressed air, rebuild the pump using these steps in about. Shop for repair and replacement parts for your sears craftsman air compressor pump. Shop craftsman air compressor parts for. Craftsman Air Compressor Replacement Pump.
From compressorsgaeritsu.blogspot.com
Compressors Craftsman Compressor Parts Craftsman Air Compressor Replacement Pump If the air compressor won't fill the tank with compressed air, rebuild the pump using these steps in about. Easily filter our craftsman air compressor to find the exact replacement you. This could be due to a clogged air filter, a faulty check valve, or a damaged piston. How do i fix a craftsman air compressor that is producing less. Craftsman Air Compressor Replacement Pump.
From chinaaaahsjifixmachine.z13.web.core.windows.net
Craftsman 919 Air Compressor Rebuild Kit Craftsman Air Compressor Replacement Pump How to rebuild an air compressor pump. Its primary purpose is to control. This could be due to a clogged air filter, a faulty check valve, or a damaged piston. Sourced directly from the manufacturer, this part is an exact replacement for various air compressors. Shop for genuine craftsman air compressor from top manufacturers. How do i fix a craftsman. Craftsman Air Compressor Replacement Pump.
From www.searspartsdirect.com
Air Compressor Pump Assembly N076028SV parts Sears PartsDirect Craftsman Air Compressor Replacement Pump Sourced directly from the manufacturer, this part is an exact replacement for various air compressors. Shop craftsman air compressor parts for pressure switches, air regulators, compressor pumps, parts, filters, safety valves, drain valves and. How do i fix a craftsman air compressor that is producing less air pressure than usual? How to rebuild an air compressor pump. This could be. Craftsman Air Compressor Replacement Pump.
From www.ereplacementparts.com
Craftsman 10217031 Air Compressor OEM Replacement Parts From Craftsman Air Compressor Replacement Pump Its primary purpose is to control. If the air compressor won't fill the tank with compressed air, rebuild the pump using these steps in about. Shop craftsman air compressor parts for pressure switches, air regulators, compressor pumps, parts, filters, safety valves, drain valves and. Shop for repair and replacement parts for your sears craftsman air compressor pump. How do i. Craftsman Air Compressor Replacement Pump.
From www.mastertoolrepair.com
Sears Craftsman 919.165250 Air Compressor Parts Craftsman Air Compressor Replacement Pump Sourced directly from the manufacturer, this part is an exact replacement for various air compressors. Shop for genuine craftsman air compressor from top manufacturers. How to rebuild an air compressor pump. How do i fix a craftsman air compressor that is producing less air pressure than usual? Easily filter our craftsman air compressor to find the exact replacement you. Its. Craftsman Air Compressor Replacement Pump.
From www.aircompressorpumps.com
Air Compressor Pumps New Craftsman pump for 106.172342 Craftsman Air Compressor Replacement Pump Sourced directly from the manufacturer, this part is an exact replacement for various air compressors. Shop for genuine craftsman air compressor from top manufacturers. This could be due to a clogged air filter, a faulty check valve, or a damaged piston. Shop for repair and replacement parts for your sears craftsman air compressor pump. If the air compressor won't fill. Craftsman Air Compressor Replacement Pump.
From www.searspartsdirect.com
Official Craftsman air compressor parts Sears PartsDirect Craftsman Air Compressor Replacement Pump Easily filter our craftsman air compressor to find the exact replacement you. Its primary purpose is to control. How do i fix a craftsman air compressor that is producing less air pressure than usual? Shop for genuine craftsman air compressor from top manufacturers. How to rebuild an air compressor pump. If the air compressor won't fill the tank with compressed. Craftsman Air Compressor Replacement Pump.
From mastertoolrepair.com
Sears Craftsman Air Compressor Parts Craftsman Air Compressor Replacement Pump Shop for repair and replacement parts for your sears craftsman air compressor pump. Easily filter our craftsman air compressor to find the exact replacement you. If the air compressor won't fill the tank with compressed air, rebuild the pump using these steps in about. Shop craftsman air compressor parts for pressure switches, air regulators, compressor pumps, parts, filters, safety valves,. Craftsman Air Compressor Replacement Pump.
From www.sears.com
Craftsman 60 gal. Air Compressor, 3.2 hp, Vertical Tank, Oillube Pump Craftsman Air Compressor Replacement Pump How to rebuild an air compressor pump. If the air compressor won't fill the tank with compressed air, rebuild the pump using these steps in about. Shop craftsman air compressor parts for pressure switches, air regulators, compressor pumps, parts, filters, safety valves, drain valves and. Its primary purpose is to control. Shop for genuine craftsman air compressor from top manufacturers.. Craftsman Air Compressor Replacement Pump.
From www.sears.com
Craftsman 25 gal. Air Compressor, 1.6 hp, Vertical Tank, 2Stage Oil Craftsman Air Compressor Replacement Pump Shop craftsman air compressor parts for pressure switches, air regulators, compressor pumps, parts, filters, safety valves, drain valves and. This could be due to a clogged air filter, a faulty check valve, or a damaged piston. How to rebuild an air compressor pump. Shop for genuine craftsman air compressor from top manufacturers. How do i fix a craftsman air compressor. Craftsman Air Compressor Replacement Pump.
From compressorsgaeritsu.blogspot.com
Compressors Craftsman Compressor Parts Craftsman Air Compressor Replacement Pump Shop for genuine craftsman air compressor from top manufacturers. This could be due to a clogged air filter, a faulty check valve, or a damaged piston. Shop for repair and replacement parts for your sears craftsman air compressor pump. Sourced directly from the manufacturer, this part is an exact replacement for various air compressors. Shop craftsman air compressor parts for. Craftsman Air Compressor Replacement Pump.
From www.aircompressorsdirect.com
Craftsman WLB3106016 3.1HP 60Gallon Single Stage Air Compressor 230V Craftsman Air Compressor Replacement Pump Shop for genuine craftsman air compressor from top manufacturers. How do i fix a craftsman air compressor that is producing less air pressure than usual? If the air compressor won't fill the tank with compressed air, rebuild the pump using these steps in about. Its primary purpose is to control. Sourced directly from the manufacturer, this part is an exact. Craftsman Air Compressor Replacement Pump.
From mastertoolrepair.com
Craftsman Air Compressor Replacement Pumps Craftsman Air Compressor Replacement Pump Its primary purpose is to control. This could be due to a clogged air filter, a faulty check valve, or a damaged piston. How do i fix a craftsman air compressor that is producing less air pressure than usual? Shop for repair and replacement parts for your sears craftsman air compressor pump. If the air compressor won't fill the tank. Craftsman Air Compressor Replacement Pump.
From www.pinterest.com
Craftsman 919152812 Oil Free Air Compressor schematics Compressor Pump Craftsman Air Compressor Replacement Pump Its primary purpose is to control. Shop for genuine craftsman air compressor from top manufacturers. How to rebuild an air compressor pump. Easily filter our craftsman air compressor to find the exact replacement you. Shop for repair and replacement parts for your sears craftsman air compressor pump. Shop craftsman air compressor parts for pressure switches, air regulators, compressor pumps, parts,. Craftsman Air Compressor Replacement Pump.
From www.ereplacementparts.com
Craftsman Air Compressor 919175191 Craftsman Air Compressor Replacement Pump Shop craftsman air compressor parts for pressure switches, air regulators, compressor pumps, parts, filters, safety valves, drain valves and. How do i fix a craftsman air compressor that is producing less air pressure than usual? How to rebuild an air compressor pump. Shop for genuine craftsman air compressor from top manufacturers. Easily filter our craftsman air compressor to find the. Craftsman Air Compressor Replacement Pump.
From www.youtube.com
Craftsman Air Compressor Check Description Tool Repair YouTube Craftsman Air Compressor Replacement Pump If the air compressor won't fill the tank with compressed air, rebuild the pump using these steps in about. Shop craftsman air compressor parts for pressure switches, air regulators, compressor pumps, parts, filters, safety valves, drain valves and. This could be due to a clogged air filter, a faulty check valve, or a damaged piston. How to rebuild an air. Craftsman Air Compressor Replacement Pump.
From www.youtube.com
Craftsman 26 Gal Air Compressor Pump Rebuild YouTube Craftsman Air Compressor Replacement Pump How do i fix a craftsman air compressor that is producing less air pressure than usual? Shop for repair and replacement parts for your sears craftsman air compressor pump. If the air compressor won't fill the tank with compressed air, rebuild the pump using these steps in about. Easily filter our craftsman air compressor to find the exact replacement you.. Craftsman Air Compressor Replacement Pump.