Current Sense In Circuit . The most common sensing element used to detect current flow is a low value, precision resistor placed in the current path. There are different methods to sense and measure current inside a circuit or a conductor. In this article, we will discuss how to measure. Current sense amplifiers, also called current shunt monitors, are specialized differential amplifiers with a precisely matched resistive gain network. This resistor, usually called a shunt,. A current sensor is a device that detects and converts current to an easily measured output voltage, which is proportional to the current. Sensing and/or controlling current flow is a fundamental requirement in many electronics systems, and the techniques to do so are as.
from www.researchgate.net
A current sensor is a device that detects and converts current to an easily measured output voltage, which is proportional to the current. There are different methods to sense and measure current inside a circuit or a conductor. Sensing and/or controlling current flow is a fundamental requirement in many electronics systems, and the techniques to do so are as. This resistor, usually called a shunt,. In this article, we will discuss how to measure. Current sense amplifiers, also called current shunt monitors, are specialized differential amplifiers with a precisely matched resistive gain network. The most common sensing element used to detect current flow is a low value, precision resistor placed in the current path.
Bidirectional current sensing circuit In this paper, two unidirectional
Current Sense In Circuit This resistor, usually called a shunt,. The most common sensing element used to detect current flow is a low value, precision resistor placed in the current path. This resistor, usually called a shunt,. Sensing and/or controlling current flow is a fundamental requirement in many electronics systems, and the techniques to do so are as. There are different methods to sense and measure current inside a circuit or a conductor. Current sense amplifiers, also called current shunt monitors, are specialized differential amplifiers with a precisely matched resistive gain network. In this article, we will discuss how to measure. A current sensor is a device that detects and converts current to an easily measured output voltage, which is proportional to the current.
From www.researchgate.net
Conventional current sensor circuit. Download Scientific Diagram Current Sense In Circuit A current sensor is a device that detects and converts current to an easily measured output voltage, which is proportional to the current. Sensing and/or controlling current flow is a fundamental requirement in many electronics systems, and the techniques to do so are as. The most common sensing element used to detect current flow is a low value, precision resistor. Current Sense In Circuit.
From shadyelectronics.com
High voltage current sense circuit Shady Electronics Current Sense In Circuit A current sensor is a device that detects and converts current to an easily measured output voltage, which is proportional to the current. This resistor, usually called a shunt,. In this article, we will discuss how to measure. Sensing and/or controlling current flow is a fundamental requirement in many electronics systems, and the techniques to do so are as. There. Current Sense In Circuit.
From shadyelectronics.com
High voltage current sense circuit Shady Electronics Current Sense In Circuit The most common sensing element used to detect current flow is a low value, precision resistor placed in the current path. A current sensor is a device that detects and converts current to an easily measured output voltage, which is proportional to the current. Current sense amplifiers, also called current shunt monitors, are specialized differential amplifiers with a precisely matched. Current Sense In Circuit.
From www.nktechnologies.com
Current Sensing Theory NK Technologies Current Sense In Circuit Current sense amplifiers, also called current shunt monitors, are specialized differential amplifiers with a precisely matched resistive gain network. This resistor, usually called a shunt,. A current sensor is a device that detects and converts current to an easily measured output voltage, which is proportional to the current. The most common sensing element used to detect current flow is a. Current Sense In Circuit.
From www.allaboutcircuits.com
Understanding the Amplifier Offset Voltage and Output Swing in Current Sense In Circuit In this article, we will discuss how to measure. There are different methods to sense and measure current inside a circuit or a conductor. The most common sensing element used to detect current flow is a low value, precision resistor placed in the current path. This resistor, usually called a shunt,. Sensing and/or controlling current flow is a fundamental requirement. Current Sense In Circuit.
From electronics.stackexchange.com
measurement Making Sense of Current Sensing Electrical Engineering Current Sense In Circuit The most common sensing element used to detect current flow is a low value, precision resistor placed in the current path. A current sensor is a device that detects and converts current to an easily measured output voltage, which is proportional to the current. Sensing and/or controlling current flow is a fundamental requirement in many electronics systems, and the techniques. Current Sense In Circuit.
From www.researchgate.net
Bidirectional current sensing circuit In this paper, two unidirectional Current Sense In Circuit There are different methods to sense and measure current inside a circuit or a conductor. The most common sensing element used to detect current flow is a low value, precision resistor placed in the current path. This resistor, usually called a shunt,. A current sensor is a device that detects and converts current to an easily measured output voltage, which. Current Sense In Circuit.
From www.analog.com
Low Side Current Sense Circuit Collection Analog Devices Current Sense In Circuit The most common sensing element used to detect current flow is a low value, precision resistor placed in the current path. Current sense amplifiers, also called current shunt monitors, are specialized differential amplifiers with a precisely matched resistive gain network. This resistor, usually called a shunt,. Sensing and/or controlling current flow is a fundamental requirement in many electronics systems, and. Current Sense In Circuit.
From www.edn.com
Highvoltage current sensing with lowvoltage transistors EDN Current Sense In Circuit Current sense amplifiers, also called current shunt monitors, are specialized differential amplifiers with a precisely matched resistive gain network. There are different methods to sense and measure current inside a circuit or a conductor. The most common sensing element used to detect current flow is a low value, precision resistor placed in the current path. This resistor, usually called a. Current Sense In Circuit.
From www.mouser.tw
Making Sense of Current Sensing Mouser Current Sense In Circuit The most common sensing element used to detect current flow is a low value, precision resistor placed in the current path. A current sensor is a device that detects and converts current to an easily measured output voltage, which is proportional to the current. Current sense amplifiers, also called current shunt monitors, are specialized differential amplifiers with a precisely matched. Current Sense In Circuit.
From www.semanticscholar.org
Figure 1 from Lossless bidirectional current sense circuit for low Current Sense In Circuit In this article, we will discuss how to measure. Current sense amplifiers, also called current shunt monitors, are specialized differential amplifiers with a precisely matched resistive gain network. Sensing and/or controlling current flow is a fundamental requirement in many electronics systems, and the techniques to do so are as. The most common sensing element used to detect current flow is. Current Sense In Circuit.
From wirepartmonoclines.z14.web.core.windows.net
Current Sensing Circuit Diagram Current Sense In Circuit In this article, we will discuss how to measure. A current sensor is a device that detects and converts current to an easily measured output voltage, which is proportional to the current. Current sense amplifiers, also called current shunt monitors, are specialized differential amplifiers with a precisely matched resistive gain network. This resistor, usually called a shunt,. Sensing and/or controlling. Current Sense In Circuit.
From www.youtube.com
Example circuits for current sense amplifiers YouTube Current Sense In Circuit This resistor, usually called a shunt,. In this article, we will discuss how to measure. There are different methods to sense and measure current inside a circuit or a conductor. A current sensor is a device that detects and converts current to an easily measured output voltage, which is proportional to the current. Sensing and/or controlling current flow is a. Current Sense In Circuit.
From www.researchgate.net
Example CSA integrated circuit (Current Sense Amplifier) [3] Rys. 10 Current Sense In Circuit The most common sensing element used to detect current flow is a low value, precision resistor placed in the current path. A current sensor is a device that detects and converts current to an easily measured output voltage, which is proportional to the current. Current sense amplifiers, also called current shunt monitors, are specialized differential amplifiers with a precisely matched. Current Sense In Circuit.
From www.analog.com
Wireless Current Sense Circuit Floats with Sense Resistor Analog Devices Current Sense In Circuit The most common sensing element used to detect current flow is a low value, precision resistor placed in the current path. A current sensor is a device that detects and converts current to an easily measured output voltage, which is proportional to the current. Sensing and/or controlling current flow is a fundamental requirement in many electronics systems, and the techniques. Current Sense In Circuit.
From www.researchgate.net
Currentsensing circuit. Download Scientific Diagram Current Sense In Circuit The most common sensing element used to detect current flow is a low value, precision resistor placed in the current path. Sensing and/or controlling current flow is a fundamental requirement in many electronics systems, and the techniques to do so are as. A current sensor is a device that detects and converts current to an easily measured output voltage, which. Current Sense In Circuit.
From www.ourpcb.com
Current Sense Amps Capture Small Voltage Drop With Precision Current Sense In Circuit A current sensor is a device that detects and converts current to an easily measured output voltage, which is proportional to the current. The most common sensing element used to detect current flow is a low value, precision resistor placed in the current path. This resistor, usually called a shunt,. There are different methods to sense and measure current inside. Current Sense In Circuit.
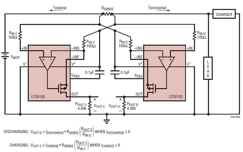
From www.analog.com
Bidirectional Current Sense Circuit with Separate Charge/Discharge Current Sense In Circuit A current sensor is a device that detects and converts current to an easily measured output voltage, which is proportional to the current. Sensing and/or controlling current flow is a fundamental requirement in many electronics systems, and the techniques to do so are as. This resistor, usually called a shunt,. The most common sensing element used to detect current flow. Current Sense In Circuit.
From www.st.com
Current Sense Amplifiers Products STMicroelectronics Current Sense In Circuit The most common sensing element used to detect current flow is a low value, precision resistor placed in the current path. Sensing and/or controlling current flow is a fundamental requirement in many electronics systems, and the techniques to do so are as. In this article, we will discuss how to measure. Current sense amplifiers, also called current shunt monitors, are. Current Sense In Circuit.
From www.utmel.com
AD8418 Current Sense Amplifier Pinout, Equivalent and Datasheet Current Sense In Circuit The most common sensing element used to detect current flow is a low value, precision resistor placed in the current path. In this article, we will discuss how to measure. This resistor, usually called a shunt,. Current sense amplifiers, also called current shunt monitors, are specialized differential amplifiers with a precisely matched resistive gain network. There are different methods to. Current Sense In Circuit.
From www.researchgate.net
Schematic of the CTbased current sense circuit. (a) Full circuit. (b Current Sense In Circuit Current sense amplifiers, also called current shunt monitors, are specialized differential amplifiers with a precisely matched resistive gain network. There are different methods to sense and measure current inside a circuit or a conductor. Sensing and/or controlling current flow is a fundamental requirement in many electronics systems, and the techniques to do so are as. The most common sensing element. Current Sense In Circuit.
From www.researchgate.net
Schematic diagram of the AC Current Sensing Circuit. Download Current Sense In Circuit A current sensor is a device that detects and converts current to an easily measured output voltage, which is proportional to the current. Current sense amplifiers, also called current shunt monitors, are specialized differential amplifiers with a precisely matched resistive gain network. Sensing and/or controlling current flow is a fundamental requirement in many electronics systems, and the techniques to do. Current Sense In Circuit.
From www.edn.com
Circuit senses highside current EDN Current Sense In Circuit A current sensor is a device that detects and converts current to an easily measured output voltage, which is proportional to the current. In this article, we will discuss how to measure. There are different methods to sense and measure current inside a circuit or a conductor. This resistor, usually called a shunt,. The most common sensing element used to. Current Sense In Circuit.
From www.youtube.com
Current sensing in power electronics systems YouTube Current Sense In Circuit There are different methods to sense and measure current inside a circuit or a conductor. Sensing and/or controlling current flow is a fundamental requirement in many electronics systems, and the techniques to do so are as. A current sensor is a device that detects and converts current to an easily measured output voltage, which is proportional to the current. The. Current Sense In Circuit.
From e2e.ti.com
How to get started with current sense amplifiers part 1 Analog Current Sense In Circuit There are different methods to sense and measure current inside a circuit or a conductor. This resistor, usually called a shunt,. In this article, we will discuss how to measure. Sensing and/or controlling current flow is a fundamental requirement in many electronics systems, and the techniques to do so are as. Current sense amplifiers, also called current shunt monitors, are. Current Sense In Circuit.
From www.anderswallin.net
Current sense circuit Current Sense In Circuit Current sense amplifiers, also called current shunt monitors, are specialized differential amplifiers with a precisely matched resistive gain network. In this article, we will discuss how to measure. Sensing and/or controlling current flow is a fundamental requirement in many electronics systems, and the techniques to do so are as. The most common sensing element used to detect current flow is. Current Sense In Circuit.
From www.semanticscholar.org
Figure 3 from An integrated CMOS currentsensing circuit for low Current Sense In Circuit Sensing and/or controlling current flow is a fundamental requirement in many electronics systems, and the techniques to do so are as. Current sense amplifiers, also called current shunt monitors, are specialized differential amplifiers with a precisely matched resistive gain network. This resistor, usually called a shunt,. There are different methods to sense and measure current inside a circuit or a. Current Sense In Circuit.
From toppng.com
Free download HD PNG basic resistive current sense circuit using a Current Sense In Circuit There are different methods to sense and measure current inside a circuit or a conductor. Current sense amplifiers, also called current shunt monitors, are specialized differential amplifiers with a precisely matched resistive gain network. This resistor, usually called a shunt,. In this article, we will discuss how to measure. A current sensor is a device that detects and converts current. Current Sense In Circuit.
From studylib.net
Current Sense Circuit Collection Current Sense In Circuit This resistor, usually called a shunt,. The most common sensing element used to detect current flow is a low value, precision resistor placed in the current path. Current sense amplifiers, also called current shunt monitors, are specialized differential amplifiers with a precisely matched resistive gain network. Sensing and/or controlling current flow is a fundamental requirement in many electronics systems, and. Current Sense In Circuit.
From www.mouser.in
TSC101 High Side Current Sense Amplifier STMicro Mouser Current Sense In Circuit In this article, we will discuss how to measure. The most common sensing element used to detect current flow is a low value, precision resistor placed in the current path. There are different methods to sense and measure current inside a circuit or a conductor. Sensing and/or controlling current flow is a fundamental requirement in many electronics systems, and the. Current Sense In Circuit.
From gbu-presnenskij.ru
AD8418 Current Sense Amplifier Pinout, Equivalent And, 52 OFF Current Sense In Circuit The most common sensing element used to detect current flow is a low value, precision resistor placed in the current path. Current sense amplifiers, also called current shunt monitors, are specialized differential amplifiers with a precisely matched resistive gain network. There are different methods to sense and measure current inside a circuit or a conductor. In this article, we will. Current Sense In Circuit.
From userdiagramwirtz.z19.web.core.windows.net
Dc Current Sensor Circuit Diagram Current Sense In Circuit Sensing and/or controlling current flow is a fundamental requirement in many electronics systems, and the techniques to do so are as. In this article, we will discuss how to measure. A current sensor is a device that detects and converts current to an easily measured output voltage, which is proportional to the current. Current sense amplifiers, also called current shunt. Current Sense In Circuit.
From www.researchgate.net
(a) Step down current circuit diagram, (b) current sensing circuit Current Sense In Circuit In this article, we will discuss how to measure. Sensing and/or controlling current flow is a fundamental requirement in many electronics systems, and the techniques to do so are as. A current sensor is a device that detects and converts current to an easily measured output voltage, which is proportional to the current. There are different methods to sense and. Current Sense In Circuit.
From www.semanticscholar.org
A precision highvoltage current sensing circuit Semantic Scholar Current Sense In Circuit There are different methods to sense and measure current inside a circuit or a conductor. This resistor, usually called a shunt,. Current sense amplifiers, also called current shunt monitors, are specialized differential amplifiers with a precisely matched resistive gain network. The most common sensing element used to detect current flow is a low value, precision resistor placed in the current. Current Sense In Circuit.
From itecnotes.com
Electronic High side current sensing using differential amplifier Current Sense In Circuit A current sensor is a device that detects and converts current to an easily measured output voltage, which is proportional to the current. Sensing and/or controlling current flow is a fundamental requirement in many electronics systems, and the techniques to do so are as. This resistor, usually called a shunt,. The most common sensing element used to detect current flow. Current Sense In Circuit.