Hvac One Line Diagram . The gap indicates the contactor is. The contactor symbol can be found in the electrical single line diagram of hvac systems. Understand these detailed diagrams to improve system design, troubleshooting, and maintenance for optimal performance and efficiency. Learn and understand hvac schematic symbols with the help of a comprehensive hvac schematic symbols chart. Discover what an hvac schematic is and learn how to read one easily. Each symbol has a specific meaning, allowing professionals to quickly identify and troubleshoot issues within a system. Single line diagrams are one of the hvac wiring diagrams. They show the wire (cable) size, the equipment load and specifications of important. This chart will help you decode. The hvac schematic symbols chart includes a wide range of symbols that represent different types of equipment, such as motors, valves, dampers, pumps, and sensors. The hvac plans include plan notes to describe the installation details and fixture types. The hvac drawings provide details for the ac system, refrigerant pipe connections, chiller, and duct layouts.
from modernize.com
Single line diagrams are one of the hvac wiring diagrams. The contactor symbol can be found in the electrical single line diagram of hvac systems. The hvac schematic symbols chart includes a wide range of symbols that represent different types of equipment, such as motors, valves, dampers, pumps, and sensors. This chart will help you decode. Learn and understand hvac schematic symbols with the help of a comprehensive hvac schematic symbols chart. Each symbol has a specific meaning, allowing professionals to quickly identify and troubleshoot issues within a system. Discover what an hvac schematic is and learn how to read one easily. Understand these detailed diagrams to improve system design, troubleshooting, and maintenance for optimal performance and efficiency. The gap indicates the contactor is. They show the wire (cable) size, the equipment load and specifications of important.
Schematic Diagrams for HVAC Systems Modernize
Hvac One Line Diagram The hvac drawings provide details for the ac system, refrigerant pipe connections, chiller, and duct layouts. Single line diagrams are one of the hvac wiring diagrams. Understand these detailed diagrams to improve system design, troubleshooting, and maintenance for optimal performance and efficiency. The hvac plans include plan notes to describe the installation details and fixture types. The hvac drawings provide details for the ac system, refrigerant pipe connections, chiller, and duct layouts. This chart will help you decode. They show the wire (cable) size, the equipment load and specifications of important. Each symbol has a specific meaning, allowing professionals to quickly identify and troubleshoot issues within a system. Discover what an hvac schematic is and learn how to read one easily. Learn and understand hvac schematic symbols with the help of a comprehensive hvac schematic symbols chart. The contactor symbol can be found in the electrical single line diagram of hvac systems. The hvac schematic symbols chart includes a wide range of symbols that represent different types of equipment, such as motors, valves, dampers, pumps, and sensors. The gap indicates the contactor is.
From mepacademy.com
How to Read Wiring Diagrams in HVAC Systems MEP Academy Hvac One Line Diagram This chart will help you decode. The contactor symbol can be found in the electrical single line diagram of hvac systems. Learn and understand hvac schematic symbols with the help of a comprehensive hvac schematic symbols chart. Each symbol has a specific meaning, allowing professionals to quickly identify and troubleshoot issues within a system. The hvac drawings provide details for. Hvac One Line Diagram.
From www.wiringdigital.com
How To Read A Hvac Wiring Diagram Wiring Digital and Schematic Hvac One Line Diagram Understand these detailed diagrams to improve system design, troubleshooting, and maintenance for optimal performance and efficiency. This chart will help you decode. Learn and understand hvac schematic symbols with the help of a comprehensive hvac schematic symbols chart. They show the wire (cable) size, the equipment load and specifications of important. The hvac plans include plan notes to describe the. Hvac One Line Diagram.
From bart-dd.blogspot.com
Single Line Drawing Electrical Flowtronix (Pvt.) Ltd. Electrical Hvac One Line Diagram They show the wire (cable) size, the equipment load and specifications of important. Each symbol has a specific meaning, allowing professionals to quickly identify and troubleshoot issues within a system. Understand these detailed diagrams to improve system design, troubleshooting, and maintenance for optimal performance and efficiency. The gap indicates the contactor is. The hvac plans include plan notes to describe. Hvac One Line Diagram.
From elecschem.com
The Ultimate Guide to HVAC Wiring Diagram Symbols Decoding the Hvac One Line Diagram Understand these detailed diagrams to improve system design, troubleshooting, and maintenance for optimal performance and efficiency. The contactor symbol can be found in the electrical single line diagram of hvac systems. The gap indicates the contactor is. The hvac drawings provide details for the ac system, refrigerant pipe connections, chiller, and duct layouts. They show the wire (cable) size, the. Hvac One Line Diagram.
From www.researchgate.net
Schematic diagram of a singleduct AHU. Download Scientific Diagram Hvac One Line Diagram The gap indicates the contactor is. The hvac plans include plan notes to describe the installation details and fixture types. Learn and understand hvac schematic symbols with the help of a comprehensive hvac schematic symbols chart. Single line diagrams are one of the hvac wiring diagrams. Each symbol has a specific meaning, allowing professionals to quickly identify and troubleshoot issues. Hvac One Line Diagram.
From nrd.kbic-nsn.gov
What Is The Difference Between Lv Mv And Hvac System Natural Resource Hvac One Line Diagram The hvac plans include plan notes to describe the installation details and fixture types. Understand these detailed diagrams to improve system design, troubleshooting, and maintenance for optimal performance and efficiency. The contactor symbol can be found in the electrical single line diagram of hvac systems. Learn and understand hvac schematic symbols with the help of a comprehensive hvac schematic symbols. Hvac One Line Diagram.
From www.pinterest.com
HVAC Layout Part Plan Hvac design, Hvac system design, Hvac Hvac One Line Diagram Each symbol has a specific meaning, allowing professionals to quickly identify and troubleshoot issues within a system. The hvac schematic symbols chart includes a wide range of symbols that represent different types of equipment, such as motors, valves, dampers, pumps, and sensors. Discover what an hvac schematic is and learn how to read one easily. They show the wire (cable). Hvac One Line Diagram.
From ae391a4winter15.weebly.com
HVAC Single Line Diagram AE 391 AE Design II Winter 2015 Hvac One Line Diagram Understand these detailed diagrams to improve system design, troubleshooting, and maintenance for optimal performance and efficiency. The hvac plans include plan notes to describe the installation details and fixture types. Learn and understand hvac schematic symbols with the help of a comprehensive hvac schematic symbols chart. Discover what an hvac schematic is and learn how to read one easily. The. Hvac One Line Diagram.
From wiremanualmuller.z19.web.core.windows.net
Hvac Diagrams Of Systems Hvac One Line Diagram The contactor symbol can be found in the electrical single line diagram of hvac systems. This chart will help you decode. Each symbol has a specific meaning, allowing professionals to quickly identify and troubleshoot issues within a system. The hvac schematic symbols chart includes a wide range of symbols that represent different types of equipment, such as motors, valves, dampers,. Hvac One Line Diagram.
From mepacademy.com
How HVAC Split System Air Conditioners Work MEP Academy Hvac One Line Diagram The hvac drawings provide details for the ac system, refrigerant pipe connections, chiller, and duct layouts. Discover what an hvac schematic is and learn how to read one easily. Understand these detailed diagrams to improve system design, troubleshooting, and maintenance for optimal performance and efficiency. They show the wire (cable) size, the equipment load and specifications of important. The gap. Hvac One Line Diagram.
From modernize.com
Schematic Diagrams for HVAC Systems Modernize Hvac One Line Diagram They show the wire (cable) size, the equipment load and specifications of important. The contactor symbol can be found in the electrical single line diagram of hvac systems. Each symbol has a specific meaning, allowing professionals to quickly identify and troubleshoot issues within a system. Understand these detailed diagrams to improve system design, troubleshooting, and maintenance for optimal performance and. Hvac One Line Diagram.
From aircondlounge.com
4 Types of HVAC Drawings and Their Purposes Hvac One Line Diagram The hvac plans include plan notes to describe the installation details and fixture types. Discover what an hvac schematic is and learn how to read one easily. The contactor symbol can be found in the electrical single line diagram of hvac systems. This chart will help you decode. The hvac schematic symbols chart includes a wide range of symbols that. Hvac One Line Diagram.
From www.conceptdraw.com
How to Create a HVAC Plan Design elements HVAC ductwork Design Hvac One Line Diagram The gap indicates the contactor is. Learn and understand hvac schematic symbols with the help of a comprehensive hvac schematic symbols chart. The hvac drawings provide details for the ac system, refrigerant pipe connections, chiller, and duct layouts. Single line diagrams are one of the hvac wiring diagrams. The hvac schematic symbols chart includes a wide range of symbols that. Hvac One Line Diagram.
From schematicepispore.z19.web.core.windows.net
Electrical Single Line Diagram Symbols Hvac One Line Diagram The hvac schematic symbols chart includes a wide range of symbols that represent different types of equipment, such as motors, valves, dampers, pumps, and sensors. The contactor symbol can be found in the electrical single line diagram of hvac systems. Discover what an hvac schematic is and learn how to read one easily. The hvac plans include plan notes to. Hvac One Line Diagram.
From www.scribd.com
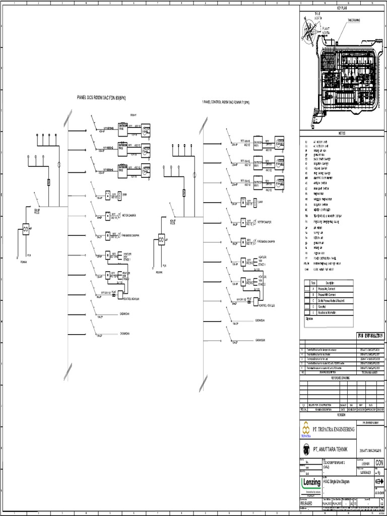
HVAC Single Line Diagram PDF Hvac One Line Diagram Each symbol has a specific meaning, allowing professionals to quickly identify and troubleshoot issues within a system. Single line diagrams are one of the hvac wiring diagrams. This chart will help you decode. The hvac schematic symbols chart includes a wide range of symbols that represent different types of equipment, such as motors, valves, dampers, pumps, and sensors. The hvac. Hvac One Line Diagram.
From www.animalia-life.club
How Hvac Systems Work Diagram Hvac One Line Diagram The hvac schematic symbols chart includes a wide range of symbols that represent different types of equipment, such as motors, valves, dampers, pumps, and sensors. This chart will help you decode. The hvac plans include plan notes to describe the installation details and fixture types. Learn and understand hvac schematic symbols with the help of a comprehensive hvac schematic symbols. Hvac One Line Diagram.
From www.scribd.com
BMS Riser Diagram for HVAC System Manufactured Goods Electrical Hvac One Line Diagram The hvac schematic symbols chart includes a wide range of symbols that represent different types of equipment, such as motors, valves, dampers, pumps, and sensors. Learn and understand hvac schematic symbols with the help of a comprehensive hvac schematic symbols chart. Discover what an hvac schematic is and learn how to read one easily. They show the wire (cable) size,. Hvac One Line Diagram.
From mepacademy.com
How to Read Wiring Diagrams in HVAC Systems MEP Academy Hvac One Line Diagram The hvac plans include plan notes to describe the installation details and fixture types. Each symbol has a specific meaning, allowing professionals to quickly identify and troubleshoot issues within a system. Discover what an hvac schematic is and learn how to read one easily. The contactor symbol can be found in the electrical single line diagram of hvac systems. The. Hvac One Line Diagram.
From hvacrschool.com
How a Heat Pump Reversing Valve Works HVAC School Hvac One Line Diagram Learn and understand hvac schematic symbols with the help of a comprehensive hvac schematic symbols chart. Understand these detailed diagrams to improve system design, troubleshooting, and maintenance for optimal performance and efficiency. They show the wire (cable) size, the equipment load and specifications of important. The gap indicates the contactor is. Each symbol has a specific meaning, allowing professionals to. Hvac One Line Diagram.
From hvacsystemarasuga.blogspot.com
Hvac System Hvac System Explained Hvac One Line Diagram Understand these detailed diagrams to improve system design, troubleshooting, and maintenance for optimal performance and efficiency. Single line diagrams are one of the hvac wiring diagrams. The gap indicates the contactor is. The hvac drawings provide details for the ac system, refrigerant pipe connections, chiller, and duct layouts. Learn and understand hvac schematic symbols with the help of a comprehensive. Hvac One Line Diagram.
From masteracandheat.com
Guide to HVAC System Master AC and Heat Hvac One Line Diagram The hvac schematic symbols chart includes a wide range of symbols that represent different types of equipment, such as motors, valves, dampers, pumps, and sensors. Understand these detailed diagrams to improve system design, troubleshooting, and maintenance for optimal performance and efficiency. Single line diagrams are one of the hvac wiring diagrams. Learn and understand hvac schematic symbols with the help. Hvac One Line Diagram.
From mepacademy.com
HVAC Mechanical Drawings MEP Academy Hvac One Line Diagram The hvac schematic symbols chart includes a wide range of symbols that represent different types of equipment, such as motors, valves, dampers, pumps, and sensors. Learn and understand hvac schematic symbols with the help of a comprehensive hvac schematic symbols chart. The hvac plans include plan notes to describe the installation details and fixture types. They show the wire (cable). Hvac One Line Diagram.
From mepacademy.com
How to Read Wiring Diagrams in HVAC Systems MEP Academy Hvac One Line Diagram The contactor symbol can be found in the electrical single line diagram of hvac systems. They show the wire (cable) size, the equipment load and specifications of important. Learn and understand hvac schematic symbols with the help of a comprehensive hvac schematic symbols chart. The hvac schematic symbols chart includes a wide range of symbols that represent different types of. Hvac One Line Diagram.
From www.circuitdiagram.co
How To Read Hvac Electrical Schematics Hvac One Line Diagram The hvac plans include plan notes to describe the installation details and fixture types. Understand these detailed diagrams to improve system design, troubleshooting, and maintenance for optimal performance and efficiency. The gap indicates the contactor is. The hvac drawings provide details for the ac system, refrigerant pipe connections, chiller, and duct layouts. The contactor symbol can be found in the. Hvac One Line Diagram.
From wiringdbchalupecbn.z4.web.core.windows.net
Wiring Diagram For A Split System Ac Unit Hvac One Line Diagram Discover what an hvac schematic is and learn how to read one easily. The contactor symbol can be found in the electrical single line diagram of hvac systems. The hvac plans include plan notes to describe the installation details and fixture types. Single line diagrams are one of the hvac wiring diagrams. This chart will help you decode. The gap. Hvac One Line Diagram.
From basc.pnnl.gov
A complete HVAC system includes ducted returns Building America Hvac One Line Diagram Understand these detailed diagrams to improve system design, troubleshooting, and maintenance for optimal performance and efficiency. This chart will help you decode. The hvac drawings provide details for the ac system, refrigerant pipe connections, chiller, and duct layouts. Each symbol has a specific meaning, allowing professionals to quickly identify and troubleshoot issues within a system. The hvac plans include plan. Hvac One Line Diagram.
From ae391a4winter15.weebly.com
HVAC Single Line Diagram AE 391 AE Design II Winter 2015 Hvac One Line Diagram Each symbol has a specific meaning, allowing professionals to quickly identify and troubleshoot issues within a system. Learn and understand hvac schematic symbols with the help of a comprehensive hvac schematic symbols chart. They show the wire (cable) size, the equipment load and specifications of important. Single line diagrams are one of the hvac wiring diagrams. The contactor symbol can. Hvac One Line Diagram.
From rillityworwayfqschematic.z21.web.core.windows.net
Hvac Schematics For Dummies Hvac One Line Diagram Understand these detailed diagrams to improve system design, troubleshooting, and maintenance for optimal performance and efficiency. Learn and understand hvac schematic symbols with the help of a comprehensive hvac schematic symbols chart. The gap indicates the contactor is. This chart will help you decode. The hvac schematic symbols chart includes a wide range of symbols that represent different types of. Hvac One Line Diagram.
From www.researchgate.net
Heating, ventilation and airconditioning (HVAC) system layout Hvac One Line Diagram The gap indicates the contactor is. Understand these detailed diagrams to improve system design, troubleshooting, and maintenance for optimal performance and efficiency. The hvac schematic symbols chart includes a wide range of symbols that represent different types of equipment, such as motors, valves, dampers, pumps, and sensors. The hvac plans include plan notes to describe the installation details and fixture. Hvac One Line Diagram.
From www.pinterest.ca
Air Conditioner Schematic Air conditioner maintenance, Hvac air Hvac One Line Diagram The contactor symbol can be found in the electrical single line diagram of hvac systems. Understand these detailed diagrams to improve system design, troubleshooting, and maintenance for optimal performance and efficiency. The hvac schematic symbols chart includes a wide range of symbols that represent different types of equipment, such as motors, valves, dampers, pumps, and sensors. Discover what an hvac. Hvac One Line Diagram.
From bart-dd.blogspot.com
Single Line Drawing Electrical Flowtronix (Pvt.) Ltd. Electrical Hvac One Line Diagram Each symbol has a specific meaning, allowing professionals to quickly identify and troubleshoot issues within a system. Understand these detailed diagrams to improve system design, troubleshooting, and maintenance for optimal performance and efficiency. Learn and understand hvac schematic symbols with the help of a comprehensive hvac schematic symbols chart. Discover what an hvac schematic is and learn how to read. Hvac One Line Diagram.
From collections.naturalsciences.org
This Simple Diagram Shows You How Your HVAC System's, 49 OFF Hvac One Line Diagram Each symbol has a specific meaning, allowing professionals to quickly identify and troubleshoot issues within a system. They show the wire (cable) size, the equipment load and specifications of important. The contactor symbol can be found in the electrical single line diagram of hvac systems. The hvac schematic symbols chart includes a wide range of symbols that represent different types. Hvac One Line Diagram.
From www.pinterest.com
Duct design schematic diagram showing vents and air flow Hvac system Hvac One Line Diagram The hvac plans include plan notes to describe the installation details and fixture types. Learn and understand hvac schematic symbols with the help of a comprehensive hvac schematic symbols chart. Understand these detailed diagrams to improve system design, troubleshooting, and maintenance for optimal performance and efficiency. The hvac drawings provide details for the ac system, refrigerant pipe connections, chiller, and. Hvac One Line Diagram.
From electraschematics.com
Demystifying HVAC Wiring Diagrams A Beginner's Guide Hvac One Line Diagram This chart will help you decode. Discover what an hvac schematic is and learn how to read one easily. They show the wire (cable) size, the equipment load and specifications of important. Learn and understand hvac schematic symbols with the help of a comprehensive hvac schematic symbols chart. The hvac drawings provide details for the ac system, refrigerant pipe connections,. Hvac One Line Diagram.
From wiringschema.com
[DIAGRAM] Single Line Diagrams Explained Hvac One Line Diagram The hvac plans include plan notes to describe the installation details and fixture types. The hvac drawings provide details for the ac system, refrigerant pipe connections, chiller, and duct layouts. This chart will help you decode. The gap indicates the contactor is. Understand these detailed diagrams to improve system design, troubleshooting, and maintenance for optimal performance and efficiency. The contactor. Hvac One Line Diagram.