Subwoofer Amp Adjustments . Use a tape measure to find the. Play a piece of music with plenty of good bass, and then walk. The next step is to make sure your distances are entered into your home theater receiver. Subwoofer settings for home theater: Place your subwoofer where you usually sit, connect it, and then disconnect your speakers (at the amp end). ( remember almost all sub manufacture’s do not actually make the plate amp driving their sub) any decent avr or 2. Advanced subwoofer setup and adjustment are key steps in optimizing home theater sound. Through room correction features and phase.
from schematicpartchar.z21.web.core.windows.net
Place your subwoofer where you usually sit, connect it, and then disconnect your speakers (at the amp end). ( remember almost all sub manufacture’s do not actually make the plate amp driving their sub) any decent avr or 2. Advanced subwoofer setup and adjustment are key steps in optimizing home theater sound. Use a tape measure to find the. Subwoofer settings for home theater: The next step is to make sure your distances are entered into your home theater receiver. Through room correction features and phase. Play a piece of music with plenty of good bass, and then walk.
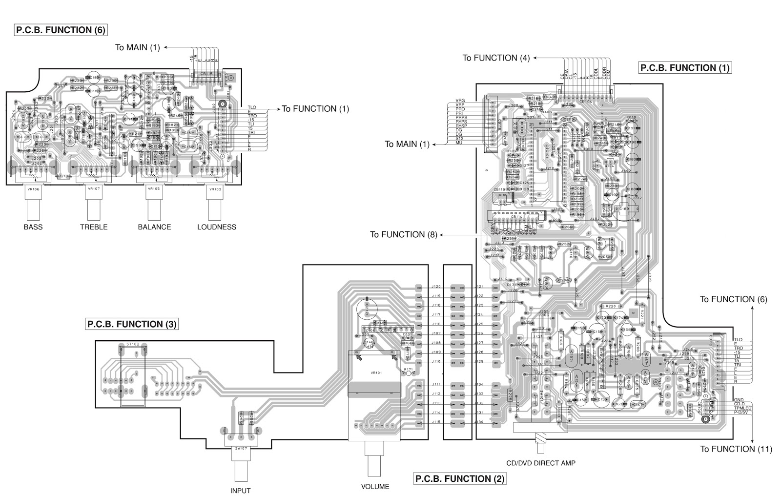
Sound Bass Treble Settings
Subwoofer Amp Adjustments Through room correction features and phase. Subwoofer settings for home theater: Use a tape measure to find the. Play a piece of music with plenty of good bass, and then walk. The next step is to make sure your distances are entered into your home theater receiver. Place your subwoofer where you usually sit, connect it, and then disconnect your speakers (at the amp end). ( remember almost all sub manufacture’s do not actually make the plate amp driving their sub) any decent avr or 2. Through room correction features and phase. Advanced subwoofer setup and adjustment are key steps in optimizing home theater sound.
From electronicshelponline.blogspot.com
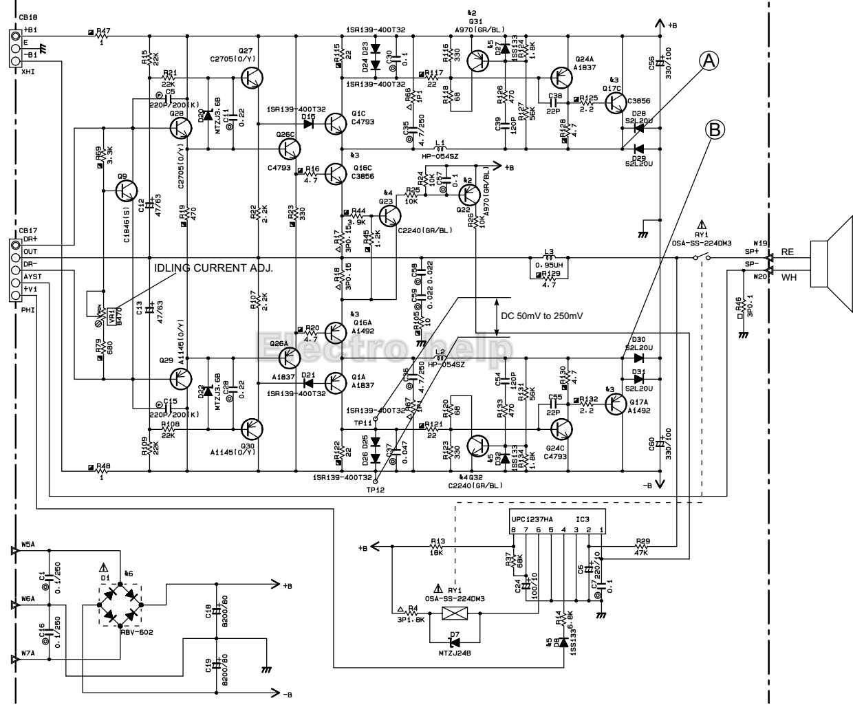
Electro help Yamaha YST SW320 Subwoofer Circuit diagram adjustments Subwoofer Amp Adjustments Advanced subwoofer setup and adjustment are key steps in optimizing home theater sound. Play a piece of music with plenty of good bass, and then walk. Through room correction features and phase. Subwoofer settings for home theater: ( remember almost all sub manufacture’s do not actually make the plate amp driving their sub) any decent avr or 2. The next. Subwoofer Amp Adjustments.
From guidelistpstrapanning.z14.web.core.windows.net
Setting Up A Car Amplifier Subwoofer Amp Adjustments Place your subwoofer where you usually sit, connect it, and then disconnect your speakers (at the amp end). ( remember almost all sub manufacture’s do not actually make the plate amp driving their sub) any decent avr or 2. Use a tape measure to find the. Subwoofer settings for home theater: Advanced subwoofer setup and adjustment are key steps in. Subwoofer Amp Adjustments.
From www.komitart.ru
DIY HOOD JLH1969 Class "A" Amplifier with Komitart LAY6 Subwoofer Amp Adjustments Use a tape measure to find the. The next step is to make sure your distances are entered into your home theater receiver. Place your subwoofer where you usually sit, connect it, and then disconnect your speakers (at the amp end). ( remember almost all sub manufacture’s do not actually make the plate amp driving their sub) any decent avr. Subwoofer Amp Adjustments.
From www.aliexpress.com
500W subwoofer amplifier home theater bass pure bass power amplifier Subwoofer Amp Adjustments Subwoofer settings for home theater: Advanced subwoofer setup and adjustment are key steps in optimizing home theater sound. Use a tape measure to find the. Play a piece of music with plenty of good bass, and then walk. ( remember almost all sub manufacture’s do not actually make the plate amp driving their sub) any decent avr or 2. Place. Subwoofer Amp Adjustments.
From www.pinterest.com
PCB Subwoofer + Frequency Adjust Rangkaian elektronik, Teknologi Subwoofer Amp Adjustments ( remember almost all sub manufacture’s do not actually make the plate amp driving their sub) any decent avr or 2. The next step is to make sure your distances are entered into your home theater receiver. Subwoofer settings for home theater: Through room correction features and phase. Use a tape measure to find the. Play a piece of music. Subwoofer Amp Adjustments.
From www.aliexpress.com
Auto Subwoofer Power Car Amplifier Audio Regulator Bass Equalizer Subwoofer Amp Adjustments Through room correction features and phase. Play a piece of music with plenty of good bass, and then walk. ( remember almost all sub manufacture’s do not actually make the plate amp driving their sub) any decent avr or 2. Subwoofer settings for home theater: Place your subwoofer where you usually sit, connect it, and then disconnect your speakers (at. Subwoofer Amp Adjustments.
From www.audiocircle.com
FS Tekton Design S12 "Open Baffle" Subwoofer Subwoofer Amp Adjustments Advanced subwoofer setup and adjustment are key steps in optimizing home theater sound. Use a tape measure to find the. The next step is to make sure your distances are entered into your home theater receiver. Subwoofer settings for home theater: ( remember almost all sub manufacture’s do not actually make the plate amp driving their sub) any decent avr. Subwoofer Amp Adjustments.
From tipsmake.com
Instructions on how to adjust and match the subwoofer into a 2channel Subwoofer Amp Adjustments ( remember almost all sub manufacture’s do not actually make the plate amp driving their sub) any decent avr or 2. Through room correction features and phase. Subwoofer settings for home theater: Place your subwoofer where you usually sit, connect it, and then disconnect your speakers (at the amp end). The next step is to make sure your distances are. Subwoofer Amp Adjustments.
From electronicshelponline.blogspot.com
Electro help Yamaha YST SW320 Subwoofer Circuit diagram adjustments Subwoofer Amp Adjustments ( remember almost all sub manufacture’s do not actually make the plate amp driving their sub) any decent avr or 2. Advanced subwoofer setup and adjustment are key steps in optimizing home theater sound. Through room correction features and phase. Use a tape measure to find the. Place your subwoofer where you usually sit, connect it, and then disconnect your. Subwoofer Amp Adjustments.
From www.ecoustics.com
Don't Hookup Your Subwoofer Until You Read This Subwoofer Amp Adjustments ( remember almost all sub manufacture’s do not actually make the plate amp driving their sub) any decent avr or 2. Through room correction features and phase. Place your subwoofer where you usually sit, connect it, and then disconnect your speakers (at the amp end). Advanced subwoofer setup and adjustment are key steps in optimizing home theater sound. Play a. Subwoofer Amp Adjustments.
From enginelibnatalie.z21.web.core.windows.net
Understanding Subwoofers And Amplifiers Subwoofer Amp Adjustments Through room correction features and phase. The next step is to make sure your distances are entered into your home theater receiver. Use a tape measure to find the. Place your subwoofer where you usually sit, connect it, and then disconnect your speakers (at the amp end). Play a piece of music with plenty of good bass, and then walk.. Subwoofer Amp Adjustments.
From fixthephoto.com
5 Best Subwoofer Packages in 2024 Subwoofer Amp Adjustments Place your subwoofer where you usually sit, connect it, and then disconnect your speakers (at the amp end). Subwoofer settings for home theater: The next step is to make sure your distances are entered into your home theater receiver. Use a tape measure to find the. Through room correction features and phase. Play a piece of music with plenty of. Subwoofer Amp Adjustments.
From joifstgyv.blob.core.windows.net
Best Stereo Settings For Bass at Richard Ling blog Subwoofer Amp Adjustments Advanced subwoofer setup and adjustment are key steps in optimizing home theater sound. Place your subwoofer where you usually sit, connect it, and then disconnect your speakers (at the amp end). Subwoofer settings for home theater: Through room correction features and phase. The next step is to make sure your distances are entered into your home theater receiver. Play a. Subwoofer Amp Adjustments.
From shopee.ph
KGUSS G300 HIFI Class D Subwoofer audio Amplifier 300W AMP Bass Treble Subwoofer Amp Adjustments Through room correction features and phase. ( remember almost all sub manufacture’s do not actually make the plate amp driving their sub) any decent avr or 2. The next step is to make sure your distances are entered into your home theater receiver. Place your subwoofer where you usually sit, connect it, and then disconnect your speakers (at the amp. Subwoofer Amp Adjustments.
From circuitdigest.com
Subwoofer Amplifier Circuit Diagram using IC TDA2030 Subwoofer Amp Adjustments Subwoofer settings for home theater: Place your subwoofer where you usually sit, connect it, and then disconnect your speakers (at the amp end). ( remember almost all sub manufacture’s do not actually make the plate amp driving their sub) any decent avr or 2. Play a piece of music with plenty of good bass, and then walk. Through room correction. Subwoofer Amp Adjustments.
From www.carstereochick.com
How to tune a subwoofer amplifier Car Stereo Reviews & News + Tuning Subwoofer Amp Adjustments Through room correction features and phase. ( remember almost all sub manufacture’s do not actually make the plate amp driving their sub) any decent avr or 2. Advanced subwoofer setup and adjustment are key steps in optimizing home theater sound. The next step is to make sure your distances are entered into your home theater receiver. Use a tape measure. Subwoofer Amp Adjustments.
From www.aliexpress.com
TPA3116 2.1 Subwoofer Speaker Amplifiers Digital Audio Amplifier Board Subwoofer Amp Adjustments Subwoofer settings for home theater: Use a tape measure to find the. Place your subwoofer where you usually sit, connect it, and then disconnect your speakers (at the amp end). The next step is to make sure your distances are entered into your home theater receiver. Play a piece of music with plenty of good bass, and then walk. Through. Subwoofer Amp Adjustments.
From www.aliexpress.com
Buy AIYIMA 12V Subwoofer Amplifier 120W High Power Car Subwoofer Amp Adjustments Subwoofer settings for home theater: Through room correction features and phase. Place your subwoofer where you usually sit, connect it, and then disconnect your speakers (at the amp end). Use a tape measure to find the. ( remember almost all sub manufacture’s do not actually make the plate amp driving their sub) any decent avr or 2. Advanced subwoofer setup. Subwoofer Amp Adjustments.
From www.dhgate.com
HIFI 5.1 Amplifier Board With A1 Preamp TDA7294 7293 Subwoofer Use6 Subwoofer Amp Adjustments Through room correction features and phase. Use a tape measure to find the. Place your subwoofer where you usually sit, connect it, and then disconnect your speakers (at the amp end). Advanced subwoofer setup and adjustment are key steps in optimizing home theater sound. Subwoofer settings for home theater: The next step is to make sure your distances are entered. Subwoofer Amp Adjustments.
From guidelistpstrapanning.z14.web.core.windows.net
How To Set Up Car Amplifier Subwoofer Amp Adjustments Advanced subwoofer setup and adjustment are key steps in optimizing home theater sound. Subwoofer settings for home theater: Use a tape measure to find the. The next step is to make sure your distances are entered into your home theater receiver. ( remember almost all sub manufacture’s do not actually make the plate amp driving their sub) any decent avr. Subwoofer Amp Adjustments.
From akcasinoknights.co.uk
Car Home Subwoofer Equalizer Crossover Amplifier RCA Adjust Line Level Subwoofer Amp Adjustments Place your subwoofer where you usually sit, connect it, and then disconnect your speakers (at the amp end). Use a tape measure to find the. Subwoofer settings for home theater: Play a piece of music with plenty of good bass, and then walk. Advanced subwoofer setup and adjustment are key steps in optimizing home theater sound. Through room correction features. Subwoofer Amp Adjustments.
From electronicshelponline.blogspot.com
Electro help How to enter the service mode Pioneer VSX821, VSX521 Subwoofer Amp Adjustments Subwoofer settings for home theater: Through room correction features and phase. Advanced subwoofer setup and adjustment are key steps in optimizing home theater sound. The next step is to make sure your distances are entered into your home theater receiver. Place your subwoofer where you usually sit, connect it, and then disconnect your speakers (at the amp end). ( remember. Subwoofer Amp Adjustments.
From www.speakerpower.net
SP16000HT Subwoofer Plate Amplifier Subwoofer Amp Adjustments ( remember almost all sub manufacture’s do not actually make the plate amp driving their sub) any decent avr or 2. Through room correction features and phase. Use a tape measure to find the. The next step is to make sure your distances are entered into your home theater receiver. Subwoofer settings for home theater: Place your subwoofer where you. Subwoofer Amp Adjustments.
From schematicpartchar.z21.web.core.windows.net
Sound Bass Treble Settings Subwoofer Amp Adjustments Advanced subwoofer setup and adjustment are key steps in optimizing home theater sound. Play a piece of music with plenty of good bass, and then walk. Use a tape measure to find the. The next step is to make sure your distances are entered into your home theater receiver. Subwoofer settings for home theater: Through room correction features and phase.. Subwoofer Amp Adjustments.
From www.aliexpress.com
150W heavy bass artillery digital amplifier board active subwoofer Subwoofer Amp Adjustments Play a piece of music with plenty of good bass, and then walk. Through room correction features and phase. The next step is to make sure your distances are entered into your home theater receiver. Subwoofer settings for home theater: Advanced subwoofer setup and adjustment are key steps in optimizing home theater sound. ( remember almost all sub manufacture’s do. Subwoofer Amp Adjustments.
From www.desertcart.ae
Professional Universal Car Bass RAC Adjust Remote Amplifier Subwoofer Subwoofer Amp Adjustments Subwoofer settings for home theater: Advanced subwoofer setup and adjustment are key steps in optimizing home theater sound. Place your subwoofer where you usually sit, connect it, and then disconnect your speakers (at the amp end). Play a piece of music with plenty of good bass, and then walk. Use a tape measure to find the. Through room correction features. Subwoofer Amp Adjustments.
From www.aliexpress.com
Car Home Amplifier Subwoofer Equalizer Crossover RCA Adjust Line Level Subwoofer Amp Adjustments Use a tape measure to find the. Through room correction features and phase. Place your subwoofer where you usually sit, connect it, and then disconnect your speakers (at the amp end). Advanced subwoofer setup and adjustment are key steps in optimizing home theater sound. Subwoofer settings for home theater: ( remember almost all sub manufacture’s do not actually make the. Subwoofer Amp Adjustments.
From electronicshelponline.blogspot.com
Electro help JBL SUB10 SUBWOOFER SCHEMATIC [CIRCUIT DIAGRAM] AMP Subwoofer Amp Adjustments Play a piece of music with plenty of good bass, and then walk. Subwoofer settings for home theater: ( remember almost all sub manufacture’s do not actually make the plate amp driving their sub) any decent avr or 2. The next step is to make sure your distances are entered into your home theater receiver. Through room correction features and. Subwoofer Amp Adjustments.
From tipsmake.com
Instructions on how to adjust and match the subwoofer into a 2channel Subwoofer Amp Adjustments ( remember almost all sub manufacture’s do not actually make the plate amp driving their sub) any decent avr or 2. Use a tape measure to find the. Play a piece of music with plenty of good bass, and then walk. Advanced subwoofer setup and adjustment are key steps in optimizing home theater sound. Through room correction features and phase.. Subwoofer Amp Adjustments.
From www.aliexpress.com
2000W Subwoofer Amplifier Module Professional Speaker Plate Amplifier Subwoofer Amp Adjustments ( remember almost all sub manufacture’s do not actually make the plate amp driving their sub) any decent avr or 2. The next step is to make sure your distances are entered into your home theater receiver. Play a piece of music with plenty of good bass, and then walk. Place your subwoofer where you usually sit, connect it, and. Subwoofer Amp Adjustments.
From www.pinterest.com
How To Wire A Dual Voice Coil Speaker + Subwoofer Wiring Diagrams Subwoofer Amp Adjustments Use a tape measure to find the. Place your subwoofer where you usually sit, connect it, and then disconnect your speakers (at the amp end). Play a piece of music with plenty of good bass, and then walk. The next step is to make sure your distances are entered into your home theater receiver. Subwoofer settings for home theater: Advanced. Subwoofer Amp Adjustments.
From www.elcircuit.com
Subwoofer Amplifier using TDA2030 + TIP3055 TIP2955 Electronic Circuit Subwoofer Amp Adjustments Place your subwoofer where you usually sit, connect it, and then disconnect your speakers (at the amp end). ( remember almost all sub manufacture’s do not actually make the plate amp driving their sub) any decent avr or 2. Subwoofer settings for home theater: The next step is to make sure your distances are entered into your home theater receiver.. Subwoofer Amp Adjustments.
From www.youtube.com
How To Set Amp Gain to Match Lower RMS Subwoofers? Car Audio Q & A Subwoofer Amp Adjustments ( remember almost all sub manufacture’s do not actually make the plate amp driving their sub) any decent avr or 2. The next step is to make sure your distances are entered into your home theater receiver. Subwoofer settings for home theater: Play a piece of music with plenty of good bass, and then walk. Through room correction features and. Subwoofer Amp Adjustments.
From electronicshelponline.blogspot.com
Electro help Yamaha AX396 Stereo Amplifier Circuit diagram Subwoofer Amp Adjustments The next step is to make sure your distances are entered into your home theater receiver. Through room correction features and phase. Advanced subwoofer setup and adjustment are key steps in optimizing home theater sound. Play a piece of music with plenty of good bass, and then walk. Use a tape measure to find the. ( remember almost all sub. Subwoofer Amp Adjustments.
From www.lazada.com.ph
Car Power Amplifier Audio Regulator RCA Gain Level Volume Control Subwoofer Amp Adjustments Through room correction features and phase. Subwoofer settings for home theater: Play a piece of music with plenty of good bass, and then walk. ( remember almost all sub manufacture’s do not actually make the plate amp driving their sub) any decent avr or 2. Use a tape measure to find the. Place your subwoofer where you usually sit, connect. Subwoofer Amp Adjustments.