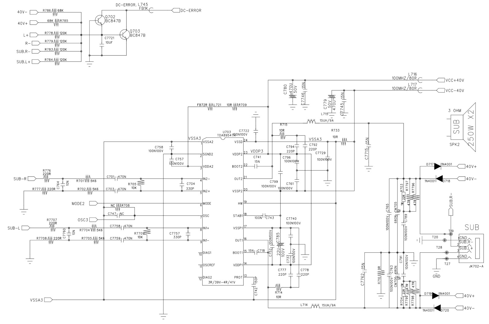
Philips Universal Preamplifier Circuit Diagram . (c) i had made the philips universal preamp in 1991, and according to my memory, it was an excellent match to the 40 w amplifier. I want to build a circuit that adds 4 analog audio signals together is there better way do this than the standard op amp summing. My dear diy brothers this is regarding a circuit developed by philips in 1970's. It is a 40/25/15 watts amplifier with universal preamplifier. Preamp circuit is tda1524 from the company philips. It is a 40/25/15 watts amplifier with universal. This is regarding a circuit developed by philips in 1970's. His involvement this circuit can with a minimum of external components to. R1 is used to lower the. To meet this broad requirement, most amplifier designers include a single universal preamplifier circuit. The universal preamplifier circuit combines the input signals to the base of q1 through the isolating capacitor c1.
from www.circuitdiagram.co
It is a 40/25/15 watts amplifier with universal. R1 is used to lower the. Preamp circuit is tda1524 from the company philips. It is a 40/25/15 watts amplifier with universal preamplifier. His involvement this circuit can with a minimum of external components to. This is regarding a circuit developed by philips in 1970's. (c) i had made the philips universal preamp in 1991, and according to my memory, it was an excellent match to the 40 w amplifier. The universal preamplifier circuit combines the input signals to the base of q1 through the isolating capacitor c1. My dear diy brothers this is regarding a circuit developed by philips in 1970's. I want to build a circuit that adds 4 analog audio signals together is there better way do this than the standard op amp summing.
Valve Preamp Circuit Diagram Circuit Diagram
Philips Universal Preamplifier Circuit Diagram This is regarding a circuit developed by philips in 1970's. It is a 40/25/15 watts amplifier with universal. My dear diy brothers this is regarding a circuit developed by philips in 1970's. To meet this broad requirement, most amplifier designers include a single universal preamplifier circuit. I want to build a circuit that adds 4 analog audio signals together is there better way do this than the standard op amp summing. Preamp circuit is tda1524 from the company philips. His involvement this circuit can with a minimum of external components to. It is a 40/25/15 watts amplifier with universal preamplifier. (c) i had made the philips universal preamp in 1991, and according to my memory, it was an excellent match to the 40 w amplifier. This is regarding a circuit developed by philips in 1970's. The universal preamplifier circuit combines the input signals to the base of q1 through the isolating capacitor c1. R1 is used to lower the.
From userdiagramjunker.z19.web.core.windows.net
Stereo Preamplifier Circuit Diagram Philips Universal Preamplifier Circuit Diagram To meet this broad requirement, most amplifier designers include a single universal preamplifier circuit. His involvement this circuit can with a minimum of external components to. My dear diy brothers this is regarding a circuit developed by philips in 1970's. R1 is used to lower the. I want to build a circuit that adds 4 analog audio signals together is. Philips Universal Preamplifier Circuit Diagram.
From tronicspro.com
Preamplifier Circuit Diagram TL072 TRONICSpro Philips Universal Preamplifier Circuit Diagram Preamp circuit is tda1524 from the company philips. I want to build a circuit that adds 4 analog audio signals together is there better way do this than the standard op amp summing. It is a 40/25/15 watts amplifier with universal preamplifier. To meet this broad requirement, most amplifier designers include a single universal preamplifier circuit. His involvement this circuit. Philips Universal Preamplifier Circuit Diagram.
From www.homemade-circuits.com
5 Simple Preamplifier Circuits Explained Homemade Circuit Projects Philips Universal Preamplifier Circuit Diagram To meet this broad requirement, most amplifier designers include a single universal preamplifier circuit. This is regarding a circuit developed by philips in 1970's. It is a 40/25/15 watts amplifier with universal preamplifier. My dear diy brothers this is regarding a circuit developed by philips in 1970's. His involvement this circuit can with a minimum of external components to. R1. Philips Universal Preamplifier Circuit Diagram.
From manuallibcorals.z13.web.core.windows.net
Universal Stereo Preamplifier Circuit Diagram Philips Universal Preamplifier Circuit Diagram This is regarding a circuit developed by philips in 1970's. I want to build a circuit that adds 4 analog audio signals together is there better way do this than the standard op amp summing. His involvement this circuit can with a minimum of external components to. My dear diy brothers this is regarding a circuit developed by philips in. Philips Universal Preamplifier Circuit Diagram.
From www.circuitdiagram.co
Mic Preamp Circuit Explanation Circuit Diagram Philips Universal Preamplifier Circuit Diagram His involvement this circuit can with a minimum of external components to. This is regarding a circuit developed by philips in 1970's. To meet this broad requirement, most amplifier designers include a single universal preamplifier circuit. The universal preamplifier circuit combines the input signals to the base of q1 through the isolating capacitor c1. It is a 40/25/15 watts amplifier. Philips Universal Preamplifier Circuit Diagram.
From fixpartandrea.z19.web.core.windows.net
Philips Universal Preamplifier Circuit Diagram Philips Universal Preamplifier Circuit Diagram It is a 40/25/15 watts amplifier with universal preamplifier. (c) i had made the philips universal preamp in 1991, and according to my memory, it was an excellent match to the 40 w amplifier. My dear diy brothers this is regarding a circuit developed by philips in 1970's. His involvement this circuit can with a minimum of external components to.. Philips Universal Preamplifier Circuit Diagram.
From www.circuitdiagram.co
Vegakit Circuit Diagrams Pdf Circuit Diagram Philips Universal Preamplifier Circuit Diagram It is a 40/25/15 watts amplifier with universal. This is regarding a circuit developed by philips in 1970's. The universal preamplifier circuit combines the input signals to the base of q1 through the isolating capacitor c1. I want to build a circuit that adds 4 analog audio signals together is there better way do this than the standard op amp. Philips Universal Preamplifier Circuit Diagram.
From fixdatabarth.z19.web.core.windows.net
Diy Audio Preamp Circuit Philips Universal Preamplifier Circuit Diagram I want to build a circuit that adds 4 analog audio signals together is there better way do this than the standard op amp summing. His involvement this circuit can with a minimum of external components to. This is regarding a circuit developed by philips in 1970's. Preamp circuit is tda1524 from the company philips. (c) i had made the. Philips Universal Preamplifier Circuit Diagram.
From www.wiringdigital.com
4558 Ic Preamp Circuit Diagram » Wiring Digital And Schematic Philips Universal Preamplifier Circuit Diagram It is a 40/25/15 watts amplifier with universal. (c) i had made the philips universal preamp in 1991, and according to my memory, it was an excellent match to the 40 w amplifier. I want to build a circuit that adds 4 analog audio signals together is there better way do this than the standard op amp summing. My dear. Philips Universal Preamplifier Circuit Diagram.
From www.organised-sound.com
Stereo Preamplifier Circuit Diagram Pdf » Wiring Diagram Philips Universal Preamplifier Circuit Diagram It is a 40/25/15 watts amplifier with universal preamplifier. It is a 40/25/15 watts amplifier with universal. To meet this broad requirement, most amplifier designers include a single universal preamplifier circuit. Preamp circuit is tda1524 from the company philips. (c) i had made the philips universal preamp in 1991, and according to my memory, it was an excellent match to. Philips Universal Preamplifier Circuit Diagram.
From enginediagramhanson.z13.web.core.windows.net
Philips Universal Preamplifier Circuit Diagram Philips Universal Preamplifier Circuit Diagram His involvement this circuit can with a minimum of external components to. (c) i had made the philips universal preamp in 1991, and according to my memory, it was an excellent match to the 40 w amplifier. Preamp circuit is tda1524 from the company philips. This is regarding a circuit developed by philips in 1970's. R1 is used to lower. Philips Universal Preamplifier Circuit Diagram.
From www.circuitdiagram.co
Valve Preamp Circuit Diagram Circuit Diagram Philips Universal Preamplifier Circuit Diagram To meet this broad requirement, most amplifier designers include a single universal preamplifier circuit. Preamp circuit is tda1524 from the company philips. My dear diy brothers this is regarding a circuit developed by philips in 1970's. I want to build a circuit that adds 4 analog audio signals together is there better way do this than the standard op amp. Philips Universal Preamplifier Circuit Diagram.
From schematicextremum.z19.web.core.windows.net
Philips Universal Preamplifier Circuit Diagram Philips Universal Preamplifier Circuit Diagram My dear diy brothers this is regarding a circuit developed by philips in 1970's. Preamp circuit is tda1524 from the company philips. R1 is used to lower the. It is a 40/25/15 watts amplifier with universal preamplifier. It is a 40/25/15 watts amplifier with universal. His involvement this circuit can with a minimum of external components to. I want to. Philips Universal Preamplifier Circuit Diagram.
From www.circuitdiagram.co
Universal Stereo Preamplifier Circuit Diagram Circuit Diagram Philips Universal Preamplifier Circuit Diagram I want to build a circuit that adds 4 analog audio signals together is there better way do this than the standard op amp summing. My dear diy brothers this is regarding a circuit developed by philips in 1970's. This is regarding a circuit developed by philips in 1970's. To meet this broad requirement, most amplifier designers include a single. Philips Universal Preamplifier Circuit Diagram.
From www.wiringdraw.com
Stereo Preamp Circuit Diagram » Wiring Draw And Schematic Philips Universal Preamplifier Circuit Diagram My dear diy brothers this is regarding a circuit developed by philips in 1970's. R1 is used to lower the. To meet this broad requirement, most amplifier designers include a single universal preamplifier circuit. The universal preamplifier circuit combines the input signals to the base of q1 through the isolating capacitor c1. It is a 40/25/15 watts amplifier with universal.. Philips Universal Preamplifier Circuit Diagram.
From enginelibraryeisenhauer.z19.web.core.windows.net
Audio Preamplifier Circuit Diagram Philips Universal Preamplifier Circuit Diagram It is a 40/25/15 watts amplifier with universal. R1 is used to lower the. This is regarding a circuit developed by philips in 1970's. It is a 40/25/15 watts amplifier with universal preamplifier. I want to build a circuit that adds 4 analog audio signals together is there better way do this than the standard op amp summing. To meet. Philips Universal Preamplifier Circuit Diagram.
From www.circuitdiagram.co
Fet Guitar Preamplifier Schematics Circuit Diagram Philips Universal Preamplifier Circuit Diagram (c) i had made the philips universal preamp in 1991, and according to my memory, it was an excellent match to the 40 w amplifier. My dear diy brothers this is regarding a circuit developed by philips in 1970's. It is a 40/25/15 watts amplifier with universal preamplifier. I want to build a circuit that adds 4 analog audio signals. Philips Universal Preamplifier Circuit Diagram.
From www.wiringdraw.com
Stereo Preamp Circuit Diagram Philips Universal Preamplifier Circuit Diagram It is a 40/25/15 watts amplifier with universal preamplifier. The universal preamplifier circuit combines the input signals to the base of q1 through the isolating capacitor c1. I want to build a circuit that adds 4 analog audio signals together is there better way do this than the standard op amp summing. This is regarding a circuit developed by philips. Philips Universal Preamplifier Circuit Diagram.
From www.circuitdiagram.co
Hifi Audio Preamp Circuit Diagram Circuit Diagram Philips Universal Preamplifier Circuit Diagram To meet this broad requirement, most amplifier designers include a single universal preamplifier circuit. Preamp circuit is tda1524 from the company philips. (c) i had made the philips universal preamp in 1991, and according to my memory, it was an excellent match to the 40 w amplifier. The universal preamplifier circuit combines the input signals to the base of q1. Philips Universal Preamplifier Circuit Diagram.
From www.electroschematics.com
Class A Preamplifier Circuit Philips Universal Preamplifier Circuit Diagram I want to build a circuit that adds 4 analog audio signals together is there better way do this than the standard op amp summing. It is a 40/25/15 watts amplifier with universal. To meet this broad requirement, most amplifier designers include a single universal preamplifier circuit. It is a 40/25/15 watts amplifier with universal preamplifier. His involvement this circuit. Philips Universal Preamplifier Circuit Diagram.
From www.wiringscan.com
Stereo Preamp Circuit Diagram Wiring Scan Philips Universal Preamplifier Circuit Diagram His involvement this circuit can with a minimum of external components to. The universal preamplifier circuit combines the input signals to the base of q1 through the isolating capacitor c1. It is a 40/25/15 watts amplifier with universal. This is regarding a circuit developed by philips in 1970's. My dear diy brothers this is regarding a circuit developed by philips. Philips Universal Preamplifier Circuit Diagram.
From www.circuitdiagram.co
Guitar Preamp Circuit Diagram Pdf Circuit Diagram Philips Universal Preamplifier Circuit Diagram To meet this broad requirement, most amplifier designers include a single universal preamplifier circuit. It is a 40/25/15 watts amplifier with universal. The universal preamplifier circuit combines the input signals to the base of q1 through the isolating capacitor c1. This is regarding a circuit developed by philips in 1970's. (c) i had made the philips universal preamp in 1991,. Philips Universal Preamplifier Circuit Diagram.
From guidewiringhousehold.z14.web.core.windows.net
Philips Universal Preamplifier Circuit Diagram Philips Universal Preamplifier Circuit Diagram (c) i had made the philips universal preamp in 1991, and according to my memory, it was an excellent match to the 40 w amplifier. This is regarding a circuit developed by philips in 1970's. I want to build a circuit that adds 4 analog audio signals together is there better way do this than the standard op amp summing.. Philips Universal Preamplifier Circuit Diagram.
From schematicextremum.z19.web.core.windows.net
Philips Universal Preamplifier Circuit Diagram Philips Universal Preamplifier Circuit Diagram I want to build a circuit that adds 4 analog audio signals together is there better way do this than the standard op amp summing. Preamp circuit is tda1524 from the company philips. It is a 40/25/15 watts amplifier with universal. The universal preamplifier circuit combines the input signals to the base of q1 through the isolating capacitor c1. It. Philips Universal Preamplifier Circuit Diagram.
From www.circuitdiagram.co
Subwoofer Preamp Circuit Diagram Philips Universal Preamplifier Circuit Diagram His involvement this circuit can with a minimum of external components to. The universal preamplifier circuit combines the input signals to the base of q1 through the isolating capacitor c1. Preamp circuit is tda1524 from the company philips. It is a 40/25/15 watts amplifier with universal preamplifier. R1 is used to lower the. It is a 40/25/15 watts amplifier with. Philips Universal Preamplifier Circuit Diagram.
From www.organised-sound.com
Best Preamplifier Circuit Diagram » Wiring Diagram Philips Universal Preamplifier Circuit Diagram His involvement this circuit can with a minimum of external components to. It is a 40/25/15 watts amplifier with universal preamplifier. My dear diy brothers this is regarding a circuit developed by philips in 1970's. R1 is used to lower the. This is regarding a circuit developed by philips in 1970's. (c) i had made the philips universal preamp in. Philips Universal Preamplifier Circuit Diagram.
From skemamixer.blogspot.com
Konsep 33+ Preamplifier Circuit Diagram Philips Universal Preamplifier Circuit Diagram His involvement this circuit can with a minimum of external components to. It is a 40/25/15 watts amplifier with universal preamplifier. I want to build a circuit that adds 4 analog audio signals together is there better way do this than the standard op amp summing. The universal preamplifier circuit combines the input signals to the base of q1 through. Philips Universal Preamplifier Circuit Diagram.
From guidewiringhousehold.z14.web.core.windows.net
Philips Universal Preamplifier Circuit Diagram Philips Universal Preamplifier Circuit Diagram To meet this broad requirement, most amplifier designers include a single universal preamplifier circuit. The universal preamplifier circuit combines the input signals to the base of q1 through the isolating capacitor c1. (c) i had made the philips universal preamp in 1991, and according to my memory, it was an excellent match to the 40 w amplifier. Preamp circuit is. Philips Universal Preamplifier Circuit Diagram.
From electronicshelponline.blogspot.com
Philips Stereo 22AR58000 Radio Recorder Schematic Diagram and Philips Universal Preamplifier Circuit Diagram I want to build a circuit that adds 4 analog audio signals together is there better way do this than the standard op amp summing. It is a 40/25/15 watts amplifier with universal preamplifier. This is regarding a circuit developed by philips in 1970's. (c) i had made the philips universal preamp in 1991, and according to my memory, it. Philips Universal Preamplifier Circuit Diagram.
From www.circuits-diy.com
Simple Preamplifier Circuits Philips Universal Preamplifier Circuit Diagram My dear diy brothers this is regarding a circuit developed by philips in 1970's. His involvement this circuit can with a minimum of external components to. R1 is used to lower the. It is a 40/25/15 watts amplifier with universal preamplifier. The universal preamplifier circuit combines the input signals to the base of q1 through the isolating capacitor c1. I. Philips Universal Preamplifier Circuit Diagram.
From www.circuitdiagram.co
Simple Op Amp Preamp Circuit Circuit Diagram Philips Universal Preamplifier Circuit Diagram This is regarding a circuit developed by philips in 1970's. R1 is used to lower the. To meet this broad requirement, most amplifier designers include a single universal preamplifier circuit. My dear diy brothers this is regarding a circuit developed by philips in 1970's. (c) i had made the philips universal preamp in 1991, and according to my memory, it. Philips Universal Preamplifier Circuit Diagram.
From fixpartandrea.z19.web.core.windows.net
Philips Universal Preamplifier Circuit Diagram Philips Universal Preamplifier Circuit Diagram It is a 40/25/15 watts amplifier with universal. Preamp circuit is tda1524 from the company philips. His involvement this circuit can with a minimum of external components to. To meet this broad requirement, most amplifier designers include a single universal preamplifier circuit. My dear diy brothers this is regarding a circuit developed by philips in 1970's. The universal preamplifier circuit. Philips Universal Preamplifier Circuit Diagram.
From www.flowschema.com
4558 Ic Preamplifier Circuit Diagram Wiring Flow Schema Philips Universal Preamplifier Circuit Diagram Preamp circuit is tda1524 from the company philips. It is a 40/25/15 watts amplifier with universal preamplifier. The universal preamplifier circuit combines the input signals to the base of q1 through the isolating capacitor c1. His involvement this circuit can with a minimum of external components to. This is regarding a circuit developed by philips in 1970's. (c) i had. Philips Universal Preamplifier Circuit Diagram.
From www.wiringdigital.com
Stereo Preamp Circuit Diagram Wiring Digital and Schematic Philips Universal Preamplifier Circuit Diagram It is a 40/25/15 watts amplifier with universal. To meet this broad requirement, most amplifier designers include a single universal preamplifier circuit. Preamp circuit is tda1524 from the company philips. R1 is used to lower the. My dear diy brothers this is regarding a circuit developed by philips in 1970's. This is regarding a circuit developed by philips in 1970's.. Philips Universal Preamplifier Circuit Diagram.
From enginediagramhanson.z13.web.core.windows.net
Philips Universal Preamplifier Circuit Diagram Philips Universal Preamplifier Circuit Diagram (c) i had made the philips universal preamp in 1991, and according to my memory, it was an excellent match to the 40 w amplifier. It is a 40/25/15 watts amplifier with universal. R1 is used to lower the. Preamp circuit is tda1524 from the company philips. The universal preamplifier circuit combines the input signals to the base of q1. Philips Universal Preamplifier Circuit Diagram.