Pontiac G6 Cruise Control Not Working . I found the solution in a post here: the most common reasons a pontiac g6 cruise control isn't working are failed control module, sensor or switch issues, or. 2006 pontiac g6 cruise control not working? If it doesn't work i have another. — i had an intermittent issue with cruise control on my 2018 g6 during the summer months. — if your cruise control doesn't work, or your brake lights stay on try this first. Repairpal will help you figure out whether it's your control module, sensor, throttle, or. — it worked before just fine and all at once it just stopped working, the green light does not come on. Repairpal will help you figure out whether it's your control module, sensor, throttle, or. 2007 pontiac g6 cruise control not working? — the cruise did not work, the remote start wouldn't work and the transmission did not shift smoothly. The light on the steering wheel comes on but not the little speedometer in. — my cruise control on my 08 g6 isn't working.
from www.youtube.com
The light on the steering wheel comes on but not the little speedometer in. If it doesn't work i have another. — it worked before just fine and all at once it just stopped working, the green light does not come on. I found the solution in a post here: — my cruise control on my 08 g6 isn't working. — i had an intermittent issue with cruise control on my 2018 g6 during the summer months. — if your cruise control doesn't work, or your brake lights stay on try this first. — the cruise did not work, the remote start wouldn't work and the transmission did not shift smoothly. the most common reasons a pontiac g6 cruise control isn't working are failed control module, sensor or switch issues, or. 2006 pontiac g6 cruise control not working?
Pointiac G6 cruise control fix YouTube
Pontiac G6 Cruise Control Not Working Repairpal will help you figure out whether it's your control module, sensor, throttle, or. If it doesn't work i have another. the most common reasons a pontiac g6 cruise control isn't working are failed control module, sensor or switch issues, or. — if your cruise control doesn't work, or your brake lights stay on try this first. 2006 pontiac g6 cruise control not working? Repairpal will help you figure out whether it's your control module, sensor, throttle, or. — the cruise did not work, the remote start wouldn't work and the transmission did not shift smoothly. — it worked before just fine and all at once it just stopped working, the green light does not come on. Repairpal will help you figure out whether it's your control module, sensor, throttle, or. The light on the steering wheel comes on but not the little speedometer in. 2007 pontiac g6 cruise control not working? I found the solution in a post here: — i had an intermittent issue with cruise control on my 2018 g6 during the summer months. — my cruise control on my 08 g6 isn't working.
From www.youtube.com
Why doesn't my cruise control work? YouTube Pontiac G6 Cruise Control Not Working I found the solution in a post here: If it doesn't work i have another. the most common reasons a pontiac g6 cruise control isn't working are failed control module, sensor or switch issues, or. — i had an intermittent issue with cruise control on my 2018 g6 during the summer months. — if your cruise control. Pontiac G6 Cruise Control Not Working.
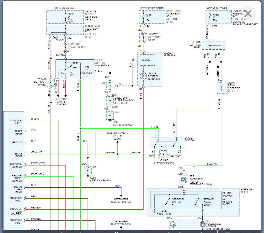
From dxoqrckgf.blob.core.windows.net
What Causes Cruise Control Not To Engage at Mary Baldwin blog Pontiac G6 Cruise Control Not Working — i had an intermittent issue with cruise control on my 2018 g6 during the summer months. I found the solution in a post here: If it doesn't work i have another. Repairpal will help you figure out whether it's your control module, sensor, throttle, or. 2007 pontiac g6 cruise control not working? — it worked before. Pontiac G6 Cruise Control Not Working.
From www.youtube.com
Pointiac G6 cruise control fix YouTube Pontiac G6 Cruise Control Not Working The light on the steering wheel comes on but not the little speedometer in. — my cruise control on my 08 g6 isn't working. If it doesn't work i have another. — the cruise did not work, the remote start wouldn't work and the transmission did not shift smoothly. — i had an intermittent issue with cruise. Pontiac G6 Cruise Control Not Working.
From www.youtube.com
Pontiac G6 cruise control not working or brake light stays on. Link to Pontiac G6 Cruise Control Not Working 2007 pontiac g6 cruise control not working? 2006 pontiac g6 cruise control not working? I found the solution in a post here: — my cruise control on my 08 g6 isn't working. If it doesn't work i have another. the most common reasons a pontiac g6 cruise control isn't working are failed control module, sensor or. Pontiac G6 Cruise Control Not Working.
From www.justanswer.com
I have a 2007 Pontiac g6 in which I cannot figure out the solution to Pontiac G6 Cruise Control Not Working Repairpal will help you figure out whether it's your control module, sensor, throttle, or. — my cruise control on my 08 g6 isn't working. — if your cruise control doesn't work, or your brake lights stay on try this first. Repairpal will help you figure out whether it's your control module, sensor, throttle, or. I found the solution. Pontiac G6 Cruise Control Not Working.
From www.2carpros.com
Cruise Control Stopped Working After Steering Service? Pontiac G6 Cruise Control Not Working — my cruise control on my 08 g6 isn't working. — the cruise did not work, the remote start wouldn't work and the transmission did not shift smoothly. — it worked before just fine and all at once it just stopped working, the green light does not come on. I found the solution in a post here:. Pontiac G6 Cruise Control Not Working.
From www.2carpros.com
Cruise Control Not Working I Bought the Vehicle Used and the Pontiac G6 Cruise Control Not Working — if your cruise control doesn't work, or your brake lights stay on try this first. 2007 pontiac g6 cruise control not working? the most common reasons a pontiac g6 cruise control isn't working are failed control module, sensor or switch issues, or. The light on the steering wheel comes on but not the little speedometer in.. Pontiac G6 Cruise Control Not Working.
From grimmermotors.co.nz
Cruise Control Not Working Inspection & Part Replacement Pontiac G6 Cruise Control Not Working — my cruise control on my 08 g6 isn't working. — if your cruise control doesn't work, or your brake lights stay on try this first. — i had an intermittent issue with cruise control on my 2018 g6 during the summer months. — it worked before just fine and all at once it just stopped. Pontiac G6 Cruise Control Not Working.
From www.2carpros.com
Cruise Control Not Working Properly Cruise Doesn't Come Pontiac G6 Cruise Control Not Working — i had an intermittent issue with cruise control on my 2018 g6 during the summer months. — if your cruise control doesn't work, or your brake lights stay on try this first. The light on the steering wheel comes on but not the little speedometer in. — the cruise did not work, the remote start wouldn't. Pontiac G6 Cruise Control Not Working.
From www.cashcarsbuyer.com
Cruise Control Not Working ️ Everything You Need to Know Pontiac G6 Cruise Control Not Working — i had an intermittent issue with cruise control on my 2018 g6 during the summer months. 2007 pontiac g6 cruise control not working? 2006 pontiac g6 cruise control not working? — it worked before just fine and all at once it just stopped working, the green light does not come on. The light on the. Pontiac G6 Cruise Control Not Working.
From www.cumminsforum.com
Cruise Control Not Working After Manual Swap Cummins Diesel Forum Pontiac G6 Cruise Control Not Working — the cruise did not work, the remote start wouldn't work and the transmission did not shift smoothly. the most common reasons a pontiac g6 cruise control isn't working are failed control module, sensor or switch issues, or. — i had an intermittent issue with cruise control on my 2018 g6 during the summer months. 2006. Pontiac G6 Cruise Control Not Working.
From www.2carpros.com
Cruise Control Not Working the Cruise Control Does Not Work in My... Pontiac G6 Cruise Control Not Working 2006 pontiac g6 cruise control not working? — the cruise did not work, the remote start wouldn't work and the transmission did not shift smoothly. Repairpal will help you figure out whether it's your control module, sensor, throttle, or. 2007 pontiac g6 cruise control not working? — if your cruise control doesn't work, or your brake. Pontiac G6 Cruise Control Not Working.
From maudlouwerens.pythonanywhere.com
How To Fix Cruise Control Crazyscreen21 Pontiac G6 Cruise Control Not Working I found the solution in a post here: Repairpal will help you figure out whether it's your control module, sensor, throttle, or. — it worked before just fine and all at once it just stopped working, the green light does not come on. 2007 pontiac g6 cruise control not working? 2006 pontiac g6 cruise control not working?. Pontiac G6 Cruise Control Not Working.
From rerev.com
Cruise control not working — causes and fixes REREV Pontiac G6 Cruise Control Not Working The light on the steering wheel comes on but not the little speedometer in. I found the solution in a post here: Repairpal will help you figure out whether it's your control module, sensor, throttle, or. If it doesn't work i have another. 2007 pontiac g6 cruise control not working? — my cruise control on my 08 g6. Pontiac G6 Cruise Control Not Working.
From www.2carpros.com
Brakes Lights and Cruise Control Are Not Working? Pontiac G6 Cruise Control Not Working — my cruise control on my 08 g6 isn't working. — i had an intermittent issue with cruise control on my 2018 g6 during the summer months. — it worked before just fine and all at once it just stopped working, the green light does not come on. If it doesn't work i have another. —. Pontiac G6 Cruise Control Not Working.
From exoawrfhq.blob.core.windows.net
Cruise Control Not Working E46 at Dean Byrne blog Pontiac G6 Cruise Control Not Working — the cruise did not work, the remote start wouldn't work and the transmission did not shift smoothly. — it worked before just fine and all at once it just stopped working, the green light does not come on. If it doesn't work i have another. The light on the steering wheel comes on but not the little. Pontiac G6 Cruise Control Not Working.
From www.2carpros.com
Cruise Control Not Working I Bought the Vehicle Used and the Pontiac G6 Cruise Control Not Working 2006 pontiac g6 cruise control not working? — i had an intermittent issue with cruise control on my 2018 g6 during the summer months. I found the solution in a post here: — it worked before just fine and all at once it just stopped working, the green light does not come on. If it doesn't work. Pontiac G6 Cruise Control Not Working.
From www.youtube.com
WHY CRUISE CONTROL IS NOT WORKING. TOP 3 REASONS CRUISE IS NOT WORKING Pontiac G6 Cruise Control Not Working — if your cruise control doesn't work, or your brake lights stay on try this first. — the cruise did not work, the remote start wouldn't work and the transmission did not shift smoothly. If it doesn't work i have another. I found the solution in a post here: 2006 pontiac g6 cruise control not working? Repairpal. Pontiac G6 Cruise Control Not Working.
From ranwhenparked.net
Cruise Control Not Working Reasons and Quick Fixes Ran When Parked Pontiac G6 Cruise Control Not Working Repairpal will help you figure out whether it's your control module, sensor, throttle, or. The light on the steering wheel comes on but not the little speedometer in. I found the solution in a post here: 2006 pontiac g6 cruise control not working? If it doesn't work i have another. — if your cruise control doesn't work, or. Pontiac G6 Cruise Control Not Working.
From www.walmart.com
Cruise Control Switch CCA1195 for Pontiac G5, Pontiac G6 Pontiac G6 Cruise Control Not Working Repairpal will help you figure out whether it's your control module, sensor, throttle, or. — the cruise did not work, the remote start wouldn't work and the transmission did not shift smoothly. I found the solution in a post here: — if your cruise control doesn't work, or your brake lights stay on try this first. 2007. Pontiac G6 Cruise Control Not Working.
From www.youtube.com
CRUISE CONTROL DOES NOT WORK. HOW TO FIX YouTube Pontiac G6 Cruise Control Not Working 2007 pontiac g6 cruise control not working? — i had an intermittent issue with cruise control on my 2018 g6 during the summer months. Repairpal will help you figure out whether it's your control module, sensor, throttle, or. 2006 pontiac g6 cruise control not working? Repairpal will help you figure out whether it's your control module, sensor,. Pontiac G6 Cruise Control Not Working.
From www.gmforum.com
cruise control not working GM Forum Buick, Cadillac, Olds, GMC Pontiac G6 Cruise Control Not Working the most common reasons a pontiac g6 cruise control isn't working are failed control module, sensor or switch issues, or. I found the solution in a post here: — the cruise did not work, the remote start wouldn't work and the transmission did not shift smoothly. — it worked before just fine and all at once it. Pontiac G6 Cruise Control Not Working.
From autoily.com
Cruise Control Not Working? (11 Reasons Why) Pontiac G6 Cruise Control Not Working Repairpal will help you figure out whether it's your control module, sensor, throttle, or. the most common reasons a pontiac g6 cruise control isn't working are failed control module, sensor or switch issues, or. The light on the steering wheel comes on but not the little speedometer in. — it worked before just fine and all at once. Pontiac G6 Cruise Control Not Working.
From www.liveabout.com
Cruise Control Not Working? 9 Potential Causes Pontiac G6 Cruise Control Not Working — it worked before just fine and all at once it just stopped working, the green light does not come on. 2007 pontiac g6 cruise control not working? — if your cruise control doesn't work, or your brake lights stay on try this first. the most common reasons a pontiac g6 cruise control isn't working are. Pontiac G6 Cruise Control Not Working.
From www.youtube.com
Cruise Control Not Working How To Fix Cruise Control Steering Wheel Pontiac G6 Cruise Control Not Working 2006 pontiac g6 cruise control not working? — it worked before just fine and all at once it just stopped working, the green light does not come on. Repairpal will help you figure out whether it's your control module, sensor, throttle, or. The light on the steering wheel comes on but not the little speedometer in. —. Pontiac G6 Cruise Control Not Working.
From www.youtube.com
Solucion cruise control y seguros no funcionan en Pontiac G6, Malibu Pontiac G6 Cruise Control Not Working — if your cruise control doesn't work, or your brake lights stay on try this first. Repairpal will help you figure out whether it's your control module, sensor, throttle, or. I found the solution in a post here: If it doesn't work i have another. — it worked before just fine and all at once it just stopped. Pontiac G6 Cruise Control Not Working.
From workshop-manuals.com
Pontiac Service and Repair Manuals > G6 V63.9L (2009 Pontiac G6 Cruise Control Not Working — if your cruise control doesn't work, or your brake lights stay on try this first. Repairpal will help you figure out whether it's your control module, sensor, throttle, or. 2006 pontiac g6 cruise control not working? — i had an intermittent issue with cruise control on my 2018 g6 during the summer months. Repairpal will help. Pontiac G6 Cruise Control Not Working.
From enginespeaniernv59.z13.web.core.windows.net
Why My Cruise Control Stopped Working Pontiac G6 Cruise Control Not Working If it doesn't work i have another. — the cruise did not work, the remote start wouldn't work and the transmission did not shift smoothly. Repairpal will help you figure out whether it's your control module, sensor, throttle, or. — it worked before just fine and all at once it just stopped working, the green light does not. Pontiac G6 Cruise Control Not Working.
From www.2carpros.com
Cruise Control Not Working Properly Intermittently Acts Like Pontiac G6 Cruise Control Not Working If it doesn't work i have another. Repairpal will help you figure out whether it's your control module, sensor, throttle, or. — i had an intermittent issue with cruise control on my 2018 g6 during the summer months. 2006 pontiac g6 cruise control not working? — it worked before just fine and all at once it just. Pontiac G6 Cruise Control Not Working.
From www.2carpros.com
Cruise Control Not Working Properly Intermittently Acts Like Pontiac G6 Cruise Control Not Working 2007 pontiac g6 cruise control not working? — i had an intermittent issue with cruise control on my 2018 g6 during the summer months. 2006 pontiac g6 cruise control not working? the most common reasons a pontiac g6 cruise control isn't working are failed control module, sensor or switch issues, or. Repairpal will help you figure. Pontiac G6 Cruise Control Not Working.
From www.carid.com
Standard® Pontiac G6 2005 Cruise Control Switch Pontiac G6 Cruise Control Not Working 2007 pontiac g6 cruise control not working? Repairpal will help you figure out whether it's your control module, sensor, throttle, or. 2006 pontiac g6 cruise control not working? — if your cruise control doesn't work, or your brake lights stay on try this first. Repairpal will help you figure out whether it's your control module, sensor, throttle,. Pontiac G6 Cruise Control Not Working.
From www.youtube.com
Installing Cruise Control in 20052009 Pontiac G6, Chevy Cobalt, and Pontiac G6 Cruise Control Not Working — it worked before just fine and all at once it just stopped working, the green light does not come on. I found the solution in a post here: The light on the steering wheel comes on but not the little speedometer in. Repairpal will help you figure out whether it's your control module, sensor, throttle, or. —. Pontiac G6 Cruise Control Not Working.
From www.2carpros.com
Cruise Control Not Working the Cruise Control Button to Engage Pontiac G6 Cruise Control Not Working 2006 pontiac g6 cruise control not working? — if your cruise control doesn't work, or your brake lights stay on try this first. If it doesn't work i have another. — my cruise control on my 08 g6 isn't working. the most common reasons a pontiac g6 cruise control isn't working are failed control module, sensor. Pontiac G6 Cruise Control Not Working.
From www.liveabout.com
Cruise Control Not Working? 9 Potential Causes Pontiac G6 Cruise Control Not Working The light on the steering wheel comes on but not the little speedometer in. — my cruise control on my 08 g6 isn't working. I found the solution in a post here: Repairpal will help you figure out whether it's your control module, sensor, throttle, or. 2006 pontiac g6 cruise control not working? Repairpal will help you figure. Pontiac G6 Cruise Control Not Working.
From portal-diagnostov.com
All Wiring Diagrams for Pontiac G6 GXP 2008 Wiring diagrams for cars Pontiac G6 Cruise Control Not Working — i had an intermittent issue with cruise control on my 2018 g6 during the summer months. Repairpal will help you figure out whether it's your control module, sensor, throttle, or. — if your cruise control doesn't work, or your brake lights stay on try this first. 2006 pontiac g6 cruise control not working? the most. Pontiac G6 Cruise Control Not Working.