Clock Spring Mini Cooper . Allmag auto parts has a large selection of both used and new genuine oem mini cooper parts. Air bag clock spring, slip ring h3210d; Don't be shy and give us a try! I ordered one that was from a junkyard and i am told a few conflicting stories. Genuine mini® parts & accessories. You can use the vin lookup feature to find parts that will. Minipartstore.com is your go to online retailer for original mini parts and accessories. When you purchase your clock spring (61316992509) from us you will always receive a genuine oem mini part. I have a 2010 mini cooper r56 and i need to replace the clock spring.
from partmcveighaspidistra.z21.web.core.windows.net
Allmag auto parts has a large selection of both used and new genuine oem mini cooper parts. You can use the vin lookup feature to find parts that will. I have a 2010 mini cooper r56 and i need to replace the clock spring. I ordered one that was from a junkyard and i am told a few conflicting stories. When you purchase your clock spring (61316992509) from us you will always receive a genuine oem mini part. Don't be shy and give us a try! Air bag clock spring, slip ring h3210d; Genuine mini® parts & accessories. Minipartstore.com is your go to online retailer for original mini parts and accessories.
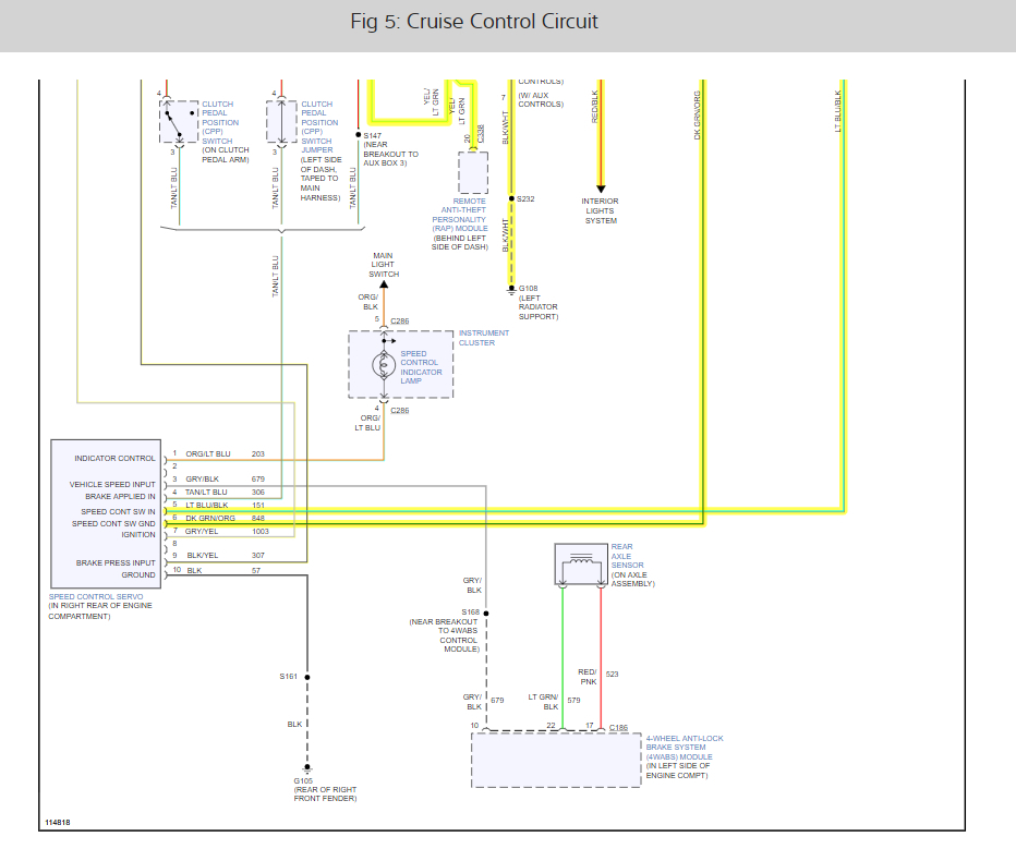
Clock Spring Wiring Diagram Mini Cooper
Clock Spring Mini Cooper Genuine mini® parts & accessories. I have a 2010 mini cooper r56 and i need to replace the clock spring. Minipartstore.com is your go to online retailer for original mini parts and accessories. Allmag auto parts has a large selection of both used and new genuine oem mini cooper parts. Genuine mini® parts & accessories. You can use the vin lookup feature to find parts that will. When you purchase your clock spring (61316992509) from us you will always receive a genuine oem mini part. Don't be shy and give us a try! Air bag clock spring, slip ring h3210d; I ordered one that was from a junkyard and i am told a few conflicting stories.
From www.youtube.com
Mini Cooper Clock Settings YouTube Clock Spring Mini Cooper Minipartstore.com is your go to online retailer for original mini parts and accessories. You can use the vin lookup feature to find parts that will. Allmag auto parts has a large selection of both used and new genuine oem mini cooper parts. I have a 2010 mini cooper r56 and i need to replace the clock spring. I ordered one. Clock Spring Mini Cooper.
From www.youtube.com
BMW MINI Cooper R50 Instrument cluster Clock removal YouTube Clock Spring Mini Cooper Don't be shy and give us a try! Allmag auto parts has a large selection of both used and new genuine oem mini cooper parts. When you purchase your clock spring (61316992509) from us you will always receive a genuine oem mini part. Genuine mini® parts & accessories. Minipartstore.com is your go to online retailer for original mini parts and. Clock Spring Mini Cooper.
From www.youtube.com
2007 Mini Cooper How to remove the column covers to remove the clock Clock Spring Mini Cooper Don't be shy and give us a try! I ordered one that was from a junkyard and i am told a few conflicting stories. Minipartstore.com is your go to online retailer for original mini parts and accessories. You can use the vin lookup feature to find parts that will. I have a 2010 mini cooper r56 and i need to. Clock Spring Mini Cooper.
From www.proxyparts.com
Airbag clock spring Mini Mini Open 1.6 16V Cooper 61316931806 Clock Spring Mini Cooper You can use the vin lookup feature to find parts that will. Air bag clock spring, slip ring h3210d; I have a 2010 mini cooper r56 and i need to replace the clock spring. Don't be shy and give us a try! Genuine mini® parts & accessories. When you purchase your clock spring (61316992509) from us you will always receive. Clock Spring Mini Cooper.
From www.youtube.com
Mini Cooper S R56 R57 Clock Reset. Set the clock time. Change the clock Clock Spring Mini Cooper I have a 2010 mini cooper r56 and i need to replace the clock spring. You can use the vin lookup feature to find parts that will. Don't be shy and give us a try! Air bag clock spring, slip ring h3210d; Allmag auto parts has a large selection of both used and new genuine oem mini cooper parts. When. Clock Spring Mini Cooper.
From www.proxyparts.com
Mini Cooper S Airbag clock springs stock Clock Spring Mini Cooper I ordered one that was from a junkyard and i am told a few conflicting stories. When you purchase your clock spring (61316992509) from us you will always receive a genuine oem mini part. Genuine mini® parts & accessories. Don't be shy and give us a try! Allmag auto parts has a large selection of both used and new genuine. Clock Spring Mini Cooper.
From partmcveighaspidistra.z21.web.core.windows.net
Clock Spring Wiring Diagram Mini Cooper Clock Spring Mini Cooper Genuine mini® parts & accessories. You can use the vin lookup feature to find parts that will. I have a 2010 mini cooper r56 and i need to replace the clock spring. Don't be shy and give us a try! Air bag clock spring, slip ring h3210d; Minipartstore.com is your go to online retailer for original mini parts and accessories.. Clock Spring Mini Cooper.
From www.youtube.com
How to Remove Clock Spring 0711 Mini Cooper S YouTube Clock Spring Mini Cooper Genuine mini® parts & accessories. When you purchase your clock spring (61316992509) from us you will always receive a genuine oem mini part. Allmag auto parts has a large selection of both used and new genuine oem mini cooper parts. Minipartstore.com is your go to online retailer for original mini parts and accessories. Don't be shy and give us a. Clock Spring Mini Cooper.
From www.youtube.com
How to set time and date clock adjusting clock Setup BMW Mini Cooper Clock Spring Mini Cooper Allmag auto parts has a large selection of both used and new genuine oem mini cooper parts. Air bag clock spring, slip ring h3210d; You can use the vin lookup feature to find parts that will. Don't be shy and give us a try! I have a 2010 mini cooper r56 and i need to replace the clock spring. I. Clock Spring Mini Cooper.
From www.northamericanmotoring.com
Mini Cooper Cuckoo clock NLA with horn and engine North American Clock Spring Mini Cooper I have a 2010 mini cooper r56 and i need to replace the clock spring. When you purchase your clock spring (61316992509) from us you will always receive a genuine oem mini part. Minipartstore.com is your go to online retailer for original mini parts and accessories. Allmag auto parts has a large selection of both used and new genuine oem. Clock Spring Mini Cooper.
From www.walmart.ca
Mini Cooper Car Collectible Desktop Mini Clock (C182RD) Walmart Canada Clock Spring Mini Cooper When you purchase your clock spring (61316992509) from us you will always receive a genuine oem mini part. You can use the vin lookup feature to find parts that will. Air bag clock spring, slip ring h3210d; I ordered one that was from a junkyard and i am told a few conflicting stories. Don't be shy and give us a. Clock Spring Mini Cooper.
From www.worthpoint.com
Mini Cooper Cuckoo Clock 1779392184 Clock Spring Mini Cooper When you purchase your clock spring (61316992509) from us you will always receive a genuine oem mini part. Don't be shy and give us a try! Genuine mini® parts & accessories. I have a 2010 mini cooper r56 and i need to replace the clock spring. Minipartstore.com is your go to online retailer for original mini parts and accessories. Air. Clock Spring Mini Cooper.
From www.cafepress.com
Classic Mini Cooper Wall Clock by FrankSchuster Clock Spring Mini Cooper Allmag auto parts has a large selection of both used and new genuine oem mini cooper parts. You can use the vin lookup feature to find parts that will. I ordered one that was from a junkyard and i am told a few conflicting stories. Genuine mini® parts & accessories. Air bag clock spring, slip ring h3210d; Don't be shy. Clock Spring Mini Cooper.
From www.etsy.com
Mini Cooper Classic Car Large 10inch Black Wall Clock Etsy Clock Spring Mini Cooper When you purchase your clock spring (61316992509) from us you will always receive a genuine oem mini part. You can use the vin lookup feature to find parts that will. Minipartstore.com is your go to online retailer for original mini parts and accessories. Air bag clock spring, slip ring h3210d; Genuine mini® parts & accessories. I have a 2010 mini. Clock Spring Mini Cooper.
From www.outmotoring.com
61316992509 MINI Cooper Replacement Coil Spring Cartridge MINI Cooper Clock Spring Mini Cooper When you purchase your clock spring (61316992509) from us you will always receive a genuine oem mini part. Air bag clock spring, slip ring h3210d; Allmag auto parts has a large selection of both used and new genuine oem mini cooper parts. You can use the vin lookup feature to find parts that will. Genuine mini® parts & accessories. I. Clock Spring Mini Cooper.
From www.proxyparts.com
Mini Cooper S Airbag clock springs stock Clock Spring Mini Cooper Air bag clock spring, slip ring h3210d; Don't be shy and give us a try! Allmag auto parts has a large selection of both used and new genuine oem mini cooper parts. When you purchase your clock spring (61316992509) from us you will always receive a genuine oem mini part. I ordered one that was from a junkyard and i. Clock Spring Mini Cooper.
From www.pinterest.jp
Lovely set of green Mini Cooper clocks making their way to a new Clock Spring Mini Cooper I ordered one that was from a junkyard and i am told a few conflicting stories. When you purchase your clock spring (61316992509) from us you will always receive a genuine oem mini part. Genuine mini® parts & accessories. You can use the vin lookup feature to find parts that will. I have a 2010 mini cooper r56 and i. Clock Spring Mini Cooper.
From www.proxyparts.com
Mini Cooper S Airbag clock springs stock Clock Spring Mini Cooper Allmag auto parts has a large selection of both used and new genuine oem mini cooper parts. You can use the vin lookup feature to find parts that will. Air bag clock spring, slip ring h3210d; I have a 2010 mini cooper r56 and i need to replace the clock spring. I ordered one that was from a junkyard and. Clock Spring Mini Cooper.
From www.ebay.com
Mini Cooper Clock Time Display R50 0206 OEM eBay Clock Spring Mini Cooper Don't be shy and give us a try! Allmag auto parts has a large selection of both used and new genuine oem mini cooper parts. Minipartstore.com is your go to online retailer for original mini parts and accessories. I ordered one that was from a junkyard and i am told a few conflicting stories. When you purchase your clock spring. Clock Spring Mini Cooper.
From www.youtube.com
MINI Cooper Daylight Savings Clock YouTube Clock Spring Mini Cooper Allmag auto parts has a large selection of both used and new genuine oem mini cooper parts. Minipartstore.com is your go to online retailer for original mini parts and accessories. Air bag clock spring, slip ring h3210d; Genuine mini® parts & accessories. I have a 2010 mini cooper r56 and i need to replace the clock spring. I ordered one. Clock Spring Mini Cooper.
From www.for-sale.co.uk
Mini Cooper Clock for sale in UK 78 used Mini Cooper Clocks Clock Spring Mini Cooper Genuine mini® parts & accessories. Minipartstore.com is your go to online retailer for original mini parts and accessories. Don't be shy and give us a try! I have a 2010 mini cooper r56 and i need to replace the clock spring. Air bag clock spring, slip ring h3210d; You can use the vin lookup feature to find parts that will.. Clock Spring Mini Cooper.
From www.proxyparts.com
Mini Cooper S Airbag clock springs stock Clock Spring Mini Cooper Don't be shy and give us a try! I ordered one that was from a junkyard and i am told a few conflicting stories. I have a 2010 mini cooper r56 and i need to replace the clock spring. Allmag auto parts has a large selection of both used and new genuine oem mini cooper parts. When you purchase your. Clock Spring Mini Cooper.
From www.youtube.com
Mini Clubman Cooper S Clock Reset set the time set the clock change the Clock Spring Mini Cooper Minipartstore.com is your go to online retailer for original mini parts and accessories. Allmag auto parts has a large selection of both used and new genuine oem mini cooper parts. Don't be shy and give us a try! I have a 2010 mini cooper r56 and i need to replace the clock spring. I ordered one that was from a. Clock Spring Mini Cooper.
From www.youtube.com
How to set clock in a 2008 MINI Cooper YouTube Clock Spring Mini Cooper I have a 2010 mini cooper r56 and i need to replace the clock spring. Allmag auto parts has a large selection of both used and new genuine oem mini cooper parts. Genuine mini® parts & accessories. When you purchase your clock spring (61316992509) from us you will always receive a genuine oem mini part. Don't be shy and give. Clock Spring Mini Cooper.
From schematicdbunexacted.z14.web.core.windows.net
Clock Spring Wiring Diagram Mini Cooper Clock Spring Mini Cooper When you purchase your clock spring (61316992509) from us you will always receive a genuine oem mini part. I have a 2010 mini cooper r56 and i need to replace the clock spring. Genuine mini® parts & accessories. Allmag auto parts has a large selection of both used and new genuine oem mini cooper parts. I ordered one that was. Clock Spring Mini Cooper.
From www.youtube.com
How to set clock on Mini Cooper How to set time on Mini Cooper YouTube Clock Spring Mini Cooper I ordered one that was from a junkyard and i am told a few conflicting stories. Air bag clock spring, slip ring h3210d; Minipartstore.com is your go to online retailer for original mini parts and accessories. I have a 2010 mini cooper r56 and i need to replace the clock spring. You can use the vin lookup feature to find. Clock Spring Mini Cooper.
From www.worthpoint.com
BMW Mini Cooper Cuckoo Wall Clock Extremely Rare & Collectable Clock Spring Mini Cooper Don't be shy and give us a try! You can use the vin lookup feature to find parts that will. When you purchase your clock spring (61316992509) from us you will always receive a genuine oem mini part. I ordered one that was from a junkyard and i am told a few conflicting stories. I have a 2010 mini cooper. Clock Spring Mini Cooper.
From www.ebay.com
Mini Cooper Clock Time Display R50 0206 OEM R53 S eBay Clock Spring Mini Cooper Minipartstore.com is your go to online retailer for original mini parts and accessories. I ordered one that was from a junkyard and i am told a few conflicting stories. I have a 2010 mini cooper r56 and i need to replace the clock spring. Don't be shy and give us a try! When you purchase your clock spring (61316992509) from. Clock Spring Mini Cooper.
From www.etsy.com
Mini Cooper Wooden Wall Clock Etsy Clock Spring Mini Cooper Genuine mini® parts & accessories. Minipartstore.com is your go to online retailer for original mini parts and accessories. Don't be shy and give us a try! I ordered one that was from a junkyard and i am told a few conflicting stories. Air bag clock spring, slip ring h3210d; You can use the vin lookup feature to find parts that. Clock Spring Mini Cooper.
From www.northamericanmotoring.com
Mini Cooper Cuckoo clock NLA with horn and engine North American Clock Spring Mini Cooper Don't be shy and give us a try! You can use the vin lookup feature to find parts that will. I ordered one that was from a junkyard and i am told a few conflicting stories. Minipartstore.com is your go to online retailer for original mini parts and accessories. When you purchase your clock spring (61316992509) from us you will. Clock Spring Mini Cooper.
From www.ebay.com
MINI Cooper Clubman R55 R56 Clock Spring Clockspring Steering Column Clock Spring Mini Cooper Genuine mini® parts & accessories. Don't be shy and give us a try! When you purchase your clock spring (61316992509) from us you will always receive a genuine oem mini part. You can use the vin lookup feature to find parts that will. Air bag clock spring, slip ring h3210d; I have a 2010 mini cooper r56 and i need. Clock Spring Mini Cooper.
From www.outmotoring.com
61316992509 MINI Cooper Replacement Coil Spring Cartridge MINI Cooper Clock Spring Mini Cooper Genuine mini® parts & accessories. Air bag clock spring, slip ring h3210d; You can use the vin lookup feature to find parts that will. When you purchase your clock spring (61316992509) from us you will always receive a genuine oem mini part. I have a 2010 mini cooper r56 and i need to replace the clock spring. Don't be shy. Clock Spring Mini Cooper.
From www.proxyparts.com
Mini Cooper S Airbag clock springs stock Clock Spring Mini Cooper Allmag auto parts has a large selection of both used and new genuine oem mini cooper parts. I have a 2010 mini cooper r56 and i need to replace the clock spring. Minipartstore.com is your go to online retailer for original mini parts and accessories. Air bag clock spring, slip ring h3210d; Don't be shy and give us a try!. Clock Spring Mini Cooper.
From www.proxyparts.com
Mini Cooper S Airbag clock springs stock Clock Spring Mini Cooper Allmag auto parts has a large selection of both used and new genuine oem mini cooper parts. When you purchase your clock spring (61316992509) from us you will always receive a genuine oem mini part. You can use the vin lookup feature to find parts that will. Air bag clock spring, slip ring h3210d; Minipartstore.com is your go to online. Clock Spring Mini Cooper.
From www.mini2.com
Mini Cooper Mini Speedometer Design Cuckoo Wall Watch Clock MINI Clock Spring Mini Cooper I have a 2010 mini cooper r56 and i need to replace the clock spring. Allmag auto parts has a large selection of both used and new genuine oem mini cooper parts. Air bag clock spring, slip ring h3210d; Don't be shy and give us a try! You can use the vin lookup feature to find parts that will. I. Clock Spring Mini Cooper.