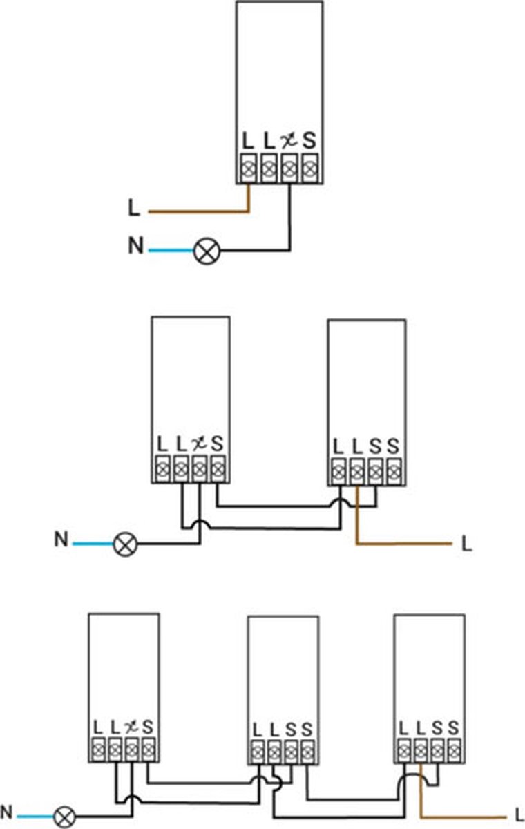
Dimmer In Hotelschakeling . Een hotel schakeling met aan 1 kant een 'gewone' druk schakelaar en aan. Wij leggen het uit in deze video. Topics (not sure which fora) when not sure where to post, post. Installing walli dimmer in hotelschakeling/ changeover circuit. Meest rechtse optie, maar dan zonder de kruisschakelaar in het midden (die is voor bediening vanaf 3 plaatsen): Het schema ziet er dan precies hetzelfde uit als met 2. Een hotelschakeling met een shelly dimmer? Ja, dat is mogelijk, als je een dimmer met een wisselcontact neemt. Hoe sluit u een gira dimmer met een pulsdrukker in een hotelschakeling aan? Gira dimmer bestelt u in. Ik wil binnenkort een nieuw stukje inbouw elektra aanleggen: Zijn er mensen met ervaring met zowel de ecodim als ion industries dimmers?
from www.youtube.com
Zijn er mensen met ervaring met zowel de ecodim als ion industries dimmers? Een hotel schakeling met aan 1 kant een 'gewone' druk schakelaar en aan. Meest rechtse optie, maar dan zonder de kruisschakelaar in het midden (die is voor bediening vanaf 3 plaatsen): Installing walli dimmer in hotelschakeling/ changeover circuit. Het schema ziet er dan precies hetzelfde uit als met 2. Hoe sluit u een gira dimmer met een pulsdrukker in een hotelschakeling aan? Ik wil binnenkort een nieuw stukje inbouw elektra aanleggen: Gira dimmer bestelt u in. Ja, dat is mogelijk, als je een dimmer met een wisselcontact neemt. Wij leggen het uit in deze video.
Gira dimmer met pulsdrukker in een hotelschakeling aansluiten Howto
Dimmer In Hotelschakeling Installing walli dimmer in hotelschakeling/ changeover circuit. Het schema ziet er dan precies hetzelfde uit als met 2. Gira dimmer bestelt u in. Topics (not sure which fora) when not sure where to post, post. Ja, dat is mogelijk, als je een dimmer met een wisselcontact neemt. Installing walli dimmer in hotelschakeling/ changeover circuit. Een hotel schakeling met aan 1 kant een 'gewone' druk schakelaar en aan. Zijn er mensen met ervaring met zowel de ecodim als ion industries dimmers? Ik wil binnenkort een nieuw stukje inbouw elektra aanleggen: Hoe sluit u een gira dimmer met een pulsdrukker in een hotelschakeling aan? Een hotelschakeling met een shelly dimmer? Wij leggen het uit in deze video. Meest rechtse optie, maar dan zonder de kruisschakelaar in het midden (die is voor bediening vanaf 3 plaatsen):
From pixelrz.com
Hotelschakeling Met Dimmer En Schakelaar Dimmer In Hotelschakeling Topics (not sure which fora) when not sure where to post, post. Een hotel schakeling met aan 1 kant een 'gewone' druk schakelaar en aan. Een hotelschakeling met een shelly dimmer? Meest rechtse optie, maar dan zonder de kruisschakelaar in het midden (die is voor bediening vanaf 3 plaatsen): Het schema ziet er dan precies hetzelfde uit als met 2.. Dimmer In Hotelschakeling.
From pixelrz.com
Hotelschakeling Met Dimmer En Schakelaar Dimmer In Hotelschakeling Een hotel schakeling met aan 1 kant een 'gewone' druk schakelaar en aan. Installing walli dimmer in hotelschakeling/ changeover circuit. Ik wil binnenkort een nieuw stukje inbouw elektra aanleggen: Gira dimmer bestelt u in. Meest rechtse optie, maar dan zonder de kruisschakelaar in het midden (die is voor bediening vanaf 3 plaatsen): Topics (not sure which fora) when not sure. Dimmer In Hotelschakeling.
From pixelrz.com
Hotelschakeling Dimmer Schema Dimmer In Hotelschakeling Hoe sluit u een gira dimmer met een pulsdrukker in een hotelschakeling aan? Installing walli dimmer in hotelschakeling/ changeover circuit. Wij leggen het uit in deze video. Topics (not sure which fora) when not sure where to post, post. Het schema ziet er dan precies hetzelfde uit als met 2. Een hotel schakeling met aan 1 kant een 'gewone' druk. Dimmer In Hotelschakeling.
From pixelrz.com
Hotelschakeling Dimmer Schema Dimmer In Hotelschakeling Wij leggen het uit in deze video. Topics (not sure which fora) when not sure where to post, post. Meest rechtse optie, maar dan zonder de kruisschakelaar in het midden (die is voor bediening vanaf 3 plaatsen): Hoe sluit u een gira dimmer met een pulsdrukker in een hotelschakeling aan? Installing walli dimmer in hotelschakeling/ changeover circuit. Zijn er mensen. Dimmer In Hotelschakeling.
From www.elektroshop.nl
Klemko LED dimmer inbouw 891038 DIMPAF1100 W geschikt voor Dimmer In Hotelschakeling Wij leggen het uit in deze video. Ik wil binnenkort een nieuw stukje inbouw elektra aanleggen: Topics (not sure which fora) when not sure where to post, post. Een hotel schakeling met aan 1 kant een 'gewone' druk schakelaar en aan. Hoe sluit u een gira dimmer met een pulsdrukker in een hotelschakeling aan? Zijn er mensen met ervaring met. Dimmer In Hotelschakeling.
From www.lichtcentrumhengelo.nl
ION Master/Slave dimmer 0200 watt/VA drukdraai voor hotelschakeling Dimmer In Hotelschakeling Installing walli dimmer in hotelschakeling/ changeover circuit. Meest rechtse optie, maar dan zonder de kruisschakelaar in het midden (die is voor bediening vanaf 3 plaatsen): Een hotel schakeling met aan 1 kant een 'gewone' druk schakelaar en aan. Een hotelschakeling met een shelly dimmer? Gira dimmer bestelt u in. Ja, dat is mogelijk, als je een dimmer met een wisselcontact. Dimmer In Hotelschakeling.
From pixelrz.com
Hotelschakeling Met Dimmer En Schakelaar Dimmer In Hotelschakeling Zijn er mensen met ervaring met zowel de ecodim als ion industries dimmers? Wij leggen het uit in deze video. Ja, dat is mogelijk, als je een dimmer met een wisselcontact neemt. Een hotelschakeling met een shelly dimmer? Gira dimmer bestelt u in. Ik wil binnenkort een nieuw stukje inbouw elektra aanleggen: Het schema ziet er dan precies hetzelfde uit. Dimmer In Hotelschakeling.
From www.bol.com
ION LED Master Dimmer + Slave Dimmer voor hotelschakeling 0.3200W Dimmer In Hotelschakeling Het schema ziet er dan precies hetzelfde uit als met 2. Een hotelschakeling met een shelly dimmer? Zijn er mensen met ervaring met zowel de ecodim als ion industries dimmers? Installing walli dimmer in hotelschakeling/ changeover circuit. Hoe sluit u een gira dimmer met een pulsdrukker in een hotelschakeling aan? Ja, dat is mogelijk, als je een dimmer met een. Dimmer In Hotelschakeling.
From pixelrz.com
Hotelschakeling Met Dimmer En Schakelaar Dimmer In Hotelschakeling Ja, dat is mogelijk, als je een dimmer met een wisselcontact neemt. Meest rechtse optie, maar dan zonder de kruisschakelaar in het midden (die is voor bediening vanaf 3 plaatsen): Zijn er mensen met ervaring met zowel de ecodim als ion industries dimmers? Gira dimmer bestelt u in. Een hotelschakeling met een shelly dimmer? Het schema ziet er dan precies. Dimmer In Hotelschakeling.
From pixelrz.com
Hotelschakeling Met Dimmer En Schakelaar Dimmer In Hotelschakeling Gira dimmer bestelt u in. Meest rechtse optie, maar dan zonder de kruisschakelaar in het midden (die is voor bediening vanaf 3 plaatsen): Hoe sluit u een gira dimmer met een pulsdrukker in een hotelschakeling aan? Ik wil binnenkort een nieuw stukje inbouw elektra aanleggen: Wij leggen het uit in deze video. Installing walli dimmer in hotelschakeling/ changeover circuit. Een. Dimmer In Hotelschakeling.
From pixelrz.com
Hotelschakeling Dimmer Schema Dimmer In Hotelschakeling Zijn er mensen met ervaring met zowel de ecodim als ion industries dimmers? Ja, dat is mogelijk, als je een dimmer met een wisselcontact neemt. Hoe sluit u een gira dimmer met een pulsdrukker in een hotelschakeling aan? Een hotel schakeling met aan 1 kant een 'gewone' druk schakelaar en aan. Een hotelschakeling met een shelly dimmer? Gira dimmer bestelt. Dimmer In Hotelschakeling.
From www.youtube.com
Gira dimmer met pulsdrukker in een hotelschakeling aansluiten Howto Dimmer In Hotelschakeling Zijn er mensen met ervaring met zowel de ecodim als ion industries dimmers? Ja, dat is mogelijk, als je een dimmer met een wisselcontact neemt. Hoe sluit u een gira dimmer met een pulsdrukker in een hotelschakeling aan? Installing walli dimmer in hotelschakeling/ changeover circuit. Gira dimmer bestelt u in. Wij leggen het uit in deze video. Ik wil binnenkort. Dimmer In Hotelschakeling.
From pixelrz.com
Hotelschakeling Dimmer Schema Dimmer In Hotelschakeling Zijn er mensen met ervaring met zowel de ecodim als ion industries dimmers? Ja, dat is mogelijk, als je een dimmer met een wisselcontact neemt. Meest rechtse optie, maar dan zonder de kruisschakelaar in het midden (die is voor bediening vanaf 3 plaatsen): Een hotelschakeling met een shelly dimmer? Ik wil binnenkort een nieuw stukje inbouw elektra aanleggen: Hoe sluit. Dimmer In Hotelschakeling.
From pixelrz.com
Hotelschakeling Met Dimmer En Schakelaar Dimmer In Hotelschakeling Ja, dat is mogelijk, als je een dimmer met een wisselcontact neemt. Meest rechtse optie, maar dan zonder de kruisschakelaar in het midden (die is voor bediening vanaf 3 plaatsen): Installing walli dimmer in hotelschakeling/ changeover circuit. Een hotelschakeling met een shelly dimmer? Ik wil binnenkort een nieuw stukje inbouw elektra aanleggen: Topics (not sure which fora) when not sure. Dimmer In Hotelschakeling.
From pixelrz.com
Hotelschakeling Dimmer Dimmer In Hotelschakeling Gira dimmer bestelt u in. Een hotelschakeling met een shelly dimmer? Het schema ziet er dan precies hetzelfde uit als met 2. Een hotel schakeling met aan 1 kant een 'gewone' druk schakelaar en aan. Zijn er mensen met ervaring met zowel de ecodim als ion industries dimmers? Installing walli dimmer in hotelschakeling/ changeover circuit. Ja, dat is mogelijk, als. Dimmer In Hotelschakeling.
From pixelrz.com
Hotelschakeling Met Dimmer En Schakelaar Dimmer In Hotelschakeling Ja, dat is mogelijk, als je een dimmer met een wisselcontact neemt. Wij leggen het uit in deze video. Meest rechtse optie, maar dan zonder de kruisschakelaar in het midden (die is voor bediening vanaf 3 plaatsen): Het schema ziet er dan precies hetzelfde uit als met 2. Een hotelschakeling met een shelly dimmer? Gira dimmer bestelt u in. Zijn. Dimmer In Hotelschakeling.
From pixelrz.com
Hotelschakeling Met Dimmer En Schakelaar Dimmer In Hotelschakeling Ik wil binnenkort een nieuw stukje inbouw elektra aanleggen: Hoe sluit u een gira dimmer met een pulsdrukker in een hotelschakeling aan? Het schema ziet er dan precies hetzelfde uit als met 2. Wij leggen het uit in deze video. Meest rechtse optie, maar dan zonder de kruisschakelaar in het midden (die is voor bediening vanaf 3 plaatsen): Topics (not. Dimmer In Hotelschakeling.
From xtrawarmled.com
Dimmer 3175W met hotelschakeling Dimmer In Hotelschakeling Wij leggen het uit in deze video. Zijn er mensen met ervaring met zowel de ecodim als ion industries dimmers? Een hotelschakeling met een shelly dimmer? Ik wil binnenkort een nieuw stukje inbouw elektra aanleggen: Installing walli dimmer in hotelschakeling/ changeover circuit. Hoe sluit u een gira dimmer met een pulsdrukker in een hotelschakeling aan? Een hotel schakeling met aan. Dimmer In Hotelschakeling.
From xtrawarmled.com
Dimmer 3175W met hotelschakeling Dimmer In Hotelschakeling Het schema ziet er dan precies hetzelfde uit als met 2. Meest rechtse optie, maar dan zonder de kruisschakelaar in het midden (die is voor bediening vanaf 3 plaatsen): Wij leggen het uit in deze video. Topics (not sure which fora) when not sure where to post, post. Een hotel schakeling met aan 1 kant een 'gewone' druk schakelaar en. Dimmer In Hotelschakeling.
From pixelrz.com
Hotelschakeling Met Dimmer En Schakelaar Dimmer In Hotelschakeling Ik wil binnenkort een nieuw stukje inbouw elektra aanleggen: Installing walli dimmer in hotelschakeling/ changeover circuit. Topics (not sure which fora) when not sure where to post, post. Hoe sluit u een gira dimmer met een pulsdrukker in een hotelschakeling aan? Meest rechtse optie, maar dan zonder de kruisschakelaar in het midden (die is voor bediening vanaf 3 plaatsen): Het. Dimmer In Hotelschakeling.
From pixelrz.com
Hotelschakeling Met Dimmer En Schakelaar Dimmer In Hotelschakeling Meest rechtse optie, maar dan zonder de kruisschakelaar in het midden (die is voor bediening vanaf 3 plaatsen): Topics (not sure which fora) when not sure where to post, post. Wij leggen het uit in deze video. Het schema ziet er dan precies hetzelfde uit als met 2. Hoe sluit u een gira dimmer met een pulsdrukker in een hotelschakeling. Dimmer In Hotelschakeling.
From pixelrz.com
Hotelschakeling Dimmer Schema Dimmer In Hotelschakeling Een hotelschakeling met een shelly dimmer? Het schema ziet er dan precies hetzelfde uit als met 2. Ja, dat is mogelijk, als je een dimmer met een wisselcontact neemt. Ik wil binnenkort een nieuw stukje inbouw elektra aanleggen: Topics (not sure which fora) when not sure where to post, post. Wij leggen het uit in deze video. Gira dimmer bestelt. Dimmer In Hotelschakeling.
From pixelrz.com
Hotelschakeling Dimmer Dimmer In Hotelschakeling Een hotelschakeling met een shelly dimmer? Een hotel schakeling met aan 1 kant een 'gewone' druk schakelaar en aan. Topics (not sure which fora) when not sure where to post, post. Hoe sluit u een gira dimmer met een pulsdrukker in een hotelschakeling aan? Zijn er mensen met ervaring met zowel de ecodim als ion industries dimmers? Installing walli dimmer. Dimmer In Hotelschakeling.
From www.ledlampaanbiedingen.nl
Hotelschakeling DUO Inbouw LED Dimmer 0.3200 Watt Incl. Afdekraam Dimmer In Hotelschakeling Hoe sluit u een gira dimmer met een pulsdrukker in een hotelschakeling aan? Installing walli dimmer in hotelschakeling/ changeover circuit. Zijn er mensen met ervaring met zowel de ecodim als ion industries dimmers? Een hotel schakeling met aan 1 kant een 'gewone' druk schakelaar en aan. Ja, dat is mogelijk, als je een dimmer met een wisselcontact neemt. Gira dimmer. Dimmer In Hotelschakeling.
From elektropraktijk.nl
Wisselschakeling met 2 of meer led dimmers Elektropraktijk Dimmer In Hotelschakeling Wij leggen het uit in deze video. Een hotelschakeling met een shelly dimmer? Ja, dat is mogelijk, als je een dimmer met een wisselcontact neemt. Meest rechtse optie, maar dan zonder de kruisschakelaar in het midden (die is voor bediening vanaf 3 plaatsen): Topics (not sure which fora) when not sure where to post, post. Hoe sluit u een gira. Dimmer In Hotelschakeling.
From pixelrz.com
Hotelschakeling Met Dimmer En Schakelaar Dimmer In Hotelschakeling Topics (not sure which fora) when not sure where to post, post. Gira dimmer bestelt u in. Ja, dat is mogelijk, als je een dimmer met een wisselcontact neemt. Het schema ziet er dan precies hetzelfde uit als met 2. Meest rechtse optie, maar dan zonder de kruisschakelaar in het midden (die is voor bediening vanaf 3 plaatsen): Een hotelschakeling. Dimmer In Hotelschakeling.
From www.ledlampenkopen.nu
LED dimmer Lybardo Eco 3125W Universeel Hotelschakeling Dimmer In Hotelschakeling Het schema ziet er dan precies hetzelfde uit als met 2. Ik wil binnenkort een nieuw stukje inbouw elektra aanleggen: Installing walli dimmer in hotelschakeling/ changeover circuit. Zijn er mensen met ervaring met zowel de ecodim als ion industries dimmers? Meest rechtse optie, maar dan zonder de kruisschakelaar in het midden (die is voor bediening vanaf 3 plaatsen): Hoe sluit. Dimmer In Hotelschakeling.
From www.lichtcentrumhengelo.nl
ION Master/Slave dimmer 0200 watt/VA drukdraai voor hotelschakeling Dimmer In Hotelschakeling Hoe sluit u een gira dimmer met een pulsdrukker in een hotelschakeling aan? Meest rechtse optie, maar dan zonder de kruisschakelaar in het midden (die is voor bediening vanaf 3 plaatsen): Wij leggen het uit in deze video. Zijn er mensen met ervaring met zowel de ecodim als ion industries dimmers? Een hotelschakeling met een shelly dimmer? Ja, dat is. Dimmer In Hotelschakeling.
From cezcjmxi.blob.core.windows.net
Dimmer Aansluiten Met Hotelschakeling at James Mullins blog Dimmer In Hotelschakeling Gira dimmer bestelt u in. Wij leggen het uit in deze video. Zijn er mensen met ervaring met zowel de ecodim als ion industries dimmers? Een hotel schakeling met aan 1 kant een 'gewone' druk schakelaar en aan. Installing walli dimmer in hotelschakeling/ changeover circuit. Een hotelschakeling met een shelly dimmer? Het schema ziet er dan precies hetzelfde uit als. Dimmer In Hotelschakeling.
From www.ledlampaanbiedingen.nl
Hotelschakeling DUO Inbouw LED Dimmer 0.3200 Watt Incl. Afdekraam Dimmer In Hotelschakeling Wij leggen het uit in deze video. Ja, dat is mogelijk, als je een dimmer met een wisselcontact neemt. Installing walli dimmer in hotelschakeling/ changeover circuit. Hoe sluit u een gira dimmer met een pulsdrukker in een hotelschakeling aan? Een hotel schakeling met aan 1 kant een 'gewone' druk schakelaar en aan. Ik wil binnenkort een nieuw stukje inbouw elektra. Dimmer In Hotelschakeling.
From pixelrz.com
Hotelschakeling Met Dimmer En Schakelaar Dimmer In Hotelschakeling Hoe sluit u een gira dimmer met een pulsdrukker in een hotelschakeling aan? Gira dimmer bestelt u in. Het schema ziet er dan precies hetzelfde uit als met 2. Ja, dat is mogelijk, als je een dimmer met een wisselcontact neemt. Topics (not sure which fora) when not sure where to post, post. Wij leggen het uit in deze video.. Dimmer In Hotelschakeling.
From cezcjmxi.blob.core.windows.net
Dimmer Aansluiten Met Hotelschakeling at James Mullins blog Dimmer In Hotelschakeling Zijn er mensen met ervaring met zowel de ecodim als ion industries dimmers? Wij leggen het uit in deze video. Ik wil binnenkort een nieuw stukje inbouw elektra aanleggen: Meest rechtse optie, maar dan zonder de kruisschakelaar in het midden (die is voor bediening vanaf 3 plaatsen): Een hotelschakeling met een shelly dimmer? Gira dimmer bestelt u in. Een hotel. Dimmer In Hotelschakeling.
From www.ledlampaanbiedingen.nl
Hotelschakeling DUO Inbouw LED Dimmer 0.3200 Watt Incl. Afdekraam Dimmer In Hotelschakeling Een hotel schakeling met aan 1 kant een 'gewone' druk schakelaar en aan. Ja, dat is mogelijk, als je een dimmer met een wisselcontact neemt. Het schema ziet er dan precies hetzelfde uit als met 2. Ik wil binnenkort een nieuw stukje inbouw elektra aanleggen: Meest rechtse optie, maar dan zonder de kruisschakelaar in het midden (die is voor bediening. Dimmer In Hotelschakeling.
From pixelrz.com
Hotelschakeling Met Dimmer En Schakelaar Dimmer In Hotelschakeling Een hotel schakeling met aan 1 kant een 'gewone' druk schakelaar en aan. Ik wil binnenkort een nieuw stukje inbouw elektra aanleggen: Een hotelschakeling met een shelly dimmer? Hoe sluit u een gira dimmer met een pulsdrukker in een hotelschakeling aan? Ja, dat is mogelijk, als je een dimmer met een wisselcontact neemt. Wij leggen het uit in deze video.. Dimmer In Hotelschakeling.
From pixelrz.com
Hotelschakeling Met Dimmer En Schakelaar Dimmer In Hotelschakeling Installing walli dimmer in hotelschakeling/ changeover circuit. Het schema ziet er dan precies hetzelfde uit als met 2. Een hotelschakeling met een shelly dimmer? Wij leggen het uit in deze video. Een hotel schakeling met aan 1 kant een 'gewone' druk schakelaar en aan. Hoe sluit u een gira dimmer met een pulsdrukker in een hotelschakeling aan? Zijn er mensen. Dimmer In Hotelschakeling.