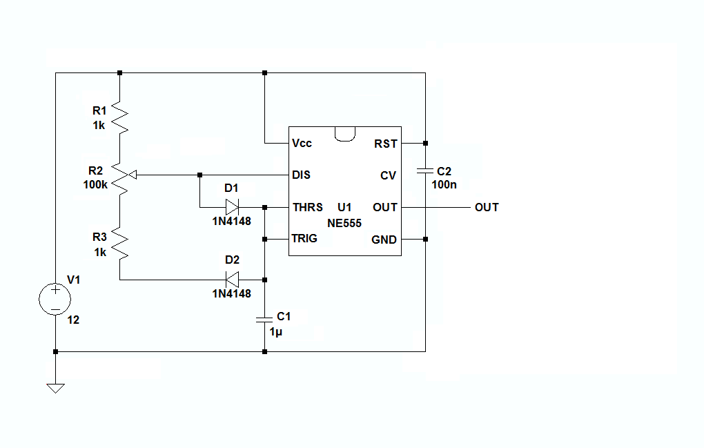
Simple Pulse Generator Circuit . A simple pulse generator figure 1: This is a very simple, yet very important, circuit to build and understand. A pulse generator the purpose of this circuit is to provide a quick pulse at output vout when stimulated by a rising edge at vin. When you need pulses of any sort, long, short and with variable frequency you can use one or two 555 timers. For my very first instructable i wanted to show how to build a pulse generator circuit using the ever so popular 555 timer chip. Using the pinout, circuit, and a simple module test. Detailed instructions and schematics included. You can build this simple pwm controlled pulse generator circuit with the help of a single inverter gate, which. Learn how pulse width modulation works and how to build a pulse width modulation signal generator with the 555 timer. The circuit is an astable. This is a pulse generator with adjustable duty cycle made with the 555 timer ic. It provides a great introduction into…. In this article, you will learn how to use an ne555 pulse generator module.
from www.youtube.com
A pulse generator the purpose of this circuit is to provide a quick pulse at output vout when stimulated by a rising edge at vin. For my very first instructable i wanted to show how to build a pulse generator circuit using the ever so popular 555 timer chip. It provides a great introduction into…. Detailed instructions and schematics included. This is a pulse generator with adjustable duty cycle made with the 555 timer ic. In this article, you will learn how to use an ne555 pulse generator module. When you need pulses of any sort, long, short and with variable frequency you can use one or two 555 timers. Learn how pulse width modulation works and how to build a pulse width modulation signal generator with the 555 timer. You can build this simple pwm controlled pulse generator circuit with the help of a single inverter gate, which. The circuit is an astable.
Transistor circuit 4 two NPN BJTs 2N2222 pulse generator circuit
Simple Pulse Generator Circuit Detailed instructions and schematics included. This is a very simple, yet very important, circuit to build and understand. For my very first instructable i wanted to show how to build a pulse generator circuit using the ever so popular 555 timer chip. It provides a great introduction into…. In this article, you will learn how to use an ne555 pulse generator module. Detailed instructions and schematics included. When you need pulses of any sort, long, short and with variable frequency you can use one or two 555 timers. A simple pulse generator figure 1: A pulse generator the purpose of this circuit is to provide a quick pulse at output vout when stimulated by a rising edge at vin. This is a pulse generator with adjustable duty cycle made with the 555 timer ic. Using the pinout, circuit, and a simple module test. You can build this simple pwm controlled pulse generator circuit with the help of a single inverter gate, which. The circuit is an astable. Learn how pulse width modulation works and how to build a pulse width modulation signal generator with the 555 timer.
From colourtvservicebbsr.blogspot.com
Simple Pulse Generator by IC 555 Timer ELECTRONICS PROJECTS Simple Pulse Generator Circuit When you need pulses of any sort, long, short and with variable frequency you can use one or two 555 timers. The circuit is an astable. You can build this simple pwm controlled pulse generator circuit with the help of a single inverter gate, which. A simple pulse generator figure 1: A pulse generator the purpose of this circuit is. Simple Pulse Generator Circuit.
From manualdbstarks.z19.web.core.windows.net
Simple Pulse Generator Circuit Simple Pulse Generator Circuit Detailed instructions and schematics included. A simple pulse generator figure 1: This is a pulse generator with adjustable duty cycle made with the 555 timer ic. For my very first instructable i wanted to show how to build a pulse generator circuit using the ever so popular 555 timer chip. When you need pulses of any sort, long, short and. Simple Pulse Generator Circuit.
From www.circuitdiagram.co
555 Circuit Diagram Pulse Generator Circuit Diagram Simple Pulse Generator Circuit A pulse generator the purpose of this circuit is to provide a quick pulse at output vout when stimulated by a rising edge at vin. Detailed instructions and schematics included. Using the pinout, circuit, and a simple module test. A simple pulse generator figure 1: When you need pulses of any sort, long, short and with variable frequency you can. Simple Pulse Generator Circuit.
From electronics.stackexchange.com
diodes A simple pulse generator Electrical Engineering Stack Exchange Simple Pulse Generator Circuit Detailed instructions and schematics included. In this article, you will learn how to use an ne555 pulse generator module. This is a very simple, yet very important, circuit to build and understand. Using the pinout, circuit, and a simple module test. The circuit is an astable. Learn how pulse width modulation works and how to build a pulse width modulation. Simple Pulse Generator Circuit.
From www.youtube.com
Transistor circuit 4 two NPN BJTs 2N2222 pulse generator circuit Simple Pulse Generator Circuit For my very first instructable i wanted to show how to build a pulse generator circuit using the ever so popular 555 timer chip. This is a very simple, yet very important, circuit to build and understand. A pulse generator the purpose of this circuit is to provide a quick pulse at output vout when stimulated by a rising edge. Simple Pulse Generator Circuit.
From guidelistgordon.z6.web.core.windows.net
555 Circuit Diagram Pulse Generator Simple Pulse Generator Circuit The circuit is an astable. A pulse generator the purpose of this circuit is to provide a quick pulse at output vout when stimulated by a rising edge at vin. For my very first instructable i wanted to show how to build a pulse generator circuit using the ever so popular 555 timer chip. You can build this simple pwm. Simple Pulse Generator Circuit.
From partdiagramgizi05.z13.web.core.windows.net
High Current Pulse Generator Circuit Simple Pulse Generator Circuit This is a very simple, yet very important, circuit to build and understand. You can build this simple pwm controlled pulse generator circuit with the help of a single inverter gate, which. The circuit is an astable. It provides a great introduction into…. Using the pinout, circuit, and a simple module test. This is a pulse generator with adjustable duty. Simple Pulse Generator Circuit.
From circuitpartehrlichmann.z19.web.core.windows.net
Simple Pulse Generator Circuit Simple Pulse Generator Circuit It provides a great introduction into…. When you need pulses of any sort, long, short and with variable frequency you can use one or two 555 timers. In this article, you will learn how to use an ne555 pulse generator module. This is a pulse generator with adjustable duty cycle made with the 555 timer ic. This is a very. Simple Pulse Generator Circuit.
From www.theorycircuit.com
Square Wave Pulse Generator Circuit Simple Pulse Generator Circuit In this article, you will learn how to use an ne555 pulse generator module. Detailed instructions and schematics included. When you need pulses of any sort, long, short and with variable frequency you can use one or two 555 timers. A pulse generator the purpose of this circuit is to provide a quick pulse at output vout when stimulated by. Simple Pulse Generator Circuit.
From www.circuitbasics.com
How to Build a Pulse Width Modulation Signal Generator Circuit Basics Simple Pulse Generator Circuit This is a pulse generator with adjustable duty cycle made with the 555 timer ic. Detailed instructions and schematics included. Using the pinout, circuit, and a simple module test. A pulse generator the purpose of this circuit is to provide a quick pulse at output vout when stimulated by a rising edge at vin. You can build this simple pwm. Simple Pulse Generator Circuit.
From www.researchgate.net
(a) The proposed pulse generator circuit, and (b) its simplified Simple Pulse Generator Circuit In this article, you will learn how to use an ne555 pulse generator module. Using the pinout, circuit, and a simple module test. Learn how pulse width modulation works and how to build a pulse width modulation signal generator with the 555 timer. You can build this simple pwm controlled pulse generator circuit with the help of a single inverter. Simple Pulse Generator Circuit.
From www.electrician-1.com
on video 555 Pulse Generator. Simple Circuit. electrical and Simple Pulse Generator Circuit In this article, you will learn how to use an ne555 pulse generator module. Learn how pulse width modulation works and how to build a pulse width modulation signal generator with the 555 timer. A pulse generator the purpose of this circuit is to provide a quick pulse at output vout when stimulated by a rising edge at vin. Using. Simple Pulse Generator Circuit.
From www.artofit.org
Simple 555 pulse generator circuits Artofit Simple Pulse Generator Circuit A pulse generator the purpose of this circuit is to provide a quick pulse at output vout when stimulated by a rising edge at vin. For my very first instructable i wanted to show how to build a pulse generator circuit using the ever so popular 555 timer chip. You can build this simple pwm controlled pulse generator circuit with. Simple Pulse Generator Circuit.
From diagramenginesimpson.z21.web.core.windows.net
Simple Pulse Generator Circuit Simple Pulse Generator Circuit A pulse generator the purpose of this circuit is to provide a quick pulse at output vout when stimulated by a rising edge at vin. Learn how pulse width modulation works and how to build a pulse width modulation signal generator with the 555 timer. When you need pulses of any sort, long, short and with variable frequency you can. Simple Pulse Generator Circuit.
From www.artofit.org
Simple 555 pulse generator circuits Artofit Simple Pulse Generator Circuit You can build this simple pwm controlled pulse generator circuit with the help of a single inverter gate, which. For my very first instructable i wanted to show how to build a pulse generator circuit using the ever so popular 555 timer chip. In this article, you will learn how to use an ne555 pulse generator module. It provides a. Simple Pulse Generator Circuit.
From maker.pro
555 Pulse Generator Module, How it Works Arduino Maker Pro Simple Pulse Generator Circuit A pulse generator the purpose of this circuit is to provide a quick pulse at output vout when stimulated by a rising edge at vin. The circuit is an astable. Using the pinout, circuit, and a simple module test. This is a pulse generator with adjustable duty cycle made with the 555 timer ic. It provides a great introduction into….. Simple Pulse Generator Circuit.
From www.chegg.com
Solved Part II Simple Pulse Generator What does pulse Simple Pulse Generator Circuit This is a pulse generator with adjustable duty cycle made with the 555 timer ic. A pulse generator the purpose of this circuit is to provide a quick pulse at output vout when stimulated by a rising edge at vin. A simple pulse generator figure 1: You can build this simple pwm controlled pulse generator circuit with the help of. Simple Pulse Generator Circuit.
From www.artofit.org
555 pulse generator circuit pwm Artofit Simple Pulse Generator Circuit In this article, you will learn how to use an ne555 pulse generator module. Learn how pulse width modulation works and how to build a pulse width modulation signal generator with the 555 timer. For my very first instructable i wanted to show how to build a pulse generator circuit using the ever so popular 555 timer chip. Detailed instructions. Simple Pulse Generator Circuit.
From www.youtube.com
555 timer pulse Generator, 555 projects Circuit Diagram YouTube Simple Pulse Generator Circuit This is a pulse generator with adjustable duty cycle made with the 555 timer ic. The circuit is an astable. Learn how pulse width modulation works and how to build a pulse width modulation signal generator with the 555 timer. Using the pinout, circuit, and a simple module test. You can build this simple pwm controlled pulse generator circuit with. Simple Pulse Generator Circuit.
From www.instructables.com
Pulse Generator 9 Steps (with Pictures) Instructables Simple Pulse Generator Circuit When you need pulses of any sort, long, short and with variable frequency you can use one or two 555 timers. This is a pulse generator with adjustable duty cycle made with the 555 timer ic. A pulse generator the purpose of this circuit is to provide a quick pulse at output vout when stimulated by a rising edge at. Simple Pulse Generator Circuit.
From itecnotes.com
A simple pulse generator Valuable Tech Notes Simple Pulse Generator Circuit The circuit is an astable. This is a very simple, yet very important, circuit to build and understand. When you need pulses of any sort, long, short and with variable frequency you can use one or two 555 timers. It provides a great introduction into…. This is a pulse generator with adjustable duty cycle made with the 555 timer ic.. Simple Pulse Generator Circuit.
From cushychicken.github.io
a neat little pulse generator circuit I like Simple Pulse Generator Circuit In this article, you will learn how to use an ne555 pulse generator module. You can build this simple pwm controlled pulse generator circuit with the help of a single inverter gate, which. It provides a great introduction into…. Learn how pulse width modulation works and how to build a pulse width modulation signal generator with the 555 timer. A. Simple Pulse Generator Circuit.
From maker.pro
555 Pulse Generator Module, How it Works Arduino Maker Pro Simple Pulse Generator Circuit Learn how pulse width modulation works and how to build a pulse width modulation signal generator with the 555 timer. Detailed instructions and schematics included. In this article, you will learn how to use an ne555 pulse generator module. A pulse generator the purpose of this circuit is to provide a quick pulse at output vout when stimulated by a. Simple Pulse Generator Circuit.
From www.youtube.com
Simple ThreeOutput Pulse Generator for Digital Circuits YouTube Simple Pulse Generator Circuit When you need pulses of any sort, long, short and with variable frequency you can use one or two 555 timers. In this article, you will learn how to use an ne555 pulse generator module. A simple pulse generator figure 1: It provides a great introduction into…. Learn how pulse width modulation works and how to build a pulse width. Simple Pulse Generator Circuit.
From freecircuitdiagrams4u.blogspot.com
FREE CIRCUIT DIAGRAMS 4U NE 555 Pulse generator Simple Pulse Generator Circuit The circuit is an astable. It provides a great introduction into…. This is a very simple, yet very important, circuit to build and understand. This is a pulse generator with adjustable duty cycle made with the 555 timer ic. Detailed instructions and schematics included. Using the pinout, circuit, and a simple module test. In this article, you will learn how. Simple Pulse Generator Circuit.
From www.researchgate.net
Circuit diagram of the pulse generator circuit Download Scientific Simple Pulse Generator Circuit This is a pulse generator with adjustable duty cycle made with the 555 timer ic. In this article, you will learn how to use an ne555 pulse generator module. You can build this simple pwm controlled pulse generator circuit with the help of a single inverter gate, which. It provides a great introduction into…. The circuit is an astable. Detailed. Simple Pulse Generator Circuit.
From www.researchgate.net
4 Basic nanosecond pulse generator. Download Scientific Diagram Simple Pulse Generator Circuit Using the pinout, circuit, and a simple module test. A pulse generator the purpose of this circuit is to provide a quick pulse at output vout when stimulated by a rising edge at vin. This is a pulse generator with adjustable duty cycle made with the 555 timer ic. Detailed instructions and schematics included. When you need pulses of any. Simple Pulse Generator Circuit.
From www.artofit.org
Simple 555 pulse generator circuits Artofit Simple Pulse Generator Circuit Learn how pulse width modulation works and how to build a pulse width modulation signal generator with the 555 timer. This is a pulse generator with adjustable duty cycle made with the 555 timer ic. A simple pulse generator figure 1: Detailed instructions and schematics included. This is a very simple, yet very important, circuit to build and understand. In. Simple Pulse Generator Circuit.
From www.refcircuit.com
Simple 555 LED Blinking (Pulse generator circuit with simulation and Simple Pulse Generator Circuit This is a very simple, yet very important, circuit to build and understand. When you need pulses of any sort, long, short and with variable frequency you can use one or two 555 timers. For my very first instructable i wanted to show how to build a pulse generator circuit using the ever so popular 555 timer chip. Detailed instructions. Simple Pulse Generator Circuit.
From www.circuits-diy.com
PWM Pulse Signal Generator Circuit Using LM358 OpAmp IC Simple Pulse Generator Circuit It provides a great introduction into…. Learn how pulse width modulation works and how to build a pulse width modulation signal generator with the 555 timer. For my very first instructable i wanted to show how to build a pulse generator circuit using the ever so popular 555 timer chip. The circuit is an astable. This is a very simple,. Simple Pulse Generator Circuit.
From manualdatametrists.z21.web.core.windows.net
Simple Pulse Generator Circuit Simple Pulse Generator Circuit This is a pulse generator with adjustable duty cycle made with the 555 timer ic. You can build this simple pwm controlled pulse generator circuit with the help of a single inverter gate, which. It provides a great introduction into…. The circuit is an astable. Learn how pulse width modulation works and how to build a pulse width modulation signal. Simple Pulse Generator Circuit.
From circuitpartehrlichmann.z19.web.core.windows.net
Simple Pulse Generator Circuit Simple Pulse Generator Circuit This is a pulse generator with adjustable duty cycle made with the 555 timer ic. Learn how pulse width modulation works and how to build a pulse width modulation signal generator with the 555 timer. A simple pulse generator figure 1: It provides a great introduction into…. Detailed instructions and schematics included. When you need pulses of any sort, long,. Simple Pulse Generator Circuit.
From cushychicken.github.io
a neat little pulse generator circuit I like Simple Pulse Generator Circuit For my very first instructable i wanted to show how to build a pulse generator circuit using the ever so popular 555 timer chip. Learn how pulse width modulation works and how to build a pulse width modulation signal generator with the 555 timer. When you need pulses of any sort, long, short and with variable frequency you can use. Simple Pulse Generator Circuit.
From cushychicken.github.io
a neat little pulse generator circuit I like Simple Pulse Generator Circuit Using the pinout, circuit, and a simple module test. In this article, you will learn how to use an ne555 pulse generator module. Learn how pulse width modulation works and how to build a pulse width modulation signal generator with the 555 timer. You can build this simple pwm controlled pulse generator circuit with the help of a single inverter. Simple Pulse Generator Circuit.
From www.lamja.com
Simple Pulse Generator using LM324 opamp Simple Pulse Generator Circuit A simple pulse generator figure 1: When you need pulses of any sort, long, short and with variable frequency you can use one or two 555 timers. This is a pulse generator with adjustable duty cycle made with the 555 timer ic. Learn how pulse width modulation works and how to build a pulse width modulation signal generator with the. Simple Pulse Generator Circuit.