One Headlight Works Intermittently . If it still doesn't work, suspect a wiring or fuse problem. There's nothing more irritating and potentially dangerous than discovering one of your headlights is burnt out. Thankfully, there are often simple explanations and even easier fixes to get that headlight shining again. The common and easiest fix among them is a blown fuse. headlights may work intermittently due to loose connections, a faulty switch, or a blown fuse. Neither of the headlights work. there are several reasons why only one headlight may not work in your car. High intensity discharge (hid) headlights can also fail due to other associated components. it could be the multifunction switch, one of the headlight fuses, the headlight switch, the headlight relay, or the dimmer switch. If a blown fuse is the root cause, you can rectify the problem with $10 to $15 if you fix it yourself. The most common issues are bad bulbs and bad. do you have one headlight not working on your car or truck? For that reason, it’s very important to figure out why the low beam headlight. This is usually caused by a burned out bulb. are you facing the issue of one headlight not working in your vehicle?
from www.reddit.com
There's nothing more irritating and potentially dangerous than discovering one of your headlights is burnt out. Thankfully, there are often simple explanations and even easier fixes to get that headlight shining again. The common and easiest fix among them is a blown fuse. headlights may work intermittently due to loose connections, a faulty switch, or a blown fuse. it could be the multifunction switch, one of the headlight fuses, the headlight switch, the headlight relay, or the dimmer switch. The most common reasons are; Neither of the headlights work. For that reason, it’s very important to figure out why the low beam headlight. If it still doesn't work, suspect a wiring or fuse problem. are you facing the issue of one headlight not working in your vehicle?
Customer states headlights work intermittently.
One Headlight Works Intermittently There's nothing more irritating and potentially dangerous than discovering one of your headlights is burnt out. There's nothing more irritating and potentially dangerous than discovering one of your headlights is burnt out. This is usually caused by a burned out bulb. it could be the multifunction switch, one of the headlight fuses, the headlight switch, the headlight relay, or the dimmer switch. one headlight doesn’t work. do you have one headlight not working on your car or truck? The most common issues are bad bulbs and bad. there are several reasons why only one headlight may not work in your car. The common and easiest fix among them is a blown fuse. If a blown fuse is the root cause, you can rectify the problem with $10 to $15 if you fix it yourself. If it still doesn't work, suspect a wiring or fuse problem. The most common reasons are; are you facing the issue of one headlight not working in your vehicle? headlights may work intermittently due to loose connections, a faulty switch, or a blown fuse. Neither of the headlights work. High intensity discharge (hid) headlights can also fail due to other associated components.
From www.reddit.com
Headlight intermittently works, not sure why. Details in thread. 2014 One Headlight Works Intermittently headlights may work intermittently due to loose connections, a faulty switch, or a blown fuse. Thankfully, there are often simple explanations and even easier fixes to get that headlight shining again. If a blown fuse is the root cause, you can rectify the problem with $10 to $15 if you fix it yourself. The most common reasons are; . One Headlight Works Intermittently.
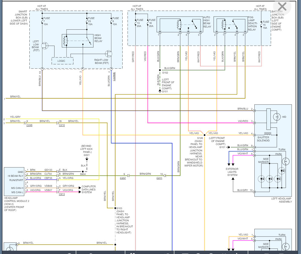
From exyltqbdy.blob.core.windows.net
How To Fix A Headlight Relay at Rickey Driscoll blog One Headlight Works Intermittently The common and easiest fix among them is a blown fuse. Neither of the headlights work. High intensity discharge (hid) headlights can also fail due to other associated components. For that reason, it’s very important to figure out why the low beam headlight. there are several reasons why only one headlight may not work in your car. The most. One Headlight Works Intermittently.
From www.reddit.com
Is this enough to not allow my headlight to work? It only works One Headlight Works Intermittently This is usually caused by a burned out bulb. Thankfully, there are often simple explanations and even easier fixes to get that headlight shining again. For that reason, it’s very important to figure out why the low beam headlight. Neither of the headlights work. The most common reasons are; If a blown fuse is the root cause, you can rectify. One Headlight Works Intermittently.
From exydllcjp.blob.core.windows.net
How Do You Switch Your Headlights From Dipped To Main Beam at Stanton One Headlight Works Intermittently Neither of the headlights work. headlights may work intermittently due to loose connections, a faulty switch, or a blown fuse. There's nothing more irritating and potentially dangerous than discovering one of your headlights is burnt out. are you facing the issue of one headlight not working in your vehicle? High intensity discharge (hid) headlights can also fail due. One Headlight Works Intermittently.
From vehicleheadlight.com
Driving A Vehicle With One Headlight At Night? Vehicle Headlights One Headlight Works Intermittently The most common issues are bad bulbs and bad. This is usually caused by a burned out bulb. headlights may work intermittently due to loose connections, a faulty switch, or a blown fuse. High intensity discharge (hid) headlights can also fail due to other associated components. it could be the multifunction switch, one of the headlight fuses, the. One Headlight Works Intermittently.
From schematicjaberc8tfu.z13.web.core.windows.net
Automobile Headlight Wiring Diagram Pdf One Headlight Works Intermittently This is usually caused by a burned out bulb. For that reason, it’s very important to figure out why the low beam headlight. Neither of the headlights work. do you have one headlight not working on your car or truck? are you facing the issue of one headlight not working in your vehicle? There's nothing more irritating and. One Headlight Works Intermittently.
From www.2carpros.com
Headlights and Turn Signals Intermittently Not Working One Headlight Works Intermittently there are several reasons why only one headlight may not work in your car. it could be the multifunction switch, one of the headlight fuses, the headlight switch, the headlight relay, or the dimmer switch. The most common reasons are; The most common issues are bad bulbs and bad. High intensity discharge (hid) headlights can also fail due. One Headlight Works Intermittently.
From landroverforums.com
Headlight not working intermittently Land Rover Forums Land Rover One Headlight Works Intermittently headlights may work intermittently due to loose connections, a faulty switch, or a blown fuse. The most common issues are bad bulbs and bad. The common and easiest fix among them is a blown fuse. High intensity discharge (hid) headlights can also fail due to other associated components. there are several reasons why only one headlight may not. One Headlight Works Intermittently.
From www.auto-facts.org
The Different Types of Headlights Which One Is the Best? One Headlight Works Intermittently one headlight doesn’t work. it could be the multifunction switch, one of the headlight fuses, the headlight switch, the headlight relay, or the dimmer switch. are you facing the issue of one headlight not working in your vehicle? Neither of the headlights work. do you have one headlight not working on your car or truck? If. One Headlight Works Intermittently.
From www.reddit.com
My headlight bulb sits loosely in my headlight assembly. It works One Headlight Works Intermittently Thankfully, there are often simple explanations and even easier fixes to get that headlight shining again. one headlight doesn’t work. High intensity discharge (hid) headlights can also fail due to other associated components. are you facing the issue of one headlight not working in your vehicle? If a blown fuse is the root cause, you can rectify the. One Headlight Works Intermittently.
From www.justanswer.com
I have a 2013 inifiniti JX35. My headlights keep going out. They work One Headlight Works Intermittently For that reason, it’s very important to figure out why the low beam headlight. it could be the multifunction switch, one of the headlight fuses, the headlight switch, the headlight relay, or the dimmer switch. High intensity discharge (hid) headlights can also fail due to other associated components. If a blown fuse is the root cause, you can rectify. One Headlight Works Intermittently.
From www.2carpros.com
Headlights Intermittently Do Not Work I Can Tell When Headlights One Headlight Works Intermittently The most common reasons are; The common and easiest fix among them is a blown fuse. High intensity discharge (hid) headlights can also fail due to other associated components. one headlight doesn’t work. are you facing the issue of one headlight not working in your vehicle? For that reason, it’s very important to figure out why the low. One Headlight Works Intermittently.
From www.youtube.com
Headlight is not working. Replace headlight relay YouTube One Headlight Works Intermittently For that reason, it’s very important to figure out why the low beam headlight. are you facing the issue of one headlight not working in your vehicle? do you have one headlight not working on your car or truck? Thankfully, there are often simple explanations and even easier fixes to get that headlight shining again. There's nothing more. One Headlight Works Intermittently.
From www.justanswer.com
One headlight working intermittently, both low and high beam. (Fuse and One Headlight Works Intermittently If it still doesn't work, suspect a wiring or fuse problem. Thankfully, there are often simple explanations and even easier fixes to get that headlight shining again. it could be the multifunction switch, one of the headlight fuses, the headlight switch, the headlight relay, or the dimmer switch. The most common issues are bad bulbs and bad. Neither of. One Headlight Works Intermittently.
From www.2carpros.com
Headlights Intermittently Turning on and Off so My Headlights One Headlight Works Intermittently This is usually caused by a burned out bulb. For that reason, it’s very important to figure out why the low beam headlight. High intensity discharge (hid) headlights can also fail due to other associated components. do you have one headlight not working on your car or truck? The most common issues are bad bulbs and bad. headlights. One Headlight Works Intermittently.
From diagramlibraryzulu.z21.web.core.windows.net
Wiring Diagram For Headlights One Headlight Works Intermittently For that reason, it’s very important to figure out why the low beam headlight. headlights may work intermittently due to loose connections, a faulty switch, or a blown fuse. If a blown fuse is the root cause, you can rectify the problem with $10 to $15 if you fix it yourself. one headlight doesn’t work. do you. One Headlight Works Intermittently.
From cemqqgdf.blob.core.windows.net
Left Turn Signal Not Working Jeep Grand Cherokee at Herbert Vasquez blog One Headlight Works Intermittently The most common reasons are; it could be the multifunction switch, one of the headlight fuses, the headlight switch, the headlight relay, or the dimmer switch. If it still doesn't work, suspect a wiring or fuse problem. are you facing the issue of one headlight not working in your vehicle? headlights may work intermittently due to loose. One Headlight Works Intermittently.
From www.youtube.com
How Car Headlights Works? Types Working Animation YouTube One Headlight Works Intermittently If a blown fuse is the root cause, you can rectify the problem with $10 to $15 if you fix it yourself. Neither of the headlights work. one headlight doesn’t work. For that reason, it’s very important to figure out why the low beam headlight. headlights may work intermittently due to loose connections, a faulty switch, or a. One Headlight Works Intermittently.
From www.youtube.com
TOYOTA Prius HID Headlight working intermittently YouTube One Headlight Works Intermittently The common and easiest fix among them is a blown fuse. there are several reasons why only one headlight may not work in your car. For that reason, it’s very important to figure out why the low beam headlight. Thankfully, there are often simple explanations and even easier fixes to get that headlight shining again. Neither of the headlights. One Headlight Works Intermittently.
From revcorner.com
Why Does Only One Headlight Works On Some Motorcycles? Rev Corner One Headlight Works Intermittently do you have one headlight not working on your car or truck? If it still doesn't work, suspect a wiring or fuse problem. The common and easiest fix among them is a blown fuse. it could be the multifunction switch, one of the headlight fuses, the headlight switch, the headlight relay, or the dimmer switch. If a blown. One Headlight Works Intermittently.
From www.2carpros.com
One Headlight Works Then Shuts Off When Hi Beams Are On One Headlight Works Intermittently This is usually caused by a burned out bulb. one headlight doesn’t work. There's nothing more irritating and potentially dangerous than discovering one of your headlights is burnt out. The most common reasons are; are you facing the issue of one headlight not working in your vehicle? headlights may work intermittently due to loose connections, a faulty. One Headlight Works Intermittently.
From www.plowsite.com
only one headlight on plow (low beam) Snow Plowing Forum One Headlight Works Intermittently do you have one headlight not working on your car or truck? For that reason, it’s very important to figure out why the low beam headlight. headlights may work intermittently due to loose connections, a faulty switch, or a blown fuse. there are several reasons why only one headlight may not work in your car. If it. One Headlight Works Intermittently.
From www.justanswer.com
I have a 2013 inifiniti JX35. My headlights keep going out. They work One Headlight Works Intermittently The common and easiest fix among them is a blown fuse. it could be the multifunction switch, one of the headlight fuses, the headlight switch, the headlight relay, or the dimmer switch. do you have one headlight not working on your car or truck? The most common reasons are; If a blown fuse is the root cause, you. One Headlight Works Intermittently.
From www.2carpros.com
Intermittent Headlights One Headlight Works at a Time. DRL Driver... One Headlight Works Intermittently The common and easiest fix among them is a blown fuse. This is usually caused by a burned out bulb. it could be the multifunction switch, one of the headlight fuses, the headlight switch, the headlight relay, or the dimmer switch. For that reason, it’s very important to figure out why the low beam headlight. If it still doesn't. One Headlight Works Intermittently.
From www.2carpros.com
One Headlight Works Then Shuts Off When Hi Beams Are On One Headlight Works Intermittently If it still doesn't work, suspect a wiring or fuse problem. one headlight doesn’t work. do you have one headlight not working on your car or truck? There's nothing more irritating and potentially dangerous than discovering one of your headlights is burnt out. The common and easiest fix among them is a blown fuse. The most common issues. One Headlight Works Intermittently.
From www.2carpros.com
Headlights Intermittently Do Not Work I Can Tell When Headlights One Headlight Works Intermittently headlights may work intermittently due to loose connections, a faulty switch, or a blown fuse. are you facing the issue of one headlight not working in your vehicle? The most common reasons are; do you have one headlight not working on your car or truck? one headlight doesn’t work. The common and easiest fix among them. One Headlight Works Intermittently.
From mechanswers.com
Why Is One Headlight Not Working? (10 Causes & Solutions!) One Headlight Works Intermittently The common and easiest fix among them is a blown fuse. are you facing the issue of one headlight not working in your vehicle? Thankfully, there are often simple explanations and even easier fixes to get that headlight shining again. For that reason, it’s very important to figure out why the low beam headlight. If a blown fuse is. One Headlight Works Intermittently.
From uchanics.ca
Headlight Replacement Cost and Guide Uchanics Auto Repair One Headlight Works Intermittently are you facing the issue of one headlight not working in your vehicle? The most common reasons are; There's nothing more irritating and potentially dangerous than discovering one of your headlights is burnt out. do you have one headlight not working on your car or truck? headlights may work intermittently due to loose connections, a faulty switch,. One Headlight Works Intermittently.
From humblemechanic.com
How To Replace Headlight Wiring Humble Mechanic One Headlight Works Intermittently Thankfully, there are often simple explanations and even easier fixes to get that headlight shining again. There's nothing more irritating and potentially dangerous than discovering one of your headlights is burnt out. The most common reasons are; The common and easiest fix among them is a blown fuse. one headlight doesn’t work. headlights may work intermittently due to. One Headlight Works Intermittently.
From www.audiworld.com
New headlight bulbs, now intermittently shuts off one or both lights One Headlight Works Intermittently For that reason, it’s very important to figure out why the low beam headlight. do you have one headlight not working on your car or truck? The common and easiest fix among them is a blown fuse. there are several reasons why only one headlight may not work in your car. Neither of the headlights work. one. One Headlight Works Intermittently.
From vehicleheadlight.com
What To Do If Only One Vehicle Headlight Works Vehicle Headlights One Headlight Works Intermittently are you facing the issue of one headlight not working in your vehicle? one headlight doesn’t work. Thankfully, there are often simple explanations and even easier fixes to get that headlight shining again. If a blown fuse is the root cause, you can rectify the problem with $10 to $15 if you fix it yourself. The most common. One Headlight Works Intermittently.
From www.youtube.com
ACURA MDX HEADLIGHT STOPPED WORKING FIX TUTORIAL YouTube One Headlight Works Intermittently The most common issues are bad bulbs and bad. If a blown fuse is the root cause, you can rectify the problem with $10 to $15 if you fix it yourself. headlights may work intermittently due to loose connections, a faulty switch, or a blown fuse. are you facing the issue of one headlight not working in your. One Headlight Works Intermittently.
From www.2carpros.com
Headlights Stop Working Intermittently I Have a Problem with My One Headlight Works Intermittently there are several reasons why only one headlight may not work in your car. do you have one headlight not working on your car or truck? The most common reasons are; one headlight doesn’t work. Thankfully, there are often simple explanations and even easier fixes to get that headlight shining again. headlights may work intermittently due. One Headlight Works Intermittently.
From www.reddit.com
Customer states headlights work intermittently. One Headlight Works Intermittently This is usually caused by a burned out bulb. one headlight doesn’t work. The most common reasons are; headlights may work intermittently due to loose connections, a faulty switch, or a blown fuse. High intensity discharge (hid) headlights can also fail due to other associated components. there are several reasons why only one headlight may not work. One Headlight Works Intermittently.
From garagefixpredictorqo.z22.web.core.windows.net
2014 Chevy Silverado Led Headlight Conversion One Headlight Works Intermittently one headlight doesn’t work. Thankfully, there are often simple explanations and even easier fixes to get that headlight shining again. it could be the multifunction switch, one of the headlight fuses, the headlight switch, the headlight relay, or the dimmer switch. headlights may work intermittently due to loose connections, a faulty switch, or a blown fuse. . One Headlight Works Intermittently.