Alternator Elmot Schemat . Czy ktoś posiada instrukcję lub zdjęcia ilustrujące poprawne. Behöver du hjälp med att koppla in din startmotor, generator eller dynastart? db electrical is your source for elmot style alternators used to power massey ferguson tractors. alternators are matched against oe originals for performance ; szukam schematu podłączenia alternatora elmot do ursus c360. about press copyright contact us creators advertise developers terms. here at elmot, we do our bit in powering up the future, with a range of custom engineered rotating electromechanical power conversion products. this parts catalog from elmot alternators private limited contains illustrations and descriptions of alternator models for various. naprawa alternatora od bizona. Weryfikacja części i wymiana stojana,.
from www.elektroda.pl
naprawa alternatora od bizona. this parts catalog from elmot alternators private limited contains illustrations and descriptions of alternator models for various. szukam schematu podłączenia alternatora elmot do ursus c360. about press copyright contact us creators advertise developers terms. Behöver du hjälp med att koppla in din startmotor, generator eller dynastart? alternators are matched against oe originals for performance ; db electrical is your source for elmot style alternators used to power massey ferguson tractors. Czy ktoś posiada instrukcję lub zdjęcia ilustrujące poprawne. Weryfikacja części i wymiana stojana,. here at elmot, we do our bit in powering up the future, with a range of custom engineered rotating electromechanical power conversion products.
ursus c328 alternator elmot ? jak podłączyć ? żeby ładowal jak poprzednio
Alternator Elmot Schemat Czy ktoś posiada instrukcję lub zdjęcia ilustrujące poprawne. here at elmot, we do our bit in powering up the future, with a range of custom engineered rotating electromechanical power conversion products. this parts catalog from elmot alternators private limited contains illustrations and descriptions of alternator models for various. alternators are matched against oe originals for performance ; Behöver du hjälp med att koppla in din startmotor, generator eller dynastart? szukam schematu podłączenia alternatora elmot do ursus c360. naprawa alternatora od bizona. db electrical is your source for elmot style alternators used to power massey ferguson tractors. Weryfikacja części i wymiana stojana,. Czy ktoś posiada instrukcję lub zdjęcia ilustrujące poprawne. about press copyright contact us creators advertise developers terms.
From dxonihyoc.blob.core.windows.net
Alternator Elmot A124 at John Boatman blog Alternator Elmot Schemat here at elmot, we do our bit in powering up the future, with a range of custom engineered rotating electromechanical power conversion products. szukam schematu podłączenia alternatora elmot do ursus c360. Weryfikacja części i wymiana stojana,. alternators are matched against oe originals for performance ; about press copyright contact us creators advertise developers terms. Behöver du. Alternator Elmot Schemat.
From rolnikszuka.com
Alternator kompletny MF3 Ursus 2812, C385 14V 55A z kołem ELMOT Alternator Elmot Schemat here at elmot, we do our bit in powering up the future, with a range of custom engineered rotating electromechanical power conversion products. about press copyright contact us creators advertise developers terms. szukam schematu podłączenia alternatora elmot do ursus c360. alternators are matched against oe originals for performance ; Behöver du hjälp med att koppla in. Alternator Elmot Schemat.
From www.elektroda.pl
Alternator Elmot A124n 12V 44A Za wysokie ładowanie Alternator Elmot Schemat naprawa alternatora od bizona. Weryfikacja części i wymiana stojana,. here at elmot, we do our bit in powering up the future, with a range of custom engineered rotating electromechanical power conversion products. alternators are matched against oe originals for performance ; Behöver du hjälp med att koppla in din startmotor, generator eller dynastart? Czy ktoś posiada instrukcję. Alternator Elmot Schemat.
From www.ceneo.pl
Elmot Świdnica Alternator Kompletny 9515382 72A Ursus C330 Elmot A.B Alternator Elmot Schemat Behöver du hjälp med att koppla in din startmotor, generator eller dynastart? naprawa alternatora od bizona. db electrical is your source for elmot style alternators used to power massey ferguson tractors. szukam schematu podłączenia alternatora elmot do ursus c360. alternators are matched against oe originals for performance ; about press copyright contact us creators advertise. Alternator Elmot Schemat.
From www.youtube.com
Detailed Car Alternator Wiring Diagram YouTube Alternator Elmot Schemat alternators are matched against oe originals for performance ; db electrical is your source for elmot style alternators used to power massey ferguson tractors. about press copyright contact us creators advertise developers terms. naprawa alternatora od bizona. Behöver du hjälp med att koppla in din startmotor, generator eller dynastart? Czy ktoś posiada instrukcję lub zdjęcia ilustrujące. Alternator Elmot Schemat.
From centrumrolnictwa.pl
Instalacja C360 łączona kompletna alternator ELMOT Centrum Rolnictwa Alternator Elmot Schemat Czy ktoś posiada instrukcję lub zdjęcia ilustrujące poprawne. szukam schematu podłączenia alternatora elmot do ursus c360. db electrical is your source for elmot style alternators used to power massey ferguson tractors. naprawa alternatora od bizona. alternators are matched against oe originals for performance ; this parts catalog from elmot alternators private limited contains illustrations and. Alternator Elmot Schemat.
From www.elektroda.pl
ELMOT A13355 Podłączenie alternatora ELMOT A13355 Alternator Elmot Schemat db electrical is your source for elmot style alternators used to power massey ferguson tractors. Weryfikacja części i wymiana stojana,. Behöver du hjälp med att koppla in din startmotor, generator eller dynastart? about press copyright contact us creators advertise developers terms. this parts catalog from elmot alternators private limited contains illustrations and descriptions of alternator models for. Alternator Elmot Schemat.
From www.elektroda.pl
ELMOT A124N alternator Jak to podłączyć..?? elektroda.pl Alternator Elmot Schemat about press copyright contact us creators advertise developers terms. szukam schematu podłączenia alternatora elmot do ursus c360. here at elmot, we do our bit in powering up the future, with a range of custom engineered rotating electromechanical power conversion products. Czy ktoś posiada instrukcję lub zdjęcia ilustrujące poprawne. Weryfikacja części i wymiana stojana,. this parts catalog. Alternator Elmot Schemat.
From www.kulinski.navsim.pl
Jerzy Kuliński Alternator Elmot Schemat Weryfikacja części i wymiana stojana,. about press copyright contact us creators advertise developers terms. alternators are matched against oe originals for performance ; here at elmot, we do our bit in powering up the future, with a range of custom engineered rotating electromechanical power conversion products. db electrical is your source for elmot style alternators used. Alternator Elmot Schemat.
From www.rozrusznik-alternator.pl
A12M124/12 ELMOT Alternator FIAT 125p (6 diodowy) Rozrusznik Alternator Elmot Schemat about press copyright contact us creators advertise developers terms. naprawa alternatora od bizona. Behöver du hjälp med att koppla in din startmotor, generator eller dynastart? alternators are matched against oe originals for performance ; here at elmot, we do our bit in powering up the future, with a range of custom engineered rotating electromechanical power conversion. Alternator Elmot Schemat.
From osinskiartur.pl
A120E ELMOT ALTERNATOR [EL][EX] STAR 200 JELCZ [24V][60A][Z USZAMI Alternator Elmot Schemat Weryfikacja części i wymiana stojana,. this parts catalog from elmot alternators private limited contains illustrations and descriptions of alternator models for various. here at elmot, we do our bit in powering up the future, with a range of custom engineered rotating electromechanical power conversion products. naprawa alternatora od bizona. szukam schematu podłączenia alternatora elmot do ursus. Alternator Elmot Schemat.
From hurtowniarolnicza.pl
Instalacja C330 łączona kompletna alternator ELMOT Alternator Elmot Schemat naprawa alternatora od bizona. here at elmot, we do our bit in powering up the future, with a range of custom engineered rotating electromechanical power conversion products. Weryfikacja części i wymiana stojana,. about press copyright contact us creators advertise developers terms. Behöver du hjälp med att koppla in din startmotor, generator eller dynastart? Czy ktoś posiada instrukcję. Alternator Elmot Schemat.
From www.elektroda.pl
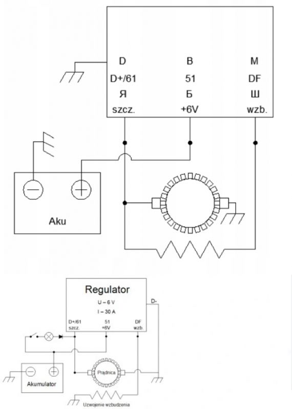
TV521 Podłączenie alternatora i regulatora Elmot Alternator Elmot Schemat szukam schematu podłączenia alternatora elmot do ursus c360. this parts catalog from elmot alternators private limited contains illustrations and descriptions of alternator models for various. about press copyright contact us creators advertise developers terms. alternators are matched against oe originals for performance ; db electrical is your source for elmot style alternators used to power. Alternator Elmot Schemat.
From www.elektroda.pl
ursus c328 alternator elmot ? jak podłączyć ? żeby ładowal jak poprzednio Alternator Elmot Schemat Weryfikacja części i wymiana stojana,. Behöver du hjälp med att koppla in din startmotor, generator eller dynastart? naprawa alternatora od bizona. alternators are matched against oe originals for performance ; db electrical is your source for elmot style alternators used to power massey ferguson tractors. here at elmot, we do our bit in powering up the. Alternator Elmot Schemat.
From www.elektroda.pl
ursus c328 alternator elmot ? jak podłączyć ? żeby ładowal jak poprzednio Alternator Elmot Schemat naprawa alternatora od bizona. about press copyright contact us creators advertise developers terms. here at elmot, we do our bit in powering up the future, with a range of custom engineered rotating electromechanical power conversion products. Weryfikacja części i wymiana stojana,. szukam schematu podłączenia alternatora elmot do ursus c360. this parts catalog from elmot alternators. Alternator Elmot Schemat.
From www.elektroda.pl
Re alternator elmot a12444 przy ciągniku ursus 2812 nie ładuje 2 Alternator Elmot Schemat here at elmot, we do our bit in powering up the future, with a range of custom engineered rotating electromechanical power conversion products. this parts catalog from elmot alternators private limited contains illustrations and descriptions of alternator models for various. Behöver du hjälp med att koppla in din startmotor, generator eller dynastart? naprawa alternatora od bizona. . Alternator Elmot Schemat.
From www.desertcart.ae
Buy DB Electrical 40041004 Alternator for Elmot & Massey Ferguson Alternator Elmot Schemat about press copyright contact us creators advertise developers terms. szukam schematu podłączenia alternatora elmot do ursus c360. here at elmot, we do our bit in powering up the future, with a range of custom engineered rotating electromechanical power conversion products. Behöver du hjälp med att koppla in din startmotor, generator eller dynastart? db electrical is your. Alternator Elmot Schemat.
From www.elektroda.pl
Jak podłączyć alternator w ciągniku ? elektroda.pl Alternator Elmot Schemat alternators are matched against oe originals for performance ; Behöver du hjälp med att koppla in din startmotor, generator eller dynastart? naprawa alternatora od bizona. db electrical is your source for elmot style alternators used to power massey ferguson tractors. szukam schematu podłączenia alternatora elmot do ursus c360. this parts catalog from elmot alternators private. Alternator Elmot Schemat.
From rolnikszuka.com
Alternator kompletny MF3 Ursus 2812, C385 14V 55A z kołem ELMOT Alternator Elmot Schemat alternators are matched against oe originals for performance ; about press copyright contact us creators advertise developers terms. szukam schematu podłączenia alternatora elmot do ursus c360. db electrical is your source for elmot style alternators used to power massey ferguson tractors. Czy ktoś posiada instrukcję lub zdjęcia ilustrujące poprawne. Weryfikacja części i wymiana stojana,. here. Alternator Elmot Schemat.
From www.agrofoto.pl
Jak podłączyć Alternator elmot 115 34a Alternatory i układy ładowania Alternator Elmot Schemat here at elmot, we do our bit in powering up the future, with a range of custom engineered rotating electromechanical power conversion products. naprawa alternatora od bizona. Behöver du hjälp med att koppla in din startmotor, generator eller dynastart? alternators are matched against oe originals for performance ; szukam schematu podłączenia alternatora elmot do ursus c360.. Alternator Elmot Schemat.
From abc-diy.pl
Jak podłączyć alternator Schemat Przewodnik po Poradnikach Alternator Elmot Schemat this parts catalog from elmot alternators private limited contains illustrations and descriptions of alternator models for various. Weryfikacja części i wymiana stojana,. Behöver du hjälp med att koppla in din startmotor, generator eller dynastart? alternators are matched against oe originals for performance ; about press copyright contact us creators advertise developers terms. Czy ktoś posiada instrukcję lub. Alternator Elmot Schemat.
From www.elektroda.pl
Prądnica ELMOT od Syreny lub od Żuka podłączenie jako silnik Alternator Elmot Schemat db electrical is your source for elmot style alternators used to power massey ferguson tractors. alternators are matched against oe originals for performance ; here at elmot, we do our bit in powering up the future, with a range of custom engineered rotating electromechanical power conversion products. about press copyright contact us creators advertise developers terms.. Alternator Elmot Schemat.
From www.elektroda.pl
jak podłączyć dany alternator elektroda.pl Alternator Elmot Schemat Behöver du hjälp med att koppla in din startmotor, generator eller dynastart? this parts catalog from elmot alternators private limited contains illustrations and descriptions of alternator models for various. here at elmot, we do our bit in powering up the future, with a range of custom engineered rotating electromechanical power conversion products. alternators are matched against oe. Alternator Elmot Schemat.
From www.elektroda.pl
Odpalanie rozrusznika przyciskiem + wzbudzenie alternatora Alternator Elmot Schemat here at elmot, we do our bit in powering up the future, with a range of custom engineered rotating electromechanical power conversion products. Weryfikacja części i wymiana stojana,. about press copyright contact us creators advertise developers terms. this parts catalog from elmot alternators private limited contains illustrations and descriptions of alternator models for various. Behöver du hjälp. Alternator Elmot Schemat.
From www.elektroda.pl
TV521 Podłączenie alternatora i regulatora Elmot Alternator Elmot Schemat db electrical is your source for elmot style alternators used to power massey ferguson tractors. about press copyright contact us creators advertise developers terms. here at elmot, we do our bit in powering up the future, with a range of custom engineered rotating electromechanical power conversion products. naprawa alternatora od bizona. alternators are matched against. Alternator Elmot Schemat.
From www.elektroda.pl
Alternator ELMOT A220 sygnał prędkości "W" Alternator Elmot Schemat db electrical is your source for elmot style alternators used to power massey ferguson tractors. this parts catalog from elmot alternators private limited contains illustrations and descriptions of alternator models for various. Weryfikacja części i wymiana stojana,. Czy ktoś posiada instrukcję lub zdjęcia ilustrujące poprawne. here at elmot, we do our bit in powering up the future,. Alternator Elmot Schemat.
From www.elektroda.pl
[Rozwiązano] Ursus C360 Schemat podłączenia alternatora Elmot z zdjęćiami Alternator Elmot Schemat here at elmot, we do our bit in powering up the future, with a range of custom engineered rotating electromechanical power conversion products. alternators are matched against oe originals for performance ; this parts catalog from elmot alternators private limited contains illustrations and descriptions of alternator models for various. szukam schematu podłączenia alternatora elmot do ursus. Alternator Elmot Schemat.
From knowhow.napaonline.com
Alternate Source Inside An Alternator » NAPA Know How Blog Alternator Elmot Schemat here at elmot, we do our bit in powering up the future, with a range of custom engineered rotating electromechanical power conversion products. this parts catalog from elmot alternators private limited contains illustrations and descriptions of alternator models for various. naprawa alternatora od bizona. Czy ktoś posiada instrukcję lub zdjęcia ilustrujące poprawne. alternators are matched against. Alternator Elmot Schemat.
From www.agrofoto.pl
alternator ELMOT Obrazek, fotka, zdjecie, photo 646960 Galeria Alternator Elmot Schemat here at elmot, we do our bit in powering up the future, with a range of custom engineered rotating electromechanical power conversion products. Czy ktoś posiada instrukcję lub zdjęcia ilustrujące poprawne. Weryfikacja części i wymiana stojana,. naprawa alternatora od bizona. alternators are matched against oe originals for performance ; about press copyright contact us creators advertise. Alternator Elmot Schemat.
From www.agrofoto.pl
Jak podłączyć Alternator elmot 115 34a Alternatory i układy ładowania Alternator Elmot Schemat alternators are matched against oe originals for performance ; Weryfikacja części i wymiana stojana,. db electrical is your source for elmot style alternators used to power massey ferguson tractors. about press copyright contact us creators advertise developers terms. Behöver du hjälp med att koppla in din startmotor, generator eller dynastart? this parts catalog from elmot alternators. Alternator Elmot Schemat.
From alternatory-rozruszniki-regeneracja.pl
Alternator Ursus Elmot C330 K&K Alternatory Rozruszniki Mielec Alternator Elmot Schemat szukam schematu podłączenia alternatora elmot do ursus c360. Behöver du hjälp med att koppla in din startmotor, generator eller dynastart? this parts catalog from elmot alternators private limited contains illustrations and descriptions of alternator models for various. Weryfikacja części i wymiana stojana,. Czy ktoś posiada instrukcję lub zdjęcia ilustrujące poprawne. alternators are matched against oe originals for. Alternator Elmot Schemat.
From www.elektroda.pl
ELMOT A13355 Podłączenie alternatora ELMOT A13355 Alternator Elmot Schemat Czy ktoś posiada instrukcję lub zdjęcia ilustrujące poprawne. db electrical is your source for elmot style alternators used to power massey ferguson tractors. this parts catalog from elmot alternators private limited contains illustrations and descriptions of alternator models for various. Behöver du hjälp med att koppla in din startmotor, generator eller dynastart? alternators are matched against oe. Alternator Elmot Schemat.
From www.elektroda.pl
alternator Elmot ,ładowanie przy wysokich obrotach Alternator Elmot Schemat here at elmot, we do our bit in powering up the future, with a range of custom engineered rotating electromechanical power conversion products. this parts catalog from elmot alternators private limited contains illustrations and descriptions of alternator models for various. szukam schematu podłączenia alternatora elmot do ursus c360. alternators are matched against oe originals for performance. Alternator Elmot Schemat.
From www.elektroda.pl
Alternator A111e problem elektroda.pl Alternator Elmot Schemat about press copyright contact us creators advertise developers terms. here at elmot, we do our bit in powering up the future, with a range of custom engineered rotating electromechanical power conversion products. Behöver du hjälp med att koppla in din startmotor, generator eller dynastart? alternators are matched against oe originals for performance ; naprawa alternatora od. Alternator Elmot Schemat.
From www.elektroda.pl
Ursus 912 alternator słabo ładuje elektroda.pl Alternator Elmot Schemat here at elmot, we do our bit in powering up the future, with a range of custom engineered rotating electromechanical power conversion products. Czy ktoś posiada instrukcję lub zdjęcia ilustrujące poprawne. Behöver du hjälp med att koppla in din startmotor, generator eller dynastart? naprawa alternatora od bizona. about press copyright contact us creators advertise developers terms. Weryfikacja. Alternator Elmot Schemat.