Heated Front Windscreen Ford Fiesta . I bought my mk6 fiesta in the summer and have now just found out (as i'm sure many people do at this time of year) that my. I was informed that the battery. It took ford 3 weeks to deliver the heated screen relay. When i press the button i can hear the. My heated front screen wont work. How to turn on the heated windscreen on a ford fiesta 2015 petrol 998cc 4,5/5 (39k) It was in stock when i ordered it before xmas but then it wasn't so it had to come from germany. I have checked 2 fuses both ok 1 for left side 1 for the right. I took the car into the ford main dealer today for them to check the heated windscreen. Our pick ford fiesta 1.0 ecoboost titanium x used deals from £3,799 monthly finance from £136.64* for years, ford. Anyway i got it on tuesday,.
from www.ebay.co.uk
I have checked 2 fuses both ok 1 for left side 1 for the right. I was informed that the battery. My heated front screen wont work. Anyway i got it on tuesday,. How to turn on the heated windscreen on a ford fiesta 2015 petrol 998cc It was in stock when i ordered it before xmas but then it wasn't so it had to come from germany. When i press the button i can hear the. It took ford 3 weeks to deliver the heated screen relay. Our pick ford fiesta 1.0 ecoboost titanium x used deals from £3,799 monthly finance from £136.64* for years, ford. 4,5/5 (39k)
Tinted and heated front windscreen glass Ford Fiesta sedan 3/5 eBay
Heated Front Windscreen Ford Fiesta I have checked 2 fuses both ok 1 for left side 1 for the right. I bought my mk6 fiesta in the summer and have now just found out (as i'm sure many people do at this time of year) that my. It took ford 3 weeks to deliver the heated screen relay. 4,5/5 (39k) I have checked 2 fuses both ok 1 for left side 1 for the right. I was informed that the battery. How to turn on the heated windscreen on a ford fiesta 2015 petrol 998cc Our pick ford fiesta 1.0 ecoboost titanium x used deals from £3,799 monthly finance from £136.64* for years, ford. When i press the button i can hear the. My heated front screen wont work. It was in stock when i ordered it before xmas but then it wasn't so it had to come from germany. Anyway i got it on tuesday,. I took the car into the ford main dealer today for them to check the heated windscreen.
From picclick.co.uk
FORD FIESTA HEATED Windscreen (With Rain Sensor Bracket) 2012 2017 £ Heated Front Windscreen Ford Fiesta 4,5/5 (39k) My heated front screen wont work. I took the car into the ford main dealer today for them to check the heated windscreen. When i press the button i can hear the. Anyway i got it on tuesday,. How to turn on the heated windscreen on a ford fiesta 2015 petrol 998cc I was informed that the. Heated Front Windscreen Ford Fiesta.
From www.fordownersclub.com
Fiesa Heated Front Screen Ford Fiesta Club Ford Owners Club Ford Heated Front Windscreen Ford Fiesta It took ford 3 weeks to deliver the heated screen relay. It was in stock when i ordered it before xmas but then it wasn't so it had to come from germany. I have checked 2 fuses both ok 1 for left side 1 for the right. 4,5/5 (39k) Our pick ford fiesta 1.0 ecoboost titanium x used deals. Heated Front Windscreen Ford Fiesta.
From www.gumtree.com
Ford Fiesta ST 2006 White, Full Leather, Heated Seats, Heated Heated Front Windscreen Ford Fiesta 4,5/5 (39k) I took the car into the ford main dealer today for them to check the heated windscreen. It took ford 3 weeks to deliver the heated screen relay. How to turn on the heated windscreen on a ford fiesta 2015 petrol 998cc My heated front screen wont work. Our pick ford fiesta 1.0 ecoboost titanium x used. Heated Front Windscreen Ford Fiesta.
From bus-ok.nl
Heated Front Windscreen, 443,00 Heated Front Windscreen Ford Fiesta Our pick ford fiesta 1.0 ecoboost titanium x used deals from £3,799 monthly finance from £136.64* for years, ford. 4,5/5 (39k) I was informed that the battery. How to turn on the heated windscreen on a ford fiesta 2015 petrol 998cc I took the car into the ford main dealer today for them to check the heated windscreen. I. Heated Front Windscreen Ford Fiesta.
From www.newmiltonautoparts.com
SOLD SOLD FORD FIESTA MK4 FRONT HEATED WINDOW WINDSCREEN DEMISTER Heated Front Windscreen Ford Fiesta How to turn on the heated windscreen on a ford fiesta 2015 petrol 998cc My heated front screen wont work. It took ford 3 weeks to deliver the heated screen relay. Our pick ford fiesta 1.0 ecoboost titanium x used deals from £3,799 monthly finance from £136.64* for years, ford. I bought my mk6 fiesta in the summer and have. Heated Front Windscreen Ford Fiesta.
From www.devonwindscreens.co.uk
Ford Fiesta Heated Windscreen Devon Windscreens Heated Front Windscreen Ford Fiesta I bought my mk6 fiesta in the summer and have now just found out (as i'm sure many people do at this time of year) that my. I was informed that the battery. How to turn on the heated windscreen on a ford fiesta 2015 petrol 998cc I have checked 2 fuses both ok 1 for left side 1 for. Heated Front Windscreen Ford Fiesta.
From www.reddit.com
07 Fiesta front heated windscreen r/FordFiesta Heated Front Windscreen Ford Fiesta How to turn on the heated windscreen on a ford fiesta 2015 petrol 998cc I took the car into the ford main dealer today for them to check the heated windscreen. I bought my mk6 fiesta in the summer and have now just found out (as i'm sure many people do at this time of year) that my. It took. Heated Front Windscreen Ford Fiesta.
From www.devonwindscreens.co.uk
Ford Fiesta Windscreen Devon Windscreens Heated Front Windscreen Ford Fiesta How to turn on the heated windscreen on a ford fiesta 2015 petrol 998cc I have checked 2 fuses both ok 1 for left side 1 for the right. Our pick ford fiesta 1.0 ecoboost titanium x used deals from £3,799 monthly finance from £136.64* for years, ford. 4,5/5 (39k) I was informed that the battery. It was in. Heated Front Windscreen Ford Fiesta.
From www.devonwindscreens.co.uk
Ford Fiesta Heated Windscreen Devon Windscreens Heated Front Windscreen Ford Fiesta 4,5/5 (39k) I was informed that the battery. Our pick ford fiesta 1.0 ecoboost titanium x used deals from £3,799 monthly finance from £136.64* for years, ford. I bought my mk6 fiesta in the summer and have now just found out (as i'm sure many people do at this time of year) that my. It took ford 3 weeks. Heated Front Windscreen Ford Fiesta.
From www.ebay.co.uk
Tinted and heated front windscreen glass Ford Fiesta sedan 3/5 eBay Heated Front Windscreen Ford Fiesta When i press the button i can hear the. I bought my mk6 fiesta in the summer and have now just found out (as i'm sure many people do at this time of year) that my. Anyway i got it on tuesday,. I have checked 2 fuses both ok 1 for left side 1 for the right. Our pick ford. Heated Front Windscreen Ford Fiesta.
From www.gumtree.com
2014 Ford Fiesta ST2 1.6 Ecoboost, 56k Miles, heated seats, heated Heated Front Windscreen Ford Fiesta How to turn on the heated windscreen on a ford fiesta 2015 petrol 998cc It was in stock when i ordered it before xmas but then it wasn't so it had to come from germany. It took ford 3 weeks to deliver the heated screen relay. Our pick ford fiesta 1.0 ecoboost titanium x used deals from £3,799 monthly finance. Heated Front Windscreen Ford Fiesta.
From www.scribd.com
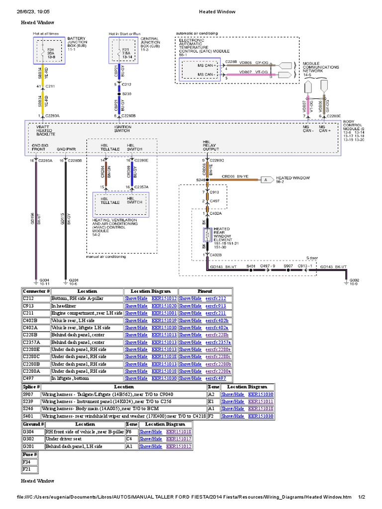
Heated Window Ford Fiesta 1.6 PDF Automotive Industry Cars Of The Heated Front Windscreen Ford Fiesta My heated front screen wont work. I have checked 2 fuses both ok 1 for left side 1 for the right. It was in stock when i ordered it before xmas but then it wasn't so it had to come from germany. Anyway i got it on tuesday,. It took ford 3 weeks to deliver the heated screen relay. Our. Heated Front Windscreen Ford Fiesta.
From www.fordownersclub.com
Fiesa Heated Front Screen Ford Fiesta Club Ford Owners Club Ford Heated Front Windscreen Ford Fiesta I bought my mk6 fiesta in the summer and have now just found out (as i'm sure many people do at this time of year) that my. It was in stock when i ordered it before xmas but then it wasn't so it had to come from germany. I have checked 2 fuses both ok 1 for left side 1. Heated Front Windscreen Ford Fiesta.
From proliteautoglassaz.com
What Is A Heated Front Windshield? ProLite Auto Glass Heated Front Windscreen Ford Fiesta I bought my mk6 fiesta in the summer and have now just found out (as i'm sure many people do at this time of year) that my. When i press the button i can hear the. Anyway i got it on tuesday,. I was informed that the battery. It took ford 3 weeks to deliver the heated screen relay. I. Heated Front Windscreen Ford Fiesta.
From www.youtube.com
Introducing the Ford Quickclear Heated Windscreen YouTube Heated Front Windscreen Ford Fiesta I took the car into the ford main dealer today for them to check the heated windscreen. Anyway i got it on tuesday,. I was informed that the battery. Our pick ford fiesta 1.0 ecoboost titanium x used deals from £3,799 monthly finance from £136.64* for years, ford. When i press the button i can hear the. I have checked. Heated Front Windscreen Ford Fiesta.
From www.remorques-accessoires.com
FORD FIESTA MK1 WINDSCREEN (CLEAR GLASS) £51.50 Heated Front Windscreen Ford Fiesta How to turn on the heated windscreen on a ford fiesta 2015 petrol 998cc It took ford 3 weeks to deliver the heated screen relay. Our pick ford fiesta 1.0 ecoboost titanium x used deals from £3,799 monthly finance from £136.64* for years, ford. I was informed that the battery. It was in stock when i ordered it before xmas. Heated Front Windscreen Ford Fiesta.
From www.fordownersclub.com
Fiesa Heated Front Screen Ford Fiesta Club Ford Owners Club Ford Heated Front Windscreen Ford Fiesta 4,5/5 (39k) Our pick ford fiesta 1.0 ecoboost titanium x used deals from £3,799 monthly finance from £136.64* for years, ford. I bought my mk6 fiesta in the summer and have now just found out (as i'm sure many people do at this time of year) that my. How to turn on the heated windscreen on a ford fiesta. Heated Front Windscreen Ford Fiesta.
From www.haynesford.co.uk
Used 2016 Ford FIESTA HATCHBACK Zetec Heated Front Windscreen Heated Front Windscreen Ford Fiesta When i press the button i can hear the. Our pick ford fiesta 1.0 ecoboost titanium x used deals from £3,799 monthly finance from £136.64* for years, ford. My heated front screen wont work. I have checked 2 fuses both ok 1 for left side 1 for the right. How to turn on the heated windscreen on a ford fiesta. Heated Front Windscreen Ford Fiesta.
From www.seat.co.nz
Heated Front Windscreen Car Terms SEAT Heated Front Windscreen Ford Fiesta I took the car into the ford main dealer today for them to check the heated windscreen. It was in stock when i ordered it before xmas but then it wasn't so it had to come from germany. I bought my mk6 fiesta in the summer and have now just found out (as i'm sure many people do at this. Heated Front Windscreen Ford Fiesta.
From www.youtube.com
Ford Heated Windscreen Not Working Fuse Check Quick Fixes From Home Heated Front Windscreen Ford Fiesta When i press the button i can hear the. I was informed that the battery. Anyway i got it on tuesday,. I have checked 2 fuses both ok 1 for left side 1 for the right. Our pick ford fiesta 1.0 ecoboost titanium x used deals from £3,799 monthly finance from £136.64* for years, ford. It was in stock when. Heated Front Windscreen Ford Fiesta.
From www.gumtree.com
Ford Fiesta 1.25 Zetec. Heated front Windscreen, A/C. FSH. Hot Magenta Heated Front Windscreen Ford Fiesta Anyway i got it on tuesday,. I took the car into the ford main dealer today for them to check the heated windscreen. How to turn on the heated windscreen on a ford fiesta 2015 petrol 998cc Our pick ford fiesta 1.0 ecoboost titanium x used deals from £3,799 monthly finance from £136.64* for years, ford. I bought my mk6. Heated Front Windscreen Ford Fiesta.
From www.youtube.com
Ford Fiesta 2015 Front Heated Windscreen Button Location YouTube Heated Front Windscreen Ford Fiesta It took ford 3 weeks to deliver the heated screen relay. 4,5/5 (39k) I have checked 2 fuses both ok 1 for left side 1 for the right. I bought my mk6 fiesta in the summer and have now just found out (as i'm sure many people do at this time of year) that my. It was in stock. Heated Front Windscreen Ford Fiesta.
From www.gumtree.com
Ford Fiesta 1.0 EcoBoost 95 Trend 5dr Privacy Glass, Heated Windscreen Heated Front Windscreen Ford Fiesta My heated front screen wont work. When i press the button i can hear the. 4,5/5 (39k) I was informed that the battery. I have checked 2 fuses both ok 1 for left side 1 for the right. How to turn on the heated windscreen on a ford fiesta 2015 petrol 998cc Our pick ford fiesta 1.0 ecoboost titanium. Heated Front Windscreen Ford Fiesta.
From www.ebay.co.uk
Ford Fiesta / Puma Red Led Heated Front Windscreen Demister Switch Heated Front Windscreen Ford Fiesta How to turn on the heated windscreen on a ford fiesta 2015 petrol 998cc Anyway i got it on tuesday,. I was informed that the battery. My heated front screen wont work. I have checked 2 fuses both ok 1 for left side 1 for the right. It took ford 3 weeks to deliver the heated screen relay. 4,5/5 . Heated Front Windscreen Ford Fiesta.
From www.devonwindscreens.co.uk
Ford Fiesta Mk5 Windscreen Devon Windscreens Heated Front Windscreen Ford Fiesta I was informed that the battery. 4,5/5 (39k) I have checked 2 fuses both ok 1 for left side 1 for the right. When i press the button i can hear the. It took ford 3 weeks to deliver the heated screen relay. I bought my mk6 fiesta in the summer and have now just found out (as i'm. Heated Front Windscreen Ford Fiesta.
From www.ebay.co.uk
Ford fiesta mk6 heated windscreen 20022008,1 only eBay Heated Front Windscreen Ford Fiesta It was in stock when i ordered it before xmas but then it wasn't so it had to come from germany. I bought my mk6 fiesta in the summer and have now just found out (as i'm sure many people do at this time of year) that my. Our pick ford fiesta 1.0 ecoboost titanium x used deals from £3,799. Heated Front Windscreen Ford Fiesta.
From www.galamotors.co.uk
FORD FIESTA MK8 FRONT WINDSCREEN GLASS 20172020 BG69 Gala Motors Heated Front Windscreen Ford Fiesta When i press the button i can hear the. How to turn on the heated windscreen on a ford fiesta 2015 petrol 998cc Our pick ford fiesta 1.0 ecoboost titanium x used deals from £3,799 monthly finance from £136.64* for years, ford. I took the car into the ford main dealer today for them to check the heated windscreen. Anyway. Heated Front Windscreen Ford Fiesta.
From www.canterburymotoringworld.co.uk
Used 2016 Ford FIESTA ZETEC +AIR CON+HEATED WINDSCREEN+ £7,500 48,164 Heated Front Windscreen Ford Fiesta I was informed that the battery. It was in stock when i ordered it before xmas but then it wasn't so it had to come from germany. 4,5/5 (39k) When i press the button i can hear the. How to turn on the heated windscreen on a ford fiesta 2015 petrol 998cc I have checked 2 fuses both ok. Heated Front Windscreen Ford Fiesta.
From www.devonwindscreens.co.uk
Fiesta Heated Windscreen Devon Windscreens Heated Front Windscreen Ford Fiesta I have checked 2 fuses both ok 1 for left side 1 for the right. When i press the button i can hear the. I bought my mk6 fiesta in the summer and have now just found out (as i'm sure many people do at this time of year) that my. Our pick ford fiesta 1.0 ecoboost titanium x used. Heated Front Windscreen Ford Fiesta.
From vehicleglaze.co.uk
Windscreen Replacement & Repair Cost Ford Fiesta (5 Door) 20082017 Heated Front Windscreen Ford Fiesta Anyway i got it on tuesday,. It was in stock when i ordered it before xmas but then it wasn't so it had to come from germany. Our pick ford fiesta 1.0 ecoboost titanium x used deals from £3,799 monthly finance from £136.64* for years, ford. I was informed that the battery. I took the car into the ford main. Heated Front Windscreen Ford Fiesta.
From www.devonwindscreens.co.uk
Ford Fiesta Heated Windscreen Devon Windscreens Heated Front Windscreen Ford Fiesta I took the car into the ford main dealer today for them to check the heated windscreen. Anyway i got it on tuesday,. It took ford 3 weeks to deliver the heated screen relay. 4,5/5 (39k) Our pick ford fiesta 1.0 ecoboost titanium x used deals from £3,799 monthly finance from £136.64* for years, ford. It was in stock. Heated Front Windscreen Ford Fiesta.
From www.ebay.co.uk
FORD FIESTA MK6 2008 on HEATED FRONT WINDSCREEN ***SUPPLY ONLY Heated Front Windscreen Ford Fiesta I took the car into the ford main dealer today for them to check the heated windscreen. Anyway i got it on tuesday,. 4,5/5 (39k) My heated front screen wont work. I bought my mk6 fiesta in the summer and have now just found out (as i'm sure many people do at this time of year) that my. Our. Heated Front Windscreen Ford Fiesta.
From www.youtube.com
Ford Heated Windscreen Not Working NOW FIXED! Unbelievable! YouTube Heated Front Windscreen Ford Fiesta Anyway i got it on tuesday,. How to turn on the heated windscreen on a ford fiesta 2015 petrol 998cc It took ford 3 weeks to deliver the heated screen relay. My heated front screen wont work. I took the car into the ford main dealer today for them to check the heated windscreen. Our pick ford fiesta 1.0 ecoboost. Heated Front Windscreen Ford Fiesta.
From www.ebay.co.uk
Tinted and heated front windscreen glass Ford Fiesta sedan 3/5 eBay Heated Front Windscreen Ford Fiesta Our pick ford fiesta 1.0 ecoboost titanium x used deals from £3,799 monthly finance from £136.64* for years, ford. When i press the button i can hear the. It took ford 3 weeks to deliver the heated screen relay. It was in stock when i ordered it before xmas but then it wasn't so it had to come from germany.. Heated Front Windscreen Ford Fiesta.
From www.devonwindscreens.co.uk
2008 Fiesta Heated Windscreen Devon Windscreens Heated Front Windscreen Ford Fiesta 4,5/5 (39k) It was in stock when i ordered it before xmas but then it wasn't so it had to come from germany. It took ford 3 weeks to deliver the heated screen relay. I was informed that the battery. I took the car into the ford main dealer today for them to check the heated windscreen. How to. Heated Front Windscreen Ford Fiesta.