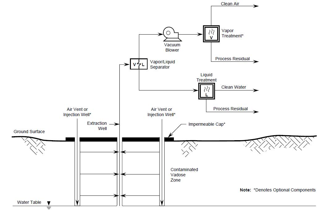
Vacuum Extraction Of Soil . Soil vapor extraction (sve) is a vacuum extraction process. Currently, the most widely used technique for water is cryogenic vacuum. It utilizes the volatility of the petroleum hydrocarbons as the primary method of. Soil vapor extraction (sve) has evolved over the past decade as an attractive in situ remediation method for unsaturated soils contaminated with volatile organic compounds (vocs). Soil vapor extraction (sve) is one of the most commonly used technologies for soil remediation of contaminated sites, and the use of models to accurately predict and evaluate the operational effectiveness of sve is a necessary part of site contamination treatment projects. Soil vapor extraction (sve) is a common and typically effective physical treatment process for remediation of volatile contaminants in vadose zone (unsaturated) soils. Sve involves drilling one or more extraction wells into the contaminated soil to a depth above the water table, which must.
from www.xdd-llc.com
Soil vapor extraction (sve) is one of the most commonly used technologies for soil remediation of contaminated sites, and the use of models to accurately predict and evaluate the operational effectiveness of sve is a necessary part of site contamination treatment projects. It utilizes the volatility of the petroleum hydrocarbons as the primary method of. Soil vapor extraction (sve) is a vacuum extraction process. Soil vapor extraction (sve) has evolved over the past decade as an attractive in situ remediation method for unsaturated soils contaminated with volatile organic compounds (vocs). Soil vapor extraction (sve) is a common and typically effective physical treatment process for remediation of volatile contaminants in vadose zone (unsaturated) soils. Currently, the most widely used technique for water is cryogenic vacuum. Sve involves drilling one or more extraction wells into the contaminated soil to a depth above the water table, which must.
Soil Vapor Extraction Soil Remediation Technology Summary
Vacuum Extraction Of Soil Soil vapor extraction (sve) has evolved over the past decade as an attractive in situ remediation method for unsaturated soils contaminated with volatile organic compounds (vocs). Currently, the most widely used technique for water is cryogenic vacuum. It utilizes the volatility of the petroleum hydrocarbons as the primary method of. Soil vapor extraction (sve) is a vacuum extraction process. Soil vapor extraction (sve) is a common and typically effective physical treatment process for remediation of volatile contaminants in vadose zone (unsaturated) soils. Soil vapor extraction (sve) is one of the most commonly used technologies for soil remediation of contaminated sites, and the use of models to accurately predict and evaluate the operational effectiveness of sve is a necessary part of site contamination treatment projects. Sve involves drilling one or more extraction wells into the contaminated soil to a depth above the water table, which must. Soil vapor extraction (sve) has evolved over the past decade as an attractive in situ remediation method for unsaturated soils contaminated with volatile organic compounds (vocs).
From www.youtube.com
VCM Vacuum of Consolidation Method Soil Improvement Part 3 YouTube Vacuum Extraction Of Soil Sve involves drilling one or more extraction wells into the contaminated soil to a depth above the water table, which must. Soil vapor extraction (sve) is one of the most commonly used technologies for soil remediation of contaminated sites, and the use of models to accurately predict and evaluate the operational effectiveness of sve is a necessary part of site. Vacuum Extraction Of Soil.
From www.xdd-llc.com
Soil Vapor Extraction Soil Remediation Technology Summary Vacuum Extraction Of Soil Soil vapor extraction (sve) is a vacuum extraction process. Soil vapor extraction (sve) is one of the most commonly used technologies for soil remediation of contaminated sites, and the use of models to accurately predict and evaluate the operational effectiveness of sve is a necessary part of site contamination treatment projects. Soil vapor extraction (sve) is a common and typically. Vacuum Extraction Of Soil.
From vim-1.itrcweb.org
Soil Vapor Extraction (SVE) Tech Sheet vim Vacuum Extraction Of Soil Currently, the most widely used technique for water is cryogenic vacuum. Sve involves drilling one or more extraction wells into the contaminated soil to a depth above the water table, which must. Soil vapor extraction (sve) is a common and typically effective physical treatment process for remediation of volatile contaminants in vadose zone (unsaturated) soils. Soil vapor extraction (sve) is. Vacuum Extraction Of Soil.
From www.falmouthproducts.com
Soil vapor extraction Vacuum Extraction Of Soil Currently, the most widely used technique for water is cryogenic vacuum. Sve involves drilling one or more extraction wells into the contaminated soil to a depth above the water table, which must. Soil vapor extraction (sve) is a vacuum extraction process. Soil vapor extraction (sve) is one of the most commonly used technologies for soil remediation of contaminated sites, and. Vacuum Extraction Of Soil.
From www.hcr-llc.com
What is Soil Vapor Extraction? Vacuum Extraction Of Soil Currently, the most widely used technique for water is cryogenic vacuum. Soil vapor extraction (sve) has evolved over the past decade as an attractive in situ remediation method for unsaturated soils contaminated with volatile organic compounds (vocs). Soil vapor extraction (sve) is a common and typically effective physical treatment process for remediation of volatile contaminants in vadose zone (unsaturated) soils.. Vacuum Extraction Of Soil.
From www.prmfiltration.com
Soil Vapor Extraction (SVE) Systems PRM Remediation Vacuum Extraction Of Soil Soil vapor extraction (sve) is a common and typically effective physical treatment process for remediation of volatile contaminants in vadose zone (unsaturated) soils. Sve involves drilling one or more extraction wells into the contaminated soil to a depth above the water table, which must. Currently, the most widely used technique for water is cryogenic vacuum. Soil vapor extraction (sve) is. Vacuum Extraction Of Soil.
From www.sanatron.com
Vacuum Soil Sampling and Extraction for Geological Research Vacuum Extraction Of Soil It utilizes the volatility of the petroleum hydrocarbons as the primary method of. Soil vapor extraction (sve) has evolved over the past decade as an attractive in situ remediation method for unsaturated soils contaminated with volatile organic compounds (vocs). Soil vapor extraction (sve) is a common and typically effective physical treatment process for remediation of volatile contaminants in vadose zone. Vacuum Extraction Of Soil.
From frtr.gov
Technology Screening Matrix Federal Remediation Technologies Roundtable Vacuum Extraction Of Soil Soil vapor extraction (sve) is a vacuum extraction process. Soil vapor extraction (sve) has evolved over the past decade as an attractive in situ remediation method for unsaturated soils contaminated with volatile organic compounds (vocs). Sve involves drilling one or more extraction wells into the contaminated soil to a depth above the water table, which must. Soil vapor extraction (sve). Vacuum Extraction Of Soil.
From sanatron.com
Vacuum Soil Sampling and Extraction for Geological Research Vacuum Extraction Of Soil Sve involves drilling one or more extraction wells into the contaminated soil to a depth above the water table, which must. Currently, the most widely used technique for water is cryogenic vacuum. It utilizes the volatility of the petroleum hydrocarbons as the primary method of. Soil vapor extraction (sve) has evolved over the past decade as an attractive in situ. Vacuum Extraction Of Soil.
From www.groundeffects.org
Soil Vapour Extraction Vacuum Extraction Of Soil Currently, the most widely used technique for water is cryogenic vacuum. Sve involves drilling one or more extraction wells into the contaminated soil to a depth above the water table, which must. Soil vapor extraction (sve) has evolved over the past decade as an attractive in situ remediation method for unsaturated soils contaminated with volatile organic compounds (vocs). Soil vapor. Vacuum Extraction Of Soil.
From www.waste2water.com
Soil Vapor Extraction & Mitigation Systems ESD Waste2Water Vacuum Extraction Of Soil Currently, the most widely used technique for water is cryogenic vacuum. Soil vapor extraction (sve) is one of the most commonly used technologies for soil remediation of contaminated sites, and the use of models to accurately predict and evaluate the operational effectiveness of sve is a necessary part of site contamination treatment projects. Sve involves drilling one or more extraction. Vacuum Extraction Of Soil.
From mae2.com
DualPhase Extraction Systems MIDATLANTIC ENVIRONMENTAL EQUIPMENT Vacuum Extraction Of Soil Soil vapor extraction (sve) has evolved over the past decade as an attractive in situ remediation method for unsaturated soils contaminated with volatile organic compounds (vocs). Sve involves drilling one or more extraction wells into the contaminated soil to a depth above the water table, which must. Soil vapor extraction (sve) is a common and typically effective physical treatment process. Vacuum Extraction Of Soil.
From sunpeak.com
What is Soil Vapor Extraction? Ultimate Description in 2021 Best Vacuum Extraction Of Soil Soil vapor extraction (sve) has evolved over the past decade as an attractive in situ remediation method for unsaturated soils contaminated with volatile organic compounds (vocs). Currently, the most widely used technique for water is cryogenic vacuum. Soil vapor extraction (sve) is a vacuum extraction process. It utilizes the volatility of the petroleum hydrocarbons as the primary method of. Sve. Vacuum Extraction Of Soil.
From learnbioremediation.weebly.com
Air Stripping (insitu liquid) Bioremediation Vacuum Extraction Of Soil Soil vapor extraction (sve) is a vacuum extraction process. Soil vapor extraction (sve) is one of the most commonly used technologies for soil remediation of contaminated sites, and the use of models to accurately predict and evaluate the operational effectiveness of sve is a necessary part of site contamination treatment projects. It utilizes the volatility of the petroleum hydrocarbons as. Vacuum Extraction Of Soil.
From stewartenvironj.com
Soil Vapor Extraction (SVE) Remediation Services Stewart Environmental Vacuum Extraction Of Soil Sve involves drilling one or more extraction wells into the contaminated soil to a depth above the water table, which must. Currently, the most widely used technique for water is cryogenic vacuum. Soil vapor extraction (sve) is one of the most commonly used technologies for soil remediation of contaminated sites, and the use of models to accurately predict and evaluate. Vacuum Extraction Of Soil.
From learnbioremediation.weebly.com
Soil Vapour Extraction Bioremediation Vacuum Extraction Of Soil Currently, the most widely used technique for water is cryogenic vacuum. Soil vapor extraction (sve) is one of the most commonly used technologies for soil remediation of contaminated sites, and the use of models to accurately predict and evaluate the operational effectiveness of sve is a necessary part of site contamination treatment projects. It utilizes the volatility of the petroleum. Vacuum Extraction Of Soil.
From twentywheels.com
Soil Vac Air Vacuum Excavation Airvac System Vacuum Extraction Of Soil Soil vapor extraction (sve) is a common and typically effective physical treatment process for remediation of volatile contaminants in vadose zone (unsaturated) soils. Sve involves drilling one or more extraction wells into the contaminated soil to a depth above the water table, which must. Soil vapor extraction (sve) is one of the most commonly used technologies for soil remediation of. Vacuum Extraction Of Soil.
From www.aet98.com
Soil Vapour Extraction System AET98 Vacuum Extraction Of Soil Sve involves drilling one or more extraction wells into the contaminated soil to a depth above the water table, which must. Soil vapor extraction (sve) has evolved over the past decade as an attractive in situ remediation method for unsaturated soils contaminated with volatile organic compounds (vocs). It utilizes the volatility of the petroleum hydrocarbons as the primary method of.. Vacuum Extraction Of Soil.
From theconstructor.org
How to Improve Soil Properties by Vacuum Preloading Method? The Vacuum Extraction Of Soil Soil vapor extraction (sve) is one of the most commonly used technologies for soil remediation of contaminated sites, and the use of models to accurately predict and evaluate the operational effectiveness of sve is a necessary part of site contamination treatment projects. It utilizes the volatility of the petroleum hydrocarbons as the primary method of. Soil vapor extraction (sve) is. Vacuum Extraction Of Soil.
From www.researchgate.net
Soil extraction assembly. Download Scientific Diagram Vacuum Extraction Of Soil Soil vapor extraction (sve) is one of the most commonly used technologies for soil remediation of contaminated sites, and the use of models to accurately predict and evaluate the operational effectiveness of sve is a necessary part of site contamination treatment projects. It utilizes the volatility of the petroleum hydrocarbons as the primary method of. Currently, the most widely used. Vacuum Extraction Of Soil.
From phys.org
Researchers investigate reliability of cryogenic vacuum distillation Vacuum Extraction Of Soil Sve involves drilling one or more extraction wells into the contaminated soil to a depth above the water table, which must. It utilizes the volatility of the petroleum hydrocarbons as the primary method of. Soil vapor extraction (sve) is one of the most commonly used technologies for soil remediation of contaminated sites, and the use of models to accurately predict. Vacuum Extraction Of Soil.
From sanatron.com
Vacuum Soil Sampling and Extraction for Geological Research Vacuum Extraction Of Soil Soil vapor extraction (sve) is one of the most commonly used technologies for soil remediation of contaminated sites, and the use of models to accurately predict and evaluate the operational effectiveness of sve is a necessary part of site contamination treatment projects. Sve involves drilling one or more extraction wells into the contaminated soil to a depth above the water. Vacuum Extraction Of Soil.
From sanatron.com
Vacuum Soil Sampling and Extraction for Geological Research Vacuum Extraction Of Soil Soil vapor extraction (sve) is one of the most commonly used technologies for soil remediation of contaminated sites, and the use of models to accurately predict and evaluate the operational effectiveness of sve is a necessary part of site contamination treatment projects. Currently, the most widely used technique for water is cryogenic vacuum. Soil vapor extraction (sve) is a common. Vacuum Extraction Of Soil.
From www.pdblowers.com
Soil Remediation Systems Soil Vapor Extraction, Air Sparge, Dual Phase Vacuum Extraction Of Soil Sve involves drilling one or more extraction wells into the contaminated soil to a depth above the water table, which must. Soil vapor extraction (sve) is a vacuum extraction process. Soil vapor extraction (sve) has evolved over the past decade as an attractive in situ remediation method for unsaturated soils contaminated with volatile organic compounds (vocs). Soil vapor extraction (sve). Vacuum Extraction Of Soil.
From mae2.com
Soil Vapor Extraction Systems MIDATLANTIC ENVIRONMENTAL EQUIPMENT Vacuum Extraction Of Soil Soil vapor extraction (sve) is a vacuum extraction process. It utilizes the volatility of the petroleum hydrocarbons as the primary method of. Soil vapor extraction (sve) has evolved over the past decade as an attractive in situ remediation method for unsaturated soils contaminated with volatile organic compounds (vocs). Soil vapor extraction (sve) is a common and typically effective physical treatment. Vacuum Extraction Of Soil.
From www.mdpi.com
Soil Systems Free FullText Microplastic Extraction from Vacuum Extraction Of Soil Currently, the most widely used technique for water is cryogenic vacuum. Soil vapor extraction (sve) is one of the most commonly used technologies for soil remediation of contaminated sites, and the use of models to accurately predict and evaluate the operational effectiveness of sve is a necessary part of site contamination treatment projects. Soil vapor extraction (sve) has evolved over. Vacuum Extraction Of Soil.
From www.slideserve.com
PPT Soil Vapor Extraction PowerPoint Presentation, free download ID Vacuum Extraction Of Soil Currently, the most widely used technique for water is cryogenic vacuum. It utilizes the volatility of the petroleum hydrocarbons as the primary method of. Soil vapor extraction (sve) is a common and typically effective physical treatment process for remediation of volatile contaminants in vadose zone (unsaturated) soils. Soil vapor extraction (sve) is one of the most commonly used technologies for. Vacuum Extraction Of Soil.
From www.st-ma.com
Soil Vapor Extraction St. John Mittelhauser & Associates, Inc. Vacuum Extraction Of Soil Soil vapor extraction (sve) is one of the most commonly used technologies for soil remediation of contaminated sites, and the use of models to accurately predict and evaluate the operational effectiveness of sve is a necessary part of site contamination treatment projects. Soil vapor extraction (sve) is a vacuum extraction process. It utilizes the volatility of the petroleum hydrocarbons as. Vacuum Extraction Of Soil.
From www.ohiengineering.com
Soil Vapor Extraction Pilot TestingWinthrop, MA OHI Engineering Vacuum Extraction Of Soil It utilizes the volatility of the petroleum hydrocarbons as the primary method of. Soil vapor extraction (sve) has evolved over the past decade as an attractive in situ remediation method for unsaturated soils contaminated with volatile organic compounds (vocs). Soil vapor extraction (sve) is a common and typically effective physical treatment process for remediation of volatile contaminants in vadose zone. Vacuum Extraction Of Soil.
From www.enviroequipment.com
Soil Vapor Extraction Remediation Systems EnviroEquipment Inc Vacuum Extraction Of Soil Soil vapor extraction (sve) is a common and typically effective physical treatment process for remediation of volatile contaminants in vadose zone (unsaturated) soils. Sve involves drilling one or more extraction wells into the contaminated soil to a depth above the water table, which must. Soil vapor extraction (sve) is a vacuum extraction process. Currently, the most widely used technique for. Vacuum Extraction Of Soil.
From www.usi-universal.com
Professional Vacuum Excavation / Hydrovac Services Universal Services Vacuum Extraction Of Soil Soil vapor extraction (sve) is a common and typically effective physical treatment process for remediation of volatile contaminants in vadose zone (unsaturated) soils. Sve involves drilling one or more extraction wells into the contaminated soil to a depth above the water table, which must. Currently, the most widely used technique for water is cryogenic vacuum. Soil vapor extraction (sve) is. Vacuum Extraction Of Soil.
From waste2water.com
Soil Vapor Extraction Systems ESD Waste 2 Water Vacuum Extraction Of Soil Soil vapor extraction (sve) is one of the most commonly used technologies for soil remediation of contaminated sites, and the use of models to accurately predict and evaluate the operational effectiveness of sve is a necessary part of site contamination treatment projects. Soil vapor extraction (sve) is a vacuum extraction process. Currently, the most widely used technique for water is. Vacuum Extraction Of Soil.
From ceteau.com
Applicable Soils & Depth of Improvement Vacuum Extraction Of Soil Soil vapor extraction (sve) is one of the most commonly used technologies for soil remediation of contaminated sites, and the use of models to accurately predict and evaluate the operational effectiveness of sve is a necessary part of site contamination treatment projects. Soil vapor extraction (sve) is a vacuum extraction process. It utilizes the volatility of the petroleum hydrocarbons as. Vacuum Extraction Of Soil.
From www.geoengineer.org
Soil Vapor Extraction Vacuum Extraction Of Soil Sve involves drilling one or more extraction wells into the contaminated soil to a depth above the water table, which must. It utilizes the volatility of the petroleum hydrocarbons as the primary method of. Soil vapor extraction (sve) is one of the most commonly used technologies for soil remediation of contaminated sites, and the use of models to accurately predict. Vacuum Extraction Of Soil.
From www.geoengineer.org
Soil Vapor Extraction Vacuum Extraction Of Soil Soil vapor extraction (sve) is one of the most commonly used technologies for soil remediation of contaminated sites, and the use of models to accurately predict and evaluate the operational effectiveness of sve is a necessary part of site contamination treatment projects. Sve involves drilling one or more extraction wells into the contaminated soil to a depth above the water. Vacuum Extraction Of Soil.