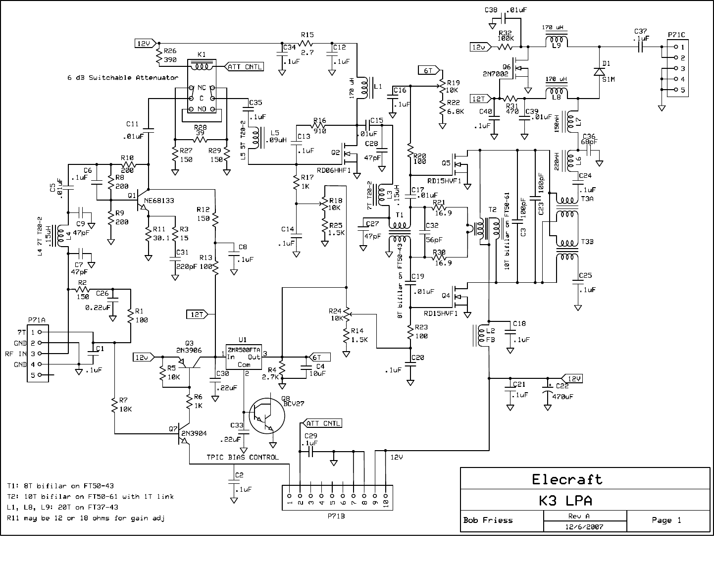
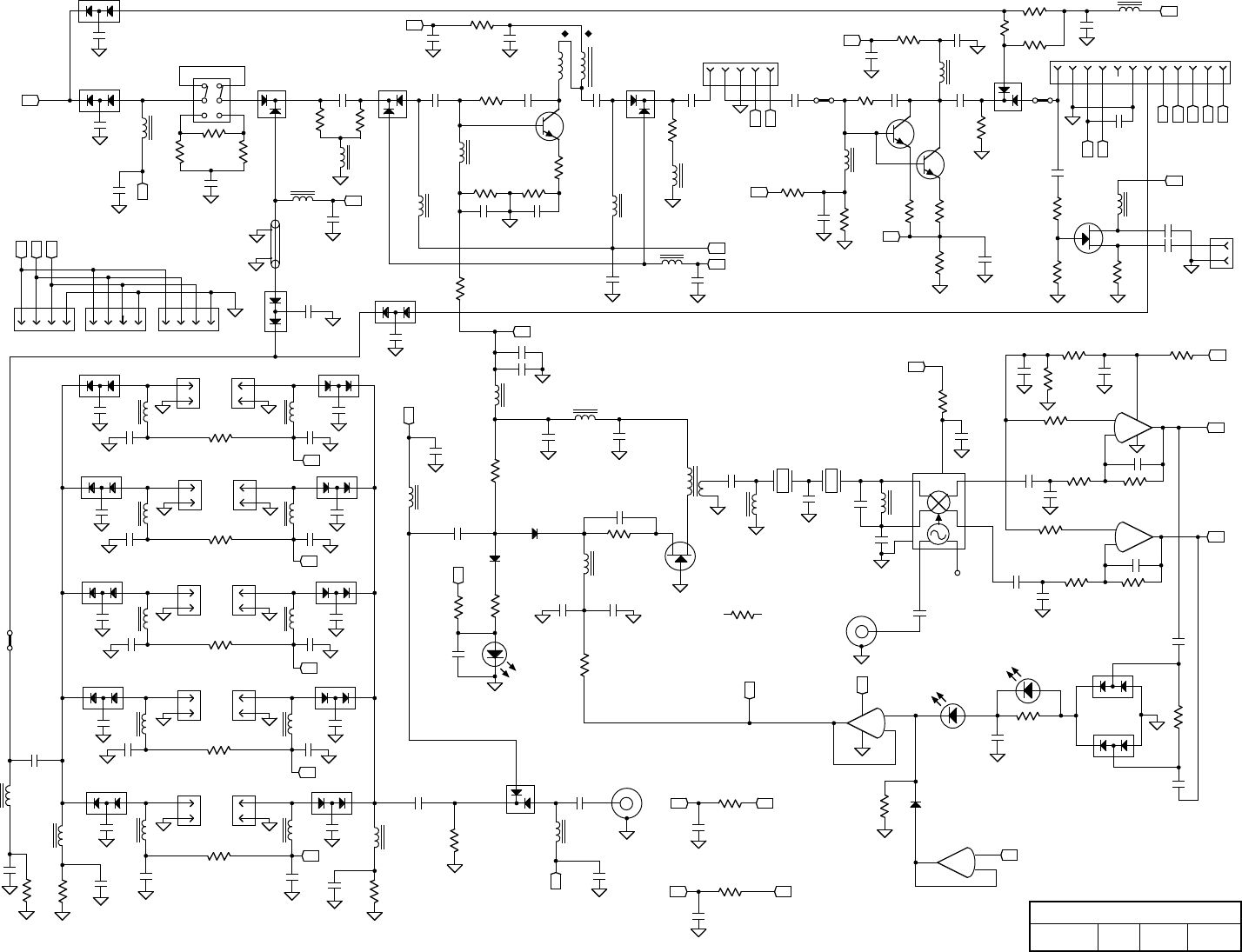
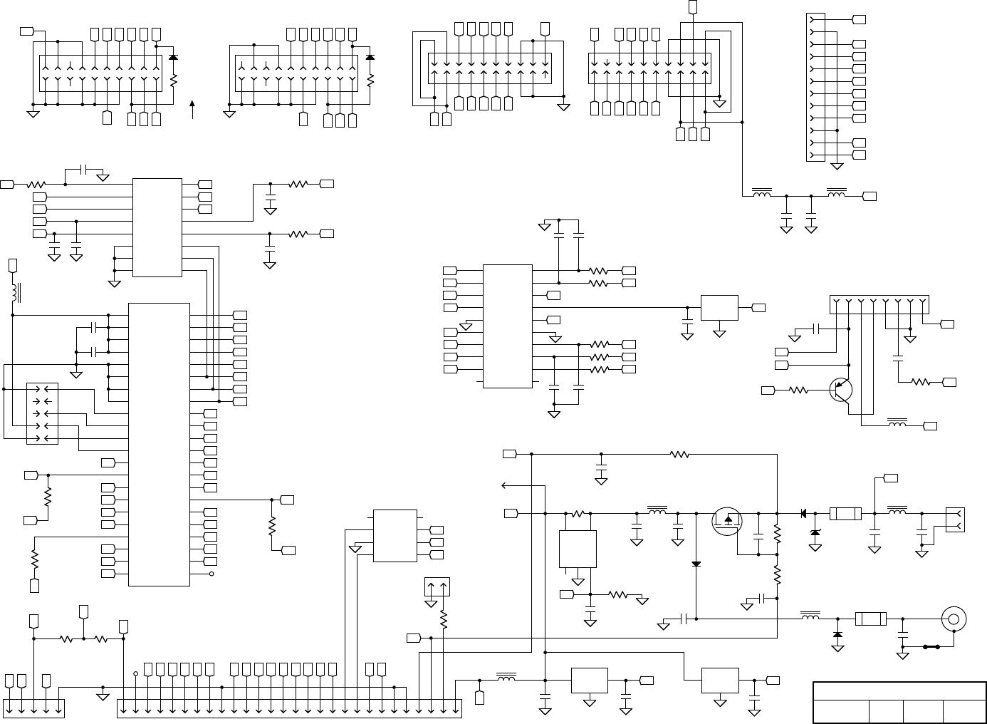
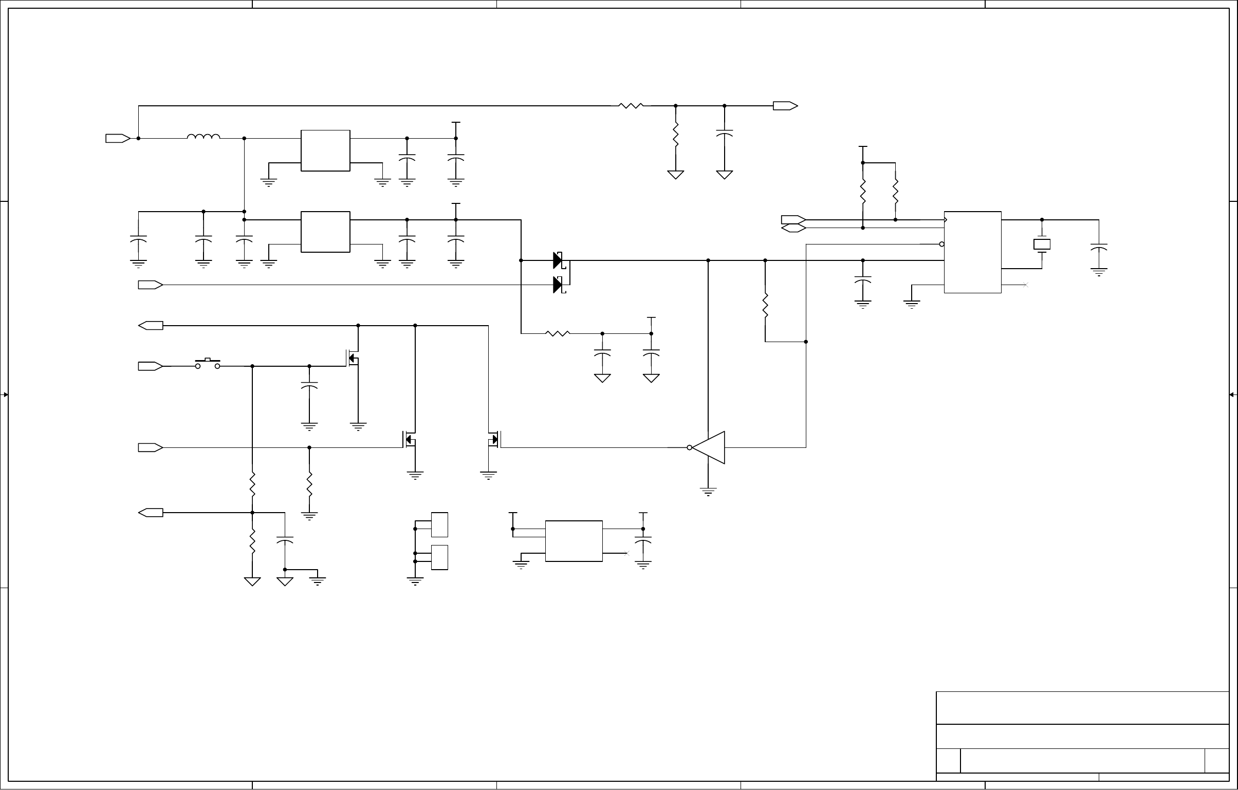
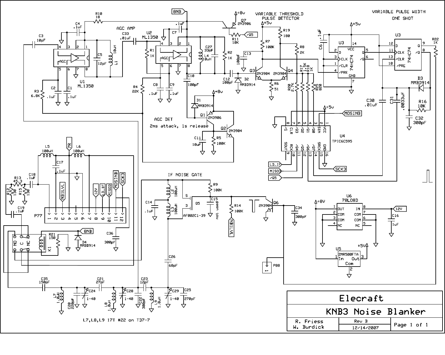
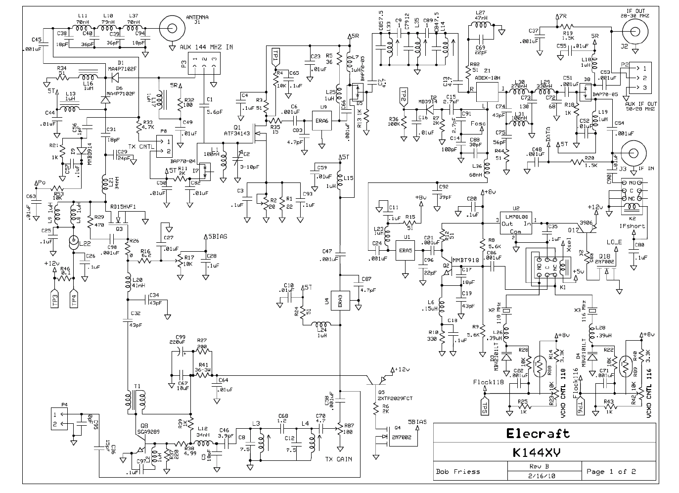
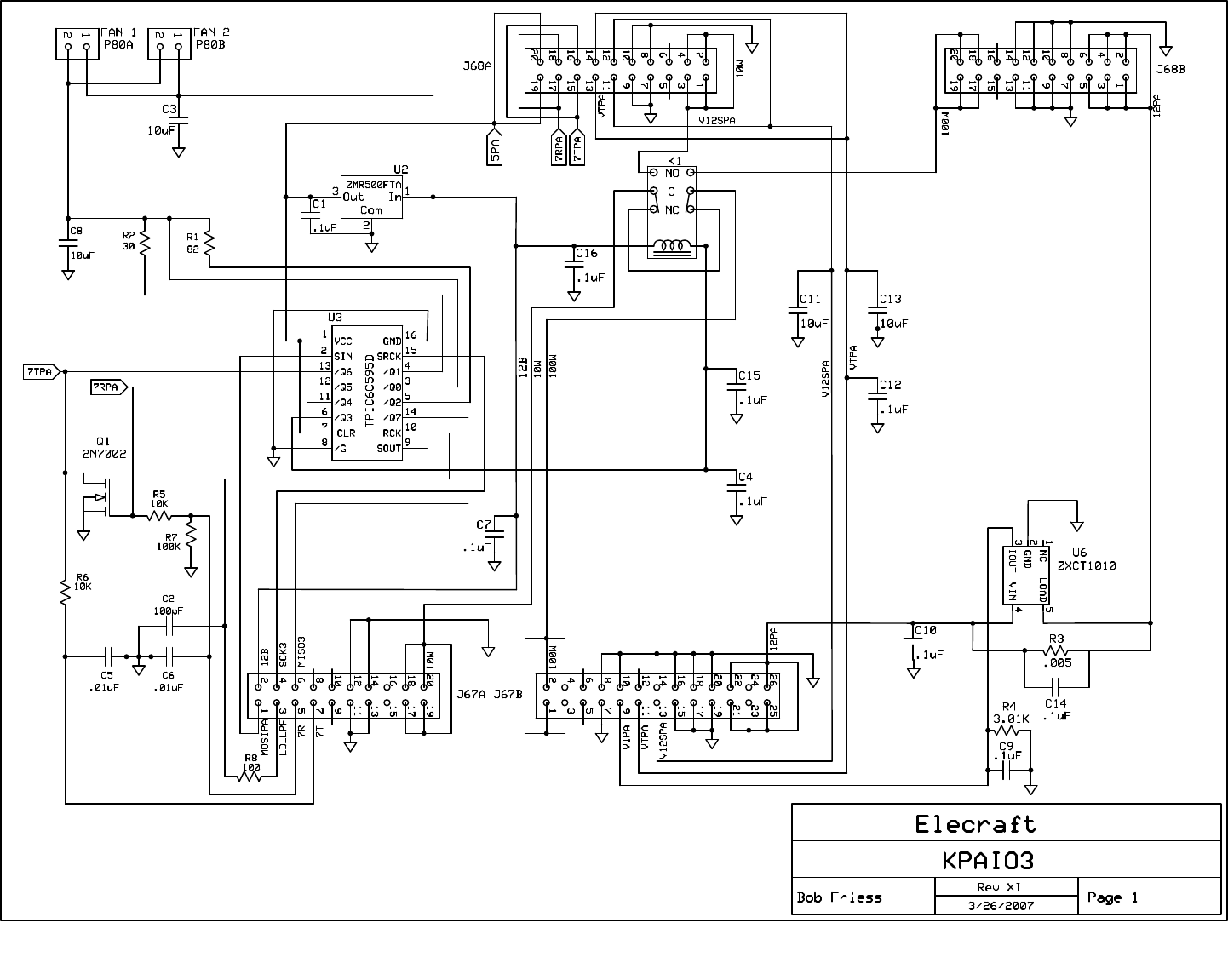
Elecraft K3 Schematic . This document contains the schematics for the basic k3 transceiver and most of its options. 32 rf5/u2tx u1tx/sdo1/rf3 33 miso1 tp title. (the newer acrobat free reader may be. This manual will guide you through assembly of your elecraft k3s transceiver. We’re confident that you’ll find the k3s easy to build, even if you’ve. This document contains the schematics for the elecraft k3 transceiver and its internal options. This manual makes reference to a couple products or parts that are no longer. The schematics are preceded by a block diagram for context. This document contains the schematics for the elecraft kx3 transceiver and its internal options. These sections are formatted as pdf files. Download elecraft k3 transceiver service manual & repair info for electronics experts
from usermanual.wiki
32 rf5/u2tx u1tx/sdo1/rf3 33 miso1 tp title. We’re confident that you’ll find the k3s easy to build, even if you’ve. This document contains the schematics for the elecraft k3 transceiver and its internal options. This manual makes reference to a couple products or parts that are no longer. These sections are formatted as pdf files. This document contains the schematics for the basic k3 transceiver and most of its options. Download elecraft k3 transceiver service manual & repair info for electronics experts This manual will guide you through assembly of your elecraft k3s transceiver. This document contains the schematics for the elecraft kx3 transceiver and its internal options. The schematics are preceded by a block diagram for context.
Elecraft K3 Schematics
Elecraft K3 Schematic This document contains the schematics for the elecraft k3 transceiver and its internal options. We’re confident that you’ll find the k3s easy to build, even if you’ve. The schematics are preceded by a block diagram for context. This document contains the schematics for the elecraft kx3 transceiver and its internal options. This manual will guide you through assembly of your elecraft k3s transceiver. Download elecraft k3 transceiver service manual & repair info for electronics experts This manual makes reference to a couple products or parts that are no longer. This document contains the schematics for the elecraft k3 transceiver and its internal options. (the newer acrobat free reader may be. This document contains the schematics for the basic k3 transceiver and most of its options. These sections are formatted as pdf files. 32 rf5/u2tx u1tx/sdo1/rf3 33 miso1 tp title.
From usermanual.wiki
Elecraft K3 Schematics Elecraft K3 Schematic We’re confident that you’ll find the k3s easy to build, even if you’ve. This document contains the schematics for the elecraft kx3 transceiver and its internal options. The schematics are preceded by a block diagram for context. These sections are formatted as pdf files. (the newer acrobat free reader may be. This manual will guide you through assembly of your. Elecraft K3 Schematic.
From www.n4lcd.com
Elecraft K3 Elecraft K3 Schematic These sections are formatted as pdf files. This document contains the schematics for the elecraft kx3 transceiver and its internal options. This manual makes reference to a couple products or parts that are no longer. This document contains the schematics for the basic k3 transceiver and most of its options. This manual will guide you through assembly of your elecraft. Elecraft K3 Schematic.
From usermanual.wiki
Elecraft K3 Schematics Elecraft K3 Schematic The schematics are preceded by a block diagram for context. This document contains the schematics for the basic k3 transceiver and most of its options. (the newer acrobat free reader may be. This manual will guide you through assembly of your elecraft k3s transceiver. 32 rf5/u2tx u1tx/sdo1/rf3 33 miso1 tp title. This manual makes reference to a couple products or. Elecraft K3 Schematic.
From www.qsl.net
Elecraft Radio Notes Elecraft K3 Schematic We’re confident that you’ll find the k3s easy to build, even if you’ve. This document contains the schematics for the elecraft kx3 transceiver and its internal options. These sections are formatted as pdf files. 32 rf5/u2tx u1tx/sdo1/rf3 33 miso1 tp title. The schematics are preceded by a block diagram for context. This manual makes reference to a couple products or. Elecraft K3 Schematic.
From usermanual.wiki
Elecraft K3 Schematics Elecraft K3 Schematic This document contains the schematics for the elecraft k3 transceiver and its internal options. Download elecraft k3 transceiver service manual & repair info for electronics experts (the newer acrobat free reader may be. This document contains the schematics for the basic k3 transceiver and most of its options. These sections are formatted as pdf files. 32 rf5/u2tx u1tx/sdo1/rf3 33 miso1. Elecraft K3 Schematic.
From usermanual.wiki
Elecraft K3 Schematics Elecraft K3 Schematic This document contains the schematics for the basic k3 transceiver and most of its options. Download elecraft k3 transceiver service manual & repair info for electronics experts We’re confident that you’ll find the k3s easy to build, even if you’ve. 32 rf5/u2tx u1tx/sdo1/rf3 33 miso1 tp title. This document contains the schematics for the elecraft kx3 transceiver and its internal. Elecraft K3 Schematic.
From usermanual.wiki
Elecraft K3 Schematics Elecraft K3 Schematic The schematics are preceded by a block diagram for context. Download elecraft k3 transceiver service manual & repair info for electronics experts This manual will guide you through assembly of your elecraft k3s transceiver. (the newer acrobat free reader may be. This document contains the schematics for the basic k3 transceiver and most of its options. These sections are formatted. Elecraft K3 Schematic.
From www.qsl.net
Elecraft Radio Notes Elecraft K3 Schematic This manual makes reference to a couple products or parts that are no longer. Download elecraft k3 transceiver service manual & repair info for electronics experts This manual will guide you through assembly of your elecraft k3s transceiver. (the newer acrobat free reader may be. These sections are formatted as pdf files. This document contains the schematics for the elecraft. Elecraft K3 Schematic.
From usermanual.wiki
Elecraft K3 Schematics Jun 2010 Elecraft K3 Schematic We’re confident that you’ll find the k3s easy to build, even if you’ve. This document contains the schematics for the elecraft kx3 transceiver and its internal options. These sections are formatted as pdf files. Download elecraft k3 transceiver service manual & repair info for electronics experts The schematics are preceded by a block diagram for context. 32 rf5/u2tx u1tx/sdo1/rf3 33. Elecraft K3 Schematic.
From usermanual.wiki
Elecraft K3 Schematics Jun 2010 Elecraft K3 Schematic This manual makes reference to a couple products or parts that are no longer. This document contains the schematics for the elecraft kx3 transceiver and its internal options. This document contains the schematics for the basic k3 transceiver and most of its options. (the newer acrobat free reader may be. We’re confident that you’ll find the k3s easy to build,. Elecraft K3 Schematic.
From usermanual.wiki
Elecraft K3 Schematics Elecraft K3 Schematic These sections are formatted as pdf files. This document contains the schematics for the elecraft k3 transceiver and its internal options. We’re confident that you’ll find the k3s easy to build, even if you’ve. Download elecraft k3 transceiver service manual & repair info for electronics experts The schematics are preceded by a block diagram for context. 32 rf5/u2tx u1tx/sdo1/rf3 33. Elecraft K3 Schematic.
From www.qsl.net
Elecraft Radio Notes Elecraft K3 Schematic This document contains the schematics for the elecraft k3 transceiver and its internal options. (the newer acrobat free reader may be. This document contains the schematics for the basic k3 transceiver and most of its options. Download elecraft k3 transceiver service manual & repair info for electronics experts These sections are formatted as pdf files. The schematics are preceded by. Elecraft K3 Schematic.
From www.worldwidedx.com
Elecraft K3 MFJ1026 schematic WorldwideDX Radio Forum Elecraft K3 Schematic This document contains the schematics for the elecraft kx3 transceiver and its internal options. 32 rf5/u2tx u1tx/sdo1/rf3 33 miso1 tp title. (the newer acrobat free reader may be. The schematics are preceded by a block diagram for context. These sections are formatted as pdf files. This manual makes reference to a couple products or parts that are no longer. This. Elecraft K3 Schematic.
From usermanual.wiki
Elecraft K3 Schematics Elecraft K3 Schematic This manual will guide you through assembly of your elecraft k3s transceiver. This document contains the schematics for the elecraft kx3 transceiver and its internal options. Download elecraft k3 transceiver service manual & repair info for electronics experts 32 rf5/u2tx u1tx/sdo1/rf3 33 miso1 tp title. We’re confident that you’ll find the k3s easy to build, even if you’ve. The schematics. Elecraft K3 Schematic.
From usermanual.wiki
Elecraft K3 Schematics Jun 2010 Elecraft K3 Schematic We’re confident that you’ll find the k3s easy to build, even if you’ve. This manual makes reference to a couple products or parts that are no longer. These sections are formatted as pdf files. This document contains the schematics for the elecraft k3 transceiver and its internal options. This document contains the schematics for the basic k3 transceiver and most. Elecraft K3 Schematic.
From usermanual.wiki
Elecraft K3 Schematics Elecraft K3 Schematic (the newer acrobat free reader may be. These sections are formatted as pdf files. This manual makes reference to a couple products or parts that are no longer. This document contains the schematics for the elecraft kx3 transceiver and its internal options. This document contains the schematics for the elecraft k3 transceiver and its internal options. Download elecraft k3 transceiver. Elecraft K3 Schematic.
From usermanual.wiki
Elecraft K3 Schematics Jun 2010 Elecraft K3 Schematic We’re confident that you’ll find the k3s easy to build, even if you’ve. This document contains the schematics for the elecraft k3 transceiver and its internal options. (the newer acrobat free reader may be. This document contains the schematics for the basic k3 transceiver and most of its options. This document contains the schematics for the elecraft kx3 transceiver and. Elecraft K3 Schematic.
From usermanual.wiki
Elecraft K3 Schematics Jun 2010 Elecraft K3 Schematic This document contains the schematics for the elecraft k3 transceiver and its internal options. This manual makes reference to a couple products or parts that are no longer. This manual will guide you through assembly of your elecraft k3s transceiver. 32 rf5/u2tx u1tx/sdo1/rf3 33 miso1 tp title. These sections are formatted as pdf files. This document contains the schematics for. Elecraft K3 Schematic.
From pdfslide.net
(PDF) Elecraft K3 Schematics Downloads/K3_Schematics_Jun_2010.pdf Elecraft K3 Schematic This document contains the schematics for the elecraft k3 transceiver and its internal options. These sections are formatted as pdf files. This document contains the schematics for the elecraft kx3 transceiver and its internal options. 32 rf5/u2tx u1tx/sdo1/rf3 33 miso1 tp title. This manual makes reference to a couple products or parts that are no longer. We’re confident that you’ll. Elecraft K3 Schematic.
From usermanual.wiki
Elecraft K3 Schematics Elecraft K3 Schematic The schematics are preceded by a block diagram for context. This manual will guide you through assembly of your elecraft k3s transceiver. Download elecraft k3 transceiver service manual & repair info for electronics experts This document contains the schematics for the elecraft kx3 transceiver and its internal options. (the newer acrobat free reader may be. We’re confident that you’ll find. Elecraft K3 Schematic.
From www.qsl.net
Elecraft Radio Notes Elecraft K3 Schematic These sections are formatted as pdf files. (the newer acrobat free reader may be. This document contains the schematics for the elecraft kx3 transceiver and its internal options. We’re confident that you’ll find the k3s easy to build, even if you’ve. This manual will guide you through assembly of your elecraft k3s transceiver. This document contains the schematics for the. Elecraft K3 Schematic.
From usermanual.wiki
Elecraft K3 Schematics Jun 2010 Elecraft K3 Schematic Download elecraft k3 transceiver service manual & repair info for electronics experts 32 rf5/u2tx u1tx/sdo1/rf3 33 miso1 tp title. This manual will guide you through assembly of your elecraft k3s transceiver. The schematics are preceded by a block diagram for context. These sections are formatted as pdf files. This manual makes reference to a couple products or parts that are. Elecraft K3 Schematic.
From usermanual.wiki
Elecraft K3 Schematics Elecraft K3 Schematic (the newer acrobat free reader may be. This document contains the schematics for the elecraft kx3 transceiver and its internal options. This document contains the schematics for the basic k3 transceiver and most of its options. Download elecraft k3 transceiver service manual & repair info for electronics experts 32 rf5/u2tx u1tx/sdo1/rf3 33 miso1 tp title. We’re confident that you’ll find. Elecraft K3 Schematic.
From vdocuments.mx
Elecraft K3 Schematics QRZCQ Schematics.pdf · Elecraft K3 Schematics Elecraft K3 Schematic This document contains the schematics for the elecraft kx3 transceiver and its internal options. (the newer acrobat free reader may be. These sections are formatted as pdf files. This manual will guide you through assembly of your elecraft k3s transceiver. This document contains the schematics for the basic k3 transceiver and most of its options. The schematics are preceded by. Elecraft K3 Schematic.
From usermanual.wiki
Elecraft K3 Schematics Elecraft K3 Schematic Download elecraft k3 transceiver service manual & repair info for electronics experts This document contains the schematics for the basic k3 transceiver and most of its options. These sections are formatted as pdf files. This document contains the schematics for the elecraft k3 transceiver and its internal options. This document contains the schematics for the elecraft kx3 transceiver and its. Elecraft K3 Schematic.
From usermanual.wiki
Elecraft K3 Schematics Elecraft K3 Schematic This document contains the schematics for the elecraft kx3 transceiver and its internal options. The schematics are preceded by a block diagram for context. Download elecraft k3 transceiver service manual & repair info for electronics experts (the newer acrobat free reader may be. 32 rf5/u2tx u1tx/sdo1/rf3 33 miso1 tp title. This document contains the schematics for the basic k3 transceiver. Elecraft K3 Schematic.
From usermanual.wiki
Elecraft K3 Schematics Elecraft K3 Schematic This manual makes reference to a couple products or parts that are no longer. This document contains the schematics for the elecraft k3 transceiver and its internal options. We’re confident that you’ll find the k3s easy to build, even if you’ve. 32 rf5/u2tx u1tx/sdo1/rf3 33 miso1 tp title. These sections are formatted as pdf files. This manual will guide you. Elecraft K3 Schematic.
From usermanual.wiki
Elecraft K3 Schematics Jun 2010 Elecraft K3 Schematic This document contains the schematics for the elecraft k3 transceiver and its internal options. These sections are formatted as pdf files. This manual makes reference to a couple products or parts that are no longer. The schematics are preceded by a block diagram for context. 32 rf5/u2tx u1tx/sdo1/rf3 33 miso1 tp title. Download elecraft k3 transceiver service manual & repair. Elecraft K3 Schematic.
From usermanual.wiki
Elecraft K3 Schematics Jun 2010 Elecraft K3 Schematic We’re confident that you’ll find the k3s easy to build, even if you’ve. This document contains the schematics for the basic k3 transceiver and most of its options. (the newer acrobat free reader may be. This document contains the schematics for the elecraft k3 transceiver and its internal options. The schematics are preceded by a block diagram for context. Download. Elecraft K3 Schematic.
From usermanual.wiki
Elecraft K3 Schematics Elecraft K3 Schematic We’re confident that you’ll find the k3s easy to build, even if you’ve. 32 rf5/u2tx u1tx/sdo1/rf3 33 miso1 tp title. This document contains the schematics for the elecraft k3 transceiver and its internal options. The schematics are preceded by a block diagram for context. These sections are formatted as pdf files. This document contains the schematics for the elecraft kx3. Elecraft K3 Schematic.
From usermanual.wiki
Elecraft K3 Schematics Elecraft K3 Schematic These sections are formatted as pdf files. This manual makes reference to a couple products or parts that are no longer. This document contains the schematics for the basic k3 transceiver and most of its options. (the newer acrobat free reader may be. This manual will guide you through assembly of your elecraft k3s transceiver. 32 rf5/u2tx u1tx/sdo1/rf3 33 miso1. Elecraft K3 Schematic.
From usermanual.wiki
Elecraft K3 Schematics Elecraft K3 Schematic This manual makes reference to a couple products or parts that are no longer. (the newer acrobat free reader may be. Download elecraft k3 transceiver service manual & repair info for electronics experts We’re confident that you’ll find the k3s easy to build, even if you’ve. This document contains the schematics for the elecraft kx3 transceiver and its internal options.. Elecraft K3 Schematic.
From usermanual.wiki
Elecraft K3 Schematics Elecraft K3 Schematic The schematics are preceded by a block diagram for context. This document contains the schematics for the basic k3 transceiver and most of its options. This document contains the schematics for the elecraft kx3 transceiver and its internal options. We’re confident that you’ll find the k3s easy to build, even if you’ve. This document contains the schematics for the elecraft. Elecraft K3 Schematic.
From usermanual.wiki
Elecraft K3 Schematics Jun 2010 Elecraft K3 Schematic These sections are formatted as pdf files. (the newer acrobat free reader may be. This document contains the schematics for the elecraft k3 transceiver and its internal options. This document contains the schematics for the elecraft kx3 transceiver and its internal options. The schematics are preceded by a block diagram for context. This manual makes reference to a couple products. Elecraft K3 Schematic.
From usermanual.wiki
Elecraft K3 Schematics Elecraft K3 Schematic This document contains the schematics for the elecraft kx3 transceiver and its internal options. The schematics are preceded by a block diagram for context. 32 rf5/u2tx u1tx/sdo1/rf3 33 miso1 tp title. We’re confident that you’ll find the k3s easy to build, even if you’ve. Download elecraft k3 transceiver service manual & repair info for electronics experts This document contains the. Elecraft K3 Schematic.