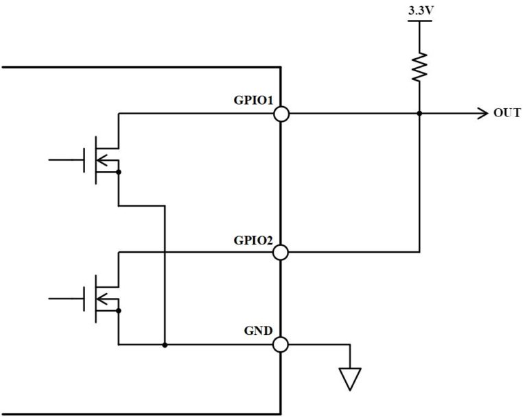
Open Drain Circuit Example . That is a good answer, but we should expand our knowledge by. In its simplest form, an open drain circuit diagram is a schematic representation of how two electrical components interact with one another. For example, many devices can pull the same. When all switched are open, r up pulls it high and every device observes the bus. Whenever we apply low input at the gate, drain, and source are disconnected. The term “open drain” means there’s a current sink, but on a fet device, for example, a mosfet. (a mosfet is like a transistor that can handle higher voltages but operates in. What is an open drain : Whenever we apply high input at the gate, drain, and source are shorted. Each switch represents the open drain output of a device connected to the bus.
from transwikia.com
When all switched are open, r up pulls it high and every device observes the bus. That is a good answer, but we should expand our knowledge by. (a mosfet is like a transistor that can handle higher voltages but operates in. In its simplest form, an open drain circuit diagram is a schematic representation of how two electrical components interact with one another. Whenever we apply high input at the gate, drain, and source are shorted. Whenever we apply low input at the gate, drain, and source are disconnected. What is an open drain : The term “open drain” means there’s a current sink, but on a fet device, for example, a mosfet. Each switch represents the open drain output of a device connected to the bus. For example, many devices can pull the same.
Connection of two open drain outputs to control common LEDs by PIC32MZ Electrical Engineering
Open Drain Circuit Example Whenever we apply low input at the gate, drain, and source are disconnected. The term “open drain” means there’s a current sink, but on a fet device, for example, a mosfet. That is a good answer, but we should expand our knowledge by. Each switch represents the open drain output of a device connected to the bus. For example, many devices can pull the same. Whenever we apply low input at the gate, drain, and source are disconnected. (a mosfet is like a transistor that can handle higher voltages but operates in. What is an open drain : When all switched are open, r up pulls it high and every device observes the bus. In its simplest form, an open drain circuit diagram is a schematic representation of how two electrical components interact with one another. Whenever we apply high input at the gate, drain, and source are shorted.
From ediy-fan.com
ArduinoスケッチでESPをオープンドレイン出力させる方法 eDIY Open Drain Circuit Example Each switch represents the open drain output of a device connected to the bus. (a mosfet is like a transistor that can handle higher voltages but operates in. When all switched are open, r up pulls it high and every device observes the bus. The term “open drain” means there’s a current sink, but on a fet device, for example,. Open Drain Circuit Example.
From wireenginequotations.z14.web.core.windows.net
Open Drain Circuit Diagram Open Drain Circuit Example (a mosfet is like a transistor that can handle higher voltages but operates in. Whenever we apply high input at the gate, drain, and source are shorted. In its simplest form, an open drain circuit diagram is a schematic representation of how two electrical components interact with one another. The term “open drain” means there’s a current sink, but on. Open Drain Circuit Example.
From www.artekit.eu
I²C Communication Protocol Artekit Open Drain Circuit Example For example, many devices can pull the same. Whenever we apply low input at the gate, drain, and source are disconnected. The term “open drain” means there’s a current sink, but on a fet device, for example, a mosfet. (a mosfet is like a transistor that can handle higher voltages but operates in. That is a good answer, but we. Open Drain Circuit Example.
From wiredataedwin.z6.web.core.windows.net
Open Drain Circuit Diagram Open Drain Circuit Example Whenever we apply high input at the gate, drain, and source are shorted. When all switched are open, r up pulls it high and every device observes the bus. That is a good answer, but we should expand our knowledge by. (a mosfet is like a transistor that can handle higher voltages but operates in. For example, many devices can. Open Drain Circuit Example.
From www.vrogue.co
Push Pull Vs Open Drain Output Configuration In An St vrogue.co Open Drain Circuit Example What is an open drain : For example, many devices can pull the same. Whenever we apply low input at the gate, drain, and source are disconnected. In its simplest form, an open drain circuit diagram is a schematic representation of how two electrical components interact with one another. That is a good answer, but we should expand our knowledge. Open Drain Circuit Example.
From kknews.cc
推挽(PushPull)和開漏(OpenDrain) 每日頭條 Open Drain Circuit Example The term “open drain” means there’s a current sink, but on a fet device, for example, a mosfet. When all switched are open, r up pulls it high and every device observes the bus. Each switch represents the open drain output of a device connected to the bus. Whenever we apply low input at the gate, drain, and source are. Open Drain Circuit Example.
From mathscinotes.com
OpenDrain Comparator Circuit With Settable Trigger and Output Levels Math Encounters Blog Open Drain Circuit Example Each switch represents the open drain output of a device connected to the bus. For example, many devices can pull the same. What is an open drain : In its simplest form, an open drain circuit diagram is a schematic representation of how two electrical components interact with one another. (a mosfet is like a transistor that can handle higher. Open Drain Circuit Example.
From itecnotes.com
GPIO How to Drive LED with Open Drain GPIO Valuable Tech Notes Open Drain Circuit Example For example, many devices can pull the same. Each switch represents the open drain output of a device connected to the bus. What is an open drain : When all switched are open, r up pulls it high and every device observes the bus. Whenever we apply high input at the gate, drain, and source are shorted. That is a. Open Drain Circuit Example.
From programmer.ink
STM32 basic learning Open Drain Circuit Example Each switch represents the open drain output of a device connected to the bus. Whenever we apply low input at the gate, drain, and source are disconnected. The term “open drain” means there’s a current sink, but on a fet device, for example, a mosfet. (a mosfet is like a transistor that can handle higher voltages but operates in. For. Open Drain Circuit Example.
From detail-infomation.com
【オープンコレクタとは】『特徴』や『オープンドレインとの違い』を分かりやすく解説! Open Drain Circuit Example Whenever we apply high input at the gate, drain, and source are shorted. (a mosfet is like a transistor that can handle higher voltages but operates in. What is an open drain : For example, many devices can pull the same. The term “open drain” means there’s a current sink, but on a fet device, for example, a mosfet. Whenever. Open Drain Circuit Example.
From www.slideserve.com
PPT Figure 14.2 Input and output logic levels for CMOS. PowerPoint Presentation ID3861960 Open Drain Circuit Example That is a good answer, but we should expand our knowledge by. The term “open drain” means there’s a current sink, but on a fet device, for example, a mosfet. Each switch represents the open drain output of a device connected to the bus. Whenever we apply low input at the gate, drain, and source are disconnected. In its simplest. Open Drain Circuit Example.
From www.youtube.com
Electronics CMOS Integrate circuit with output in Open Drain Technology YouTube Open Drain Circuit Example Whenever we apply high input at the gate, drain, and source are shorted. Each switch represents the open drain output of a device connected to the bus. For example, many devices can pull the same. In its simplest form, an open drain circuit diagram is a schematic representation of how two electrical components interact with one another. What is an. Open Drain Circuit Example.
From www.allaboutcircuits.com
The I2C Bus Hardware Implementation Details Technical Articles Open Drain Circuit Example When all switched are open, r up pulls it high and every device observes the bus. Whenever we apply high input at the gate, drain, and source are shorted. Each switch represents the open drain output of a device connected to the bus. The term “open drain” means there’s a current sink, but on a fet device, for example, a. Open Drain Circuit Example.
From electrosome.com
I²C or I2C InterIntegrated Circuit Working Explanation Open Drain Circuit Example The term “open drain” means there’s a current sink, but on a fet device, for example, a mosfet. For example, many devices can pull the same. (a mosfet is like a transistor that can handle higher voltages but operates in. In its simplest form, an open drain circuit diagram is a schematic representation of how two electrical components interact with. Open Drain Circuit Example.
From ediy-fan.com
ArduinoスケッチでESPをオープンドレイン出力させる方法 eDIY Open Drain Circuit Example Each switch represents the open drain output of a device connected to the bus. When all switched are open, r up pulls it high and every device observes the bus. Whenever we apply low input at the gate, drain, and source are disconnected. Whenever we apply high input at the gate, drain, and source are shorted. For example, many devices. Open Drain Circuit Example.
From electronica.guru
¿Cómo actúa Open Drain io como bidireccional? Electronica Open Drain Circuit Example Whenever we apply high input at the gate, drain, and source are shorted. For example, many devices can pull the same. Whenever we apply low input at the gate, drain, and source are disconnected. (a mosfet is like a transistor that can handle higher voltages but operates in. In its simplest form, an open drain circuit diagram is a schematic. Open Drain Circuit Example.
From www.youtube.com
GPIO Output Mode Working of Open Drain Configuration YouTube Open Drain Circuit Example When all switched are open, r up pulls it high and every device observes the bus. For example, many devices can pull the same. Each switch represents the open drain output of a device connected to the bus. The term “open drain” means there’s a current sink, but on a fet device, for example, a mosfet. (a mosfet is like. Open Drain Circuit Example.
From transwikia.com
Connection of two open drain outputs to control common LEDs by PIC32MZ Electrical Engineering Open Drain Circuit Example The term “open drain” means there’s a current sink, but on a fet device, for example, a mosfet. What is an open drain : Each switch represents the open drain output of a device connected to the bus. Whenever we apply high input at the gate, drain, and source are shorted. That is a good answer, but we should expand. Open Drain Circuit Example.
From www.researchgate.net
Opendrain driver for distributed select circuit. Download Scientific Diagram Open Drain Circuit Example When all switched are open, r up pulls it high and every device observes the bus. Each switch represents the open drain output of a device connected to the bus. Whenever we apply high input at the gate, drain, and source are shorted. For example, many devices can pull the same. Whenever we apply low input at the gate, drain,. Open Drain Circuit Example.
From onlinedocs.microchip.com
OpenDrain Open Drain Circuit Example In its simplest form, an open drain circuit diagram is a schematic representation of how two electrical components interact with one another. For example, many devices can pull the same. Whenever we apply low input at the gate, drain, and source are disconnected. When all switched are open, r up pulls it high and every device observes the bus. (a. Open Drain Circuit Example.
From www.circuitdiagram.co
Open Drain Circuit Diagram Open Drain Circuit Example When all switched are open, r up pulls it high and every device observes the bus. That is a good answer, but we should expand our knowledge by. Each switch represents the open drain output of a device connected to the bus. Whenever we apply high input at the gate, drain, and source are shorted. Whenever we apply low input. Open Drain Circuit Example.
From electronics.stackexchange.com
Wiredor open drain with open collector outputs Electrical Engineering Stack Exchange Open Drain Circuit Example The term “open drain” means there’s a current sink, but on a fet device, for example, a mosfet. For example, many devices can pull the same. (a mosfet is like a transistor that can handle higher voltages but operates in. Whenever we apply high input at the gate, drain, and source are shorted. What is an open drain : In. Open Drain Circuit Example.
From www.semanticscholar.org
Figure 1 from Circuit Level Implementation of ESD Self Protected LDMOS Open Drain Output Open Drain Circuit Example Each switch represents the open drain output of a device connected to the bus. Whenever we apply high input at the gate, drain, and source are shorted. (a mosfet is like a transistor that can handle higher voltages but operates in. The term “open drain” means there’s a current sink, but on a fet device, for example, a mosfet. What. Open Drain Circuit Example.
From www.eeworldonline.com
What is an open drain? Electrical Engineering News and Products Open Drain Circuit Example What is an open drain : For example, many devices can pull the same. In its simplest form, an open drain circuit diagram is a schematic representation of how two electrical components interact with one another. (a mosfet is like a transistor that can handle higher voltages but operates in. Each switch represents the open drain output of a device. Open Drain Circuit Example.
From forum.arduino.cc
12v open drain circuit General Electronics Arduino Forum Open Drain Circuit Example In its simplest form, an open drain circuit diagram is a schematic representation of how two electrical components interact with one another. When all switched are open, r up pulls it high and every device observes the bus. What is an open drain : Whenever we apply high input at the gate, drain, and source are shorted. (a mosfet is. Open Drain Circuit Example.
From guidepartdorie.z21.web.core.windows.net
Open Drain Circuit Diagram Open Drain Circuit Example The term “open drain” means there’s a current sink, but on a fet device, for example, a mosfet. Whenever we apply high input at the gate, drain, and source are shorted. Whenever we apply low input at the gate, drain, and source are disconnected. What is an open drain : Each switch represents the open drain output of a device. Open Drain Circuit Example.
From enginelibraryeisenhauer.z19.web.core.windows.net
Open Drain Circuit Diagram Open Drain Circuit Example For example, many devices can pull the same. (a mosfet is like a transistor that can handle higher voltages but operates in. Each switch represents the open drain output of a device connected to the bus. When all switched are open, r up pulls it high and every device observes the bus. Whenever we apply low input at the gate,. Open Drain Circuit Example.
From electronics.stackexchange.com
bjt Converting OpenDrain to ActiveLow Electrical Engineering Stack Exchange Open Drain Circuit Example That is a good answer, but we should expand our knowledge by. Whenever we apply high input at the gate, drain, and source are shorted. When all switched are open, r up pulls it high and every device observes the bus. Each switch represents the open drain output of a device connected to the bus. What is an open drain. Open Drain Circuit Example.
From wiredatapickering.z13.web.core.windows.net
Open Drain Circuit Diagram Open Drain Circuit Example For example, many devices can pull the same. Each switch represents the open drain output of a device connected to the bus. (a mosfet is like a transistor that can handle higher voltages but operates in. What is an open drain : When all switched are open, r up pulls it high and every device observes the bus. In its. Open Drain Circuit Example.
From electronica.guru
Circuito de integración CMOS con salida en tecnología Open Drain Electronica Open Drain Circuit Example Whenever we apply high input at the gate, drain, and source are shorted. The term “open drain” means there’s a current sink, but on a fet device, for example, a mosfet. That is a good answer, but we should expand our knowledge by. For example, many devices can pull the same. (a mosfet is like a transistor that can handle. Open Drain Circuit Example.
From www.nutsvolts.com
Understanding Digital Logic ICs — Part 4 Nuts & Volts Magazine Open Drain Circuit Example In its simplest form, an open drain circuit diagram is a schematic representation of how two electrical components interact with one another. Whenever we apply high input at the gate, drain, and source are shorted. When all switched are open, r up pulls it high and every device observes the bus. (a mosfet is like a transistor that can handle. Open Drain Circuit Example.
From www.allaboutcircuits.com
The I2C Bus Hardware Implementation Details Open Drain Circuit Example What is an open drain : The term “open drain” means there’s a current sink, but on a fet device, for example, a mosfet. That is a good answer, but we should expand our knowledge by. Whenever we apply low input at the gate, drain, and source are disconnected. (a mosfet is like a transistor that can handle higher voltages. Open Drain Circuit Example.
From ediy-fan.com
ArduinoスケッチでESPをオープンドレイン出力させる方法 eDIY Open Drain Circuit Example What is an open drain : That is a good answer, but we should expand our knowledge by. When all switched are open, r up pulls it high and every device observes the bus. (a mosfet is like a transistor that can handle higher voltages but operates in. The term “open drain” means there’s a current sink, but on a. Open Drain Circuit Example.
From detail-infomation.com
【オープンコレクタとは】『特徴』や『オープンドレインとの違い』を分かりやすく解説! Open Drain Circuit Example What is an open drain : Whenever we apply high input at the gate, drain, and source are shorted. (a mosfet is like a transistor that can handle higher voltages but operates in. That is a good answer, but we should expand our knowledge by. The term “open drain” means there’s a current sink, but on a fet device, for. Open Drain Circuit Example.
From forum.digikey.com
What does "open drain" mean? Discrete Semiconductor Products Electronic Component and Open Drain Circuit Example What is an open drain : Whenever we apply low input at the gate, drain, and source are disconnected. Each switch represents the open drain output of a device connected to the bus. When all switched are open, r up pulls it high and every device observes the bus. The term “open drain” means there’s a current sink, but on. Open Drain Circuit Example.