Usb Sd Card Reader Circuit Diagram . An sd card consists of three basic elements from a block diagram level. In this document we provide an sd card reader solution that uses the mc9s08jm60 microcontroller. Usb mirco sd card readers are used to transfer data from an sd or micro sd memory card to your computer, tablet, or laptop through the device’s usb port. A usb card reader circuit diagram is a handy device for anyone who uses digital cards, such as memory cards, sd cards, or. They allow us to easily connect our usb device to a circuit board,. A usb sd card reader circuit diagram is a schematic representation of the electrical components and circuitry of a usb. An sd memory card reader circuit diagram can provide a wealth of detailed information about any given device. They can be useful in. The diagram will show the layout of the components, as. Usb memory card reader circuit diagrams are essential tools for any electronics hobbyist or technician.
from github.com
They can be useful in. A usb sd card reader circuit diagram is a schematic representation of the electrical components and circuitry of a usb. They allow us to easily connect our usb device to a circuit board,. The diagram will show the layout of the components, as. An sd memory card reader circuit diagram can provide a wealth of detailed information about any given device. Usb mirco sd card readers are used to transfer data from an sd or micro sd memory card to your computer, tablet, or laptop through the device’s usb port. In this document we provide an sd card reader solution that uses the mc9s08jm60 microcontroller. An sd card consists of three basic elements from a block diagram level. A usb card reader circuit diagram is a handy device for anyone who uses digital cards, such as memory cards, sd cards, or. Usb memory card reader circuit diagrams are essential tools for any electronics hobbyist or technician.
Esp32 compatibility? · Issue 88 · greiman/SdFat · GitHub
Usb Sd Card Reader Circuit Diagram In this document we provide an sd card reader solution that uses the mc9s08jm60 microcontroller. An sd card consists of three basic elements from a block diagram level. Usb mirco sd card readers are used to transfer data from an sd or micro sd memory card to your computer, tablet, or laptop through the device’s usb port. In this document we provide an sd card reader solution that uses the mc9s08jm60 microcontroller. The diagram will show the layout of the components, as. An sd memory card reader circuit diagram can provide a wealth of detailed information about any given device. A usb sd card reader circuit diagram is a schematic representation of the electrical components and circuitry of a usb. They can be useful in. A usb card reader circuit diagram is a handy device for anyone who uses digital cards, such as memory cards, sd cards, or. Usb memory card reader circuit diagrams are essential tools for any electronics hobbyist or technician. They allow us to easily connect our usb device to a circuit board,.
From circuitdigest.com
Arduino Micro SD Card Module Tutorial How SD Card Module Works and Usb Sd Card Reader Circuit Diagram An sd memory card reader circuit diagram can provide a wealth of detailed information about any given device. They allow us to easily connect our usb device to a circuit board,. The diagram will show the layout of the components, as. An sd card consists of three basic elements from a block diagram level. A usb card reader circuit diagram. Usb Sd Card Reader Circuit Diagram.
From www.walmart.com
USB C SD Card Reader, 3in1 USB Type C Camera Memory Card Reader Usb Sd Card Reader Circuit Diagram They can be useful in. An sd memory card reader circuit diagram can provide a wealth of detailed information about any given device. A usb card reader circuit diagram is a handy device for anyone who uses digital cards, such as memory cards, sd cards, or. Usb memory card reader circuit diagrams are essential tools for any electronics hobbyist or. Usb Sd Card Reader Circuit Diagram.
From github.com
Esp32 compatibility? · Issue 88 · greiman/SdFat · GitHub Usb Sd Card Reader Circuit Diagram An sd card consists of three basic elements from a block diagram level. A usb card reader circuit diagram is a handy device for anyone who uses digital cards, such as memory cards, sd cards, or. Usb mirco sd card readers are used to transfer data from an sd or micro sd memory card to your computer, tablet, or laptop. Usb Sd Card Reader Circuit Diagram.
From userdatamathilda.z1.web.core.windows.net
Sd Card Module Circuit Diagram Usb Sd Card Reader Circuit Diagram The diagram will show the layout of the components, as. An sd memory card reader circuit diagram can provide a wealth of detailed information about any given device. They allow us to easily connect our usb device to a circuit board,. In this document we provide an sd card reader solution that uses the mc9s08jm60 microcontroller. They can be useful. Usb Sd Card Reader Circuit Diagram.
From easyeda.com
SD card module schematic Resources EasyEDA Usb Sd Card Reader Circuit Diagram A usb card reader circuit diagram is a handy device for anyone who uses digital cards, such as memory cards, sd cards, or. They allow us to easily connect our usb device to a circuit board,. An sd card consists of three basic elements from a block diagram level. The diagram will show the layout of the components, as. In. Usb Sd Card Reader Circuit Diagram.
From manualdbosterhagen.z21.web.core.windows.net
Usb Memory Card Reader Circuit Diagram Pdf Usb Sd Card Reader Circuit Diagram The diagram will show the layout of the components, as. A usb sd card reader circuit diagram is a schematic representation of the electrical components and circuitry of a usb. A usb card reader circuit diagram is a handy device for anyone who uses digital cards, such as memory cards, sd cards, or. Usb memory card reader circuit diagrams are. Usb Sd Card Reader Circuit Diagram.
From circuitlibrarylawrence.z6.web.core.windows.net
Usb Sd Card Reader Schematic Usb Sd Card Reader Circuit Diagram A usb card reader circuit diagram is a handy device for anyone who uses digital cards, such as memory cards, sd cards, or. They can be useful in. In this document we provide an sd card reader solution that uses the mc9s08jm60 microcontroller. An sd card consists of three basic elements from a block diagram level. An sd memory card. Usb Sd Card Reader Circuit Diagram.
From simple-circuit.com
Arduino data logger using SD card and DHT11 sensor Usb Sd Card Reader Circuit Diagram Usb memory card reader circuit diagrams are essential tools for any electronics hobbyist or technician. An sd memory card reader circuit diagram can provide a wealth of detailed information about any given device. An sd card consists of three basic elements from a block diagram level. In this document we provide an sd card reader solution that uses the mc9s08jm60. Usb Sd Card Reader Circuit Diagram.
From www.amazon.com
Stemedu 2PCS Micro SD Card Module TF Card Memory Storage Usb Sd Card Reader Circuit Diagram The diagram will show the layout of the components, as. They can be useful in. Usb mirco sd card readers are used to transfer data from an sd or micro sd memory card to your computer, tablet, or laptop through the device’s usb port. Usb memory card reader circuit diagrams are essential tools for any electronics hobbyist or technician. In. Usb Sd Card Reader Circuit Diagram.
From simple-circuit.com
Read and write files from and to SD card with PIC18F4550 CCS C Usb Sd Card Reader Circuit Diagram In this document we provide an sd card reader solution that uses the mc9s08jm60 microcontroller. They allow us to easily connect our usb device to a circuit board,. They can be useful in. Usb memory card reader circuit diagrams are essential tools for any electronics hobbyist or technician. A usb sd card reader circuit diagram is a schematic representation of. Usb Sd Card Reader Circuit Diagram.
From www.reddit.com
[Schematic and PCB Review Request] SD Card reader + PowerBank r Usb Sd Card Reader Circuit Diagram A usb card reader circuit diagram is a handy device for anyone who uses digital cards, such as memory cards, sd cards, or. The diagram will show the layout of the components, as. Usb memory card reader circuit diagrams are essential tools for any electronics hobbyist or technician. In this document we provide an sd card reader solution that uses. Usb Sd Card Reader Circuit Diagram.
From www.aliexpress.com
Ch376s Usb Module U Disk / Sd Card Reader Module Usb Host Module Board Usb Sd Card Reader Circuit Diagram Usb mirco sd card readers are used to transfer data from an sd or micro sd memory card to your computer, tablet, or laptop through the device’s usb port. The diagram will show the layout of the components, as. An sd memory card reader circuit diagram can provide a wealth of detailed information about any given device. Usb memory card. Usb Sd Card Reader Circuit Diagram.
From www.myxxgirl.com
Sd Card Pinout To Usb cas Org My XXX Hot Girl Usb Sd Card Reader Circuit Diagram They can be useful in. An sd card consists of three basic elements from a block diagram level. A usb sd card reader circuit diagram is a schematic representation of the electrical components and circuitry of a usb. They allow us to easily connect our usb device to a circuit board,. Usb mirco sd card readers are used to transfer. Usb Sd Card Reader Circuit Diagram.
From mungfali.com
Arduino Sd Card Module Tutorial Arduino Data Logger 175 Usb Sd Card Reader Circuit Diagram A usb sd card reader circuit diagram is a schematic representation of the electrical components and circuitry of a usb. A usb card reader circuit diagram is a handy device for anyone who uses digital cards, such as memory cards, sd cards, or. They can be useful in. An sd card consists of three basic elements from a block diagram. Usb Sd Card Reader Circuit Diagram.
From ibb.co
SDcardsREADERpinout hosted at ImgBB — ImgBB Usb Sd Card Reader Circuit Diagram They can be useful in. An sd memory card reader circuit diagram can provide a wealth of detailed information about any given device. In this document we provide an sd card reader solution that uses the mc9s08jm60 microcontroller. A usb card reader circuit diagram is a handy device for anyone who uses digital cards, such as memory cards, sd cards,. Usb Sd Card Reader Circuit Diagram.
From forum.arduino.cc
SD card to USB Usb Sd Card Reader Circuit Diagram They can be useful in. An sd card consists of three basic elements from a block diagram level. Usb memory card reader circuit diagrams are essential tools for any electronics hobbyist or technician. They allow us to easily connect our usb device to a circuit board,. A usb card reader circuit diagram is a handy device for anyone who uses. Usb Sd Card Reader Circuit Diagram.
From www.circuitdiagram.co
Micro Sd Card Reader Circuit Diagram Circuit Diagram Usb Sd Card Reader Circuit Diagram The diagram will show the layout of the components, as. An sd memory card reader circuit diagram can provide a wealth of detailed information about any given device. In this document we provide an sd card reader solution that uses the mc9s08jm60 microcontroller. They allow us to easily connect our usb device to a circuit board,. A usb card reader. Usb Sd Card Reader Circuit Diagram.
From www.walmart.ca
USB 3.0 Card Reader, SD / Micro SD Reader, Portable Card Reader for SD Usb Sd Card Reader Circuit Diagram In this document we provide an sd card reader solution that uses the mc9s08jm60 microcontroller. The diagram will show the layout of the components, as. They allow us to easily connect our usb device to a circuit board,. An sd card consists of three basic elements from a block diagram level. A usb sd card reader circuit diagram is a. Usb Sd Card Reader Circuit Diagram.
From enginewiringmeyer.z13.web.core.windows.net
Micro Sd Card Reader Circuit Diagram Usb Sd Card Reader Circuit Diagram A usb sd card reader circuit diagram is a schematic representation of the electrical components and circuitry of a usb. They can be useful in. An sd card consists of three basic elements from a block diagram level. An sd memory card reader circuit diagram can provide a wealth of detailed information about any given device. The diagram will show. Usb Sd Card Reader Circuit Diagram.
From randomnerdtutorials.com
Guide to SD Card Module with Arduino Random Nerd Tutorials Usb Sd Card Reader Circuit Diagram A usb card reader circuit diagram is a handy device for anyone who uses digital cards, such as memory cards, sd cards, or. Usb mirco sd card readers are used to transfer data from an sd or micro sd memory card to your computer, tablet, or laptop through the device’s usb port. A usb sd card reader circuit diagram is. Usb Sd Card Reader Circuit Diagram.
From www.vrogue.co
Secure Digital Sd Card Pinout Diagram Pinoutguide Com vrogue.co Usb Sd Card Reader Circuit Diagram A usb card reader circuit diagram is a handy device for anyone who uses digital cards, such as memory cards, sd cards, or. They allow us to easily connect our usb device to a circuit board,. A usb sd card reader circuit diagram is a schematic representation of the electrical components and circuitry of a usb. An sd card consists. Usb Sd Card Reader Circuit Diagram.
From www.lazada.com.ph
SD/Micro SD Card Reader Writer USB 2.0 Memory Card Reader OTG Adapter Usb Sd Card Reader Circuit Diagram An sd memory card reader circuit diagram can provide a wealth of detailed information about any given device. They can be useful in. They allow us to easily connect our usb device to a circuit board,. A usb sd card reader circuit diagram is a schematic representation of the electrical components and circuitry of a usb. An sd card consists. Usb Sd Card Reader Circuit Diagram.
From www.dfrobot.com.cn
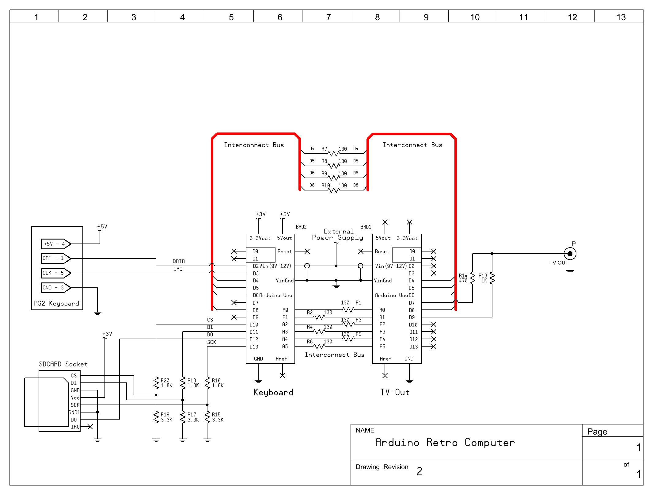
build a computer using an Arduino , an SD card reader , an LCD screen Usb Sd Card Reader Circuit Diagram A usb card reader circuit diagram is a handy device for anyone who uses digital cards, such as memory cards, sd cards, or. The diagram will show the layout of the components, as. They allow us to easily connect our usb device to a circuit board,. An sd memory card reader circuit diagram can provide a wealth of detailed information. Usb Sd Card Reader Circuit Diagram.
From cleverlearn-hocthongminh.edu.vn
อัลบั้ม 93+ ภาพพื้นหลัง Usb วัดคุณภาพการชาร์จ อัปเดต Usb Sd Card Reader Circuit Diagram They can be useful in. The diagram will show the layout of the components, as. Usb memory card reader circuit diagrams are essential tools for any electronics hobbyist or technician. An sd memory card reader circuit diagram can provide a wealth of detailed information about any given device. They allow us to easily connect our usb device to a circuit. Usb Sd Card Reader Circuit Diagram.
From learnpicmicrocontrollers.blogspot.com
Learn PIC Microcontrollers Interface a SD Memory Card to ATmega8 with Usb Sd Card Reader Circuit Diagram A usb card reader circuit diagram is a handy device for anyone who uses digital cards, such as memory cards, sd cards, or. In this document we provide an sd card reader solution that uses the mc9s08jm60 microcontroller. Usb memory card reader circuit diagrams are essential tools for any electronics hobbyist or technician. They allow us to easily connect our. Usb Sd Card Reader Circuit Diagram.
From www.walmart.com
SD Card Reader, Micro SD/TF Compact Flash Card Reader with 3 in 1 USB Usb Sd Card Reader Circuit Diagram Usb mirco sd card readers are used to transfer data from an sd or micro sd memory card to your computer, tablet, or laptop through the device’s usb port. An sd card consists of three basic elements from a block diagram level. The diagram will show the layout of the components, as. Usb memory card reader circuit diagrams are essential. Usb Sd Card Reader Circuit Diagram.
From enginelistwatts.z19.web.core.windows.net
Usb Sd Card Reader Schematic Usb Sd Card Reader Circuit Diagram A usb sd card reader circuit diagram is a schematic representation of the electrical components and circuitry of a usb. Usb mirco sd card readers are used to transfer data from an sd or micro sd memory card to your computer, tablet, or laptop through the device’s usb port. In this document we provide an sd card reader solution that. Usb Sd Card Reader Circuit Diagram.
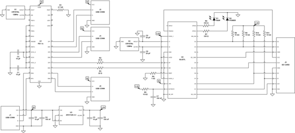
From electronics.stackexchange.com
pcb FE1.1s USB Hub and GL827L SD Card Reader Electrical Engineering Usb Sd Card Reader Circuit Diagram The diagram will show the layout of the components, as. An sd card consists of three basic elements from a block diagram level. An sd memory card reader circuit diagram can provide a wealth of detailed information about any given device. Usb mirco sd card readers are used to transfer data from an sd or micro sd memory card to. Usb Sd Card Reader Circuit Diagram.
From manualpartfarber.z19.web.core.windows.net
Usb Micro Sd Card Reader Circuit Diagram Usb Sd Card Reader Circuit Diagram They allow us to easily connect our usb device to a circuit board,. A usb sd card reader circuit diagram is a schematic representation of the electrical components and circuitry of a usb. Usb mirco sd card readers are used to transfer data from an sd or micro sd memory card to your computer, tablet, or laptop through the device’s. Usb Sd Card Reader Circuit Diagram.
From robots.net
15 Amazing Usb SD Card Reader 3.0 for 2023 Usb Sd Card Reader Circuit Diagram An sd memory card reader circuit diagram can provide a wealth of detailed information about any given device. Usb memory card reader circuit diagrams are essential tools for any electronics hobbyist or technician. An sd card consists of three basic elements from a block diagram level. Usb mirco sd card readers are used to transfer data from an sd or. Usb Sd Card Reader Circuit Diagram.
From enginelibraryeisenhauer.z19.web.core.windows.net
Micro Sd Card Reader Circuit Diagram Usb Sd Card Reader Circuit Diagram In this document we provide an sd card reader solution that uses the mc9s08jm60 microcontroller. An sd memory card reader circuit diagram can provide a wealth of detailed information about any given device. Usb memory card reader circuit diagrams are essential tools for any electronics hobbyist or technician. They allow us to easily connect our usb device to a circuit. Usb Sd Card Reader Circuit Diagram.
From windowsreport.com
8 Best USBC SD Card Readers for UltraFast Transfers Usb Sd Card Reader Circuit Diagram The diagram will show the layout of the components, as. A usb sd card reader circuit diagram is a schematic representation of the electrical components and circuitry of a usb. Usb mirco sd card readers are used to transfer data from an sd or micro sd memory card to your computer, tablet, or laptop through the device’s usb port. Usb. Usb Sd Card Reader Circuit Diagram.
From wiredataedwin.z6.web.core.windows.net
Schematic Diagram Card Reader Usb Sd Card Reader Circuit Diagram An sd memory card reader circuit diagram can provide a wealth of detailed information about any given device. Usb mirco sd card readers are used to transfer data from an sd or micro sd memory card to your computer, tablet, or laptop through the device’s usb port. They allow us to easily connect our usb device to a circuit board,.. Usb Sd Card Reader Circuit Diagram.
From wiredataedwin.z6.web.core.windows.net
Usb Memory Card Reader Circuit Diagram Pdf Usb Sd Card Reader Circuit Diagram Usb memory card reader circuit diagrams are essential tools for any electronics hobbyist or technician. Usb mirco sd card readers are used to transfer data from an sd or micro sd memory card to your computer, tablet, or laptop through the device’s usb port. An sd card consists of three basic elements from a block diagram level. A usb card. Usb Sd Card Reader Circuit Diagram.
From wonderfulengineering.com
10 Best USB SD Card Readers Usb Sd Card Reader Circuit Diagram Usb mirco sd card readers are used to transfer data from an sd or micro sd memory card to your computer, tablet, or laptop through the device’s usb port. Usb memory card reader circuit diagrams are essential tools for any electronics hobbyist or technician. A usb card reader circuit diagram is a handy device for anyone who uses digital cards,. Usb Sd Card Reader Circuit Diagram.