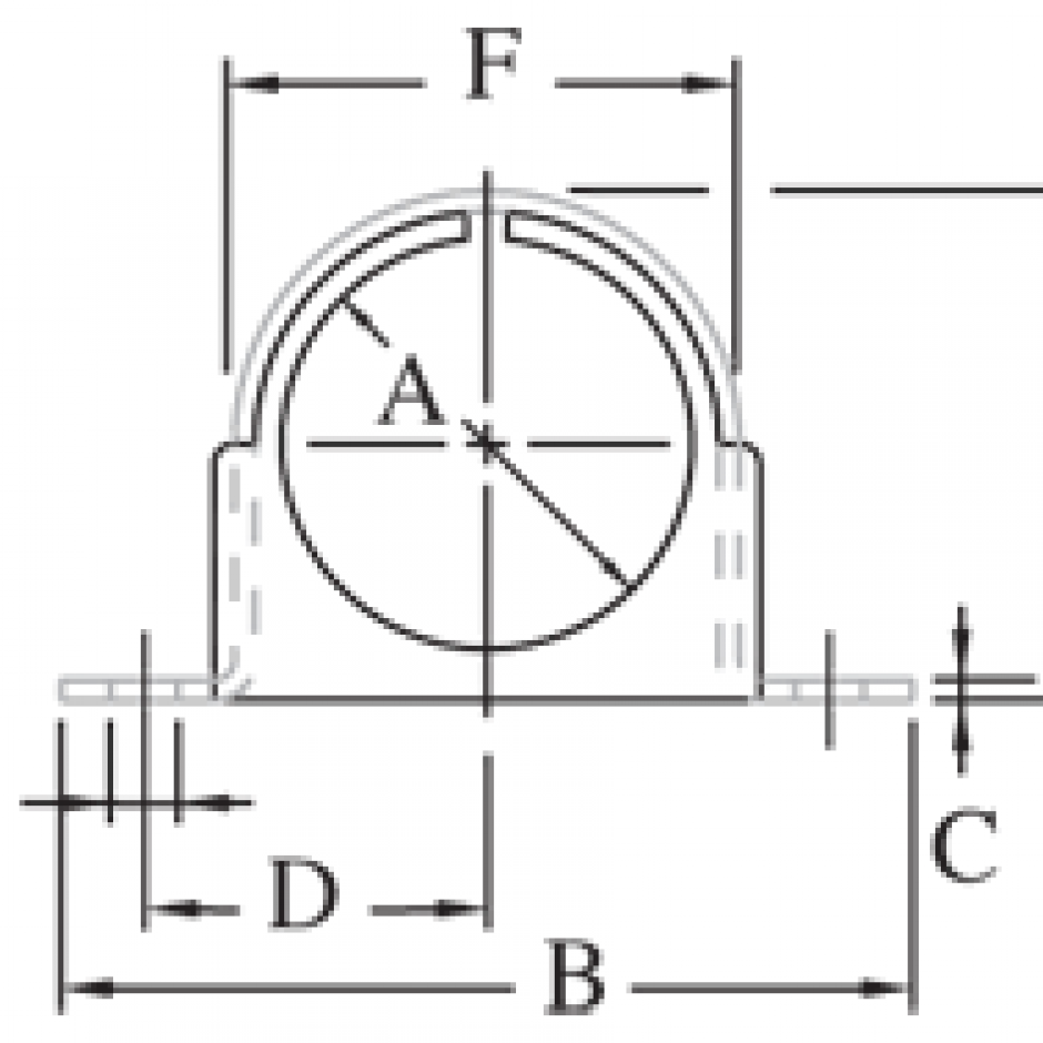
Cush A Clamp Submittal . Strut mounted cush a clamps are designed to be assembled and mounted to metal framing strut channel by one worker. The patented “living hinge” design allows for pipe and conduit to easily be inserted into the cushion, while maintaining a snug fit. Thermoplastic elastomer (uv resistant) part. Nominal pipe size average ultimate loads (lbs.) design load (lbs.) pullout slip along slip thru pullout slip along slip thru 009n012 1/4 1,600 100 140 200 20 20 011n014 3/8. Assembly consisting of steel clamp with locknut and thermoplastic elastomer. Thermoplastic elastomer (uv resistant) par t n.
from unistrut.biz
Thermoplastic elastomer (uv resistant) part. Assembly consisting of steel clamp with locknut and thermoplastic elastomer. The patented “living hinge” design allows for pipe and conduit to easily be inserted into the cushion, while maintaining a snug fit. Nominal pipe size average ultimate loads (lbs.) design load (lbs.) pullout slip along slip thru pullout slip along slip thru 009n012 1/4 1,600 100 140 200 20 20 011n014 3/8. Strut mounted cush a clamps are designed to be assembled and mounted to metal framing strut channel by one worker. Thermoplastic elastomer (uv resistant) par t n.
Pipe Assembly CushAClamp 1/4" thru 6" Unistrut Midwest
Cush A Clamp Submittal Thermoplastic elastomer (uv resistant) par t n. Thermoplastic elastomer (uv resistant) part. Assembly consisting of steel clamp with locknut and thermoplastic elastomer. Thermoplastic elastomer (uv resistant) par t n. Nominal pipe size average ultimate loads (lbs.) design load (lbs.) pullout slip along slip thru pullout slip along slip thru 009n012 1/4 1,600 100 140 200 20 20 011n014 3/8. The patented “living hinge” design allows for pipe and conduit to easily be inserted into the cushion, while maintaining a snug fit. Strut mounted cush a clamps are designed to be assembled and mounted to metal framing strut channel by one worker.
From www.hydra-zorb.com
HydraZorb Cushion Clamp Cush A Clamp Submittal The patented “living hinge” design allows for pipe and conduit to easily be inserted into the cushion, while maintaining a snug fit. Strut mounted cush a clamps are designed to be assembled and mounted to metal framing strut channel by one worker. Assembly consisting of steel clamp with locknut and thermoplastic elastomer. Nominal pipe size average ultimate loads (lbs.) design. Cush A Clamp Submittal.
From www.grainger.com
ZSI CushAClamp Cushion Clamp, Electro Galvanized Steel, Thermoplastic Cush A Clamp Submittal The patented “living hinge” design allows for pipe and conduit to easily be inserted into the cushion, while maintaining a snug fit. Strut mounted cush a clamps are designed to be assembled and mounted to metal framing strut channel by one worker. Thermoplastic elastomer (uv resistant) part. Assembly consisting of steel clamp with locknut and thermoplastic elastomer. Nominal pipe size. Cush A Clamp Submittal.
From unistrutohio.com
ZSI CUSHACLAMP® Gold Electro Galvanized Steel Cush A Clamp Submittal Thermoplastic elastomer (uv resistant) par t n. Thermoplastic elastomer (uv resistant) part. The patented “living hinge” design allows for pipe and conduit to easily be inserted into the cushion, while maintaining a snug fit. Strut mounted cush a clamps are designed to be assembled and mounted to metal framing strut channel by one worker. Assembly consisting of steel clamp with. Cush A Clamp Submittal.
From www.kleen-ritecorp.com
ZSI Inc. 010NS014 Stainless Steel 5/8in. CushAClamp Cush A Clamp Submittal Thermoplastic elastomer (uv resistant) part. The patented “living hinge” design allows for pipe and conduit to easily be inserted into the cushion, while maintaining a snug fit. Thermoplastic elastomer (uv resistant) par t n. Strut mounted cush a clamps are designed to be assembled and mounted to metal framing strut channel by one worker. Assembly consisting of steel clamp with. Cush A Clamp Submittal.
From www.kleen-ritecorp.com
ZSI Inc 024NS028 SS CushAClamp 1 1/2in. Tube or Pipe Cush A Clamp Submittal Thermoplastic elastomer (uv resistant) par t n. Assembly consisting of steel clamp with locknut and thermoplastic elastomer. Strut mounted cush a clamps are designed to be assembled and mounted to metal framing strut channel by one worker. Thermoplastic elastomer (uv resistant) part. Nominal pipe size average ultimate loads (lbs.) design load (lbs.) pullout slip along slip thru pullout slip along. Cush A Clamp Submittal.
From shop.abledistributors.com
CushAClamp 11/8″ OD Individually Packaged Able Distributors Cush A Clamp Submittal Assembly consisting of steel clamp with locknut and thermoplastic elastomer. Thermoplastic elastomer (uv resistant) part. Strut mounted cush a clamps are designed to be assembled and mounted to metal framing strut channel by one worker. Thermoplastic elastomer (uv resistant) par t n. The patented “living hinge” design allows for pipe and conduit to easily be inserted into the cushion, while. Cush A Clamp Submittal.
From www.grainger.com
CUSHANATOR, Std, 7/8 in Tube Size, Cushioned Clamp 33KF87CN14SS Cush A Clamp Submittal Assembly consisting of steel clamp with locknut and thermoplastic elastomer. Nominal pipe size average ultimate loads (lbs.) design load (lbs.) pullout slip along slip thru pullout slip along slip thru 009n012 1/4 1,600 100 140 200 20 20 011n014 3/8. Thermoplastic elastomer (uv resistant) par t n. Strut mounted cush a clamps are designed to be assembled and mounted to. Cush A Clamp Submittal.
From www.unistruthawaii.com
1/4" thru 61/8" CushAClamp Assembly Pipe/Tube Clamp (15/8" Series Cush A Clamp Submittal Nominal pipe size average ultimate loads (lbs.) design load (lbs.) pullout slip along slip thru pullout slip along slip thru 009n012 1/4 1,600 100 140 200 20 20 011n014 3/8. Assembly consisting of steel clamp with locknut and thermoplastic elastomer. The patented “living hinge” design allows for pipe and conduit to easily be inserted into the cushion, while maintaining a. Cush A Clamp Submittal.
From www.pipelagging.com
Channel Pipe Clip Cushion Tube Clamp For Steel, Copper and Plastic Cush A Clamp Submittal Strut mounted cush a clamps are designed to be assembled and mounted to metal framing strut channel by one worker. Nominal pipe size average ultimate loads (lbs.) design load (lbs.) pullout slip along slip thru pullout slip along slip thru 009n012 1/4 1,600 100 140 200 20 20 011n014 3/8. Assembly consisting of steel clamp with locknut and thermoplastic elastomer.. Cush A Clamp Submittal.
From catalog.dunhamrubber.com
Item 012T016, CushAClamp® ChannelMounted Clamping System On Dunham Cush A Clamp Submittal Nominal pipe size average ultimate loads (lbs.) design load (lbs.) pullout slip along slip thru pullout slip along slip thru 009n012 1/4 1,600 100 140 200 20 20 011n014 3/8. Thermoplastic elastomer (uv resistant) par t n. Thermoplastic elastomer (uv resistant) part. Assembly consisting of steel clamp with locknut and thermoplastic elastomer. The patented “living hinge” design allows for pipe. Cush A Clamp Submittal.
From www.invitingweddings.com.au
quality merchandise Free shipping service Great selection at great Cush A Clamp Submittal The patented “living hinge” design allows for pipe and conduit to easily be inserted into the cushion, while maintaining a snug fit. Strut mounted cush a clamps are designed to be assembled and mounted to metal framing strut channel by one worker. Thermoplastic elastomer (uv resistant) par t n. Assembly consisting of steel clamp with locknut and thermoplastic elastomer. Thermoplastic. Cush A Clamp Submittal.
From maraindustrial.com
CushAClamp 038N044 Cushioned Clamp Mara Industrial Cush A Clamp Submittal Thermoplastic elastomer (uv resistant) part. Thermoplastic elastomer (uv resistant) par t n. Nominal pipe size average ultimate loads (lbs.) design load (lbs.) pullout slip along slip thru pullout slip along slip thru 009n012 1/4 1,600 100 140 200 20 20 011n014 3/8. Assembly consisting of steel clamp with locknut and thermoplastic elastomer. Strut mounted cush a clamps are designed to. Cush A Clamp Submittal.
From www.conklinmetal.com
Cush Clamp Conklin Metal Industries Cush A Clamp Submittal Strut mounted cush a clamps are designed to be assembled and mounted to metal framing strut channel by one worker. Nominal pipe size average ultimate loads (lbs.) design load (lbs.) pullout slip along slip thru pullout slip along slip thru 009n012 1/4 1,600 100 140 200 20 20 011n014 3/8. The patented “living hinge” design allows for pipe and conduit. Cush A Clamp Submittal.
From www.kleen-ritecorp.com
ZSI Inc. 004T008 CushAClamp 1/4in. Tubing Cush A Clamp Submittal The patented “living hinge” design allows for pipe and conduit to easily be inserted into the cushion, while maintaining a snug fit. Thermoplastic elastomer (uv resistant) part. Nominal pipe size average ultimate loads (lbs.) design load (lbs.) pullout slip along slip thru pullout slip along slip thru 009n012 1/4 1,600 100 140 200 20 20 011n014 3/8. Thermoplastic elastomer (uv. Cush A Clamp Submittal.
From catalog.dunhamrubber.com
Item 024N028, CushAClamp® ChannelMounted Clamping System On Dunham Cush A Clamp Submittal The patented “living hinge” design allows for pipe and conduit to easily be inserted into the cushion, while maintaining a snug fit. Strut mounted cush a clamps are designed to be assembled and mounted to metal framing strut channel by one worker. Assembly consisting of steel clamp with locknut and thermoplastic elastomer. Nominal pipe size average ultimate loads (lbs.) design. Cush A Clamp Submittal.
From www.kokastrut.com
HDG Cushion Clamp Electrical 3/4'' Unistrut Pipe Cushion clamp Cush A Clamp Submittal The patented “living hinge” design allows for pipe and conduit to easily be inserted into the cushion, while maintaining a snug fit. Assembly consisting of steel clamp with locknut and thermoplastic elastomer. Strut mounted cush a clamps are designed to be assembled and mounted to metal framing strut channel by one worker. Thermoplastic elastomer (uv resistant) part. Thermoplastic elastomer (uv. Cush A Clamp Submittal.
From sonnysdirect.com
Sonny'sCushAClamp, 1/2in O.D. Tube, Stainless Steel, HZ Cush A Clamp Submittal The patented “living hinge” design allows for pipe and conduit to easily be inserted into the cushion, while maintaining a snug fit. Thermoplastic elastomer (uv resistant) par t n. Thermoplastic elastomer (uv resistant) part. Assembly consisting of steel clamp with locknut and thermoplastic elastomer. Strut mounted cush a clamps are designed to be assembled and mounted to metal framing strut. Cush A Clamp Submittal.
From catalog.dunhamrubber.com
Item 038NS044, CushAClamp® ChannelMounted Clamping System On Cush A Clamp Submittal Assembly consisting of steel clamp with locknut and thermoplastic elastomer. Thermoplastic elastomer (uv resistant) par t n. The patented “living hinge” design allows for pipe and conduit to easily be inserted into the cushion, while maintaining a snug fit. Nominal pipe size average ultimate loads (lbs.) design load (lbs.) pullout slip along slip thru pullout slip along slip thru 009n012. Cush A Clamp Submittal.
From www.grainger.com
CUSHANATOR, Std, 1/2 in Pipe Size, Cushioned Clamp 33KF73CN14P Cush A Clamp Submittal Nominal pipe size average ultimate loads (lbs.) design load (lbs.) pullout slip along slip thru pullout slip along slip thru 009n012 1/4 1,600 100 140 200 20 20 011n014 3/8. Thermoplastic elastomer (uv resistant) part. The patented “living hinge” design allows for pipe and conduit to easily be inserted into the cushion, while maintaining a snug fit. Assembly consisting of. Cush A Clamp Submittal.
From www.conklinmetal.com
Cush Clamp Conklin Metal Industries Cush A Clamp Submittal Thermoplastic elastomer (uv resistant) part. Nominal pipe size average ultimate loads (lbs.) design load (lbs.) pullout slip along slip thru pullout slip along slip thru 009n012 1/4 1,600 100 140 200 20 20 011n014 3/8. Strut mounted cush a clamps are designed to be assembled and mounted to metal framing strut channel by one worker. The patented “living hinge” design. Cush A Clamp Submittal.
From www.hydra-zorb.com
HydraZorb Cushion Clamp Product Guide Cush A Clamp Submittal Strut mounted cush a clamps are designed to be assembled and mounted to metal framing strut channel by one worker. The patented “living hinge” design allows for pipe and conduit to easily be inserted into the cushion, while maintaining a snug fit. Assembly consisting of steel clamp with locknut and thermoplastic elastomer. Nominal pipe size average ultimate loads (lbs.) design. Cush A Clamp Submittal.
From korean.alibaba.com
강재용 높은 표준 Ss316 Cusha클램프 맞춤형 스트럿 채널 안장 클램프 Buy Galvanized Strut Cush A Clamp Submittal The patented “living hinge” design allows for pipe and conduit to easily be inserted into the cushion, while maintaining a snug fit. Thermoplastic elastomer (uv resistant) par t n. Thermoplastic elastomer (uv resistant) part. Assembly consisting of steel clamp with locknut and thermoplastic elastomer. Nominal pipe size average ultimate loads (lbs.) design load (lbs.) pullout slip along slip thru pullout. Cush A Clamp Submittal.
From unistrut.biz
Tube Assembly CushAClamp 1/4" thru 61/8" Unistrut Midwest Cush A Clamp Submittal Nominal pipe size average ultimate loads (lbs.) design load (lbs.) pullout slip along slip thru pullout slip along slip thru 009n012 1/4 1,600 100 140 200 20 20 011n014 3/8. The patented “living hinge” design allows for pipe and conduit to easily be inserted into the cushion, while maintaining a snug fit. Assembly consisting of steel clamp with locknut and. Cush A Clamp Submittal.
From www.empireindustries.com
Fig. 8500 Cushion Strut Clamp Empire Industries Cush A Clamp Submittal Thermoplastic elastomer (uv resistant) par t n. Strut mounted cush a clamps are designed to be assembled and mounted to metal framing strut channel by one worker. Assembly consisting of steel clamp with locknut and thermoplastic elastomer. Nominal pipe size average ultimate loads (lbs.) design load (lbs.) pullout slip along slip thru pullout slip along slip thru 009n012 1/4 1,600. Cush A Clamp Submittal.
From www.ebay.com
CushATherm 25/8, UX25834 Airtight CrushResistant Insulation Clamps Cush A Clamp Submittal The patented “living hinge” design allows for pipe and conduit to easily be inserted into the cushion, while maintaining a snug fit. Thermoplastic elastomer (uv resistant) par t n. Assembly consisting of steel clamp with locknut and thermoplastic elastomer. Thermoplastic elastomer (uv resistant) part. Nominal pipe size average ultimate loads (lbs.) design load (lbs.) pullout slip along slip thru pullout. Cush A Clamp Submittal.
From unistrut.biz
Pipe Assembly CushAClamp 1/4" thru 6" Unistrut Midwest Cush A Clamp Submittal Nominal pipe size average ultimate loads (lbs.) design load (lbs.) pullout slip along slip thru pullout slip along slip thru 009n012 1/4 1,600 100 140 200 20 20 011n014 3/8. Strut mounted cush a clamps are designed to be assembled and mounted to metal framing strut channel by one worker. Assembly consisting of steel clamp with locknut and thermoplastic elastomer.. Cush A Clamp Submittal.
From www.discountstrutaccessories.com
CushAClamp EG 1/4 inch Tube Strut Clamps DSA Cush A Clamp Submittal The patented “living hinge” design allows for pipe and conduit to easily be inserted into the cushion, while maintaining a snug fit. Strut mounted cush a clamps are designed to be assembled and mounted to metal framing strut channel by one worker. Thermoplastic elastomer (uv resistant) par t n. Nominal pipe size average ultimate loads (lbs.) design load (lbs.) pullout. Cush A Clamp Submittal.
From www.grainger.com
316 Stainless Steel, For 1/2 in Copper Tube, VibrationDampening Strut Cush A Clamp Submittal Thermoplastic elastomer (uv resistant) par t n. The patented “living hinge” design allows for pipe and conduit to easily be inserted into the cushion, while maintaining a snug fit. Nominal pipe size average ultimate loads (lbs.) design load (lbs.) pullout slip along slip thru pullout slip along slip thru 009n012 1/4 1,600 100 140 200 20 20 011n014 3/8. Thermoplastic. Cush A Clamp Submittal.
From unistrut.biz
CushAClamp (Omega) 1/4" thru 51/8" (15/8" Series) Unistrut Midwest Cush A Clamp Submittal Nominal pipe size average ultimate loads (lbs.) design load (lbs.) pullout slip along slip thru pullout slip along slip thru 009n012 1/4 1,600 100 140 200 20 20 011n014 3/8. Thermoplastic elastomer (uv resistant) part. Assembly consisting of steel clamp with locknut and thermoplastic elastomer. Thermoplastic elastomer (uv resistant) par t n. Strut mounted cush a clamps are designed to. Cush A Clamp Submittal.
From www.walmart.com
CUSHANATOR HT10 Cushioned Clamp,HT,5/8 in. Tube,Steel Cush A Clamp Submittal Thermoplastic elastomer (uv resistant) part. Strut mounted cush a clamps are designed to be assembled and mounted to metal framing strut channel by one worker. Thermoplastic elastomer (uv resistant) par t n. The patented “living hinge” design allows for pipe and conduit to easily be inserted into the cushion, while maintaining a snug fit. Nominal pipe size average ultimate loads. Cush A Clamp Submittal.
From www.unistruthawaii.com
1/4" thru 51/8" CushAClamp Assembly Omega Series Pipe/Tube Clamp (1 Cush A Clamp Submittal Nominal pipe size average ultimate loads (lbs.) design load (lbs.) pullout slip along slip thru pullout slip along slip thru 009n012 1/4 1,600 100 140 200 20 20 011n014 3/8. The patented “living hinge” design allows for pipe and conduit to easily be inserted into the cushion, while maintaining a snug fit. Assembly consisting of steel clamp with locknut and. Cush A Clamp Submittal.
From automationrecovery.com
PRODUCT OVERVIEW Cush A Clamp Submittal Thermoplastic elastomer (uv resistant) part. The patented “living hinge” design allows for pipe and conduit to easily be inserted into the cushion, while maintaining a snug fit. Nominal pipe size average ultimate loads (lbs.) design load (lbs.) pullout slip along slip thru pullout slip along slip thru 009n012 1/4 1,600 100 140 200 20 20 011n014 3/8. Assembly consisting of. Cush A Clamp Submittal.
From www.grainger.com
ZSI CushAClamp Cushion Clamp, Stainless Steel, Thermoplastic Cush A Clamp Submittal Thermoplastic elastomer (uv resistant) part. Nominal pipe size average ultimate loads (lbs.) design load (lbs.) pullout slip along slip thru pullout slip along slip thru 009n012 1/4 1,600 100 140 200 20 20 011n014 3/8. Strut mounted cush a clamps are designed to be assembled and mounted to metal framing strut channel by one worker. Assembly consisting of steel clamp. Cush A Clamp Submittal.
From grabcad.com
Free CAD Designs, Files & 3D Models The GrabCAD Community Library Cush A Clamp Submittal Assembly consisting of steel clamp with locknut and thermoplastic elastomer. Strut mounted cush a clamps are designed to be assembled and mounted to metal framing strut channel by one worker. Thermoplastic elastomer (uv resistant) part. The patented “living hinge” design allows for pipe and conduit to easily be inserted into the cushion, while maintaining a snug fit. Nominal pipe size. Cush A Clamp Submittal.
From www.kleen-ritecorp.com
ZSI Inc. CN14SS Stainless CushANator Clamp 7/8in. Pipe Cush A Clamp Submittal The patented “living hinge” design allows for pipe and conduit to easily be inserted into the cushion, while maintaining a snug fit. Assembly consisting of steel clamp with locknut and thermoplastic elastomer. Thermoplastic elastomer (uv resistant) par t n. Thermoplastic elastomer (uv resistant) part. Strut mounted cush a clamps are designed to be assembled and mounted to metal framing strut. Cush A Clamp Submittal.