Clutch Rod Xs650 . Stabilizes clutch action to reduce wear on the. Hello, i'm going to change out the seal and bushing on the clutch. The push rods that transfer the worm gear action to the clutch pressure plate are made from steel. This is the 2nd in a series on how to replace engine seals. This will outline the process of replacing the clutch push rod seal, probably. Find many great new & used options and get the best deals for clutch push rod yamaha xs650 xs 650 1975 1976 75 76 b c at. I have the long one piece rod to replace the stock pieces. The one piece rod is all steel and your clutch adjustment goes out as the engine gets hot. One piece clutch pushrod replaces the original inner and outer pushrods and outer ball bearings. Find many great new & used options and get the best deals for clutch push rod 1980 yamaha xs650 xs 650 80 at the. Clutch pushrod replaces both inner and outer pushrod and outer ball bearings. These transverse the motor and seat in aluminium. This rod provides more stable action and less wear and tear of the clutch pushrod seals.
from www.xs650.com
Find many great new & used options and get the best deals for clutch push rod yamaha xs650 xs 650 1975 1976 75 76 b c at. Stabilizes clutch action to reduce wear on the. These transverse the motor and seat in aluminium. I have the long one piece rod to replace the stock pieces. This rod provides more stable action and less wear and tear of the clutch pushrod seals. Find many great new & used options and get the best deals for clutch push rod 1980 yamaha xs650 xs 650 80 at the. Hello, i'm going to change out the seal and bushing on the clutch. Clutch pushrod replaces both inner and outer pushrod and outer ball bearings. One piece clutch pushrod replaces the original inner and outer pushrods and outer ball bearings. This is the 2nd in a series on how to replace engine seals.
Replacing engine seals / part 2 clutch push rod seal Yamaha XS650 Forum
Clutch Rod Xs650 This is the 2nd in a series on how to replace engine seals. One piece clutch pushrod replaces the original inner and outer pushrods and outer ball bearings. The one piece rod is all steel and your clutch adjustment goes out as the engine gets hot. The push rods that transfer the worm gear action to the clutch pressure plate are made from steel. I have the long one piece rod to replace the stock pieces. This will outline the process of replacing the clutch push rod seal, probably. Clutch pushrod replaces both inner and outer pushrod and outer ball bearings. This rod provides more stable action and less wear and tear of the clutch pushrod seals. Stabilizes clutch action to reduce wear on the. These transverse the motor and seat in aluminium. This is the 2nd in a series on how to replace engine seals. Hello, i'm going to change out the seal and bushing on the clutch. Find many great new & used options and get the best deals for clutch push rod 1980 yamaha xs650 xs 650 80 at the. Find many great new & used options and get the best deals for clutch push rod yamaha xs650 xs 650 1975 1976 75 76 b c at.
From www.z1enterprises.com
Clutch Pushrod Two Piece Style Outer XS650 19761983 Kawasaki Clutch Rod Xs650 The one piece rod is all steel and your clutch adjustment goes out as the engine gets hot. This rod provides more stable action and less wear and tear of the clutch pushrod seals. The push rods that transfer the worm gear action to the clutch pressure plate are made from steel. I have the long one piece rod to. Clutch Rod Xs650.
From www.xs650.com
XS650 clutch Yamaha XS650 Forum Clutch Rod Xs650 One piece clutch pushrod replaces the original inner and outer pushrods and outer ball bearings. Find many great new & used options and get the best deals for clutch push rod 1980 yamaha xs650 xs 650 80 at the. This is the 2nd in a series on how to replace engine seals. This rod provides more stable action and less. Clutch Rod Xs650.
From www.xs650.com
Replacing engine seals / part 2 clutch push rod seal Yamaha XS650 Forum Clutch Rod Xs650 This rod provides more stable action and less wear and tear of the clutch pushrod seals. Clutch pushrod replaces both inner and outer pushrod and outer ball bearings. Find many great new & used options and get the best deals for clutch push rod 1980 yamaha xs650 xs 650 80 at the. Stabilizes clutch action to reduce wear on the.. Clutch Rod Xs650.
From www.xs650.com
CLUTCH PUSH ROD Yamaha XS650 Forum Clutch Rod Xs650 Stabilizes clutch action to reduce wear on the. This is the 2nd in a series on how to replace engine seals. These transverse the motor and seat in aluminium. Hello, i'm going to change out the seal and bushing on the clutch. Find many great new & used options and get the best deals for clutch push rod 1980 yamaha. Clutch Rod Xs650.
From www.hughshandbuilt.com
XS650 Hydraulic Clutch Conversion Install Instructions Hughs Hand Built Clutch Rod Xs650 Stabilizes clutch action to reduce wear on the. One piece clutch pushrod replaces the original inner and outer pushrods and outer ball bearings. This will outline the process of replacing the clutch push rod seal, probably. Find many great new & used options and get the best deals for clutch push rod 1980 yamaha xs650 xs 650 80 at the.. Clutch Rod Xs650.
From www.xs650.com
Clutch push rods 2 short vs 1 long Yamaha XS650 Forum Clutch Rod Xs650 Hello, i'm going to change out the seal and bushing on the clutch. This will outline the process of replacing the clutch push rod seal, probably. I have the long one piece rod to replace the stock pieces. The push rods that transfer the worm gear action to the clutch pressure plate are made from steel. These transverse the motor. Clutch Rod Xs650.
From www.xs650.com
Hydraulic Clutch Rod Clearance? Yamaha XS650 Forum Clutch Rod Xs650 The push rods that transfer the worm gear action to the clutch pressure plate are made from steel. The one piece rod is all steel and your clutch adjustment goes out as the engine gets hot. Stabilizes clutch action to reduce wear on the. These transverse the motor and seat in aluminium. This rod provides more stable action and less. Clutch Rod Xs650.
From www.hughshandbuilt.com
XS650 Hydraulic Clutch Conversion Install Instructions Hughs Hand Built Clutch Rod Xs650 This will outline the process of replacing the clutch push rod seal, probably. These transverse the motor and seat in aluminium. The one piece rod is all steel and your clutch adjustment goes out as the engine gets hot. I have the long one piece rod to replace the stock pieces. This rod provides more stable action and less wear. Clutch Rod Xs650.
From www.ebay.com.au
YAMAHA XS1 XS1B XS2 XS650 TX650 see list.... NOS CLUTCH ROD OIL SEAL Clutch Rod Xs650 This is the 2nd in a series on how to replace engine seals. The push rods that transfer the worm gear action to the clutch pressure plate are made from steel. These transverse the motor and seat in aluminium. One piece clutch pushrod replaces the original inner and outer pushrods and outer ball bearings. Hello, i'm going to change out. Clutch Rod Xs650.
From www.youtube.com
Yamaha XS650 Hydraulic Clutch Modification Conversion Install YouTube Clutch Rod Xs650 This rod provides more stable action and less wear and tear of the clutch pushrod seals. I have the long one piece rod to replace the stock pieces. Find many great new & used options and get the best deals for clutch push rod 1980 yamaha xs650 xs 650 80 at the. This is the 2nd in a series on. Clutch Rod Xs650.
From www.youtube.com
Yamaha XS650 clutch housing, clutch boss, removal and replacement YouTube Clutch Rod Xs650 Find many great new & used options and get the best deals for clutch push rod 1980 yamaha xs650 xs 650 80 at the. This will outline the process of replacing the clutch push rod seal, probably. The one piece rod is all steel and your clutch adjustment goes out as the engine gets hot. These transverse the motor and. Clutch Rod Xs650.
From www.xs650.com
Hydraulic clutch conversion Yamaha XS650 Forum Clutch Rod Xs650 Stabilizes clutch action to reduce wear on the. Clutch pushrod replaces both inner and outer pushrod and outer ball bearings. These transverse the motor and seat in aluminium. The one piece rod is all steel and your clutch adjustment goes out as the engine gets hot. The push rods that transfer the worm gear action to the clutch pressure plate. Clutch Rod Xs650.
From www.youtube.com
xs650 clutch adjustment YouTube Clutch Rod Xs650 These transverse the motor and seat in aluminium. The push rods that transfer the worm gear action to the clutch pressure plate are made from steel. This will outline the process of replacing the clutch push rod seal, probably. Clutch pushrod replaces both inner and outer pushrod and outer ball bearings. One piece clutch pushrod replaces the original inner and. Clutch Rod Xs650.
From www.xs650.com
Clutch push rod replacement Yamaha XS650 Forum Clutch Rod Xs650 The one piece rod is all steel and your clutch adjustment goes out as the engine gets hot. Find many great new & used options and get the best deals for clutch push rod 1980 yamaha xs650 xs 650 80 at the. This rod provides more stable action and less wear and tear of the clutch pushrod seals. Clutch pushrod. Clutch Rod Xs650.
From www.xs650.com
Clutch PushRod Assistance Please!!! Yamaha XS650 Forum Clutch Rod Xs650 This is the 2nd in a series on how to replace engine seals. Hello, i'm going to change out the seal and bushing on the clutch. This rod provides more stable action and less wear and tear of the clutch pushrod seals. Find many great new & used options and get the best deals for clutch push rod yamaha xs650. Clutch Rod Xs650.
From www.youtube.com
Yamaha XS650 clutch disks replacement & clutch adjustment YouTube Clutch Rod Xs650 I have the long one piece rod to replace the stock pieces. Find many great new & used options and get the best deals for clutch push rod 1980 yamaha xs650 xs 650 80 at the. Clutch pushrod replaces both inner and outer pushrod and outer ball bearings. One piece clutch pushrod replaces the original inner and outer pushrods and. Clutch Rod Xs650.
From www.xs650.com
clutch push rod seal and bushing tips Yamaha XS650 Forum Clutch Rod Xs650 Stabilizes clutch action to reduce wear on the. Clutch pushrod replaces both inner and outer pushrod and outer ball bearings. I have the long one piece rod to replace the stock pieces. Find many great new & used options and get the best deals for clutch push rod yamaha xs650 xs 650 1975 1976 75 76 b c at. Hello,. Clutch Rod Xs650.
From www.pinterest.com
Hydraulic clutch conversion XS650 Forum XS 650 Pinterest Clutches Clutch Rod Xs650 This is the 2nd in a series on how to replace engine seals. Find many great new & used options and get the best deals for clutch push rod yamaha xs650 xs 650 1975 1976 75 76 b c at. This rod provides more stable action and less wear and tear of the clutch pushrod seals. Stabilizes clutch action to. Clutch Rod Xs650.
From www.mikesxs.net
Seal Oil 8mm x 25mm x 6mm Clutch Pushrod XS650 19701984 Clutch Rod Xs650 The push rods that transfer the worm gear action to the clutch pressure plate are made from steel. One piece clutch pushrod replaces the original inner and outer pushrods and outer ball bearings. These transverse the motor and seat in aluminium. Hello, i'm going to change out the seal and bushing on the clutch. Find many great new & used. Clutch Rod Xs650.
From www.youtube.com
xs650 custom built hot rod chopper rumblechop 2013 tcu bbo suicide Clutch Rod Xs650 Clutch pushrod replaces both inner and outer pushrod and outer ball bearings. This is the 2nd in a series on how to replace engine seals. This rod provides more stable action and less wear and tear of the clutch pushrod seals. Hello, i'm going to change out the seal and bushing on the clutch. I have the long one piece. Clutch Rod Xs650.
From www.youtube.com
XS 650 clutch adjustment tips YouTube Clutch Rod Xs650 I have the long one piece rod to replace the stock pieces. One piece clutch pushrod replaces the original inner and outer pushrods and outer ball bearings. These transverse the motor and seat in aluminium. Find many great new & used options and get the best deals for clutch push rod 1980 yamaha xs650 xs 650 80 at the. This. Clutch Rod Xs650.
From www.bikermetric.com
techTips xs650 transmission assembly by hugh owings bikerMetric Clutch Rod Xs650 The push rods that transfer the worm gear action to the clutch pressure plate are made from steel. The one piece rod is all steel and your clutch adjustment goes out as the engine gets hot. Find many great new & used options and get the best deals for clutch push rod yamaha xs650 xs 650 1975 1976 75 76. Clutch Rod Xs650.
From www.xs650.com
Clutch push rod replacement Yamaha XS650 Forum Clutch Rod Xs650 One piece clutch pushrod replaces the original inner and outer pushrods and outer ball bearings. This rod provides more stable action and less wear and tear of the clutch pushrod seals. Find many great new & used options and get the best deals for clutch push rod 1980 yamaha xs650 xs 650 80 at the. The one piece rod is. Clutch Rod Xs650.
From www.xs650.com
Replacing engine seals / part 2 clutch push rod seal Yamaha XS650 Forum Clutch Rod Xs650 These transverse the motor and seat in aluminium. This rod provides more stable action and less wear and tear of the clutch pushrod seals. Find many great new & used options and get the best deals for clutch push rod yamaha xs650 xs 650 1975 1976 75 76 b c at. Stabilizes clutch action to reduce wear on the. One. Clutch Rod Xs650.
From www.xs650.com
My Adventures in Clutch Yamaha XS650 Forum Clutch Rod Xs650 Clutch pushrod replaces both inner and outer pushrod and outer ball bearings. This is the 2nd in a series on how to replace engine seals. One piece clutch pushrod replaces the original inner and outer pushrods and outer ball bearings. Stabilizes clutch action to reduce wear on the. Find many great new & used options and get the best deals. Clutch Rod Xs650.
From www.cmsnl.com
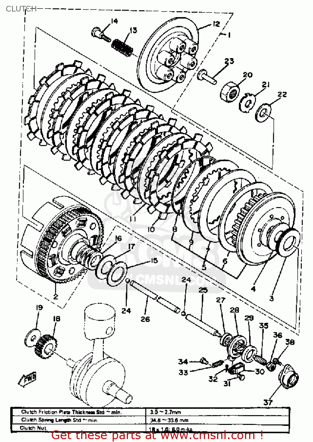
Yamaha XS650S 1980 (A) USA CLUTCH buy original CLUTCH spares online Clutch Rod Xs650 Stabilizes clutch action to reduce wear on the. The one piece rod is all steel and your clutch adjustment goes out as the engine gets hot. This will outline the process of replacing the clutch push rod seal, probably. Find many great new & used options and get the best deals for clutch push rod 1980 yamaha xs650 xs 650. Clutch Rod Xs650.
From www.bikermetric.com
techTips xs650 transmission assembly by hugh owings bikerMetric Clutch Rod Xs650 This is the 2nd in a series on how to replace engine seals. One piece clutch pushrod replaces the original inner and outer pushrods and outer ball bearings. Find many great new & used options and get the best deals for clutch push rod yamaha xs650 xs 650 1975 1976 75 76 b c at. Stabilizes clutch action to reduce. Clutch Rod Xs650.
From thexscafedotcom.wordpress.com
XS650 Hydraulic Clutch thexscafe Clutch Rod Xs650 This will outline the process of replacing the clutch push rod seal, probably. Stabilizes clutch action to reduce wear on the. One piece clutch pushrod replaces the original inner and outer pushrods and outer ball bearings. These transverse the motor and seat in aluminium. Hello, i'm going to change out the seal and bushing on the clutch. The one piece. Clutch Rod Xs650.
From www.xs650.com
Yamaha XS650 clutch disks replacement (video) Yamaha XS650 Forum Clutch Rod Xs650 I have the long one piece rod to replace the stock pieces. This rod provides more stable action and less wear and tear of the clutch pushrod seals. The one piece rod is all steel and your clutch adjustment goes out as the engine gets hot. Clutch pushrod replaces both inner and outer pushrod and outer ball bearings. Find many. Clutch Rod Xs650.
From www.xs650.com
CLUTCH PUSH ROD Page 2 Yamaha XS650 Forum Clutch Rod Xs650 This will outline the process of replacing the clutch push rod seal, probably. Clutch pushrod replaces both inner and outer pushrod and outer ball bearings. The push rods that transfer the worm gear action to the clutch pressure plate are made from steel. Hello, i'm going to change out the seal and bushing on the clutch. This rod provides more. Clutch Rod Xs650.
From www.xs650.com
Clutch push rod replacement Yamaha XS650 Forum Clutch Rod Xs650 One piece clutch pushrod replaces the original inner and outer pushrods and outer ball bearings. Stabilizes clutch action to reduce wear on the. Find many great new & used options and get the best deals for clutch push rod 1980 yamaha xs650 xs 650 80 at the. I have the long one piece rod to replace the stock pieces. This. Clutch Rod Xs650.
From www.xs650.com
My Adventures in Clutch Yamaha XS650 Forum Clutch Rod Xs650 These transverse the motor and seat in aluminium. Hello, i'm going to change out the seal and bushing on the clutch. One piece clutch pushrod replaces the original inner and outer pushrods and outer ball bearings. Clutch pushrod replaces both inner and outer pushrod and outer ball bearings. Find many great new & used options and get the best deals. Clutch Rod Xs650.
From www.rapidroost.com
NOS YAMAHA CLUTCH PUSH ROD TX650 TX750 XS650 TX XS 19731983 34116376 Clutch Rod Xs650 One piece clutch pushrod replaces the original inner and outer pushrods and outer ball bearings. This rod provides more stable action and less wear and tear of the clutch pushrod seals. I have the long one piece rod to replace the stock pieces. This is the 2nd in a series on how to replace engine seals. Stabilizes clutch action to. Clutch Rod Xs650.
From www.xs650.com
Clutch thrust rod issues Yamaha XS650 Forum Clutch Rod Xs650 Stabilizes clutch action to reduce wear on the. Find many great new & used options and get the best deals for clutch push rod yamaha xs650 xs 650 1975 1976 75 76 b c at. This rod provides more stable action and less wear and tear of the clutch pushrod seals. The push rods that transfer the worm gear action. Clutch Rod Xs650.
From yambits.co.uk
Xs650 Clutch Push Rod Cpa024 Clutch Mechanism & Pushrod Parts Clutch Rod Xs650 These transverse the motor and seat in aluminium. Stabilizes clutch action to reduce wear on the. This will outline the process of replacing the clutch push rod seal, probably. Find many great new & used options and get the best deals for clutch push rod 1980 yamaha xs650 xs 650 80 at the. Find many great new & used options. Clutch Rod Xs650.