Audi A3 Brake Switch Location . The good news is they are inexpensive and easy to replace. removal of brake light switch on a audi a3 The process is identical if you need to change the clutch. afternoon all just bought the new green bls from audi and have been checking out how to remove the trim to. hi folk, i am trying to locate the brake switch on my car.i thought it was located at the top of the brake pedal but. evening folks, i have a 2006 audi a3 1.6fsi 5 door and recently all three brake lights have been staying on even. Has anyone ever replaced they're own? i can't find any information or guides on the best way to get to this switch. the most common location is the brake light switch. a quick guide on removing and replacing the brake switch.
from www.audiworld.com
removal of brake light switch on a audi a3 The good news is they are inexpensive and easy to replace. a quick guide on removing and replacing the brake switch. hi folk, i am trying to locate the brake switch on my car.i thought it was located at the top of the brake pedal but. afternoon all just bought the new green bls from audi and have been checking out how to remove the trim to. evening folks, i have a 2006 audi a3 1.6fsi 5 door and recently all three brake lights have been staying on even. i can't find any information or guides on the best way to get to this switch. Has anyone ever replaced they're own? the most common location is the brake light switch. The process is identical if you need to change the clutch.
Audi A3 Brakes Diagnostics Guide Audiworld
Audi A3 Brake Switch Location a quick guide on removing and replacing the brake switch. the most common location is the brake light switch. i can't find any information or guides on the best way to get to this switch. Has anyone ever replaced they're own? afternoon all just bought the new green bls from audi and have been checking out how to remove the trim to. a quick guide on removing and replacing the brake switch. The process is identical if you need to change the clutch. evening folks, i have a 2006 audi a3 1.6fsi 5 door and recently all three brake lights have been staying on even. hi folk, i am trying to locate the brake switch on my car.i thought it was located at the top of the brake pedal but. removal of brake light switch on a audi a3 The good news is they are inexpensive and easy to replace.
From www.audiworld.com
Audi A3 Tips and Tricks Audiworld Audi A3 Brake Switch Location Has anyone ever replaced they're own? a quick guide on removing and replacing the brake switch. the most common location is the brake light switch. hi folk, i am trying to locate the brake switch on my car.i thought it was located at the top of the brake pedal but. evening folks, i have a 2006. Audi A3 Brake Switch Location.
From www.audiworld.com
Audi A3 How to Replace Brake Master Cylinder Audiworld Audi A3 Brake Switch Location the most common location is the brake light switch. The good news is they are inexpensive and easy to replace. hi folk, i am trying to locate the brake switch on my car.i thought it was located at the top of the brake pedal but. i can't find any information or guides on the best way to. Audi A3 Brake Switch Location.
From www.youtube.com
Audi A3 esp light brake light switch removal YouTube Audi A3 Brake Switch Location evening folks, i have a 2006 audi a3 1.6fsi 5 door and recently all three brake lights have been staying on even. hi folk, i am trying to locate the brake switch on my car.i thought it was located at the top of the brake pedal but. Has anyone ever replaced they're own? a quick guide on. Audi A3 Brake Switch Location.
From homeminimalisite.com
How To Reset Brake Light On Audi A3 Audi A3 Brake Switch Location i can't find any information or guides on the best way to get to this switch. removal of brake light switch on a audi a3 a quick guide on removing and replacing the brake switch. hi folk, i am trying to locate the brake switch on my car.i thought it was located at the top of. Audi A3 Brake Switch Location.
From workshop-manuals.com
Audi Service and Repair Manuals > A3 L42.0L Turbo (CBFA Audi A3 Brake Switch Location The good news is they are inexpensive and easy to replace. afternoon all just bought the new green bls from audi and have been checking out how to remove the trim to. evening folks, i have a 2006 audi a3 1.6fsi 5 door and recently all three brake lights have been staying on even. the most common. Audi A3 Brake Switch Location.
From workshop-manuals.com
Audi Service and Repair Manuals > A3 Mk2 > Brake system Audi A3 Brake Switch Location evening folks, i have a 2006 audi a3 1.6fsi 5 door and recently all three brake lights have been staying on even. i can't find any information or guides on the best way to get to this switch. removal of brake light switch on a audi a3 The process is identical if you need to change the. Audi A3 Brake Switch Location.
From workshop-manuals.com
Audi Manuals > A3 L42.0L Turbo (CBFA) (2008) > Sensors and Audi A3 Brake Switch Location the most common location is the brake light switch. The good news is they are inexpensive and easy to replace. The process is identical if you need to change the clutch. removal of brake light switch on a audi a3 a quick guide on removing and replacing the brake switch. hi folk, i am trying to. Audi A3 Brake Switch Location.
From www.audiworld.com
Audi A3 How to Replace Brake Master Cylinder Audiworld Audi A3 Brake Switch Location Has anyone ever replaced they're own? i can't find any information or guides on the best way to get to this switch. evening folks, i have a 2006 audi a3 1.6fsi 5 door and recently all three brake lights have been staying on even. hi folk, i am trying to locate the brake switch on my car.i. Audi A3 Brake Switch Location.
From www.audiworld.com
Audi A3 Brakes Diagnostics Guide Audiworld Audi A3 Brake Switch Location The good news is they are inexpensive and easy to replace. The process is identical if you need to change the clutch. the most common location is the brake light switch. Has anyone ever replaced they're own? i can't find any information or guides on the best way to get to this switch. a quick guide on. Audi A3 Brake Switch Location.
From www.audiworld.com
Brake light switch Page 2 AudiWorld Forums Audi A3 Brake Switch Location i can't find any information or guides on the best way to get to this switch. removal of brake light switch on a audi a3 hi folk, i am trying to locate the brake switch on my car.i thought it was located at the top of the brake pedal but. The good news is they are inexpensive. Audi A3 Brake Switch Location.
From club.autodoc.co.uk
How to change rear brake discs on Audi A3 8PA replacement guide Audi A3 Brake Switch Location The good news is they are inexpensive and easy to replace. hi folk, i am trying to locate the brake switch on my car.i thought it was located at the top of the brake pedal but. a quick guide on removing and replacing the brake switch. removal of brake light switch on a audi a3 afternoon. Audi A3 Brake Switch Location.
From workshop-manuals.com
Audi Manuals > A3 Mk2 > Brake system > Brake, brake mechanics Audi A3 Brake Switch Location the most common location is the brake light switch. removal of brake light switch on a audi a3 evening folks, i have a 2006 audi a3 1.6fsi 5 door and recently all three brake lights have been staying on even. hi folk, i am trying to locate the brake switch on my car.i thought it was. Audi A3 Brake Switch Location.
From www.youtube.com
How to change front brake discs / front brake rotors on AUDI A3 1 (8L1 Audi A3 Brake Switch Location a quick guide on removing and replacing the brake switch. hi folk, i am trying to locate the brake switch on my car.i thought it was located at the top of the brake pedal but. the most common location is the brake light switch. Has anyone ever replaced they're own? removal of brake light switch on. Audi A3 Brake Switch Location.
From keepyourmindclean.blogspot.com
Audi A3 8l Brake Light Switch Keepyourmindclean Ideas Audi A3 Brake Switch Location The good news is they are inexpensive and easy to replace. hi folk, i am trying to locate the brake switch on my car.i thought it was located at the top of the brake pedal but. Has anyone ever replaced they're own? the most common location is the brake light switch. a quick guide on removing and. Audi A3 Brake Switch Location.
From workshop-manuals.com
Audi Service and Repair Manuals > A3 Mk2 > Brake system Audi A3 Brake Switch Location i can't find any information or guides on the best way to get to this switch. afternoon all just bought the new green bls from audi and have been checking out how to remove the trim to. the most common location is the brake light switch. removal of brake light switch on a audi a3 The. Audi A3 Brake Switch Location.
From club.autodoc.co.uk
How to change rear brake caliper on Audi A3 8L1 replacement guide Audi A3 Brake Switch Location afternoon all just bought the new green bls from audi and have been checking out how to remove the trim to. Has anyone ever replaced they're own? removal of brake light switch on a audi a3 i can't find any information or guides on the best way to get to this switch. the most common location. Audi A3 Brake Switch Location.
From keepyourmindclean.blogspot.com
Audi A3 8l Brake Light Switch Keepyourmindclean Ideas Audi A3 Brake Switch Location Has anyone ever replaced they're own? The process is identical if you need to change the clutch. hi folk, i am trying to locate the brake switch on my car.i thought it was located at the top of the brake pedal but. i can't find any information or guides on the best way to get to this switch.. Audi A3 Brake Switch Location.
From www.youtube.com
Audi Brake Pads Sensor / Audi ABS sensor /Audi A3 Brake Pad Replacement Audi A3 Brake Switch Location evening folks, i have a 2006 audi a3 1.6fsi 5 door and recently all three brake lights have been staying on even. The good news is they are inexpensive and easy to replace. afternoon all just bought the new green bls from audi and have been checking out how to remove the trim to. removal of brake. Audi A3 Brake Switch Location.
From club.autodoc.co.uk
How to change rear brake pads on Audi A3 8L1 replacement guide Audi A3 Brake Switch Location removal of brake light switch on a audi a3 i can't find any information or guides on the best way to get to this switch. hi folk, i am trying to locate the brake switch on my car.i thought it was located at the top of the brake pedal but. Has anyone ever replaced they're own? . Audi A3 Brake Switch Location.
From workshop-manuals.com
Audi Manuals > A3 Quattro V63.2L (CBRA) (2009) > Brakes and Audi A3 Brake Switch Location The process is identical if you need to change the clutch. the most common location is the brake light switch. The good news is they are inexpensive and easy to replace. hi folk, i am trying to locate the brake switch on my car.i thought it was located at the top of the brake pedal but. evening. Audi A3 Brake Switch Location.
From workshop-manuals.com
Audi Manuals > A3 Mk1 > Brake system > Brake, brake mechanics Audi A3 Brake Switch Location afternoon all just bought the new green bls from audi and have been checking out how to remove the trim to. a quick guide on removing and replacing the brake switch. The process is identical if you need to change the clutch. evening folks, i have a 2006 audi a3 1.6fsi 5 door and recently all three. Audi A3 Brake Switch Location.
From www.audi-sport.net
Brake light Switch install Audi A3 Brake Switch Location evening folks, i have a 2006 audi a3 1.6fsi 5 door and recently all three brake lights have been staying on even. a quick guide on removing and replacing the brake switch. i can't find any information or guides on the best way to get to this switch. The good news is they are inexpensive and easy. Audi A3 Brake Switch Location.
From www.audiworld.com
Audi A3 How to Replace Brake Master Cylinder Audiworld Audi A3 Brake Switch Location evening folks, i have a 2006 audi a3 1.6fsi 5 door and recently all three brake lights have been staying on even. afternoon all just bought the new green bls from audi and have been checking out how to remove the trim to. hi folk, i am trying to locate the brake switch on my car.i thought. Audi A3 Brake Switch Location.
From audiworld.com
Audi A3 How to Replace Brake Line Audiworld Audi A3 Brake Switch Location evening folks, i have a 2006 audi a3 1.6fsi 5 door and recently all three brake lights have been staying on even. the most common location is the brake light switch. hi folk, i am trying to locate the brake switch on my car.i thought it was located at the top of the brake pedal but. . Audi A3 Brake Switch Location.
From workshop-manuals.com
Audi Service and Repair Manuals > A3 Mk1 > Brake system Audi A3 Brake Switch Location i can't find any information or guides on the best way to get to this switch. hi folk, i am trying to locate the brake switch on my car.i thought it was located at the top of the brake pedal but. Has anyone ever replaced they're own? removal of brake light switch on a audi a3 The. Audi A3 Brake Switch Location.
From www.youtube.com
Audi TT brake switch change guide, same as golf mk4, Leon, Audi a3 Audi A3 Brake Switch Location Has anyone ever replaced they're own? hi folk, i am trying to locate the brake switch on my car.i thought it was located at the top of the brake pedal but. evening folks, i have a 2006 audi a3 1.6fsi 5 door and recently all three brake lights have been staying on even. the most common location. Audi A3 Brake Switch Location.
From workshop-manuals.com
Audi Manuals > A3 Mk1 > Brake system > Brakes, hydraulics Audi A3 Brake Switch Location The process is identical if you need to change the clutch. evening folks, i have a 2006 audi a3 1.6fsi 5 door and recently all three brake lights have been staying on even. the most common location is the brake light switch. hi folk, i am trying to locate the brake switch on my car.i thought it. Audi A3 Brake Switch Location.
From www.youtube.com
AUDI A3 8V 2013 Front Brake Pads Change YouTube Audi A3 Brake Switch Location removal of brake light switch on a audi a3 Has anyone ever replaced they're own? The process is identical if you need to change the clutch. afternoon all just bought the new green bls from audi and have been checking out how to remove the trim to. i can't find any information or guides on the best. Audi A3 Brake Switch Location.
From www.pinterest.com
Audi A3 Brake Line Assembly Audi, Audi a3, A3! Audi A3 Brake Switch Location evening folks, i have a 2006 audi a3 1.6fsi 5 door and recently all three brake lights have been staying on even. hi folk, i am trying to locate the brake switch on my car.i thought it was located at the top of the brake pedal but. removal of brake light switch on a audi a3 The. Audi A3 Brake Switch Location.
From www.youtube.com
Audi A3 how to turn on/off parking brake YouTube Audi A3 Brake Switch Location the most common location is the brake light switch. The good news is they are inexpensive and easy to replace. Has anyone ever replaced they're own? removal of brake light switch on a audi a3 evening folks, i have a 2006 audi a3 1.6fsi 5 door and recently all three brake lights have been staying on even.. Audi A3 Brake Switch Location.
From workshop-manuals.com
Audi Service and Repair Manuals > A3 Mk2 > Brake system Audi A3 Brake Switch Location i can't find any information or guides on the best way to get to this switch. removal of brake light switch on a audi a3 a quick guide on removing and replacing the brake switch. hi folk, i am trying to locate the brake switch on my car.i thought it was located at the top of. Audi A3 Brake Switch Location.
From workshop-manuals.com
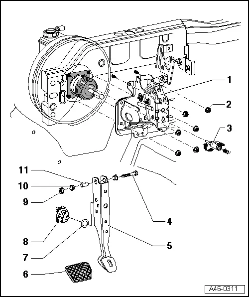
background image Audi A3 Brake Switch Location Has anyone ever replaced they're own? afternoon all just bought the new green bls from audi and have been checking out how to remove the trim to. evening folks, i have a 2006 audi a3 1.6fsi 5 door and recently all three brake lights have been staying on even. removal of brake light switch on a audi. Audi A3 Brake Switch Location.
From workshop-manuals.com
Audi Manuals > A3 Mk1 > Brake system > Brake, brake mechanics Audi A3 Brake Switch Location i can't find any information or guides on the best way to get to this switch. evening folks, i have a 2006 audi a3 1.6fsi 5 door and recently all three brake lights have been staying on even. a quick guide on removing and replacing the brake switch. removal of brake light switch on a audi. Audi A3 Brake Switch Location.
From shellysavonlea.net
How To Replace Brake Light Switch Shelly Lighting Audi A3 Brake Switch Location i can't find any information or guides on the best way to get to this switch. The process is identical if you need to change the clutch. the most common location is the brake light switch. The good news is they are inexpensive and easy to replace. removal of brake light switch on a audi a3 Has. Audi A3 Brake Switch Location.
From workshop-manuals.com
Audi Service and Repair Manuals > A3 Mk2 > Brake system Audi A3 Brake Switch Location evening folks, i have a 2006 audi a3 1.6fsi 5 door and recently all three brake lights have been staying on even. Has anyone ever replaced they're own? afternoon all just bought the new green bls from audi and have been checking out how to remove the trim to. the most common location is the brake light. Audi A3 Brake Switch Location.