Anti Vibration Mount Calculation Pdf . Based on the load per mounting, select a suitable mounting type to give the required static deflection, considering the specific application. By using fea tool approach is. Consideration of the mounted system as a damped, single degree of freedom system. This paper deals with the methodology of selection of anti vibration mounts (avm) and finding the optimal positions of anti vibration. Antivibration mounts protect both people and assets by isolating and attenuating vibration and noise, preventing damage to both moving. This allows simple calculations of most of the. Secondarily, anti vibration mounts can be select and arranged as they control the vibration of motor and compressor. Load per mounting (kg) interfering frequency (hz) (hz = rpm/60) see. To select correct mounting, the following data are needed:
from www.mecanocaucho.com
By using fea tool approach is. This paper deals with the methodology of selection of anti vibration mounts (avm) and finding the optimal positions of anti vibration. This allows simple calculations of most of the. Secondarily, anti vibration mounts can be select and arranged as they control the vibration of motor and compressor. Load per mounting (kg) interfering frequency (hz) (hz = rpm/60) see. Antivibration mounts protect both people and assets by isolating and attenuating vibration and noise, preventing damage to both moving. Consideration of the mounted system as a damped, single degree of freedom system. Based on the load per mounting, select a suitable mounting type to give the required static deflection, considering the specific application. To select correct mounting, the following data are needed:
FAIL SAFE VS NON FAIL SAFE ANTI VIBRATION MOUNTS WHEN TO USE THEM AND
Anti Vibration Mount Calculation Pdf Based on the load per mounting, select a suitable mounting type to give the required static deflection, considering the specific application. This allows simple calculations of most of the. Based on the load per mounting, select a suitable mounting type to give the required static deflection, considering the specific application. Secondarily, anti vibration mounts can be select and arranged as they control the vibration of motor and compressor. This paper deals with the methodology of selection of anti vibration mounts (avm) and finding the optimal positions of anti vibration. Consideration of the mounted system as a damped, single degree of freedom system. Antivibration mounts protect both people and assets by isolating and attenuating vibration and noise, preventing damage to both moving. Load per mounting (kg) interfering frequency (hz) (hz = rpm/60) see. To select correct mounting, the following data are needed: By using fea tool approach is.
From jsclamp.com.my
HBS 3025 AntiVibration Mount JS Clamp Sdn Bhd Anti Vibration Mount Calculation Pdf Secondarily, anti vibration mounts can be select and arranged as they control the vibration of motor and compressor. Consideration of the mounted system as a damped, single degree of freedom system. To select correct mounting, the following data are needed: This allows simple calculations of most of the. This paper deals with the methodology of selection of anti vibration mounts. Anti Vibration Mount Calculation Pdf.
From motioncontrol.metrol.com
A Guide to Anti Vibration Mounts Metrol Latest News & Industry Anti Vibration Mount Calculation Pdf By using fea tool approach is. To select correct mounting, the following data are needed: This paper deals with the methodology of selection of anti vibration mounts (avm) and finding the optimal positions of anti vibration. Based on the load per mounting, select a suitable mounting type to give the required static deflection, considering the specific application. This allows simple. Anti Vibration Mount Calculation Pdf.
From www.scribd.com
Anti Vibration Mount 5 PDF Anti Vibration Mount Calculation Pdf To select correct mounting, the following data are needed: Antivibration mounts protect both people and assets by isolating and attenuating vibration and noise, preventing damage to both moving. This paper deals with the methodology of selection of anti vibration mounts (avm) and finding the optimal positions of anti vibration. Load per mounting (kg) interfering frequency (hz) (hz = rpm/60) see.. Anti Vibration Mount Calculation Pdf.
From au.rs-online.com
RS PRO Circular Anti Vibration Mount with 0 Compression Load RS Anti Vibration Mount Calculation Pdf Consideration of the mounted system as a damped, single degree of freedom system. Load per mounting (kg) interfering frequency (hz) (hz = rpm/60) see. Secondarily, anti vibration mounts can be select and arranged as they control the vibration of motor and compressor. Antivibration mounts protect both people and assets by isolating and attenuating vibration and noise, preventing damage to both. Anti Vibration Mount Calculation Pdf.
From www.scribd.com
Antivibration Mounts PDF Structural Steel Structural Load Anti Vibration Mount Calculation Pdf Secondarily, anti vibration mounts can be select and arranged as they control the vibration of motor and compressor. Antivibration mounts protect both people and assets by isolating and attenuating vibration and noise, preventing damage to both moving. Based on the load per mounting, select a suitable mounting type to give the required static deflection, considering the specific application. This allows. Anti Vibration Mount Calculation Pdf.
From www.kama.com.tr
4130 ANTIVIBRATION MOUNT Handle And Grips KAMA Anti Vibration Mount Calculation Pdf This allows simple calculations of most of the. Load per mounting (kg) interfering frequency (hz) (hz = rpm/60) see. Consideration of the mounted system as a damped, single degree of freedom system. This paper deals with the methodology of selection of anti vibration mounts (avm) and finding the optimal positions of anti vibration. By using fea tool approach is. Antivibration. Anti Vibration Mount Calculation Pdf.
From www.kama.com.tr
4131 ANTIVIBRATION MOUNT Handle And Grips KAMA Anti Vibration Mount Calculation Pdf Antivibration mounts protect both people and assets by isolating and attenuating vibration and noise, preventing damage to both moving. Secondarily, anti vibration mounts can be select and arranged as they control the vibration of motor and compressor. Based on the load per mounting, select a suitable mounting type to give the required static deflection, considering the specific application. By using. Anti Vibration Mount Calculation Pdf.
From www.researchgate.net
Figure T8.3 Antivibration Mount Download Scientific Diagram Anti Vibration Mount Calculation Pdf Antivibration mounts protect both people and assets by isolating and attenuating vibration and noise, preventing damage to both moving. Consideration of the mounted system as a damped, single degree of freedom system. By using fea tool approach is. Secondarily, anti vibration mounts can be select and arranged as they control the vibration of motor and compressor. This paper deals with. Anti Vibration Mount Calculation Pdf.
From www.vishalrubber.com
Anti Vibration Mounts or Rubber Isolators AntiVi Vishal Rubber Anti Vibration Mount Calculation Pdf To select correct mounting, the following data are needed: This paper deals with the methodology of selection of anti vibration mounts (avm) and finding the optimal positions of anti vibration. This allows simple calculations of most of the. Antivibration mounts protect both people and assets by isolating and attenuating vibration and noise, preventing damage to both moving. Consideration of the. Anti Vibration Mount Calculation Pdf.
From www.vescoil-shop.com
Antivibration mount type B Shore A 55° Vescoil International BV Anti Vibration Mount Calculation Pdf Secondarily, anti vibration mounts can be select and arranged as they control the vibration of motor and compressor. This allows simple calculations of most of the. Consideration of the mounted system as a damped, single degree of freedom system. Antivibration mounts protect both people and assets by isolating and attenuating vibration and noise, preventing damage to both moving. Based on. Anti Vibration Mount Calculation Pdf.
From www.elastoproxy.com
AntiVibration MountVM2MF1530R50 Elasto Proxy Anti Vibration Mount Calculation Pdf Based on the load per mounting, select a suitable mounting type to give the required static deflection, considering the specific application. Secondarily, anti vibration mounts can be select and arranged as they control the vibration of motor and compressor. Antivibration mounts protect both people and assets by isolating and attenuating vibration and noise, preventing damage to both moving. This allows. Anti Vibration Mount Calculation Pdf.
From www.kama.com.tr
4117 ANTIVIBRATION MOUNT Handle And Grips KAMA Anti Vibration Mount Calculation Pdf Secondarily, anti vibration mounts can be select and arranged as they control the vibration of motor and compressor. This allows simple calculations of most of the. Load per mounting (kg) interfering frequency (hz) (hz = rpm/60) see. By using fea tool approach is. Consideration of the mounted system as a damped, single degree of freedom system. This paper deals with. Anti Vibration Mount Calculation Pdf.
From www.elastoproxy.com
AntiVibration MountVM2MM0808R60 Elasto Proxy Anti Vibration Mount Calculation Pdf By using fea tool approach is. This paper deals with the methodology of selection of anti vibration mounts (avm) and finding the optimal positions of anti vibration. Based on the load per mounting, select a suitable mounting type to give the required static deflection, considering the specific application. Antivibration mounts protect both people and assets by isolating and attenuating vibration. Anti Vibration Mount Calculation Pdf.
From www.elastoproxy.com
AntiVibration MountVM2MM2510R60 Elasto Proxy Anti Vibration Mount Calculation Pdf By using fea tool approach is. Consideration of the mounted system as a damped, single degree of freedom system. Based on the load per mounting, select a suitable mounting type to give the required static deflection, considering the specific application. This paper deals with the methodology of selection of anti vibration mounts (avm) and finding the optimal positions of anti. Anti Vibration Mount Calculation Pdf.
From dokumen.tips
(PDF) ROSTA Antivibration Mounts DOKUMEN.TIPS Anti Vibration Mount Calculation Pdf To select correct mounting, the following data are needed: Load per mounting (kg) interfering frequency (hz) (hz = rpm/60) see. This allows simple calculations of most of the. Based on the load per mounting, select a suitable mounting type to give the required static deflection, considering the specific application. Consideration of the mounted system as a damped, single degree of. Anti Vibration Mount Calculation Pdf.
From www.chegg.com
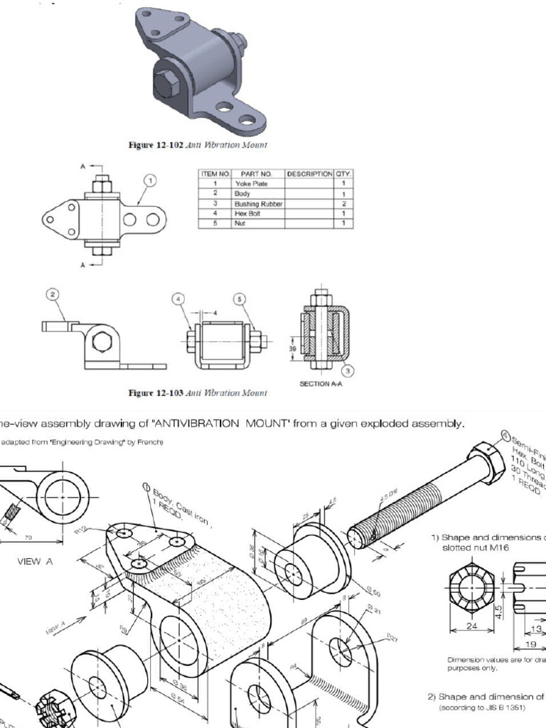
Solved Given An isometric view of an ANTIVIBRATION Anti Vibration Mount Calculation Pdf Antivibration mounts protect both people and assets by isolating and attenuating vibration and noise, preventing damage to both moving. To select correct mounting, the following data are needed: Consideration of the mounted system as a damped, single degree of freedom system. By using fea tool approach is. This allows simple calculations of most of the. Load per mounting (kg) interfering. Anti Vibration Mount Calculation Pdf.
From www.mecanocaucho.com
MD Anti vibration mounts AMC Mecanocaucho Anti Vibration Mount Calculation Pdf Antivibration mounts protect both people and assets by isolating and attenuating vibration and noise, preventing damage to both moving. Based on the load per mounting, select a suitable mounting type to give the required static deflection, considering the specific application. This paper deals with the methodology of selection of anti vibration mounts (avm) and finding the optimal positions of anti. Anti Vibration Mount Calculation Pdf.
From www.elastoproxy.com
AntiVibration MountVM2FF2020R60 Elasto Proxy Anti Vibration Mount Calculation Pdf This allows simple calculations of most of the. Secondarily, anti vibration mounts can be select and arranged as they control the vibration of motor and compressor. To select correct mounting, the following data are needed: Based on the load per mounting, select a suitable mounting type to give the required static deflection, considering the specific application. Load per mounting (kg). Anti Vibration Mount Calculation Pdf.
From taica.co.jp
αGEL Products(Vibration Damping/design_analysis_simulation) Anti Vibration Mount Calculation Pdf By using fea tool approach is. This allows simple calculations of most of the. This paper deals with the methodology of selection of anti vibration mounts (avm) and finding the optimal positions of anti vibration. Secondarily, anti vibration mounts can be select and arranged as they control the vibration of motor and compressor. To select correct mounting, the following data. Anti Vibration Mount Calculation Pdf.
From www.mecanocaucho.com
VIBRATION ISOLATION OF INDUSTRIAL MACHINERY. MOTION CONTROL USING Anti Vibration Mount Calculation Pdf Load per mounting (kg) interfering frequency (hz) (hz = rpm/60) see. Antivibration mounts protect both people and assets by isolating and attenuating vibration and noise, preventing damage to both moving. Secondarily, anti vibration mounts can be select and arranged as they control the vibration of motor and compressor. By using fea tool approach is. This paper deals with the methodology. Anti Vibration Mount Calculation Pdf.
From www.elastoproxy.com
AntiVibration MountVM2MM2525R50 Elasto Proxy Anti Vibration Mount Calculation Pdf Antivibration mounts protect both people and assets by isolating and attenuating vibration and noise, preventing damage to both moving. Based on the load per mounting, select a suitable mounting type to give the required static deflection, considering the specific application. Secondarily, anti vibration mounts can be select and arranged as they control the vibration of motor and compressor. Consideration of. Anti Vibration Mount Calculation Pdf.
From www.wdscomponents.com
AntiVibration Turret Mount Anti Vibration Mount Calculation Pdf This allows simple calculations of most of the. By using fea tool approach is. Based on the load per mounting, select a suitable mounting type to give the required static deflection, considering the specific application. Consideration of the mounted system as a damped, single degree of freedom system. This paper deals with the methodology of selection of anti vibration mounts. Anti Vibration Mount Calculation Pdf.
From news.dmaeuropa.com
Anti vibration mount installation kits speed up specification and Anti Vibration Mount Calculation Pdf This allows simple calculations of most of the. By using fea tool approach is. Based on the load per mounting, select a suitable mounting type to give the required static deflection, considering the specific application. Secondarily, anti vibration mounts can be select and arranged as they control the vibration of motor and compressor. Load per mounting (kg) interfering frequency (hz). Anti Vibration Mount Calculation Pdf.
From www.elastoproxy.com
AntiVibration MountVM43038R60 Elasto Proxy Anti Vibration Mount Calculation Pdf By using fea tool approach is. Consideration of the mounted system as a damped, single degree of freedom system. This allows simple calculations of most of the. Secondarily, anti vibration mounts can be select and arranged as they control the vibration of motor and compressor. This paper deals with the methodology of selection of anti vibration mounts (avm) and finding. Anti Vibration Mount Calculation Pdf.
From www.walraven.com
Anti vibration mounts for HVAC equipment Anti Vibration Mount Calculation Pdf This paper deals with the methodology of selection of anti vibration mounts (avm) and finding the optimal positions of anti vibration. This allows simple calculations of most of the. To select correct mounting, the following data are needed: Antivibration mounts protect both people and assets by isolating and attenuating vibration and noise, preventing damage to both moving. Load per mounting. Anti Vibration Mount Calculation Pdf.
From www.unisorb.com
Machinery Mounts Leveling Mounts Vibration Mounts UNISORB® Anti Vibration Mount Calculation Pdf This paper deals with the methodology of selection of anti vibration mounts (avm) and finding the optimal positions of anti vibration. To select correct mounting, the following data are needed: Consideration of the mounted system as a damped, single degree of freedom system. By using fea tool approach is. Secondarily, anti vibration mounts can be select and arranged as they. Anti Vibration Mount Calculation Pdf.
From jsclamp.com.my
LBAVM809045M12H Long Base AntiVibration Mount JS Clamp Sdn Bhd Anti Vibration Mount Calculation Pdf Secondarily, anti vibration mounts can be select and arranged as they control the vibration of motor and compressor. This allows simple calculations of most of the. By using fea tool approach is. Consideration of the mounted system as a damped, single degree of freedom system. To select correct mounting, the following data are needed: Antivibration mounts protect both people and. Anti Vibration Mount Calculation Pdf.
From www.elastoproxy.com
AntiVibration MountVM46330R60 Elasto Proxy Anti Vibration Mount Calculation Pdf To select correct mounting, the following data are needed: This allows simple calculations of most of the. This paper deals with the methodology of selection of anti vibration mounts (avm) and finding the optimal positions of anti vibration. Based on the load per mounting, select a suitable mounting type to give the required static deflection, considering the specific application. By. Anti Vibration Mount Calculation Pdf.
From www.mecanocaucho.com
FAIL SAFE VS NON FAIL SAFE ANTI VIBRATION MOUNTS WHEN TO USE THEM AND Anti Vibration Mount Calculation Pdf To select correct mounting, the following data are needed: This paper deals with the methodology of selection of anti vibration mounts (avm) and finding the optimal positions of anti vibration. By using fea tool approach is. Consideration of the mounted system as a damped, single degree of freedom system. Secondarily, anti vibration mounts can be select and arranged as they. Anti Vibration Mount Calculation Pdf.
From sinaha.ae
ANTI VIBRATION MOUNT Anti Vibration Mount Calculation Pdf Secondarily, anti vibration mounts can be select and arranged as they control the vibration of motor and compressor. Load per mounting (kg) interfering frequency (hz) (hz = rpm/60) see. Based on the load per mounting, select a suitable mounting type to give the required static deflection, considering the specific application. This paper deals with the methodology of selection of anti. Anti Vibration Mount Calculation Pdf.
From www.mecanocaucho.com
FAIL SAFE VS NON FAIL SAFE ANTI VIBRATION MOUNTS WHEN TO USE THEM AND Anti Vibration Mount Calculation Pdf By using fea tool approach is. This allows simple calculations of most of the. To select correct mounting, the following data are needed: Antivibration mounts protect both people and assets by isolating and attenuating vibration and noise, preventing damage to both moving. Load per mounting (kg) interfering frequency (hz) (hz = rpm/60) see. Based on the load per mounting, select. Anti Vibration Mount Calculation Pdf.
From www.researchgate.net
(PDF) Vibration Analysis of a Generator AntiVibration Rubber Mounts Anti Vibration Mount Calculation Pdf Based on the load per mounting, select a suitable mounting type to give the required static deflection, considering the specific application. Secondarily, anti vibration mounts can be select and arranged as they control the vibration of motor and compressor. Load per mounting (kg) interfering frequency (hz) (hz = rpm/60) see. To select correct mounting, the following data are needed: Consideration. Anti Vibration Mount Calculation Pdf.
From www.kama.com.tr
4121 ANTIVIBRATION MOUNT Handle And Grips KAMA Anti Vibration Mount Calculation Pdf By using fea tool approach is. Consideration of the mounted system as a damped, single degree of freedom system. To select correct mounting, the following data are needed: Secondarily, anti vibration mounts can be select and arranged as they control the vibration of motor and compressor. Antivibration mounts protect both people and assets by isolating and attenuating vibration and noise,. Anti Vibration Mount Calculation Pdf.
From www.mecanocaucho.com
FAIL SAFE VS NON FAIL SAFE ANTI VIBRATION MOUNTS WHEN TO USE THEM AND Anti Vibration Mount Calculation Pdf By using fea tool approach is. This allows simple calculations of most of the. This paper deals with the methodology of selection of anti vibration mounts (avm) and finding the optimal positions of anti vibration. Based on the load per mounting, select a suitable mounting type to give the required static deflection, considering the specific application. Antivibration mounts protect both. Anti Vibration Mount Calculation Pdf.
From www.elastoproxy.com
AntiVibration Mounts Isolation Mounts Elasto Proxy Anti Vibration Mount Calculation Pdf This allows simple calculations of most of the. Load per mounting (kg) interfering frequency (hz) (hz = rpm/60) see. Antivibration mounts protect both people and assets by isolating and attenuating vibration and noise, preventing damage to both moving. Consideration of the mounted system as a damped, single degree of freedom system. This paper deals with the methodology of selection of. Anti Vibration Mount Calculation Pdf.