Lab Power Supply Diagram . Perform the adequate tests to characterize the power supply. In this post i have explained how an effective and efficient, yet very cheap, and stabilized bench power supply can be designed by any electronic hobbyist for safely testing all types electronic projects and prototypes. For those who make electronics projects, the variable power supply. Make a new power supply circuit, instead of using the vkmaker kit, with digital control of the output voltage and current. A bench power supply is a power source to supply a specified direct current (dc) or dc voltage to a device under test (dut) for observing the latter's behavior. In this guide we will build a variable lab bench power supply.
from www.homemade-circuits.com
Make a new power supply circuit, instead of using the vkmaker kit, with digital control of the output voltage and current. For those who make electronics projects, the variable power supply. In this post i have explained how an effective and efficient, yet very cheap, and stabilized bench power supply can be designed by any electronic hobbyist for safely testing all types electronic projects and prototypes. A bench power supply is a power source to supply a specified direct current (dc) or dc voltage to a device under test (dut) for observing the latter's behavior. In this guide we will build a variable lab bench power supply. Perform the adequate tests to characterize the power supply.
Laboratory Power Supply Circuit Homemade Circuit Projects
Lab Power Supply Diagram A bench power supply is a power source to supply a specified direct current (dc) or dc voltage to a device under test (dut) for observing the latter's behavior. In this guide we will build a variable lab bench power supply. A bench power supply is a power source to supply a specified direct current (dc) or dc voltage to a device under test (dut) for observing the latter's behavior. Make a new power supply circuit, instead of using the vkmaker kit, with digital control of the output voltage and current. Perform the adequate tests to characterize the power supply. For those who make electronics projects, the variable power supply. In this post i have explained how an effective and efficient, yet very cheap, and stabilized bench power supply can be designed by any electronic hobbyist for safely testing all types electronic projects and prototypes.
From hobby-electronics.info
Lab Power Supply Lab Power Supply Diagram In this post i have explained how an effective and efficient, yet very cheap, and stabilized bench power supply can be designed by any electronic hobbyist for safely testing all types electronic projects and prototypes. In this guide we will build a variable lab bench power supply. Make a new power supply circuit, instead of using the vkmaker kit, with. Lab Power Supply Diagram.
From manualdiagramausterlitz.z19.web.core.windows.net
Lab Power Supply Schematic Lab Power Supply Diagram For those who make electronics projects, the variable power supply. In this post i have explained how an effective and efficient, yet very cheap, and stabilized bench power supply can be designed by any electronic hobbyist for safely testing all types electronic projects and prototypes. A bench power supply is a power source to supply a specified direct current (dc). Lab Power Supply Diagram.
From electronics-diy.com
Laboratory Power Supply 24V 4A Lab Power Supply Diagram In this guide we will build a variable lab bench power supply. Perform the adequate tests to characterize the power supply. For those who make electronics projects, the variable power supply. In this post i have explained how an effective and efficient, yet very cheap, and stabilized bench power supply can be designed by any electronic hobbyist for safely testing. Lab Power Supply Diagram.
From electronics-diy.com
Laboratory Power Supply 24V 4A Lab Power Supply Diagram In this guide we will build a variable lab bench power supply. For those who make electronics projects, the variable power supply. A bench power supply is a power source to supply a specified direct current (dc) or dc voltage to a device under test (dut) for observing the latter's behavior. In this post i have explained how an effective. Lab Power Supply Diagram.
From wiringall.com
Building a Lab Power Supply A Comprehensive Guide with Schematic Diagrams Lab Power Supply Diagram In this post i have explained how an effective and efficient, yet very cheap, and stabilized bench power supply can be designed by any electronic hobbyist for safely testing all types electronic projects and prototypes. For those who make electronics projects, the variable power supply. Make a new power supply circuit, instead of using the vkmaker kit, with digital control. Lab Power Supply Diagram.
From www.eleccircuit.com
030V Variable Power Supply circuit Diagram at 3A Lab Power Supply Diagram In this post i have explained how an effective and efficient, yet very cheap, and stabilized bench power supply can be designed by any electronic hobbyist for safely testing all types electronic projects and prototypes. Make a new power supply circuit, instead of using the vkmaker kit, with digital control of the output voltage and current. In this guide we. Lab Power Supply Diagram.
From streampowers.blogspot.com
Now 0 to 40V Lab Power Supply Electronic Circuits Diagram Lab Power Supply Diagram In this post i have explained how an effective and efficient, yet very cheap, and stabilized bench power supply can be designed by any electronic hobbyist for safely testing all types electronic projects and prototypes. Perform the adequate tests to characterize the power supply. For those who make electronics projects, the variable power supply. A bench power supply is a. Lab Power Supply Diagram.
From manualdatametrists.z21.web.core.windows.net
Simple Power Supply Circuit Lab Power Supply Diagram Perform the adequate tests to characterize the power supply. Make a new power supply circuit, instead of using the vkmaker kit, with digital control of the output voltage and current. A bench power supply is a power source to supply a specified direct current (dc) or dc voltage to a device under test (dut) for observing the latter's behavior. For. Lab Power Supply Diagram.
From tronicspro.com
How to Make Lab Bench Variable Power Supply DIY TRONICSpro Lab Power Supply Diagram Perform the adequate tests to characterize the power supply. A bench power supply is a power source to supply a specified direct current (dc) or dc voltage to a device under test (dut) for observing the latter's behavior. Make a new power supply circuit, instead of using the vkmaker kit, with digital control of the output voltage and current. For. Lab Power Supply Diagram.
From wiringall.com
Building a Lab Power Supply A Comprehensive Guide with Schematic Diagrams Lab Power Supply Diagram Perform the adequate tests to characterize the power supply. A bench power supply is a power source to supply a specified direct current (dc) or dc voltage to a device under test (dut) for observing the latter's behavior. In this post i have explained how an effective and efficient, yet very cheap, and stabilized bench power supply can be designed. Lab Power Supply Diagram.
From www.circuits-diy.com
Lab Power Supply Circuit Variable 30 Volt Lab Power Supply Diagram In this post i have explained how an effective and efficient, yet very cheap, and stabilized bench power supply can be designed by any electronic hobbyist for safely testing all types electronic projects and prototypes. In this guide we will build a variable lab bench power supply. A bench power supply is a power source to supply a specified direct. Lab Power Supply Diagram.
From www.circuits-diy.com
Lab Power Supply Circuit Variable 30 Volt Lab Power Supply Diagram In this guide we will build a variable lab bench power supply. Make a new power supply circuit, instead of using the vkmaker kit, with digital control of the output voltage and current. In this post i have explained how an effective and efficient, yet very cheap, and stabilized bench power supply can be designed by any electronic hobbyist for. Lab Power Supply Diagram.
From simple-schematic.blogspot.com
Adjustable Lab Power Supply Simple Schematic Collection Lab Power Supply Diagram In this guide we will build a variable lab bench power supply. A bench power supply is a power source to supply a specified direct current (dc) or dc voltage to a device under test (dut) for observing the latter's behavior. In this post i have explained how an effective and efficient, yet very cheap, and stabilized bench power supply. Lab Power Supply Diagram.
From www.onelectrontech.com
Instrumentation Essentials Lab Power Supply OnElectronTech Lab Power Supply Diagram For those who make electronics projects, the variable power supply. In this post i have explained how an effective and efficient, yet very cheap, and stabilized bench power supply can be designed by any electronic hobbyist for safely testing all types electronic projects and prototypes. Make a new power supply circuit, instead of using the vkmaker kit, with digital control. Lab Power Supply Diagram.
From www.homemade-circuits.com
Laboratory Power Supply Circuit Homemade Circuit Projects Lab Power Supply Diagram In this post i have explained how an effective and efficient, yet very cheap, and stabilized bench power supply can be designed by any electronic hobbyist for safely testing all types electronic projects and prototypes. Perform the adequate tests to characterize the power supply. Make a new power supply circuit, instead of using the vkmaker kit, with digital control of. Lab Power Supply Diagram.
From www.homemade-circuits.com
Laboratory Power Supply Circuit Homemade Circuit Projects Lab Power Supply Diagram In this guide we will build a variable lab bench power supply. A bench power supply is a power source to supply a specified direct current (dc) or dc voltage to a device under test (dut) for observing the latter's behavior. Make a new power supply circuit, instead of using the vkmaker kit, with digital control of the output voltage. Lab Power Supply Diagram.
From wiringall.com
Building a Lab Power Supply A Comprehensive Guide with Schematic Diagrams Lab Power Supply Diagram Perform the adequate tests to characterize the power supply. In this guide we will build a variable lab bench power supply. For those who make electronics projects, the variable power supply. Make a new power supply circuit, instead of using the vkmaker kit, with digital control of the output voltage and current. A bench power supply is a power source. Lab Power Supply Diagram.
From simple-schematic.blogspot.com
Adjustable Lab Power Supply Simple Schematic Collection Lab Power Supply Diagram Make a new power supply circuit, instead of using the vkmaker kit, with digital control of the output voltage and current. For those who make electronics projects, the variable power supply. In this guide we will build a variable lab bench power supply. A bench power supply is a power source to supply a specified direct current (dc) or dc. Lab Power Supply Diagram.
From wiringlibkruse.z21.web.core.windows.net
Lab Bench Power Supply Circuit Diagram Lab Power Supply Diagram In this guide we will build a variable lab bench power supply. A bench power supply is a power source to supply a specified direct current (dc) or dc voltage to a device under test (dut) for observing the latter's behavior. In this post i have explained how an effective and efficient, yet very cheap, and stabilized bench power supply. Lab Power Supply Diagram.
From guidediagrammarco.z19.web.core.windows.net
Laboratory Power Supply Schematic Lab Power Supply Diagram For those who make electronics projects, the variable power supply. A bench power supply is a power source to supply a specified direct current (dc) or dc voltage to a device under test (dut) for observing the latter's behavior. In this guide we will build a variable lab bench power supply. Perform the adequate tests to characterize the power supply.. Lab Power Supply Diagram.
From wiringall.com
Building a Lab Power Supply A Comprehensive Guide with Schematic Diagrams Lab Power Supply Diagram Perform the adequate tests to characterize the power supply. In this post i have explained how an effective and efficient, yet very cheap, and stabilized bench power supply can be designed by any electronic hobbyist for safely testing all types electronic projects and prototypes. A bench power supply is a power source to supply a specified direct current (dc) or. Lab Power Supply Diagram.
From www.electronics-lab.com
030V Laboratory Power Supply Lab Power Supply Diagram Perform the adequate tests to characterize the power supply. Make a new power supply circuit, instead of using the vkmaker kit, with digital control of the output voltage and current. A bench power supply is a power source to supply a specified direct current (dc) or dc voltage to a device under test (dut) for observing the latter's behavior. For. Lab Power Supply Diagram.
From wiringall.com
Building a Lab Power Supply A Comprehensive Guide with Schematic Diagrams Lab Power Supply Diagram For those who make electronics projects, the variable power supply. In this guide we will build a variable lab bench power supply. A bench power supply is a power source to supply a specified direct current (dc) or dc voltage to a device under test (dut) for observing the latter's behavior. In this post i have explained how an effective. Lab Power Supply Diagram.
From alectronicscircuits.blogspot.com
CA3140,TIP41, 2N3055 Lab Power Supply 030V 2A Electronic Circuits Lab Power Supply Diagram Perform the adequate tests to characterize the power supply. Make a new power supply circuit, instead of using the vkmaker kit, with digital control of the output voltage and current. For those who make electronics projects, the variable power supply. A bench power supply is a power source to supply a specified direct current (dc) or dc voltage to a. Lab Power Supply Diagram.
From guidediagrammarco.z19.web.core.windows.net
Laboratory Power Supply Schematic Lab Power Supply Diagram In this guide we will build a variable lab bench power supply. Make a new power supply circuit, instead of using the vkmaker kit, with digital control of the output voltage and current. Perform the adequate tests to characterize the power supply. In this post i have explained how an effective and efficient, yet very cheap, and stabilized bench power. Lab Power Supply Diagram.
From electrongen.blogspot.com
Lab power supply schematic review Lab Power Supply Diagram In this post i have explained how an effective and efficient, yet very cheap, and stabilized bench power supply can be designed by any electronic hobbyist for safely testing all types electronic projects and prototypes. For those who make electronics projects, the variable power supply. Perform the adequate tests to characterize the power supply. A bench power supply is a. Lab Power Supply Diagram.
From www.researchgate.net
26a Laboratory power supply with a fixed 6V, and adjustable positive Lab Power Supply Diagram Make a new power supply circuit, instead of using the vkmaker kit, with digital control of the output voltage and current. For those who make electronics projects, the variable power supply. Perform the adequate tests to characterize the power supply. A bench power supply is a power source to supply a specified direct current (dc) or dc voltage to a. Lab Power Supply Diagram.
From www.youtube.com
EEVblog 232 Lab Power Supply Design Part 5 YouTube Lab Power Supply Diagram For those who make electronics projects, the variable power supply. In this post i have explained how an effective and efficient, yet very cheap, and stabilized bench power supply can be designed by any electronic hobbyist for safely testing all types electronic projects and prototypes. In this guide we will build a variable lab bench power supply. Perform the adequate. Lab Power Supply Diagram.
From www.artofit.org
Diy lab bench power supply build tests Artofit Lab Power Supply Diagram Make a new power supply circuit, instead of using the vkmaker kit, with digital control of the output voltage and current. In this post i have explained how an effective and efficient, yet very cheap, and stabilized bench power supply can be designed by any electronic hobbyist for safely testing all types electronic projects and prototypes. In this guide we. Lab Power Supply Diagram.
From www.pinterest.fr
Adjustable Lab Power Supply 030V 03A Power supply, Electrical Lab Power Supply Diagram A bench power supply is a power source to supply a specified direct current (dc) or dc voltage to a device under test (dut) for observing the latter's behavior. Perform the adequate tests to characterize the power supply. For those who make electronics projects, the variable power supply. Make a new power supply circuit, instead of using the vkmaker kit,. Lab Power Supply Diagram.
From www.homemade-circuits.com
Laboratory Power Supply Circuit Homemade Circuit Projects Lab Power Supply Diagram For those who make electronics projects, the variable power supply. In this post i have explained how an effective and efficient, yet very cheap, and stabilized bench power supply can be designed by any electronic hobbyist for safely testing all types electronic projects and prototypes. A bench power supply is a power source to supply a specified direct current (dc). Lab Power Supply Diagram.
From nookkin.com
DIY Lab Power Supply Complete Guide Lab Power Supply Diagram In this guide we will build a variable lab bench power supply. A bench power supply is a power source to supply a specified direct current (dc) or dc voltage to a device under test (dut) for observing the latter's behavior. Make a new power supply circuit, instead of using the vkmaker kit, with digital control of the output voltage. Lab Power Supply Diagram.
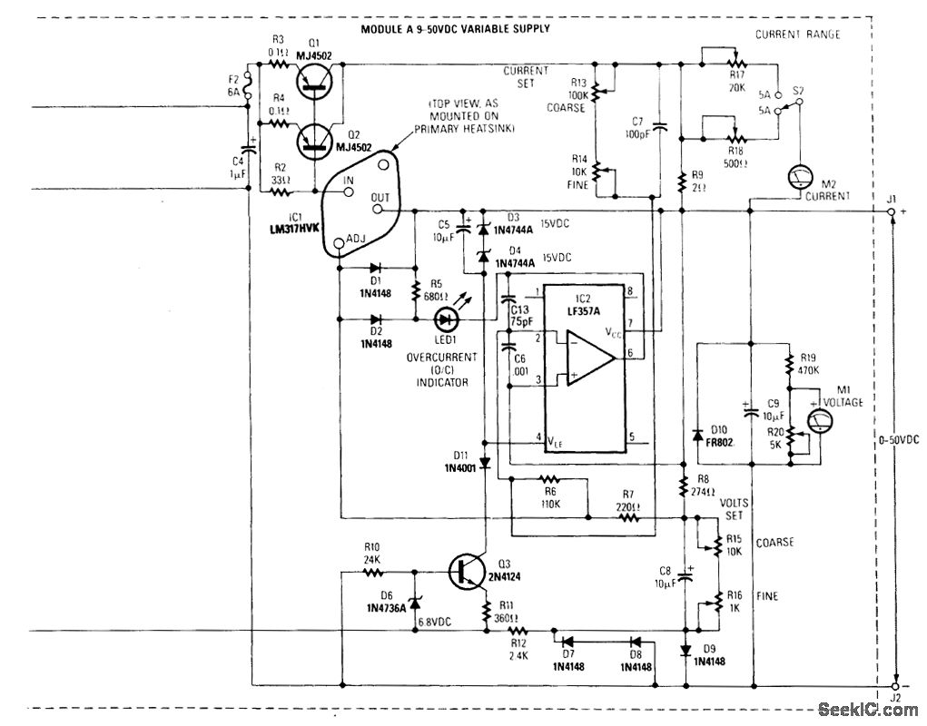
From www.seekic.com
UNIVERSAL_LABORATORY_POWER_SUPPLY Power_Supply_Circuit Circuit Lab Power Supply Diagram For those who make electronics projects, the variable power supply. Make a new power supply circuit, instead of using the vkmaker kit, with digital control of the output voltage and current. In this guide we will build a variable lab bench power supply. A bench power supply is a power source to supply a specified direct current (dc) or dc. Lab Power Supply Diagram.
From www.homemade-circuits.com
Laboratory Power Supply Circuit Homemade Circuit Projects Lab Power Supply Diagram Make a new power supply circuit, instead of using the vkmaker kit, with digital control of the output voltage and current. In this post i have explained how an effective and efficient, yet very cheap, and stabilized bench power supply can be designed by any electronic hobbyist for safely testing all types electronic projects and prototypes. A bench power supply. Lab Power Supply Diagram.
From www.electronics-lab.com
Build your own 024V/3A Lab Power Supply with current limit Lab Power Supply Diagram A bench power supply is a power source to supply a specified direct current (dc) or dc voltage to a device under test (dut) for observing the latter's behavior. Make a new power supply circuit, instead of using the vkmaker kit, with digital control of the output voltage and current. In this guide we will build a variable lab bench. Lab Power Supply Diagram.