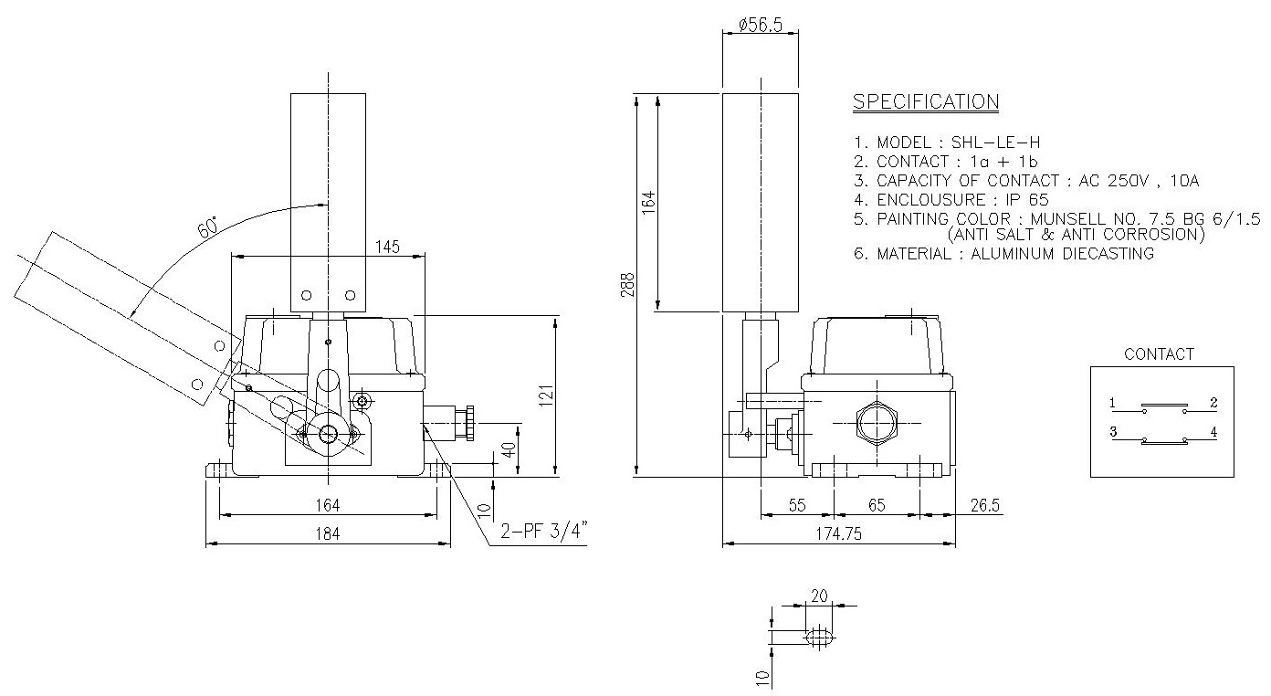
Belt Sway Switch Wiring Diagram . This switch is enclosed within a dust. Fig.1 shows the construction of the belt sway switch. The touch roller is inclined by the deviation of the conveyor belt from a vertical. This switch is normally arranged on both sides of the conveyor belt at near the edge. This switch is also known as a belt misalignment switch. Belt sway switch works as an emergency stop switch in the belt conveyor system when the deviation or displacement occurs in the running belt. Iec conveyor standard belt trip switch author: The belt sway switch works by detecting any sway or deviation in the conveyor belt and sending out a signal to stop the conveyor in order to prevent damage to the belt and the. Belt alignment switches monitor belt alignment in material handling plants and are arranged in pairs on either side of the transported material, close to.
from forumautomation.com
Belt alignment switches monitor belt alignment in material handling plants and are arranged in pairs on either side of the transported material, close to. This switch is normally arranged on both sides of the conveyor belt at near the edge. This switch is enclosed within a dust. The touch roller is inclined by the deviation of the conveyor belt from a vertical. The belt sway switch works by detecting any sway or deviation in the conveyor belt and sending out a signal to stop the conveyor in order to prevent damage to the belt and the. Fig.1 shows the construction of the belt sway switch. This switch is also known as a belt misalignment switch. Iec conveyor standard belt trip switch author: Belt sway switch works as an emergency stop switch in the belt conveyor system when the deviation or displacement occurs in the running belt.
What is Belt sway switch? Conveyor belt switch Field Instrumentation Industrial Automation
Belt Sway Switch Wiring Diagram The belt sway switch works by detecting any sway or deviation in the conveyor belt and sending out a signal to stop the conveyor in order to prevent damage to the belt and the. Belt alignment switches monitor belt alignment in material handling plants and are arranged in pairs on either side of the transported material, close to. This switch is also known as a belt misalignment switch. Fig.1 shows the construction of the belt sway switch. This switch is normally arranged on both sides of the conveyor belt at near the edge. The belt sway switch works by detecting any sway or deviation in the conveyor belt and sending out a signal to stop the conveyor in order to prevent damage to the belt and the. This switch is enclosed within a dust. Belt sway switch works as an emergency stop switch in the belt conveyor system when the deviation or displacement occurs in the running belt. Iec conveyor standard belt trip switch author: The touch roller is inclined by the deviation of the conveyor belt from a vertical.
From electrical-wiring-work.web.app
Belt Sway Switch Connection Diagram Electrical Wiring Work Belt Sway Switch Wiring Diagram Fig.1 shows the construction of the belt sway switch. Belt sway switch works as an emergency stop switch in the belt conveyor system when the deviation or displacement occurs in the running belt. This switch is normally arranged on both sides of the conveyor belt at near the edge. Iec conveyor standard belt trip switch author: The belt sway switch. Belt Sway Switch Wiring Diagram.
From www.youtube.com
Belt Sway Switch Working Principle Deviation Switch How Its Work YouTube Belt Sway Switch Wiring Diagram Belt alignment switches monitor belt alignment in material handling plants and are arranged in pairs on either side of the transported material, close to. The belt sway switch works by detecting any sway or deviation in the conveyor belt and sending out a signal to stop the conveyor in order to prevent damage to the belt and the. This switch. Belt Sway Switch Wiring Diagram.
From www.qxltech.com
BeltSway Switch Misalignment conveyor belt drift protctive Switch_QXL Tech, Level Switch, Level Belt Sway Switch Wiring Diagram The belt sway switch works by detecting any sway or deviation in the conveyor belt and sending out a signal to stop the conveyor in order to prevent damage to the belt and the. This switch is normally arranged on both sides of the conveyor belt at near the edge. Belt alignment switches monitor belt alignment in material handling plants. Belt Sway Switch Wiring Diagram.
From www.kaidi86.com
belt sway switch working principle factory for transportation KAIDI Belt Sway Switch Wiring Diagram This switch is normally arranged on both sides of the conveyor belt at near the edge. The belt sway switch works by detecting any sway or deviation in the conveyor belt and sending out a signal to stop the conveyor in order to prevent damage to the belt and the. Iec conveyor standard belt trip switch author: Belt sway switch. Belt Sway Switch Wiring Diagram.
From www.exctmach.com
Introduction and Current Situation of Belt Sway Switch Belt Sway Switch Wiring Diagram Iec conveyor standard belt trip switch author: Fig.1 shows the construction of the belt sway switch. Belt sway switch works as an emergency stop switch in the belt conveyor system when the deviation or displacement occurs in the running belt. This switch is normally arranged on both sides of the conveyor belt at near the edge. The touch roller is. Belt Sway Switch Wiring Diagram.
From www.scribd.com
Belt Sway Switch Working Principle InstrumentationTools PDF Switch Belt (Mechanical) Belt Sway Switch Wiring Diagram This switch is enclosed within a dust. Fig.1 shows the construction of the belt sway switch. Iec conveyor standard belt trip switch author: Belt sway switch works as an emergency stop switch in the belt conveyor system when the deviation or displacement occurs in the running belt. Belt alignment switches monitor belt alignment in material handling plants and are arranged. Belt Sway Switch Wiring Diagram.
From www.kaidi86.com
latest belt sway switch working principle factory for industrial KAIDI Belt Sway Switch Wiring Diagram This switch is enclosed within a dust. Belt alignment switches monitor belt alignment in material handling plants and are arranged in pairs on either side of the transported material, close to. Belt sway switch works as an emergency stop switch in the belt conveyor system when the deviation or displacement occurs in the running belt. Fig.1 shows the construction of. Belt Sway Switch Wiring Diagram.
From www.mingzhee.com
China Customized Conveyor Belt Sway Switch Manufacturers, Factory Low Price TYOU Belt Sway Switch Wiring Diagram Fig.1 shows the construction of the belt sway switch. Iec conveyor standard belt trip switch author: Belt alignment switches monitor belt alignment in material handling plants and are arranged in pairs on either side of the transported material, close to. The touch roller is inclined by the deviation of the conveyor belt from a vertical. This switch is also known. Belt Sway Switch Wiring Diagram.
From www.exctmach.com
The Working Principle of Belt Sway Switch Belt Sway Switch Wiring Diagram This switch is normally arranged on both sides of the conveyor belt at near the edge. Belt alignment switches monitor belt alignment in material handling plants and are arranged in pairs on either side of the transported material, close to. The belt sway switch works by detecting any sway or deviation in the conveyor belt and sending out a signal. Belt Sway Switch Wiring Diagram.
From instrumentationtools.com
Belt Sway Switch Working Principle InstrumentationTools Belt Sway Switch Wiring Diagram This switch is normally arranged on both sides of the conveyor belt at near the edge. Belt alignment switches monitor belt alignment in material handling plants and are arranged in pairs on either side of the transported material, close to. This switch is enclosed within a dust. The touch roller is inclined by the deviation of the conveyor belt from. Belt Sway Switch Wiring Diagram.
From saitechpune.com
Belt Sway Switches, Belt Sway Switch Junction Box Manufacturer India Belt Sway Switch Wiring Diagram Fig.1 shows the construction of the belt sway switch. The belt sway switch works by detecting any sway or deviation in the conveyor belt and sending out a signal to stop the conveyor in order to prevent damage to the belt and the. This switch is enclosed within a dust. This switch is normally arranged on both sides of the. Belt Sway Switch Wiring Diagram.
From www.indiamart.com
Belt Sway Switch at best price in Udaipur by Pyrotech Electronics Pvt. Ltd. ID 20761240333 Belt Sway Switch Wiring Diagram Belt sway switch works as an emergency stop switch in the belt conveyor system when the deviation or displacement occurs in the running belt. This switch is also known as a belt misalignment switch. The belt sway switch works by detecting any sway or deviation in the conveyor belt and sending out a signal to stop the conveyor in order. Belt Sway Switch Wiring Diagram.
From ibrahimgroups.com
Belt Sway Switch XLPPI Bridge Engineering Company Belt Sway Switch Wiring Diagram Fig.1 shows the construction of the belt sway switch. Belt alignment switches monitor belt alignment in material handling plants and are arranged in pairs on either side of the transported material, close to. The belt sway switch works by detecting any sway or deviation in the conveyor belt and sending out a signal to stop the conveyor in order to. Belt Sway Switch Wiring Diagram.
From www.kaidi86.com
Customized Belt Sway Switch Manufacturers & Suppliers Kaidi Belt Sway Switch Wiring Diagram Belt alignment switches monitor belt alignment in material handling plants and are arranged in pairs on either side of the transported material, close to. This switch is enclosed within a dust. This switch is normally arranged on both sides of the conveyor belt at near the edge. Iec conveyor standard belt trip switch author: Fig.1 shows the construction of the. Belt Sway Switch Wiring Diagram.
From www.scribd.com
Belt Sway Switch Jayashree PDF Switch Manufactured Goods Belt Sway Switch Wiring Diagram This switch is normally arranged on both sides of the conveyor belt at near the edge. The touch roller is inclined by the deviation of the conveyor belt from a vertical. The belt sway switch works by detecting any sway or deviation in the conveyor belt and sending out a signal to stop the conveyor in order to prevent damage. Belt Sway Switch Wiring Diagram.
From www.kaidi86.com
Sus 316 Stainless Steel Belt Sway Switch Conveyor Safety Device Belt Sway Switch Wiring Diagram Iec conveyor standard belt trip switch author: Belt alignment switches monitor belt alignment in material handling plants and are arranged in pairs on either side of the transported material, close to. The belt sway switch works by detecting any sway or deviation in the conveyor belt and sending out a signal to stop the conveyor in order to prevent damage. Belt Sway Switch Wiring Diagram.
From forumautomation.com
What is Belt sway switch? Conveyor belt switch Field Instrumentation Industrial Automation Belt Sway Switch Wiring Diagram The belt sway switch works by detecting any sway or deviation in the conveyor belt and sending out a signal to stop the conveyor in order to prevent damage to the belt and the. Belt sway switch works as an emergency stop switch in the belt conveyor system when the deviation or displacement occurs in the running belt. This switch. Belt Sway Switch Wiring Diagram.
From safetyswitch01.blogspot.com
The Importance of Belt Sway Switches in Conveyor System Safety Belt Sway Switch Wiring Diagram Fig.1 shows the construction of the belt sway switch. This switch is normally arranged on both sides of the conveyor belt at near the edge. Belt alignment switches monitor belt alignment in material handling plants and are arranged in pairs on either side of the transported material, close to. This switch is also known as a belt misalignment switch. The. Belt Sway Switch Wiring Diagram.
From electrical-wiring-work.web.app
Belt Sway Switch Connection Diagram Electrical Wiring Work Belt Sway Switch Wiring Diagram The belt sway switch works by detecting any sway or deviation in the conveyor belt and sending out a signal to stop the conveyor in order to prevent damage to the belt and the. Belt alignment switches monitor belt alignment in material handling plants and are arranged in pairs on either side of the transported material, close to. Belt sway. Belt Sway Switch Wiring Diagram.
From www.kaidi86.com
Sus 316 Stainless Steel Belt Sway Switch Conveyor Safety Device Belt Sway Switch Wiring Diagram Iec conveyor standard belt trip switch author: Fig.1 shows the construction of the belt sway switch. Belt sway switch works as an emergency stop switch in the belt conveyor system when the deviation or displacement occurs in the running belt. This switch is enclosed within a dust. This switch is normally arranged on both sides of the conveyor belt at. Belt Sway Switch Wiring Diagram.
From instrumentationblog.com
What is Belt Sway Switch? It's working and importance. Belt Sway Switch Wiring Diagram Fig.1 shows the construction of the belt sway switch. This switch is enclosed within a dust. Iec conveyor standard belt trip switch author: This switch is normally arranged on both sides of the conveyor belt at near the edge. Belt sway switch works as an emergency stop switch in the belt conveyor system when the deviation or displacement occurs in. Belt Sway Switch Wiring Diagram.
From www.youtube.com
Belt Sway Switch Checking & Connection BSS Wiring Conveyor Belt Sway Switch Electrical Belt Sway Switch Wiring Diagram Fig.1 shows the construction of the belt sway switch. This switch is enclosed within a dust. Iec conveyor standard belt trip switch author: Belt sway switch works as an emergency stop switch in the belt conveyor system when the deviation or displacement occurs in the running belt. This switch is normally arranged on both sides of the conveyor belt at. Belt Sway Switch Wiring Diagram.
From wiringdiagram.2bitboer.com
Conveyor Pull Cord Switch Wiring Diagram Wiring Diagram Belt Sway Switch Wiring Diagram The touch roller is inclined by the deviation of the conveyor belt from a vertical. Iec conveyor standard belt trip switch author: This switch is also known as a belt misalignment switch. This switch is enclosed within a dust. Belt alignment switches monitor belt alignment in material handling plants and are arranged in pairs on either side of the transported. Belt Sway Switch Wiring Diagram.
From www.youtube.com
Conveyor Belt sway switch Use of belt sway switch Conveyor belt safety equipment Belt sway Belt Sway Switch Wiring Diagram This switch is also known as a belt misalignment switch. Belt sway switch works as an emergency stop switch in the belt conveyor system when the deviation or displacement occurs in the running belt. This switch is enclosed within a dust. Iec conveyor standard belt trip switch author: Fig.1 shows the construction of the belt sway switch. This switch is. Belt Sway Switch Wiring Diagram.
From www.kaidi86.com
Customized Belt Sway Switch Manufacturers & Suppliers Kaidi Belt Sway Switch Wiring Diagram Fig.1 shows the construction of the belt sway switch. This switch is enclosed within a dust. This switch is normally arranged on both sides of the conveyor belt at near the edge. Belt sway switch works as an emergency stop switch in the belt conveyor system when the deviation or displacement occurs in the running belt. The belt sway switch. Belt Sway Switch Wiring Diagram.
From www.youtube.com
How to Read Electrical Wiring Diagram in Tamil What is Pull Chord, Belt Sway and ZSS YouTube Belt Sway Switch Wiring Diagram Belt sway switch works as an emergency stop switch in the belt conveyor system when the deviation or displacement occurs in the running belt. The touch roller is inclined by the deviation of the conveyor belt from a vertical. This switch is enclosed within a dust. This switch is normally arranged on both sides of the conveyor belt at near. Belt Sway Switch Wiring Diagram.
From www.youtube.com
Conveyor belt sway switch conveyor belts saftey equipment BSS belt conveyor sway switch Belt Sway Switch Wiring Diagram Belt sway switch works as an emergency stop switch in the belt conveyor system when the deviation or displacement occurs in the running belt. This switch is enclosed within a dust. Iec conveyor standard belt trip switch author: This switch is also known as a belt misalignment switch. Belt alignment switches monitor belt alignment in material handling plants and are. Belt Sway Switch Wiring Diagram.
From wiringdb2leve1nexn.z4.web.core.windows.net
Three Ways To Wire A Three Way Switch Belt Sway Switch Wiring Diagram Belt sway switch works as an emergency stop switch in the belt conveyor system when the deviation or displacement occurs in the running belt. The touch roller is inclined by the deviation of the conveyor belt from a vertical. This switch is normally arranged on both sides of the conveyor belt at near the edge. Iec conveyor standard belt trip. Belt Sway Switch Wiring Diagram.
From dir.indiamart.com
Belt Sway Switches at Best Price in India Belt Sway Switch Wiring Diagram The touch roller is inclined by the deviation of the conveyor belt from a vertical. This switch is enclosed within a dust. Iec conveyor standard belt trip switch author: Belt alignment switches monitor belt alignment in material handling plants and are arranged in pairs on either side of the transported material, close to. Fig.1 shows the construction of the belt. Belt Sway Switch Wiring Diagram.
From www.scribd.com
Belt Sway Switch Jayshree PDF Belt Sway Switch Wiring Diagram The touch roller is inclined by the deviation of the conveyor belt from a vertical. Fig.1 shows the construction of the belt sway switch. This switch is enclosed within a dust. This switch is also known as a belt misalignment switch. This switch is normally arranged on both sides of the conveyor belt at near the edge. Belt alignment switches. Belt Sway Switch Wiring Diagram.
From ibrahimgroups.com
Belt Sway Switch XLPPI Bridge Engineering Company Belt Sway Switch Wiring Diagram Belt alignment switches monitor belt alignment in material handling plants and are arranged in pairs on either side of the transported material, close to. This switch is normally arranged on both sides of the conveyor belt at near the edge. This switch is enclosed within a dust. Belt sway switch works as an emergency stop switch in the belt conveyor. Belt Sway Switch Wiring Diagram.
From www.kaidi86.com
custom belt sway switch for business for transportation KAIDI Belt Sway Switch Wiring Diagram Belt sway switch works as an emergency stop switch in the belt conveyor system when the deviation or displacement occurs in the running belt. The touch roller is inclined by the deviation of the conveyor belt from a vertical. This switch is also known as a belt misalignment switch. This switch is enclosed within a dust. Iec conveyor standard belt. Belt Sway Switch Wiring Diagram.
From www.sectec.co.kr
SWITCH & SENSOR BELT SWAY SWITCH Belt Sway Switch Wiring Diagram The belt sway switch works by detecting any sway or deviation in the conveyor belt and sending out a signal to stop the conveyor in order to prevent damage to the belt and the. The touch roller is inclined by the deviation of the conveyor belt from a vertical. This switch is normally arranged on both sides of the conveyor. Belt Sway Switch Wiring Diagram.
From wiringdiagram.2bitboer.com
Conveyor Pull Cord Switch Wiring Diagram Wiring Diagram Belt Sway Switch Wiring Diagram This switch is also known as a belt misalignment switch. Iec conveyor standard belt trip switch author: The touch roller is inclined by the deviation of the conveyor belt from a vertical. Belt alignment switches monitor belt alignment in material handling plants and are arranged in pairs on either side of the transported material, close to. The belt sway switch. Belt Sway Switch Wiring Diagram.
From www.kaidi86.com
belt sway switch working principle factory for transportation KAIDI Belt Sway Switch Wiring Diagram This switch is normally arranged on both sides of the conveyor belt at near the edge. Belt sway switch works as an emergency stop switch in the belt conveyor system when the deviation or displacement occurs in the running belt. The touch roller is inclined by the deviation of the conveyor belt from a vertical. Fig.1 shows the construction of. Belt Sway Switch Wiring Diagram.