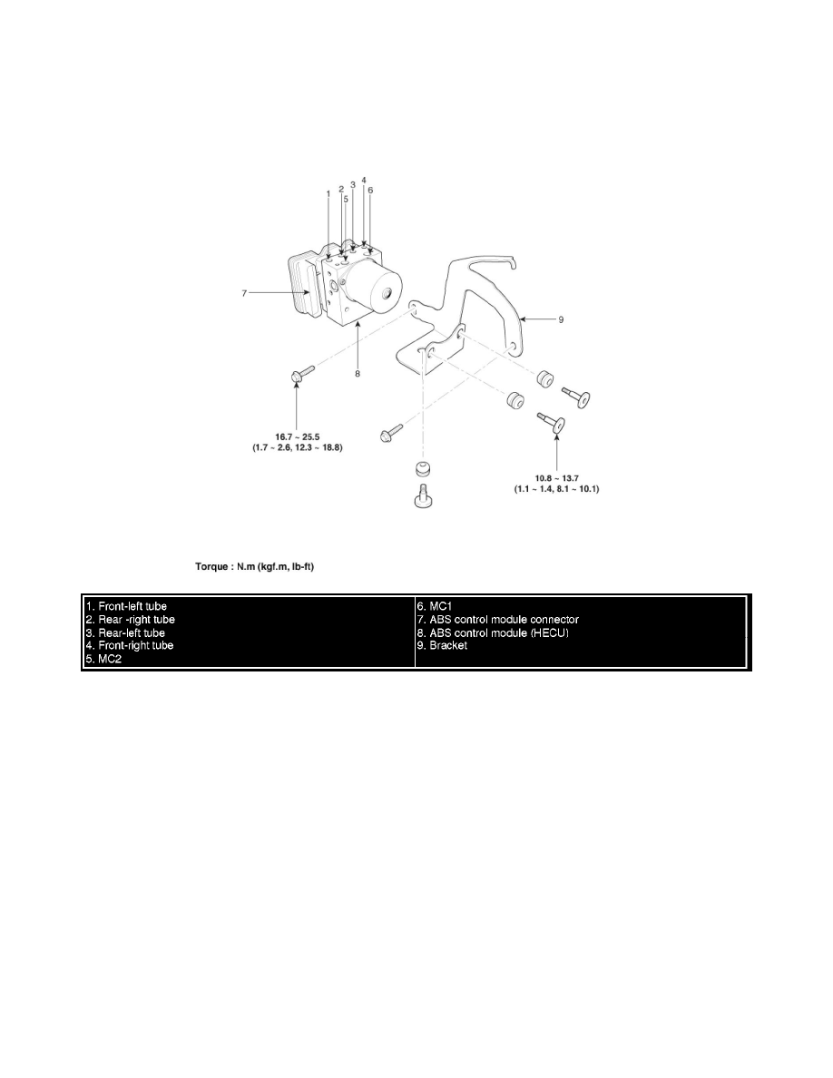
Brake Control Module Kia . This genuine part is guaranteed by kia's factory warranty. pull up the lock of the abs connector (a) and then disconnect the connector. Electronic stability control (esc) recognizes critical driving conditions, such as panic reactions. Disconnect the brake tubes from the abs by unlocking the nuts. Ship fast and save more on. Shop oem kia abs control modules at wholesale prices. 183 abs control modules found.
from www.carid.com
Shop oem kia abs control modules at wholesale prices. 183 abs control modules found. Disconnect the brake tubes from the abs by unlocking the nuts. This genuine part is guaranteed by kia's factory warranty. Ship fast and save more on. Electronic stability control (esc) recognizes critical driving conditions, such as panic reactions. pull up the lock of the abs connector (a) and then disconnect the connector.
Cardone Reman® ABS Control Module
Brake Control Module Kia Shop oem kia abs control modules at wholesale prices. Disconnect the brake tubes from the abs by unlocking the nuts. Ship fast and save more on. Shop oem kia abs control modules at wholesale prices. Electronic stability control (esc) recognizes critical driving conditions, such as panic reactions. This genuine part is guaranteed by kia's factory warranty. pull up the lock of the abs connector (a) and then disconnect the connector. 183 abs control modules found.
From www.stockwiseauto.com
ACDelco 20964299 Trailer Brake Control Module 2013 Chevrolet Brake Control Module Kia 183 abs control modules found. Ship fast and save more on. Disconnect the brake tubes from the abs by unlocking the nuts. This genuine part is guaranteed by kia's factory warranty. pull up the lock of the abs connector (a) and then disconnect the connector. Electronic stability control (esc) recognizes critical driving conditions, such as panic reactions. Shop. Brake Control Module Kia.
From www.ebay.com
TRANSMISSION CONTROL MODULE KIA SPECTRA 2002 2003 K2NB 18 9E0 TCM TCU Brake Control Module Kia Electronic stability control (esc) recognizes critical driving conditions, such as panic reactions. This genuine part is guaranteed by kia's factory warranty. pull up the lock of the abs connector (a) and then disconnect the connector. Ship fast and save more on. 183 abs control modules found. Shop oem kia abs control modules at wholesale prices. Disconnect the brake. Brake Control Module Kia.
From www.walmart.com
ACDelco GM Original Equipment Electronic Brake Control Module Assembly Brake Control Module Kia 183 abs control modules found. Disconnect the brake tubes from the abs by unlocking the nuts. Electronic stability control (esc) recognizes critical driving conditions, such as panic reactions. Ship fast and save more on. pull up the lock of the abs connector (a) and then disconnect the connector. This genuine part is guaranteed by kia's factory warranty. Shop. Brake Control Module Kia.
From www.ebay.com
954001U001 OEM Chassis Control Module For KIA Sorento eBay Brake Control Module Kia Electronic stability control (esc) recognizes critical driving conditions, such as panic reactions. This genuine part is guaranteed by kia's factory warranty. Disconnect the brake tubes from the abs by unlocking the nuts. Shop oem kia abs control modules at wholesale prices. pull up the lock of the abs connector (a) and then disconnect the connector. Ship fast and save. Brake Control Module Kia.
From www.trailerjacks.com
Trailer Brake Control for 0911 KIA Borrego w/ Plug Play Wiring Adapter Brake Control Module Kia Disconnect the brake tubes from the abs by unlocking the nuts. This genuine part is guaranteed by kia's factory warranty. Electronic stability control (esc) recognizes critical driving conditions, such as panic reactions. pull up the lock of the abs connector (a) and then disconnect the connector. Shop oem kia abs control modules at wholesale prices. 183 abs control. Brake Control Module Kia.
From picclick.com
PARKING BRAKE HANDBRAKE Actuator Control Module 59700C5610 For Kia Brake Control Module Kia 183 abs control modules found. Shop oem kia abs control modules at wholesale prices. pull up the lock of the abs connector (a) and then disconnect the connector. Electronic stability control (esc) recognizes critical driving conditions, such as panic reactions. Disconnect the brake tubes from the abs by unlocking the nuts. This genuine part is guaranteed by kia's. Brake Control Module Kia.
From www.ebay.com
OEM NEW 20142016 Kia Optima BCM Body Control Module Receiver Unit Brake Control Module Kia Ship fast and save more on. 183 abs control modules found. pull up the lock of the abs connector (a) and then disconnect the connector. Shop oem kia abs control modules at wholesale prices. Electronic stability control (esc) recognizes critical driving conditions, such as panic reactions. Disconnect the brake tubes from the abs by unlocking the nuts. This. Brake Control Module Kia.
From picclick.com
20142016 KIA SOUL Engine Control Module Unit PCM ECM ECU 391332EHA8 Brake Control Module Kia 183 abs control modules found. Electronic stability control (esc) recognizes critical driving conditions, such as panic reactions. Shop oem kia abs control modules at wholesale prices. pull up the lock of the abs connector (a) and then disconnect the connector. Disconnect the brake tubes from the abs by unlocking the nuts. This genuine part is guaranteed by kia's. Brake Control Module Kia.
From www.autozone.com
Dorman AntiLock Brake Control Module 599780 Brake Control Module Kia Disconnect the brake tubes from the abs by unlocking the nuts. pull up the lock of the abs connector (a) and then disconnect the connector. This genuine part is guaranteed by kia's factory warranty. Shop oem kia abs control modules at wholesale prices. Electronic stability control (esc) recognizes critical driving conditions, such as panic reactions. 183 abs control. Brake Control Module Kia.
From www.koptimatfhev.com
Kia Optima Hybrid Electric Parking Brake (EPB) Components and Brake Control Module Kia pull up the lock of the abs connector (a) and then disconnect the connector. Shop oem kia abs control modules at wholesale prices. Electronic stability control (esc) recognizes critical driving conditions, such as panic reactions. 183 abs control modules found. Ship fast and save more on. Disconnect the brake tubes from the abs by unlocking the nuts. This. Brake Control Module Kia.
From picclick.com
20142016 KIA SOUL Engine Control Module Unit PCM ECM ECU 391332EHA8 Brake Control Module Kia 183 abs control modules found. This genuine part is guaranteed by kia's factory warranty. pull up the lock of the abs connector (a) and then disconnect the connector. Disconnect the brake tubes from the abs by unlocking the nuts. Electronic stability control (esc) recognizes critical driving conditions, such as panic reactions. Ship fast and save more on. Shop. Brake Control Module Kia.
From www.kia.parts
9544739125 Automatic Transmission Control Module 2010 Kia Sportage Brake Control Module Kia Electronic stability control (esc) recognizes critical driving conditions, such as panic reactions. Ship fast and save more on. Shop oem kia abs control modules at wholesale prices. 183 abs control modules found. Disconnect the brake tubes from the abs by unlocking the nuts. This genuine part is guaranteed by kia's factory warranty. pull up the lock of the. Brake Control Module Kia.
From www.autozone.com
Dorman AntiLock Brake Control Module 599788 Brake Control Module Kia 183 abs control modules found. This genuine part is guaranteed by kia's factory warranty. Ship fast and save more on. Shop oem kia abs control modules at wholesale prices. pull up the lock of the abs connector (a) and then disconnect the connector. Electronic stability control (esc) recognizes critical driving conditions, such as panic reactions. Disconnect the brake. Brake Control Module Kia.
From www.ebay.com
13 14 15 Kia Optima Electric Parking Brake Control Module Unit OEM eBay Brake Control Module Kia pull up the lock of the abs connector (a) and then disconnect the connector. Shop oem kia abs control modules at wholesale prices. Disconnect the brake tubes from the abs by unlocking the nuts. This genuine part is guaranteed by kia's factory warranty. Electronic stability control (esc) recognizes critical driving conditions, such as panic reactions. 183 abs control. Brake Control Module Kia.
From steeverubence.blogspot.com
kia engine control system warning steeverubence Brake Control Module Kia Electronic stability control (esc) recognizes critical driving conditions, such as panic reactions. Shop oem kia abs control modules at wholesale prices. Disconnect the brake tubes from the abs by unlocking the nuts. pull up the lock of the abs connector (a) and then disconnect the connector. This genuine part is guaranteed by kia's factory warranty. Ship fast and save. Brake Control Module Kia.
From www.carid.com
Cardone Reman® ABS Control Module Brake Control Module Kia 183 abs control modules found. Disconnect the brake tubes from the abs by unlocking the nuts. Ship fast and save more on. Electronic stability control (esc) recognizes critical driving conditions, such as panic reactions. Shop oem kia abs control modules at wholesale prices. pull up the lock of the abs connector (a) and then disconnect the connector. This. Brake Control Module Kia.
From www.upfix.com
GMC Envoy 20072013 ABS EBCM ESP AntiLock Brake Control Module Repair Brake Control Module Kia Ship fast and save more on. pull up the lock of the abs connector (a) and then disconnect the connector. Disconnect the brake tubes from the abs by unlocking the nuts. Shop oem kia abs control modules at wholesale prices. 183 abs control modules found. This genuine part is guaranteed by kia's factory warranty. Electronic stability control (esc). Brake Control Module Kia.
From workshop-manuals.com
background image Brake Control Module Kia Ship fast and save more on. This genuine part is guaranteed by kia's factory warranty. pull up the lock of the abs connector (a) and then disconnect the connector. Shop oem kia abs control modules at wholesale prices. Disconnect the brake tubes from the abs by unlocking the nuts. Electronic stability control (esc) recognizes critical driving conditions, such as. Brake Control Module Kia.
From www.pacificmotors.com
Electronic Parking Brake Module EPB ECU ECM 39920T6NA11 OEM Acura NSX Brake Control Module Kia Ship fast and save more on. Shop oem kia abs control modules at wholesale prices. 183 abs control modules found. This genuine part is guaranteed by kia's factory warranty. pull up the lock of the abs connector (a) and then disconnect the connector. Electronic stability control (esc) recognizes critical driving conditions, such as panic reactions. Disconnect the brake. Brake Control Module Kia.
From workshop-manuals.com
Kia Service and Repair Manuals > Forte L42.0L (2010) > Relays Brake Control Module Kia Electronic stability control (esc) recognizes critical driving conditions, such as panic reactions. Disconnect the brake tubes from the abs by unlocking the nuts. pull up the lock of the abs connector (a) and then disconnect the connector. 183 abs control modules found. Shop oem kia abs control modules at wholesale prices. Ship fast and save more on. This. Brake Control Module Kia.
From www.kia.parts
95400C6020 Body Control Module 20162018 Kia Sorento Kia.Parts Store Brake Control Module Kia This genuine part is guaranteed by kia's factory warranty. 183 abs control modules found. Ship fast and save more on. Electronic stability control (esc) recognizes critical driving conditions, such as panic reactions. pull up the lock of the abs connector (a) and then disconnect the connector. Disconnect the brake tubes from the abs by unlocking the nuts. Shop. Brake Control Module Kia.
From www.ksportagegl.com
Kia Sportage SRS Control Module (SRSCM) Components and components Brake Control Module Kia Disconnect the brake tubes from the abs by unlocking the nuts. 183 abs control modules found. Electronic stability control (esc) recognizes critical driving conditions, such as panic reactions. This genuine part is guaranteed by kia's factory warranty. Shop oem kia abs control modules at wholesale prices. Ship fast and save more on. pull up the lock of the. Brake Control Module Kia.
From www.vwbreakers.co.uk
Volkswagen Passat B6 20052010 Electronic Parking Brake Control Module Brake Control Module Kia Ship fast and save more on. 183 abs control modules found. Shop oem kia abs control modules at wholesale prices. This genuine part is guaranteed by kia's factory warranty. Disconnect the brake tubes from the abs by unlocking the nuts. Electronic stability control (esc) recognizes critical driving conditions, such as panic reactions. pull up the lock of the. Brake Control Module Kia.
From www.amazon.ca
Genuine Dodge Ram Integrated Trailer Brake Controller Module Factory Brake Control Module Kia Shop oem kia abs control modules at wholesale prices. pull up the lock of the abs connector (a) and then disconnect the connector. Electronic stability control (esc) recognizes critical driving conditions, such as panic reactions. This genuine part is guaranteed by kia's factory warranty. 183 abs control modules found. Ship fast and save more on. Disconnect the brake. Brake Control Module Kia.
From www.kia.parts
95470A9100 Control Module 20152021 Kia Sedona Kia.Parts Store Brake Control Module Kia 183 abs control modules found. Shop oem kia abs control modules at wholesale prices. Electronic stability control (esc) recognizes critical driving conditions, such as panic reactions. pull up the lock of the abs connector (a) and then disconnect the connector. Disconnect the brake tubes from the abs by unlocking the nuts. Ship fast and save more on. This. Brake Control Module Kia.
From www.kia.parts
954001U210 Body Control Module 20142015 Kia Sorento Kia.Parts Store Brake Control Module Kia pull up the lock of the abs connector (a) and then disconnect the connector. Ship fast and save more on. Shop oem kia abs control modules at wholesale prices. Disconnect the brake tubes from the abs by unlocking the nuts. Electronic stability control (esc) recognizes critical driving conditions, such as panic reactions. 183 abs control modules found. This. Brake Control Module Kia.
From www.kia.parts
461903D750 Control Module 20172020 Kia Optima Kia.Parts Store Brake Control Module Kia pull up the lock of the abs connector (a) and then disconnect the connector. Shop oem kia abs control modules at wholesale prices. Ship fast and save more on. Disconnect the brake tubes from the abs by unlocking the nuts. This genuine part is guaranteed by kia's factory warranty. 183 abs control modules found. Electronic stability control (esc). Brake Control Module Kia.
From workshop-manuals.com
Kia Manuals > Rondo V62.7L (2009) > Brakes and Traction Brake Control Module Kia 183 abs control modules found. This genuine part is guaranteed by kia's factory warranty. Electronic stability control (esc) recognizes critical driving conditions, such as panic reactions. Disconnect the brake tubes from the abs by unlocking the nuts. Shop oem kia abs control modules at wholesale prices. pull up the lock of the abs connector (a) and then disconnect. Brake Control Module Kia.
From www.ebay.com
2011 2012 2013 KIA SORENTO ANTILOCK BRAKE PART ACTUATOR AND PUMP Brake Control Module Kia 183 abs control modules found. Disconnect the brake tubes from the abs by unlocking the nuts. Ship fast and save more on. Shop oem kia abs control modules at wholesale prices. Electronic stability control (esc) recognizes critical driving conditions, such as panic reactions. This genuine part is guaranteed by kia's factory warranty. pull up the lock of the. Brake Control Module Kia.
From www.autozone.com
Dorman AntiLock Brake Control Module 599701 Brake Control Module Kia Electronic stability control (esc) recognizes critical driving conditions, such as panic reactions. This genuine part is guaranteed by kia's factory warranty. 183 abs control modules found. Disconnect the brake tubes from the abs by unlocking the nuts. pull up the lock of the abs connector (a) and then disconnect the connector. Ship fast and save more on. Shop. Brake Control Module Kia.
From www.carid.com
ACDelco® 84459688 GM Original Equipment™ Parking Brake Control Module Brake Control Module Kia Shop oem kia abs control modules at wholesale prices. Disconnect the brake tubes from the abs by unlocking the nuts. Electronic stability control (esc) recognizes critical driving conditions, such as panic reactions. Ship fast and save more on. This genuine part is guaranteed by kia's factory warranty. pull up the lock of the abs connector (a) and then disconnect. Brake Control Module Kia.
From zappauto.com
OEM Transmission Control Module Kia Sportage 1998 1999 2000 K08Aa TCM TCU Brake Control Module Kia Ship fast and save more on. 183 abs control modules found. Shop oem kia abs control modules at wholesale prices. Electronic stability control (esc) recognizes critical driving conditions, such as panic reactions. This genuine part is guaranteed by kia's factory warranty. pull up the lock of the abs connector (a) and then disconnect the connector. Disconnect the brake. Brake Control Module Kia.
From www.proxyparts.com
Towbar module Kia Picanto 1.0 12V 5C031V0506 Brake Control Module Kia Shop oem kia abs control modules at wholesale prices. pull up the lock of the abs connector (a) and then disconnect the connector. This genuine part is guaranteed by kia's factory warranty. Electronic stability control (esc) recognizes critical driving conditions, such as panic reactions. Disconnect the brake tubes from the abs by unlocking the nuts. Ship fast and save. Brake Control Module Kia.
From www.jimellismazdaparts.com
Mazda Mazda 3 Automatic Transmission Control Module LF8M189E1H Jim Brake Control Module Kia This genuine part is guaranteed by kia's factory warranty. Electronic stability control (esc) recognizes critical driving conditions, such as panic reactions. Shop oem kia abs control modules at wholesale prices. Ship fast and save more on. Disconnect the brake tubes from the abs by unlocking the nuts. 183 abs control modules found. pull up the lock of the. Brake Control Module Kia.
From www.ksmanual.com
Kia Sorento Schematic Diagrams ESC(Electronic Stability Control Brake Control Module Kia Electronic stability control (esc) recognizes critical driving conditions, such as panic reactions. Shop oem kia abs control modules at wholesale prices. 183 abs control modules found. Ship fast and save more on. Disconnect the brake tubes from the abs by unlocking the nuts. This genuine part is guaranteed by kia's factory warranty. pull up the lock of the. Brake Control Module Kia.