What Size Blade Does A Craftsman 12 Band Saw Use . Band saw blade length reference page. Timber wolf band saw blades are available in any length. Thicker woods cut better with. The two most common measurements for band saw blades are width (in inches) and teeth per inch (tpi). I tested the craftsman 12 inch band saw and found its blade size to be perfect for precision cuts. The narrower the blade the better it is for tight radius cuts, the wider the blade, the better it is for resawing. With craftsman 12 inch band saw blades, there are three main types to choose from: Below is a reference chart only. This type of blade has evenly spaced teeth with a standard tooth pitch,.
from fixmanualarthur.z19.web.core.windows.net
The narrower the blade the better it is for tight radius cuts, the wider the blade, the better it is for resawing. Below is a reference chart only. I tested the craftsman 12 inch band saw and found its blade size to be perfect for precision cuts. This type of blade has evenly spaced teeth with a standard tooth pitch,. Thicker woods cut better with. Timber wolf band saw blades are available in any length. Band saw blade length reference page. With craftsman 12 inch band saw blades, there are three main types to choose from: The two most common measurements for band saw blades are width (in inches) and teeth per inch (tpi).
Craftsman 12 Inch Bandsaw Manual
What Size Blade Does A Craftsman 12 Band Saw Use Below is a reference chart only. With craftsman 12 inch band saw blades, there are three main types to choose from: The two most common measurements for band saw blades are width (in inches) and teeth per inch (tpi). Timber wolf band saw blades are available in any length. I tested the craftsman 12 inch band saw and found its blade size to be perfect for precision cuts. Below is a reference chart only. The narrower the blade the better it is for tight radius cuts, the wider the blade, the better it is for resawing. Band saw blade length reference page. This type of blade has evenly spaced teeth with a standard tooth pitch,. Thicker woods cut better with.
From www.invaluable.com
Sold at Auction Craftsman 12" band saw What Size Blade Does A Craftsman 12 Band Saw Use Timber wolf band saw blades are available in any length. The narrower the blade the better it is for tight radius cuts, the wider the blade, the better it is for resawing. This type of blade has evenly spaced teeth with a standard tooth pitch,. I tested the craftsman 12 inch band saw and found its blade size to be. What Size Blade Does A Craftsman 12 Band Saw Use.
From www.americanfreight.com
Craftsman 22432 12 in. Band Saw, Stationary with Stand, Dual Speed American Freight (Sears What Size Blade Does A Craftsman 12 Band Saw Use Band saw blade length reference page. The two most common measurements for band saw blades are width (in inches) and teeth per inch (tpi). Timber wolf band saw blades are available in any length. This type of blade has evenly spaced teeth with a standard tooth pitch,. With craftsman 12 inch band saw blades, there are three main types to. What Size Blade Does A Craftsman 12 Band Saw Use.
From www.bigiron.com
Craftsman 12" Band Saw BigIron Auctions What Size Blade Does A Craftsman 12 Band Saw Use Band saw blade length reference page. This type of blade has evenly spaced teeth with a standard tooth pitch,. Below is a reference chart only. Timber wolf band saw blades are available in any length. The two most common measurements for band saw blades are width (in inches) and teeth per inch (tpi). I tested the craftsman 12 inch band. What Size Blade Does A Craftsman 12 Band Saw Use.
From www.bigiron.com
Craftsman 12" Band Saw BigIron Auctions What Size Blade Does A Craftsman 12 Band Saw Use Timber wolf band saw blades are available in any length. Below is a reference chart only. The two most common measurements for band saw blades are width (in inches) and teeth per inch (tpi). Band saw blade length reference page. I tested the craftsman 12 inch band saw and found its blade size to be perfect for precision cuts. This. What Size Blade Does A Craftsman 12 Band Saw Use.
From craftsmanprotools.com
Band Saw Blades Selection Guide Craftsman Pro Tools What Size Blade Does A Craftsman 12 Band Saw Use The narrower the blade the better it is for tight radius cuts, the wider the blade, the better it is for resawing. I tested the craftsman 12 inch band saw and found its blade size to be perfect for precision cuts. Timber wolf band saw blades are available in any length. With craftsman 12 inch band saw blades, there are. What Size Blade Does A Craftsman 12 Band Saw Use.
From www.12inch.org
Craftsman 12 Inch Band Saw Blades Craftsman 12 Inch Band Saw Blade Size What Size Blade Does A Craftsman 12 Band Saw Use Below is a reference chart only. Timber wolf band saw blades are available in any length. The narrower the blade the better it is for tight radius cuts, the wider the blade, the better it is for resawing. With craftsman 12 inch band saw blades, there are three main types to choose from: I tested the craftsman 12 inch band. What Size Blade Does A Craftsman 12 Band Saw Use.
From thehabitofwoodworking.com
How Long Is A 12 Bandsaw Blade? The Habit of Woodworking What Size Blade Does A Craftsman 12 Band Saw Use Timber wolf band saw blades are available in any length. This type of blade has evenly spaced teeth with a standard tooth pitch,. Band saw blade length reference page. The narrower the blade the better it is for tight radius cuts, the wider the blade, the better it is for resawing. Below is a reference chart only. Thicker woods cut. What Size Blade Does A Craftsman 12 Band Saw Use.
From www.shopyourway.com
Craftsman 3/4 hp 12" Band Saw (22400) Shop Your Way Online Shopping & Earn Points on Tools What Size Blade Does A Craftsman 12 Band Saw Use Band saw blade length reference page. Timber wolf band saw blades are available in any length. The two most common measurements for band saw blades are width (in inches) and teeth per inch (tpi). With craftsman 12 inch band saw blades, there are three main types to choose from: This type of blade has evenly spaced teeth with a standard. What Size Blade Does A Craftsman 12 Band Saw Use.
From www.invaluable.com
Sears Craftsman 12" Two Speed Band Saw What Size Blade Does A Craftsman 12 Band Saw Use Thicker woods cut better with. This type of blade has evenly spaced teeth with a standard tooth pitch,. The narrower the blade the better it is for tight radius cuts, the wider the blade, the better it is for resawing. Below is a reference chart only. Timber wolf band saw blades are available in any length. The two most common. What Size Blade Does A Craftsman 12 Band Saw Use.
From www.animalia-life.club
Craftsman 12 What Size Blade Does A Craftsman 12 Band Saw Use With craftsman 12 inch band saw blades, there are three main types to choose from: Band saw blade length reference page. This type of blade has evenly spaced teeth with a standard tooth pitch,. Timber wolf band saw blades are available in any length. The two most common measurements for band saw blades are width (in inches) and teeth per. What Size Blade Does A Craftsman 12 Band Saw Use.
From cellcare1.com
12 Craftsman Band Saw What Size Blade Does A Craftsman 12 Band Saw Use The narrower the blade the better it is for tight radius cuts, the wider the blade, the better it is for resawing. The two most common measurements for band saw blades are width (in inches) and teeth per inch (tpi). With craftsman 12 inch band saw blades, there are three main types to choose from: Below is a reference chart. What Size Blade Does A Craftsman 12 Band Saw Use.
From www.bigiron.com
Craftsman 12" Band Saw BigIron Auctions What Size Blade Does A Craftsman 12 Band Saw Use Below is a reference chart only. Thicker woods cut better with. Band saw blade length reference page. Timber wolf band saw blades are available in any length. I tested the craftsman 12 inch band saw and found its blade size to be perfect for precision cuts. The narrower the blade the better it is for tight radius cuts, the wider. What Size Blade Does A Craftsman 12 Band Saw Use.
From handtoolessentials.com
Saw Blade Size Chart Different Wood Heights Guide Hand Tool Essentials What Size Blade Does A Craftsman 12 Band Saw Use With craftsman 12 inch band saw blades, there are three main types to choose from: Band saw blade length reference page. Timber wolf band saw blades are available in any length. The two most common measurements for band saw blades are width (in inches) and teeth per inch (tpi). I tested the craftsman 12 inch band saw and found its. What Size Blade Does A Craftsman 12 Band Saw Use.
From thehabitofwoodworking.com
What Size Blade Does A Craftsman Bandsaw Take? The Habit of Woodworking What Size Blade Does A Craftsman 12 Band Saw Use I tested the craftsman 12 inch band saw and found its blade size to be perfect for precision cuts. Band saw blade length reference page. The narrower the blade the better it is for tight radius cuts, the wider the blade, the better it is for resawing. Thicker woods cut better with. With craftsman 12 inch band saw blades, there. What Size Blade Does A Craftsman 12 Band Saw Use.
From www.etsy.com
Sears Craftsman 12 Band Saw Blade Thrust Bearings 113.243xxx Series Set of 2 Etsy What Size Blade Does A Craftsman 12 Band Saw Use Thicker woods cut better with. Timber wolf band saw blades are available in any length. With craftsman 12 inch band saw blades, there are three main types to choose from: The two most common measurements for band saw blades are width (in inches) and teeth per inch (tpi). I tested the craftsman 12 inch band saw and found its blade. What Size Blade Does A Craftsman 12 Band Saw Use.
From usermanual.wiki
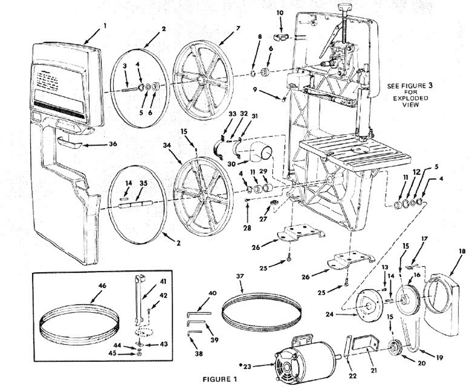
Craftsman 11324201 User Manual 12 INCH BAND SAW Manuals And Guides L0801110 What Size Blade Does A Craftsman 12 Band Saw Use This type of blade has evenly spaced teeth with a standard tooth pitch,. Band saw blade length reference page. I tested the craftsman 12 inch band saw and found its blade size to be perfect for precision cuts. With craftsman 12 inch band saw blades, there are three main types to choose from: The two most common measurements for band. What Size Blade Does A Craftsman 12 Band Saw Use.
From www.icollector.com
Sears craftsman 12 inch band saw. What Size Blade Does A Craftsman 12 Band Saw Use Band saw blade length reference page. Below is a reference chart only. I tested the craftsman 12 inch band saw and found its blade size to be perfect for precision cuts. Timber wolf band saw blades are available in any length. The narrower the blade the better it is for tight radius cuts, the wider the blade, the better it. What Size Blade Does A Craftsman 12 Band Saw Use.
From www.ebth.com
Craftsman 12Inch Band Saw EBTH What Size Blade Does A Craftsman 12 Band Saw Use Band saw blade length reference page. I tested the craftsman 12 inch band saw and found its blade size to be perfect for precision cuts. Below is a reference chart only. The narrower the blade the better it is for tight radius cuts, the wider the blade, the better it is for resawing. Timber wolf band saw blades are available. What Size Blade Does A Craftsman 12 Band Saw Use.
From lumberjocks.com
Review Craftsman 12'' bandsaw by WoodworkingGeek woodworking community What Size Blade Does A Craftsman 12 Band Saw Use Band saw blade length reference page. Timber wolf band saw blades are available in any length. This type of blade has evenly spaced teeth with a standard tooth pitch,. Below is a reference chart only. The two most common measurements for band saw blades are width (in inches) and teeth per inch (tpi). Thicker woods cut better with. With craftsman. What Size Blade Does A Craftsman 12 Band Saw Use.
From www.foxbc.com
80 Inch Bandsaw Blades for Sears Craftsman 12" Band Saw for Cutting Wood, Aluminum, Plastic What Size Blade Does A Craftsman 12 Band Saw Use I tested the craftsman 12 inch band saw and found its blade size to be perfect for precision cuts. Below is a reference chart only. The two most common measurements for band saw blades are width (in inches) and teeth per inch (tpi). The narrower the blade the better it is for tight radius cuts, the wider the blade, the. What Size Blade Does A Craftsman 12 Band Saw Use.
From craftsman.bandsaw.biz
Craftsman 12" Band Saw 103.24260 Plus More What Size Blade Does A Craftsman 12 Band Saw Use The narrower the blade the better it is for tight radius cuts, the wider the blade, the better it is for resawing. This type of blade has evenly spaced teeth with a standard tooth pitch,. I tested the craftsman 12 inch band saw and found its blade size to be perfect for precision cuts. Thicker woods cut better with. Timber. What Size Blade Does A Craftsman 12 Band Saw Use.
From as1.bidnow.us
Albrecht Auctions Craftsman 12" Band Saw What Size Blade Does A Craftsman 12 Band Saw Use The two most common measurements for band saw blades are width (in inches) and teeth per inch (tpi). I tested the craftsman 12 inch band saw and found its blade size to be perfect for precision cuts. This type of blade has evenly spaced teeth with a standard tooth pitch,. Timber wolf band saw blades are available in any length.. What Size Blade Does A Craftsman 12 Band Saw Use.
From shuntool.com
The Appropriate Blade Size For The Craftsman 12 Band Saw ShunTool What Size Blade Does A Craftsman 12 Band Saw Use Thicker woods cut better with. I tested the craftsman 12 inch band saw and found its blade size to be perfect for precision cuts. Below is a reference chart only. The two most common measurements for band saw blades are width (in inches) and teeth per inch (tpi). This type of blade has evenly spaced teeth with a standard tooth. What Size Blade Does A Craftsman 12 Band Saw Use.
From thehabitofwoodworking.com
What Size Blade Does A Shopsmith Bandsaw Use? The Habit of Woodworking What Size Blade Does A Craftsman 12 Band Saw Use I tested the craftsman 12 inch band saw and found its blade size to be perfect for precision cuts. With craftsman 12 inch band saw blades, there are three main types to choose from: Band saw blade length reference page. The narrower the blade the better it is for tight radius cuts, the wider the blade, the better it is. What Size Blade Does A Craftsman 12 Band Saw Use.
From fixmanualarthur.z19.web.core.windows.net
Craftsman 12 Inch Bandsaw Manual What Size Blade Does A Craftsman 12 Band Saw Use Band saw blade length reference page. Thicker woods cut better with. The narrower the blade the better it is for tight radius cuts, the wider the blade, the better it is for resawing. With craftsman 12 inch band saw blades, there are three main types to choose from: Timber wolf band saw blades are available in any length. This type. What Size Blade Does A Craftsman 12 Band Saw Use.
From www.bigiron.com
Craftsman 12" Band Saw BigIron Auctions What Size Blade Does A Craftsman 12 Band Saw Use The two most common measurements for band saw blades are width (in inches) and teeth per inch (tpi). Thicker woods cut better with. I tested the craftsman 12 inch band saw and found its blade size to be perfect for precision cuts. Below is a reference chart only. Timber wolf band saw blades are available in any length. The narrower. What Size Blade Does A Craftsman 12 Band Saw Use.
From hxevofmom.blob.core.windows.net
Craftsman 12 Inch Band Saw Blade Replacement at Joyce Deleon blog What Size Blade Does A Craftsman 12 Band Saw Use The narrower the blade the better it is for tight radius cuts, the wider the blade, the better it is for resawing. I tested the craftsman 12 inch band saw and found its blade size to be perfect for precision cuts. This type of blade has evenly spaced teeth with a standard tooth pitch,. Below is a reference chart only.. What Size Blade Does A Craftsman 12 Band Saw Use.
From www.auctionzip.com
Lot Craftsman 12 inch Bandsaw, Model 119.224000 What Size Blade Does A Craftsman 12 Band Saw Use With craftsman 12 inch band saw blades, there are three main types to choose from: Band saw blade length reference page. Thicker woods cut better with. The narrower the blade the better it is for tight radius cuts, the wider the blade, the better it is for resawing. Below is a reference chart only. The two most common measurements for. What Size Blade Does A Craftsman 12 Band Saw Use.
From www.youtube.com
Sears Craftsman 12" Band Saw / Sander with Stand Extra Saw Blade Bands Included YouTube What Size Blade Does A Craftsman 12 Band Saw Use Band saw blade length reference page. With craftsman 12 inch band saw blades, there are three main types to choose from: Thicker woods cut better with. This type of blade has evenly spaced teeth with a standard tooth pitch,. The two most common measurements for band saw blades are width (in inches) and teeth per inch (tpi). The narrower the. What Size Blade Does A Craftsman 12 Band Saw Use.
From www.bigiron.com
Craftsman 12" Band Saw BigIron Auctions What Size Blade Does A Craftsman 12 Band Saw Use Timber wolf band saw blades are available in any length. The two most common measurements for band saw blades are width (in inches) and teeth per inch (tpi). Thicker woods cut better with. Band saw blade length reference page. The narrower the blade the better it is for tight radius cuts, the wider the blade, the better it is for. What Size Blade Does A Craftsman 12 Band Saw Use.
From ar.inspiredpencil.com
12 Inch Craftsman Band Saw What Size Blade Does A Craftsman 12 Band Saw Use The narrower the blade the better it is for tight radius cuts, the wider the blade, the better it is for resawing. With craftsman 12 inch band saw blades, there are three main types to choose from: I tested the craftsman 12 inch band saw and found its blade size to be perfect for precision cuts. Timber wolf band saw. What Size Blade Does A Craftsman 12 Band Saw Use.
From fixlistdexter.z13.web.core.windows.net
Craftsman Bandsaw Guide What Size Blade Does A Craftsman 12 Band Saw Use Thicker woods cut better with. The narrower the blade the better it is for tight radius cuts, the wider the blade, the better it is for resawing. The two most common measurements for band saw blades are width (in inches) and teeth per inch (tpi). I tested the craftsman 12 inch band saw and found its blade size to be. What Size Blade Does A Craftsman 12 Band Saw Use.
From shuntool.com
Choosing The Right Blade Exploring The Ideal Size For A Craftsman Scroll Saw ShunTool What Size Blade Does A Craftsman 12 Band Saw Use Band saw blade length reference page. Thicker woods cut better with. Below is a reference chart only. This type of blade has evenly spaced teeth with a standard tooth pitch,. Timber wolf band saw blades are available in any length. The narrower the blade the better it is for tight radius cuts, the wider the blade, the better it is. What Size Blade Does A Craftsman 12 Band Saw Use.
From www.purplewave.com
Craftsman 12" bandsaw/sander in Manhattan, KS Item BC9892 sold Purple Wave What Size Blade Does A Craftsman 12 Band Saw Use Band saw blade length reference page. The narrower the blade the better it is for tight radius cuts, the wider the blade, the better it is for resawing. Timber wolf band saw blades are available in any length. With craftsman 12 inch band saw blades, there are three main types to choose from: I tested the craftsman 12 inch band. What Size Blade Does A Craftsman 12 Band Saw Use.
From www.icollector.com
Craftsman 12" Electronic Band Saw w Guide & Extra Blades What Size Blade Does A Craftsman 12 Band Saw Use The narrower the blade the better it is for tight radius cuts, the wider the blade, the better it is for resawing. The two most common measurements for band saw blades are width (in inches) and teeth per inch (tpi). Band saw blade length reference page. Thicker woods cut better with. Timber wolf band saw blades are available in any. What Size Blade Does A Craftsman 12 Band Saw Use.