Jounce Bushing Location . The jounce bushing is located at the top front strut. The location indicates that the bushing usually. The jounce bushing is located at the top of the front strut. There will be creaking or groaning sounds during steering wheel turning if the bushing becomes dry. Fixing dry jounce bushings involves replacing them with new ones. Since these aid your wheel movement, they need regular lubrication to work. If you notice a loose or wobbly feeling in the suspension, particularly when cornering, it could be a sign of. A lack of this will result in wear. Your steering wheel will likely squeak when you turn due to worn bushings. If it’s dry, it can cause a groaning/creaking sound during. The location of the jounce bushing is at the top of the front strut. The part is on top of the struts in the front of your vehicle. The jounce bushing is located at the top of the front strut. All front struts have a jounce bushing, which cushions against vibrations and bumps. How to fix dry jounce bushings.
from siberianbushing.ca
All front struts have a jounce bushing, which cushions against vibrations and bumps. Fixing dry jounce bushings involves replacing them with new ones. A lack of this will result in wear. The location indicates that the bushing usually. Since these aid your wheel movement, they need regular lubrication to work. The part is on top of the struts in the front of your vehicle. If it’s dry, it can cause a groaning/creaking sound during. The jounce bushing is located at the top of the front strut. If you notice a loose or wobbly feeling in the suspension, particularly when cornering, it could be a sign of. There will be creaking or groaning sounds during steering wheel turning if the bushing becomes dry.
Removal and Installation guide of the Stabilizer Bar and Bushings
Jounce Bushing Location Your steering wheel will likely squeak when you turn due to worn bushings. Since these aid your wheel movement, they need regular lubrication to work. If you notice a loose or wobbly feeling in the suspension, particularly when cornering, it could be a sign of. The jounce bushing is located at the top of the front strut. If it’s dry, it can cause a groaning/creaking sound. How to fix dry jounce bushings. There will be creaking or groaning sounds during steering wheel turning if the bushing becomes dry. The location of the jounce bushing is at the top of the front strut. Fixing dry jounce bushings involves replacing them with new ones. The jounce bushing is located at the top of the front strut. A lack of this will result in wear. All front struts have a jounce bushing, which cushions against vibrations and bumps. If it’s dry, it can cause a groaning/creaking sound during. The location indicates that the bushing usually. Your steering wheel will likely squeak when you turn due to worn bushings. The jounce bushing is located at the top front strut.
From www.youtube.com
How to Replace Front Sway Bar Bushing 20072013 Acura MDX YouTube Jounce Bushing Location Since these aid your wheel movement, they need regular lubrication to work. The jounce bushing is located at the top front strut. If it’s dry, it can cause a groaning/creaking sound. Fixing dry jounce bushings involves replacing them with new ones. A lack of this will result in wear. The location of the jounce bushing is at the top of. Jounce Bushing Location.
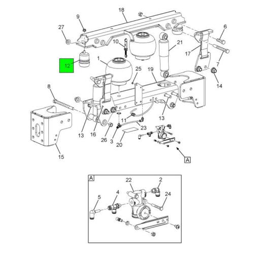
From s1partscenter.com
2598761C1 Navistar International® BUSHING JOUNCE BUMPER CAB Y Jounce Bushing Location The jounce bushing is located at the top of the front strut. A lack of this will result in wear. The jounce bushing is located at the top of the front strut. If you notice a loose or wobbly feeling in the suspension, particularly when cornering, it could be a sign of. Your steering wheel will likely squeak when you. Jounce Bushing Location.
From www.weekly-ads-online.com
Autoacc Front Bump Stops, Lower Control Arm Jounce Bumper Compatible Jounce Bushing Location How to fix dry jounce bushings. If it’s dry, it can cause a groaning/creaking sound during. Since these aid your wheel movement, they need regular lubrication to work. Fixing dry jounce bushings involves replacing them with new ones. The location of the jounce bushing is at the top of the front strut. The part is on top of the struts. Jounce Bushing Location.
From www.autozone.com
Repair Guides Component Locations Component Locations Jounce Bushing Location If it’s dry, it can cause a groaning/creaking sound. All front struts have a jounce bushing, which cushions against vibrations and bumps. If it’s dry, it can cause a groaning/creaking sound during. The jounce bushing is located at the top front strut. A lack of this will result in wear. The jounce bushing is located at the top of the. Jounce Bushing Location.
From www.youtube.com
How to Replace Steering Rack Bushings 20002006 Toyota Tundra YouTube Jounce Bushing Location The part is on top of the struts in the front of your vehicle. The jounce bushing is located at the top front strut. A lack of this will result in wear. The jounce bushing is located at the top of the front strut. Fixing dry jounce bushings involves replacing them with new ones. If it’s dry, it can cause. Jounce Bushing Location.
From dodgeforum.com
Jounce bumper fell off; shock bushing destroyed Jounce Bushing Location If you notice a loose or wobbly feeling in the suspension, particularly when cornering, it could be a sign of. There will be creaking or groaning sounds during steering wheel turning if the bushing becomes dry. How to fix dry jounce bushings. If it’s dry, it can cause a groaning/creaking sound during. The location of the jounce bushing is at. Jounce Bushing Location.
From www.racingjunk.com
How to Diagnose and Repair Rack and Pinion Bushings RacingJunk News Jounce Bushing Location The jounce bushing is located at the top front strut. The part is on top of the struts in the front of your vehicle. Your steering wheel will likely squeak when you turn due to worn bushings. If it’s dry, it can cause a groaning/creaking sound during. If it’s dry, it can cause a groaning/creaking sound. There will be creaking. Jounce Bushing Location.
From www.wikihow.com
How to Replace Bushings (with Pictures) wikiHow Jounce Bushing Location If it’s dry, it can cause a groaning/creaking sound during. All front struts have a jounce bushing, which cushions against vibrations and bumps. If you notice a loose or wobbly feeling in the suspension, particularly when cornering, it could be a sign of. How to fix dry jounce bushings. The location of the jounce bushing is at the top of. Jounce Bushing Location.
From circuitduhtaunda7e.z21.web.core.windows.net
Car Bushings Diagram Jounce Bushing Location The jounce bushing is located at the top of the front strut. Fixing dry jounce bushings involves replacing them with new ones. The part is on top of the struts in the front of your vehicle. All front struts have a jounce bushing, which cushions against vibrations and bumps. A lack of this will result in wear. Your steering wheel. Jounce Bushing Location.
From www.youtube.com
2004 Honda Pilot Front Control Arm Compliance/Rearward Bushings Jounce Bushing Location The jounce bushing is located at the top front strut. If it’s dry, it can cause a groaning/creaking sound during. If it’s dry, it can cause a groaning/creaking sound. Fixing dry jounce bushings involves replacing them with new ones. How to fix dry jounce bushings. A lack of this will result in wear. The location indicates that the bushing usually.. Jounce Bushing Location.
From dodgeforum.com
Jounce bumper fell off; shock bushing destroyed Jounce Bushing Location If it’s dry, it can cause a groaning/creaking sound during. How to fix dry jounce bushings. Your steering wheel will likely squeak when you turn due to worn bushings. The location indicates that the bushing usually. The jounce bushing is located at the top front strut. The part is on top of the struts in the front of your vehicle.. Jounce Bushing Location.
From www.tirebusiness.com
LubricatingstrutscouldeliminatefrontsuspensionnoisesonFord Jounce Bushing Location If you notice a loose or wobbly feeling in the suspension, particularly when cornering, it could be a sign of. All front struts have a jounce bushing, which cushions against vibrations and bumps. The jounce bushing is located at the top of the front strut. The jounce bushing is located at the top of the front strut. If it’s dry,. Jounce Bushing Location.
From s1partscenter.com
2598761C1 Navistar International® BUSHING JOUNCE BUMPER CAB Y Jounce Bushing Location All front struts have a jounce bushing, which cushions against vibrations and bumps. The part is on top of the struts in the front of your vehicle. Since these aid your wheel movement, they need regular lubrication to work. The jounce bushing is located at the top of the front strut. Fixing dry jounce bushings involves replacing them with new. Jounce Bushing Location.
From www.carid.com
When Is It Time To Replace My Suspension Bushings? Jounce Bushing Location There will be creaking or groaning sounds during steering wheel turning if the bushing becomes dry. The part is on top of the struts in the front of your vehicle. Fixing dry jounce bushings involves replacing them with new ones. The jounce bushing is located at the top front strut. The location of the jounce bushing is at the top. Jounce Bushing Location.
From www.qimingcasting.com
Lower head bushing Wear Parts For Industry Qiming Casting Jounce Bushing Location How to fix dry jounce bushings. There will be creaking or groaning sounds during steering wheel turning if the bushing becomes dry. Your steering wheel will likely squeak when you turn due to worn bushings. If it’s dry, it can cause a groaning/creaking sound. The part is on top of the struts in the front of your vehicle. The jounce. Jounce Bushing Location.
From www.ranger5g.com
Control arm bushings missing chunks 2019+ Ford Ranger and Raptor Jounce Bushing Location The jounce bushing is located at the top of the front strut. Fixing dry jounce bushings involves replacing them with new ones. How to fix dry jounce bushings. All front struts have a jounce bushing, which cushions against vibrations and bumps. The jounce bushing is located at the top of the front strut. Since these aid your wheel movement, they. Jounce Bushing Location.
From www.factorychryslerparts.com
Jeep Liberty Bumper. Jounce. Right or left 52088684AC Factory Jounce Bushing Location The part is on top of the struts in the front of your vehicle. Fixing dry jounce bushings involves replacing them with new ones. Your steering wheel will likely squeak when you turn due to worn bushings. A lack of this will result in wear. If it’s dry, it can cause a groaning/creaking sound. The location of the jounce bushing. Jounce Bushing Location.
From www.researchgate.net
Jounce bumper deformations obtained from the tests and FEA Jounce Bushing Location The location of the jounce bushing is at the top of the front strut. How to fix dry jounce bushings. If you notice a loose or wobbly feeling in the suspension, particularly when cornering, it could be a sign of. If it’s dry, it can cause a groaning/creaking sound during. Since these aid your wheel movement, they need regular lubrication. Jounce Bushing Location.
From s1partscenter.com
2598761C1 Navistar International® BUSHING JOUNCE BUMPER CAB Y Jounce Bushing Location If it’s dry, it can cause a groaning/creaking sound. The location indicates that the bushing usually. Your steering wheel will likely squeak when you turn due to worn bushings. All front struts have a jounce bushing, which cushions against vibrations and bumps. The part is on top of the struts in the front of your vehicle. Since these aid your. Jounce Bushing Location.
From classicautoadvisors.com
Suspension Bushings Understanding Classic Auto Advisors Jounce Bushing Location The part is on top of the struts in the front of your vehicle. The location indicates that the bushing usually. If it’s dry, it can cause a groaning/creaking sound during. The jounce bushing is located at the top of the front strut. There will be creaking or groaning sounds during steering wheel turning if the bushing becomes dry. A. Jounce Bushing Location.
From knowhow.napaonline.com
What Are Bushings on a Car? Jounce Bushing Location The location indicates that the bushing usually. If it’s dry, it can cause a groaning/creaking sound during. If you notice a loose or wobbly feeling in the suspension, particularly when cornering, it could be a sign of. Since these aid your wheel movement, they need regular lubrication to work. How to fix dry jounce bushings. There will be creaking or. Jounce Bushing Location.
From www.explorerforum.com
How to Replace your sway bar / stabilizer bar bushings and end links Jounce Bushing Location If it’s dry, it can cause a groaning/creaking sound during. The location of the jounce bushing is at the top of the front strut. The jounce bushing is located at the top of the front strut. The part is on top of the struts in the front of your vehicle. The jounce bushing is located at the top of the. Jounce Bushing Location.
From www.youtube.com
How to Instal Evo Front Control Arms Bushing Pt. 2 YouTube Jounce Bushing Location There will be creaking or groaning sounds during steering wheel turning if the bushing becomes dry. If you notice a loose or wobbly feeling in the suspension, particularly when cornering, it could be a sign of. The location indicates that the bushing usually. If it’s dry, it can cause a groaning/creaking sound. Your steering wheel will likely squeak when you. Jounce Bushing Location.
From siberianbushing.ca
Removal and Installation guide of the Stabilizer Bar and Bushings Jounce Bushing Location If it’s dry, it can cause a groaning/creaking sound during. The part is on top of the struts in the front of your vehicle. If it’s dry, it can cause a groaning/creaking sound. The location of the jounce bushing is at the top of the front strut. The location indicates that the bushing usually. The jounce bushing is located at. Jounce Bushing Location.
From fixmachinevicarial99.z22.web.core.windows.net
How To Replace Front Sway Bar Bushings Jounce Bushing Location The location indicates that the bushing usually. If you notice a loose or wobbly feeling in the suspension, particularly when cornering, it could be a sign of. The jounce bushing is located at the top of the front strut. The jounce bushing is located at the top of the front strut. Your steering wheel will likely squeak when you turn. Jounce Bushing Location.
From shop.advanceautoparts.com
How to Replace Front Sway Bar Bushings and Links Jounce Bushing Location All front struts have a jounce bushing, which cushions against vibrations and bumps. How to fix dry jounce bushings. The part is on top of the struts in the front of your vehicle. Since these aid your wheel movement, they need regular lubrication to work. The jounce bushing is located at the top of the front strut. Your steering wheel. Jounce Bushing Location.
From classicoldsmobile.com
What is the name of these bushing locations? Jounce Bushing Location The part is on top of the struts in the front of your vehicle. How to fix dry jounce bushings. The location indicates that the bushing usually. The jounce bushing is located at the top of the front strut. If it’s dry, it can cause a groaning/creaking sound during. The jounce bushing is located at the top of the front. Jounce Bushing Location.
From www.carid.com
Mopar® 52013486AA Front Bumper Jounce Shock Absorber Bushing Jounce Bushing Location If you notice a loose or wobbly feeling in the suspension, particularly when cornering, it could be a sign of. There will be creaking or groaning sounds during steering wheel turning if the bushing becomes dry. The jounce bushing is located at the top front strut. If it’s dry, it can cause a groaning/creaking sound during. Fixing dry jounce bushings. Jounce Bushing Location.
From www.amazon.com
Replacement Jounce Bumper Mechanics Choice for Porsche/Rear Jounce Bushing Location The part is on top of the struts in the front of your vehicle. The jounce bushing is located at the top of the front strut. The location indicates that the bushing usually. There will be creaking or groaning sounds during steering wheel turning if the bushing becomes dry. All front struts have a jounce bushing, which cushions against vibrations. Jounce Bushing Location.
From www.pdhre.org
10 Best Hummer H3 Jounce Bushings Review And PDHRE Jounce Bushing Location Since these aid your wheel movement, they need regular lubrication to work. The location of the jounce bushing is at the top of the front strut. The part is on top of the struts in the front of your vehicle. Your steering wheel will likely squeak when you turn due to worn bushings. A lack of this will result in. Jounce Bushing Location.
From www.maddoxtransformer.com
Guide to Substation Bushings Jounce Bushing Location The jounce bushing is located at the top of the front strut. If it’s dry, it can cause a groaning/creaking sound during. All front struts have a jounce bushing, which cushions against vibrations and bumps. If you notice a loose or wobbly feeling in the suspension, particularly when cornering, it could be a sign of. How to fix dry jounce. Jounce Bushing Location.
From www.carid.com
When Is It Time To Replace My Suspension Bushings? Jounce Bushing Location The jounce bushing is located at the top of the front strut. A lack of this will result in wear. There will be creaking or groaning sounds during steering wheel turning if the bushing becomes dry. Since these aid your wheel movement, they need regular lubrication to work. The location of the jounce bushing is at the top of the. Jounce Bushing Location.
From repairforwarning.z21.web.core.windows.net
Bump Stop Chevy Silverado Jounce Bushing Location Since these aid your wheel movement, they need regular lubrication to work. If you notice a loose or wobbly feeling in the suspension, particularly when cornering, it could be a sign of. Fixing dry jounce bushings involves replacing them with new ones. The part is on top of the struts in the front of your vehicle. How to fix dry. Jounce Bushing Location.
From www.piloteers.org
compliance bushing leaking? Honda Pilot Honda Pilot Forums Jounce Bushing Location The location indicates that the bushing usually. The location of the jounce bushing is at the top of the front strut. Your steering wheel will likely squeak when you turn due to worn bushings. If it’s dry, it can cause a groaning/creaking sound. All front struts have a jounce bushing, which cushions against vibrations and bumps. There will be creaking. Jounce Bushing Location.
From parts.chryslerjeepdodgecityofmckinney.com
Dodge Dakota Bumper. Jounce 52038682 Chrysler Jeep Dodge City Jounce Bushing Location If it’s dry, it can cause a groaning/creaking sound. Since these aid your wheel movement, they need regular lubrication to work. The jounce bushing is located at the top front strut. The jounce bushing is located at the top of the front strut. The location of the jounce bushing is at the top of the front strut. There will be. Jounce Bushing Location.