S10 Headlight Ground Relay . A headlight relay will typically fail in the open position, preventing voltage from reaching the headlights. If the low beam relay fails, the low beams won’t work. Try swapping the headlamp ground relay (marked something like hdlp gnd in the ubec panel) with some other relay that works. Neither one have headlight relays. If you don't have drl's, then you won't have any relays in the headlight circuit. The most common sign of a bad headlight relay is headlights that don’t work. How do i get access to the connectors to repair/bypass this wire and/or headlight ground relay? Fuse box diagram (fuse layout), location and assignment of fuses and relays: Likewise, if the high beam relay fails, the high beams won’t work, and if the daytime running light. Check the resistance of the wire. If the resistance has some continuity (high resistance), check for corrosion or loose connections. There is only one relay in the body relay block that has anything to do with the headlights and that is the headlight grounding.
        
        from 2020cadillac.com 
     
        
        Neither one have headlight relays. Fuse box diagram (fuse layout), location and assignment of fuses and relays: Likewise, if the high beam relay fails, the high beams won’t work, and if the daytime running light. Check the resistance of the wire. If you don't have drl's, then you won't have any relays in the headlight circuit. There is only one relay in the body relay block that has anything to do with the headlights and that is the headlight grounding. Try swapping the headlamp ground relay (marked something like hdlp gnd in the ubec panel) with some other relay that works. If the resistance has some continuity (high resistance), check for corrosion or loose connections. How do i get access to the connectors to repair/bypass this wire and/or headlight ground relay? A headlight relay will typically fail in the open position, preventing voltage from reaching the headlights.
    
    	
            
	
		 
         
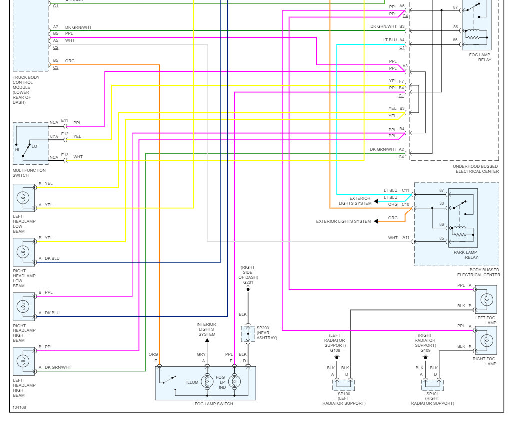
    2002 Chevy S10 Headlight Wiring Wiring Diagram Chevrolet S10 Wiring 
    S10 Headlight Ground Relay  If you don't have drl's, then you won't have any relays in the headlight circuit. There is only one relay in the body relay block that has anything to do with the headlights and that is the headlight grounding. How do i get access to the connectors to repair/bypass this wire and/or headlight ground relay? Try swapping the headlamp ground relay (marked something like hdlp gnd in the ubec panel) with some other relay that works. Fuse box diagram (fuse layout), location and assignment of fuses and relays: A headlight relay will typically fail in the open position, preventing voltage from reaching the headlights. Neither one have headlight relays. If you don't have drl's, then you won't have any relays in the headlight circuit. Likewise, if the high beam relay fails, the high beams won’t work, and if the daytime running light. Check the resistance of the wire. If the low beam relay fails, the low beams won’t work. The most common sign of a bad headlight relay is headlights that don’t work. If the resistance has some continuity (high resistance), check for corrosion or loose connections.
            
	
		 
         
 
    
        From schematicdbherz.z19.web.core.windows.net 
                    S10 Headlight Wiring Diagram S10 Headlight Ground Relay  A headlight relay will typically fail in the open position, preventing voltage from reaching the headlights. How do i get access to the connectors to repair/bypass this wire and/or headlight ground relay? Check the resistance of the wire. Neither one have headlight relays. Try swapping the headlamp ground relay (marked something like hdlp gnd in the ubec panel) with some. S10 Headlight Ground Relay.
     
    
        From www.justanswer.com 
                    2002 Chevy S10 healights wont comoe on. Running lights work, turn S10 Headlight Ground Relay  If the low beam relay fails, the low beams won’t work. The most common sign of a bad headlight relay is headlights that don’t work. There is only one relay in the body relay block that has anything to do with the headlights and that is the headlight grounding. Check the resistance of the wire. Likewise, if the high beam. S10 Headlight Ground Relay.
     
    
        From www.justanswer.com 
                    Q&A 1998 Chevy S10 Headlights Relay Location, Problems & Solutions S10 Headlight Ground Relay  If the low beam relay fails, the low beams won’t work. Likewise, if the high beam relay fails, the high beams won’t work, and if the daytime running light. Fuse box diagram (fuse layout), location and assignment of fuses and relays: There is only one relay in the body relay block that has anything to do with the headlights and. S10 Headlight Ground Relay.
     
    
        From www.partsgeek.com 
                    19941997 Chevrolet S10 Headlight Connector Standard Motor Products S S10 Headlight Ground Relay  There is only one relay in the body relay block that has anything to do with the headlights and that is the headlight grounding. How do i get access to the connectors to repair/bypass this wire and/or headlight ground relay? If the resistance has some continuity (high resistance), check for corrosion or loose connections. Try swapping the headlamp ground relay. S10 Headlight Ground Relay.
     
    
        From loomium.blogspot.com 
                    2001 S10 Headlight Wiring Diagram Loomium S10 Headlight Ground Relay  There is only one relay in the body relay block that has anything to do with the headlights and that is the headlight grounding. Fuse box diagram (fuse layout), location and assignment of fuses and relays: If the low beam relay fails, the low beams won’t work. Try swapping the headlamp ground relay (marked something like hdlp gnd in the. S10 Headlight Ground Relay.
     
    
        From www.s10life.org 
                    1987 Chevrolet S10 WIRING DIAGRAMS — S10LIFE S10 Headlight Ground Relay  If the low beam relay fails, the low beams won’t work. Fuse box diagram (fuse layout), location and assignment of fuses and relays: If you don't have drl's, then you won't have any relays in the headlight circuit. A headlight relay will typically fail in the open position, preventing voltage from reaching the headlights. Try swapping the headlamp ground relay. S10 Headlight Ground Relay.
     
    
        From guidemanualunter.z21.web.core.windows.net 
                    Headlamps Wiring Diagram 1996 S10 S10 Headlight Ground Relay  How do i get access to the connectors to repair/bypass this wire and/or headlight ground relay? Neither one have headlight relays. Check the resistance of the wire. If the low beam relay fails, the low beams won’t work. Try swapping the headlamp ground relay (marked something like hdlp gnd in the ubec panel) with some other relay that works. Fuse. S10 Headlight Ground Relay.
     
    
        From www.justanswer.com 
                    Q&A S10 Headlight Relay Location & Wiring Diagram 1995 Chevy S10 S10 Headlight Ground Relay  A headlight relay will typically fail in the open position, preventing voltage from reaching the headlights. If you don't have drl's, then you won't have any relays in the headlight circuit. There is only one relay in the body relay block that has anything to do with the headlights and that is the headlight grounding. Check the resistance of the. S10 Headlight Ground Relay.
     
    
        From www.schemadigital.com 
                    2000 s10 headlight wiring diagram Schema Digital S10 Headlight Ground Relay  If the resistance has some continuity (high resistance), check for corrosion or loose connections. If the low beam relay fails, the low beams won’t work. There is only one relay in the body relay block that has anything to do with the headlights and that is the headlight grounding. Try swapping the headlamp ground relay (marked something like hdlp gnd. S10 Headlight Ground Relay.
     
    
        From loomium.blogspot.com 
                    2001 S10 Headlight Wiring Diagram Loomium S10 Headlight Ground Relay  Likewise, if the high beam relay fails, the high beams won’t work, and if the daytime running light. There is only one relay in the body relay block that has anything to do with the headlights and that is the headlight grounding. If you don't have drl's, then you won't have any relays in the headlight circuit. The most common. S10 Headlight Ground Relay.
     
    
        From intertherm-wiring-diagram.blogspot.com 
                    2000 S10 Headlight Wiring Diagram 97 S10 Headlight Wiring S 10 Forum S10 Headlight Ground Relay  Check the resistance of the wire. If the low beam relay fails, the low beams won’t work. Fuse box diagram (fuse layout), location and assignment of fuses and relays: If the resistance has some continuity (high resistance), check for corrosion or loose connections. How do i get access to the connectors to repair/bypass this wire and/or headlight ground relay? A. S10 Headlight Ground Relay.
     
    
        From wiringdiagram.2bitboer.com 
                    1996 Chevy S10 Headlight Wiring Diagram Wiring Diagram S10 Headlight Ground Relay  Fuse box diagram (fuse layout), location and assignment of fuses and relays: A headlight relay will typically fail in the open position, preventing voltage from reaching the headlights. If you don't have drl's, then you won't have any relays in the headlight circuit. If the resistance has some continuity (high resistance), check for corrosion or loose connections. Neither one have. S10 Headlight Ground Relay.
     
    
        From manuallibiambus.z13.web.core.windows.net 
                    Chevy S10 Turn Signal Relay Location S10 Headlight Ground Relay  If the low beam relay fails, the low beams won’t work. The most common sign of a bad headlight relay is headlights that don’t work. Try swapping the headlamp ground relay (marked something like hdlp gnd in the ubec panel) with some other relay that works. Neither one have headlight relays. There is only one relay in the body relay. S10 Headlight Ground Relay.
     
    
        From www.justanswer.com 
                    98 Chevy S10 pin out and diagram for headlight switch S10 Headlight Ground Relay  There is only one relay in the body relay block that has anything to do with the headlights and that is the headlight grounding. A headlight relay will typically fail in the open position, preventing voltage from reaching the headlights. Neither one have headlight relays. The most common sign of a bad headlight relay is headlights that don’t work. Check. S10 Headlight Ground Relay.
     
    
        From truckcustomizers.com 
                    Where Is the Headlight Relay Located? S10 Headlight Ground Relay  There is only one relay in the body relay block that has anything to do with the headlights and that is the headlight grounding. How do i get access to the connectors to repair/bypass this wire and/or headlight ground relay? Try swapping the headlamp ground relay (marked something like hdlp gnd in the ubec panel) with some other relay that. S10 Headlight Ground Relay.
     
    
        From www.walmart.com 
                    Painless Performance 30823 PAN30823 HEADLIGHT RELAY S10 99UP Walmart S10 Headlight Ground Relay  The most common sign of a bad headlight relay is headlights that don’t work. How do i get access to the connectors to repair/bypass this wire and/or headlight ground relay? There is only one relay in the body relay block that has anything to do with the headlights and that is the headlight grounding. If you don't have drl's, then. S10 Headlight Ground Relay.
     
    
        From www.wiringcore.com 
                    Chevy S10 Headlight Wiring Diagram » Wiring Core S10 Headlight Ground Relay  If you don't have drl's, then you won't have any relays in the headlight circuit. Neither one have headlight relays. The most common sign of a bad headlight relay is headlights that don’t work. Check the resistance of the wire. Try swapping the headlamp ground relay (marked something like hdlp gnd in the ubec panel) with some other relay that. S10 Headlight Ground Relay.
     
    
        From www.justanswer.com 
                    S10 Headlight Relay Location & Chevy S10 Relay Diagrams JustAnswer S10 Headlight Ground Relay  Check the resistance of the wire. The most common sign of a bad headlight relay is headlights that don’t work. Likewise, if the high beam relay fails, the high beams won’t work, and if the daytime running light. Neither one have headlight relays. If the resistance has some continuity (high resistance), check for corrosion or loose connections. Try swapping the. S10 Headlight Ground Relay.
     
    
        From www.s10forum.com 
                    Headlight Ground Relay removal S10 Forum S10 Headlight Ground Relay  There is only one relay in the body relay block that has anything to do with the headlights and that is the headlight grounding. A headlight relay will typically fail in the open position, preventing voltage from reaching the headlights. If the low beam relay fails, the low beams won’t work. Likewise, if the high beam relay fails, the high. S10 Headlight Ground Relay.
     
    
        From 2020cadillac.com 
                    2002 Chevy S10 Headlight Wiring Wiring Diagram Chevrolet S10 Wiring S10 Headlight Ground Relay  Check the resistance of the wire. Fuse box diagram (fuse layout), location and assignment of fuses and relays: Likewise, if the high beam relay fails, the high beams won’t work, and if the daytime running light. Try swapping the headlamp ground relay (marked something like hdlp gnd in the ubec panel) with some other relay that works. A headlight relay. S10 Headlight Ground Relay.
     
    
        From www.justanswer.com 
                    Q&A 1998 Chevy S10 Headlights Relay Location, Problems & Solutions S10 Headlight Ground Relay  How do i get access to the connectors to repair/bypass this wire and/or headlight ground relay? There is only one relay in the body relay block that has anything to do with the headlights and that is the headlight grounding. Check the resistance of the wire. The most common sign of a bad headlight relay is headlights that don’t work.. S10 Headlight Ground Relay.
     
    
        From wirelisttommie.z13.web.core.windows.net 
                    Headlamps Wiring Diagram 1996 S10 S10 Headlight Ground Relay  Neither one have headlight relays. Likewise, if the high beam relay fails, the high beams won’t work, and if the daytime running light. If the resistance has some continuity (high resistance), check for corrosion or loose connections. Fuse box diagram (fuse layout), location and assignment of fuses and relays: A headlight relay will typically fail in the open position, preventing. S10 Headlight Ground Relay.
     
    
        From www.justanswer.com 
                    Q&A 1998 Chevy S10 Headlights Relay Location, Problems & Solutions S10 Headlight Ground Relay  If you don't have drl's, then you won't have any relays in the headlight circuit. There is only one relay in the body relay block that has anything to do with the headlights and that is the headlight grounding. Fuse box diagram (fuse layout), location and assignment of fuses and relays: A headlight relay will typically fail in the open. S10 Headlight Ground Relay.
     
    
        From wiringdiagram.2bitboer.com 
                    1999 Chevy S10 Headlight Wiring Diagram Wiring Diagram S10 Headlight Ground Relay  The most common sign of a bad headlight relay is headlights that don’t work. Check the resistance of the wire. How do i get access to the connectors to repair/bypass this wire and/or headlight ground relay? Fuse box diagram (fuse layout), location and assignment of fuses and relays: Try swapping the headlamp ground relay (marked something like hdlp gnd in. S10 Headlight Ground Relay.
     
    
        From www.cargurus.com 
                    Chevrolet S10 Questions S10 head lights CarGurus S10 Headlight Ground Relay  There is only one relay in the body relay block that has anything to do with the headlights and that is the headlight grounding. A headlight relay will typically fail in the open position, preventing voltage from reaching the headlights. Likewise, if the high beam relay fails, the high beams won’t work, and if the daytime running light. Fuse box. S10 Headlight Ground Relay.
     
    
        From www.2carpros.com 
                    Headlight Ground? Headlamp Relay Begins to Buzz? S10 Headlight Ground Relay  How do i get access to the connectors to repair/bypass this wire and/or headlight ground relay? If the low beam relay fails, the low beams won’t work. There is only one relay in the body relay block that has anything to do with the headlights and that is the headlight grounding. The most common sign of a bad headlight relay. S10 Headlight Ground Relay.
     
    
        From www.youtube.com 
                    Chevy S10 Headlight Switch & Wiring Repair DIY YouTube S10 Headlight Ground Relay  Fuse box diagram (fuse layout), location and assignment of fuses and relays: If the resistance has some continuity (high resistance), check for corrosion or loose connections. Neither one have headlight relays. Check the resistance of the wire. There is only one relay in the body relay block that has anything to do with the headlights and that is the headlight. S10 Headlight Ground Relay.
     
    
        From www.justanswer.com 
                    Q&A 1998 Chevy S10 Headlights Relay Location, Problems & Solutions S10 Headlight Ground Relay  A headlight relay will typically fail in the open position, preventing voltage from reaching the headlights. There is only one relay in the body relay block that has anything to do with the headlights and that is the headlight grounding. If the resistance has some continuity (high resistance), check for corrosion or loose connections. Try swapping the headlamp ground relay. S10 Headlight Ground Relay.
     
    
        From www.2carpros.com 
                    Headlight Wiring Where Are the Headlight Grounds on My 95 Chevy S... S10 Headlight Ground Relay  Try swapping the headlamp ground relay (marked something like hdlp gnd in the ubec panel) with some other relay that works. Likewise, if the high beam relay fails, the high beams won’t work, and if the daytime running light. If the resistance has some continuity (high resistance), check for corrosion or loose connections. Check the resistance of the wire. If. S10 Headlight Ground Relay.
     
    
        From www.justanswer.com 
                    S10 Headlight Relay Location & Chevy S10 Relay Diagrams JustAnswer S10 Headlight Ground Relay  Check the resistance of the wire. Likewise, if the high beam relay fails, the high beams won’t work, and if the daytime running light. If the low beam relay fails, the low beams won’t work. Neither one have headlight relays. Try swapping the headlamp ground relay (marked something like hdlp gnd in the ubec panel) with some other relay that. S10 Headlight Ground Relay.
     
    
        From www.justanswer.com 
                    2002 Chevy S10 healights wont comoe on. Running lights work, turn S10 Headlight Ground Relay  If you don't have drl's, then you won't have any relays in the headlight circuit. If the resistance has some continuity (high resistance), check for corrosion or loose connections. Fuse box diagram (fuse layout), location and assignment of fuses and relays: How do i get access to the connectors to repair/bypass this wire and/or headlight ground relay? Neither one have. S10 Headlight Ground Relay.
     
    
        From www.justanswer.com 
                    S10 Headlight Relay Location & Chevy S10 Relay Diagrams JustAnswer S10 Headlight Ground Relay  How do i get access to the connectors to repair/bypass this wire and/or headlight ground relay? There is only one relay in the body relay block that has anything to do with the headlights and that is the headlight grounding. If you don't have drl's, then you won't have any relays in the headlight circuit. Try swapping the headlamp ground. S10 Headlight Ground Relay.
     
    
        From gtsparkplugs.com 
                    Headlight Relay Wiring GTSparkplugs S10 Headlight Ground Relay  A headlight relay will typically fail in the open position, preventing voltage from reaching the headlights. Try swapping the headlamp ground relay (marked something like hdlp gnd in the ubec panel) with some other relay that works. Check the resistance of the wire. If the low beam relay fails, the low beams won’t work. If the resistance has some continuity. S10 Headlight Ground Relay.
     
    
        From www.justanswer.com 
                    Chevy S10 Headlight Relay Location Q&A for 1997 Chevy S10, 95 S10 S10 Headlight Ground Relay  The most common sign of a bad headlight relay is headlights that don’t work. If you don't have drl's, then you won't have any relays in the headlight circuit. Try swapping the headlamp ground relay (marked something like hdlp gnd in the ubec panel) with some other relay that works. There is only one relay in the body relay block. S10 Headlight Ground Relay.
     
    
        From circuitenginecries88.z13.web.core.windows.net 
                    Wiring Diagram S10 Ground Locations S10 Headlight Ground Relay  Fuse box diagram (fuse layout), location and assignment of fuses and relays: If you don't have drl's, then you won't have any relays in the headlight circuit. Try swapping the headlamp ground relay (marked something like hdlp gnd in the ubec panel) with some other relay that works. A headlight relay will typically fail in the open position, preventing voltage. S10 Headlight Ground Relay.