Brake And Turn Signals Not Working On Trailer . how to troubleshoot and fix trailer brake, turn signal, and daytime running lights not working. So, it is odd when the turn signals work,. It could be a tow package fuse on the vehicle. If the trailer hitch lights are not working when the trailer is attached, there is an electrical problem, like a blown fuse or damaged wiring. Inspect the wiring harness and connections for any damage or lose connections. on a trailer the brake lights and turn signals operate on the same wire/bulb. if the wiring is all correct then you will need to check the trailer connector on the vehicle and trailer for a ground connection issue,. Additionally, check the light switch and relay related to the running lights. Use the owners manual to find the locations of fuses/relays related. this is a practical approach to troubleshoot any electrical wiring. if your brake lights are working, but the trailer running lights not working, it is likely due to a separate circuit or wiring issue.
from cerxlmod.blob.core.windows.net
It could be a tow package fuse on the vehicle. Use the owners manual to find the locations of fuses/relays related. on a trailer the brake lights and turn signals operate on the same wire/bulb. how to troubleshoot and fix trailer brake, turn signal, and daytime running lights not working. So, it is odd when the turn signals work,. if the wiring is all correct then you will need to check the trailer connector on the vehicle and trailer for a ground connection issue,. Inspect the wiring harness and connections for any damage or lose connections. if your brake lights are working, but the trailer running lights not working, it is likely due to a separate circuit or wiring issue. Additionally, check the light switch and relay related to the running lights. If the trailer hitch lights are not working when the trailer is attached, there is an electrical problem, like a blown fuse or damaged wiring.
Brake Lights Not Working On Trailer at Ricardo blog
Brake And Turn Signals Not Working On Trailer if the wiring is all correct then you will need to check the trailer connector on the vehicle and trailer for a ground connection issue,. Additionally, check the light switch and relay related to the running lights. Use the owners manual to find the locations of fuses/relays related. So, it is odd when the turn signals work,. this is a practical approach to troubleshoot any electrical wiring. how to troubleshoot and fix trailer brake, turn signal, and daytime running lights not working. Inspect the wiring harness and connections for any damage or lose connections. if your brake lights are working, but the trailer running lights not working, it is likely due to a separate circuit or wiring issue. on a trailer the brake lights and turn signals operate on the same wire/bulb. If the trailer hitch lights are not working when the trailer is attached, there is an electrical problem, like a blown fuse or damaged wiring. It could be a tow package fuse on the vehicle. if the wiring is all correct then you will need to check the trailer connector on the vehicle and trailer for a ground connection issue,.
From www.youtube.com
Turn signal problem diagnosis! (turn signals not working) YouTube Brake And Turn Signals Not Working On Trailer if the wiring is all correct then you will need to check the trailer connector on the vehicle and trailer for a ground connection issue,. this is a practical approach to troubleshoot any electrical wiring. if your brake lights are working, but the trailer running lights not working, it is likely due to a separate circuit or. Brake And Turn Signals Not Working On Trailer.
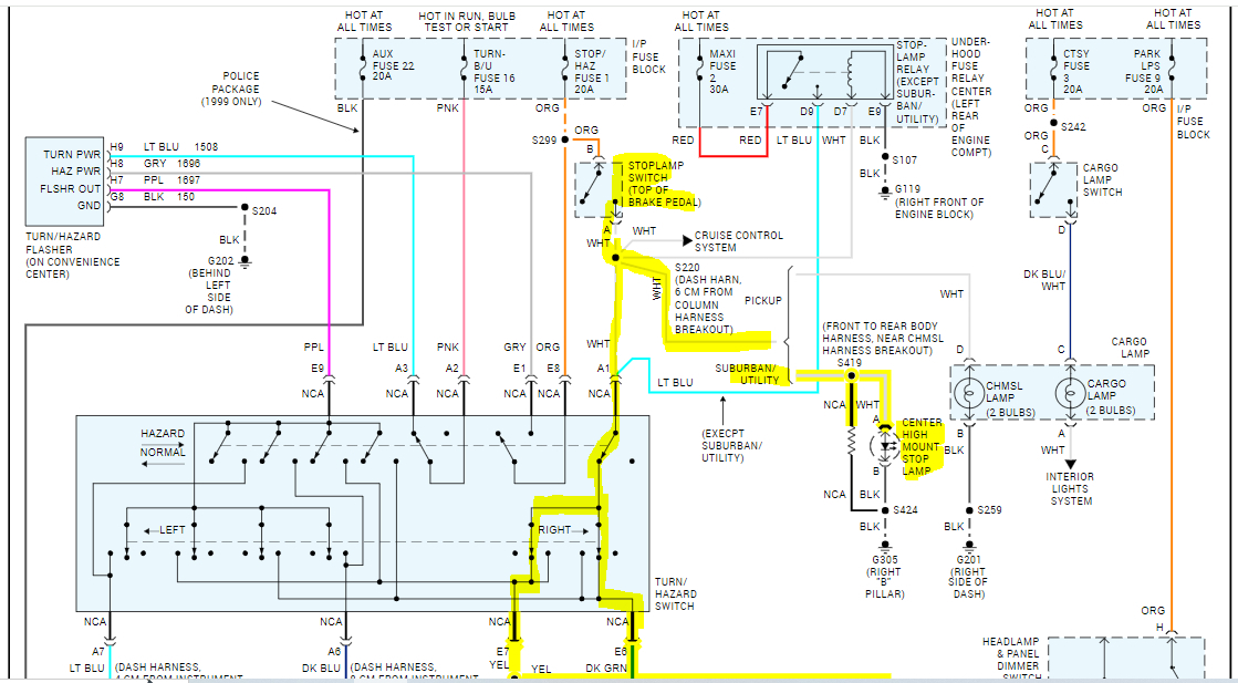
From cerxlmod.blob.core.windows.net
Brake Lights Not Working On Trailer at Ricardo blog Brake And Turn Signals Not Working On Trailer So, it is odd when the turn signals work,. It could be a tow package fuse on the vehicle. how to troubleshoot and fix trailer brake, turn signal, and daytime running lights not working. Use the owners manual to find the locations of fuses/relays related. on a trailer the brake lights and turn signals operate on the same. Brake And Turn Signals Not Working On Trailer.
From fyobxitcy.blob.core.windows.net
Trailer Lights Turn Signal Not Working at Lena Miller blog Brake And Turn Signals Not Working On Trailer Inspect the wiring harness and connections for any damage or lose connections. if the wiring is all correct then you will need to check the trailer connector on the vehicle and trailer for a ground connection issue,. If the trailer hitch lights are not working when the trailer is attached, there is an electrical problem, like a blown fuse. Brake And Turn Signals Not Working On Trailer.
From carproblemguru.com
Right Turn Signal And Brake Light Not Working On Trailer (Quick Fix) Brake And Turn Signals Not Working On Trailer If the trailer hitch lights are not working when the trailer is attached, there is an electrical problem, like a blown fuse or damaged wiring. It could be a tow package fuse on the vehicle. if your brake lights are working, but the trailer running lights not working, it is likely due to a separate circuit or wiring issue.. Brake And Turn Signals Not Working On Trailer.
From www.caretxdigital.com
Led Turn Signal Flasher Wiring Diagram Wiring Diagram and Schematics Brake And Turn Signals Not Working On Trailer how to troubleshoot and fix trailer brake, turn signal, and daytime running lights not working. Use the owners manual to find the locations of fuses/relays related. Inspect the wiring harness and connections for any damage or lose connections. If the trailer hitch lights are not working when the trailer is attached, there is an electrical problem, like a blown. Brake And Turn Signals Not Working On Trailer.
From www.youtube.com
How to fix turn signal not working, stops blinking when I press the Brake And Turn Signals Not Working On Trailer Additionally, check the light switch and relay related to the running lights. if your brake lights are working, but the trailer running lights not working, it is likely due to a separate circuit or wiring issue. on a trailer the brake lights and turn signals operate on the same wire/bulb. If the trailer hitch lights are not working. Brake And Turn Signals Not Working On Trailer.
From hxezgtiat.blob.core.windows.net
Gooseneck Trailer Brake Wiring at Ian Negri blog Brake And Turn Signals Not Working On Trailer If the trailer hitch lights are not working when the trailer is attached, there is an electrical problem, like a blown fuse or damaged wiring. So, it is odd when the turn signals work,. this is a practical approach to troubleshoot any electrical wiring. if the wiring is all correct then you will need to check the trailer. Brake And Turn Signals Not Working On Trailer.
From wiringdiagrampawlowski.z19.web.core.windows.net
Turn And Brake Light Wiring Brake And Turn Signals Not Working On Trailer on a trailer the brake lights and turn signals operate on the same wire/bulb. Inspect the wiring harness and connections for any damage or lose connections. If the trailer hitch lights are not working when the trailer is attached, there is an electrical problem, like a blown fuse or damaged wiring. if your brake lights are working, but. Brake And Turn Signals Not Working On Trailer.
From giofgxkwb.blob.core.windows.net
Rear Turn Signal Light Not Working at Jonathan Wyse blog Brake And Turn Signals Not Working On Trailer Use the owners manual to find the locations of fuses/relays related. It could be a tow package fuse on the vehicle. this is a practical approach to troubleshoot any electrical wiring. if your brake lights are working, but the trailer running lights not working, it is likely due to a separate circuit or wiring issue. on a. Brake And Turn Signals Not Working On Trailer.
From fyobxitcy.blob.core.windows.net
Trailer Lights Turn Signal Not Working at Lena Miller blog Brake And Turn Signals Not Working On Trailer So, it is odd when the turn signals work,. If the trailer hitch lights are not working when the trailer is attached, there is an electrical problem, like a blown fuse or damaged wiring. Use the owners manual to find the locations of fuses/relays related. It could be a tow package fuse on the vehicle. on a trailer the. Brake And Turn Signals Not Working On Trailer.
From be1u4vrwirelib.z13.web.core.windows.net
Simple Turn Signal Schematic Brake And Turn Signals Not Working On Trailer If the trailer hitch lights are not working when the trailer is attached, there is an electrical problem, like a blown fuse or damaged wiring. Use the owners manual to find the locations of fuses/relays related. on a trailer the brake lights and turn signals operate on the same wire/bulb. if your brake lights are working, but the. Brake And Turn Signals Not Working On Trailer.
From homeminimalisite.com
Why Would My Trailer Lights Not Work Brake And Turn Signals Not Working On Trailer if your brake lights are working, but the trailer running lights not working, it is likely due to a separate circuit or wiring issue. Inspect the wiring harness and connections for any damage or lose connections. Additionally, check the light switch and relay related to the running lights. on a trailer the brake lights and turn signals operate. Brake And Turn Signals Not Working On Trailer.
From www.2carpros.com
Turn Signal and Brake Lights Are Not Working? Brake And Turn Signals Not Working On Trailer So, it is odd when the turn signals work,. Inspect the wiring harness and connections for any damage or lose connections. this is a practical approach to troubleshoot any electrical wiring. how to troubleshoot and fix trailer brake, turn signal, and daytime running lights not working. if the wiring is all correct then you will need to. Brake And Turn Signals Not Working On Trailer.
From workshoprepairwonts.z13.web.core.windows.net
Dodge Ram Turn Signal Not Working Brake And Turn Signals Not Working On Trailer Use the owners manual to find the locations of fuses/relays related. this is a practical approach to troubleshoot any electrical wiring. It could be a tow package fuse on the vehicle. Additionally, check the light switch and relay related to the running lights. if your brake lights are working, but the trailer running lights not working, it is. Brake And Turn Signals Not Working On Trailer.
From emergencydentistry.com
Why Are The Running Lights On My Trailer Not Working on Sale Brake And Turn Signals Not Working On Trailer Use the owners manual to find the locations of fuses/relays related. It could be a tow package fuse on the vehicle. So, it is odd when the turn signals work,. if your brake lights are working, but the trailer running lights not working, it is likely due to a separate circuit or wiring issue. if the wiring is. Brake And Turn Signals Not Working On Trailer.
From www.youtube.com
Trailer Running Lights Do NOT Work but Brake Lights and Turn Signals Do Brake And Turn Signals Not Working On Trailer Inspect the wiring harness and connections for any damage or lose connections. on a trailer the brake lights and turn signals operate on the same wire/bulb. So, it is odd when the turn signals work,. Use the owners manual to find the locations of fuses/relays related. how to troubleshoot and fix trailer brake, turn signal, and daytime running. Brake And Turn Signals Not Working On Trailer.
From www.youtube.com
GMC Savana 2500 Turning Signal, Brake Light, not Working...How to Brake And Turn Signals Not Working On Trailer Additionally, check the light switch and relay related to the running lights. this is a practical approach to troubleshoot any electrical wiring. It could be a tow package fuse on the vehicle. if your brake lights are working, but the trailer running lights not working, it is likely due to a separate circuit or wiring issue. how. Brake And Turn Signals Not Working On Trailer.
From cerxlmod.blob.core.windows.net
Brake Lights Not Working On Trailer at Ricardo blog Brake And Turn Signals Not Working On Trailer Inspect the wiring harness and connections for any damage or lose connections. how to troubleshoot and fix trailer brake, turn signal, and daytime running lights not working. on a trailer the brake lights and turn signals operate on the same wire/bulb. Additionally, check the light switch and relay related to the running lights. if the wiring is. Brake And Turn Signals Not Working On Trailer.
From giobibrze.blob.core.windows.net
Why Won't My Running Lights Work On My Truck at Dawn Ramsey blog Brake And Turn Signals Not Working On Trailer It could be a tow package fuse on the vehicle. if the wiring is all correct then you will need to check the trailer connector on the vehicle and trailer for a ground connection issue,. If the trailer hitch lights are not working when the trailer is attached, there is an electrical problem, like a blown fuse or damaged. Brake And Turn Signals Not Working On Trailer.
From fyobxitcy.blob.core.windows.net
Trailer Lights Turn Signal Not Working at Lena Miller blog Brake And Turn Signals Not Working On Trailer If the trailer hitch lights are not working when the trailer is attached, there is an electrical problem, like a blown fuse or damaged wiring. how to troubleshoot and fix trailer brake, turn signal, and daytime running lights not working. Use the owners manual to find the locations of fuses/relays related. Additionally, check the light switch and relay related. Brake And Turn Signals Not Working On Trailer.
From carstroop.com
Brake Light And Turn Signal Not Working On One Side Cars Troop Brake And Turn Signals Not Working On Trailer if the wiring is all correct then you will need to check the trailer connector on the vehicle and trailer for a ground connection issue,. Use the owners manual to find the locations of fuses/relays related. Inspect the wiring harness and connections for any damage or lose connections. on a trailer the brake lights and turn signals operate. Brake And Turn Signals Not Working On Trailer.
From www.youtube.com
2015up F150 Trailer Tow Brake Lights and Turn Signals Not Working Brake And Turn Signals Not Working On Trailer this is a practical approach to troubleshoot any electrical wiring. It could be a tow package fuse on the vehicle. If the trailer hitch lights are not working when the trailer is attached, there is an electrical problem, like a blown fuse or damaged wiring. if your brake lights are working, but the trailer running lights not working,. Brake And Turn Signals Not Working On Trailer.
From exyjqhakv.blob.core.windows.net
Why Is My Turn Signal Bulb On But Not Blinking at Howard Conley blog Brake And Turn Signals Not Working On Trailer if the wiring is all correct then you will need to check the trailer connector on the vehicle and trailer for a ground connection issue,. Inspect the wiring harness and connections for any damage or lose connections. If the trailer hitch lights are not working when the trailer is attached, there is an electrical problem, like a blown fuse. Brake And Turn Signals Not Working On Trailer.
From o-e.main.jp
Driver Left Side Tail Light Rear Lamp With Circuit and Bulbs Fit Brake And Turn Signals Not Working On Trailer if your brake lights are working, but the trailer running lights not working, it is likely due to a separate circuit or wiring issue. on a trailer the brake lights and turn signals operate on the same wire/bulb. Additionally, check the light switch and relay related to the running lights. Use the owners manual to find the locations. Brake And Turn Signals Not Working On Trailer.
From henryford150.com
Trailer Running Lights Not Working? Here’re 4 Most Common Reasons Brake And Turn Signals Not Working On Trailer Inspect the wiring harness and connections for any damage or lose connections. this is a practical approach to troubleshoot any electrical wiring. how to troubleshoot and fix trailer brake, turn signal, and daytime running lights not working. if your brake lights are working, but the trailer running lights not working, it is likely due to a separate. Brake And Turn Signals Not Working On Trailer.
From www.2carpros.com
Turn Signals Not Working? Brake Lights and Rear Taillights Work. Brake And Turn Signals Not Working On Trailer It could be a tow package fuse on the vehicle. Inspect the wiring harness and connections for any damage or lose connections. if the wiring is all correct then you will need to check the trailer connector on the vehicle and trailer for a ground connection issue,. how to troubleshoot and fix trailer brake, turn signal, and daytime. Brake And Turn Signals Not Working On Trailer.
From fixenginedemesnes.z19.web.core.windows.net
Turn Signal And Brake Light Wiring Diagram Brake And Turn Signals Not Working On Trailer If the trailer hitch lights are not working when the trailer is attached, there is an electrical problem, like a blown fuse or damaged wiring. if your brake lights are working, but the trailer running lights not working, it is likely due to a separate circuit or wiring issue. Use the owners manual to find the locations of fuses/relays. Brake And Turn Signals Not Working On Trailer.
From www.youtube.com
Trailer Brake Lights or Turn Signals NOT Working TRY THIS YouTube Brake And Turn Signals Not Working On Trailer So, it is odd when the turn signals work,. Additionally, check the light switch and relay related to the running lights. on a trailer the brake lights and turn signals operate on the same wire/bulb. if your brake lights are working, but the trailer running lights not working, it is likely due to a separate circuit or wiring. Brake And Turn Signals Not Working On Trailer.
From ceeiegzq.blob.core.windows.net
Trailer Brake Light Not Working On One Side at Eva Dodrill blog Brake And Turn Signals Not Working On Trailer If the trailer hitch lights are not working when the trailer is attached, there is an electrical problem, like a blown fuse or damaged wiring. Additionally, check the light switch and relay related to the running lights. So, it is odd when the turn signals work,. Inspect the wiring harness and connections for any damage or lose connections. on. Brake And Turn Signals Not Working On Trailer.
From blog.1aauto.com
Trailer Running Lights Not Working? Diagnose Trailer Lights 1A Auto Brake And Turn Signals Not Working On Trailer how to troubleshoot and fix trailer brake, turn signal, and daytime running lights not working. If the trailer hitch lights are not working when the trailer is attached, there is an electrical problem, like a blown fuse or damaged wiring. if your brake lights are working, but the trailer running lights not working, it is likely due to. Brake And Turn Signals Not Working On Trailer.
From schematicazuraloireqlgya.z13.web.core.windows.net
Silverado 2008 Turn Signal Not Working Brake And Turn Signals Not Working On Trailer this is a practical approach to troubleshoot any electrical wiring. if your brake lights are working, but the trailer running lights not working, it is likely due to a separate circuit or wiring issue. on a trailer the brake lights and turn signals operate on the same wire/bulb. if the wiring is all correct then you. Brake And Turn Signals Not Working On Trailer.
From ceeiegzq.blob.core.windows.net
Trailer Brake Light Not Working On One Side at Eva Dodrill blog Brake And Turn Signals Not Working On Trailer Use the owners manual to find the locations of fuses/relays related. how to troubleshoot and fix trailer brake, turn signal, and daytime running lights not working. It could be a tow package fuse on the vehicle. this is a practical approach to troubleshoot any electrical wiring. So, it is odd when the turn signals work,. Inspect the wiring. Brake And Turn Signals Not Working On Trailer.
From www.2carpros.com
Brake Lights and Turn Signals Not Working? Brake And Turn Signals Not Working On Trailer how to troubleshoot and fix trailer brake, turn signal, and daytime running lights not working. It could be a tow package fuse on the vehicle. Additionally, check the light switch and relay related to the running lights. this is a practical approach to troubleshoot any electrical wiring. Use the owners manual to find the locations of fuses/relays related.. Brake And Turn Signals Not Working On Trailer.
From www.2carpros.com
Turn Signal and Brake Lights Are Not Working? Brake And Turn Signals Not Working On Trailer If the trailer hitch lights are not working when the trailer is attached, there is an electrical problem, like a blown fuse or damaged wiring. Inspect the wiring harness and connections for any damage or lose connections. Use the owners manual to find the locations of fuses/relays related. if your brake lights are working, but the trailer running lights. Brake And Turn Signals Not Working On Trailer.
From cerxlmod.blob.core.windows.net
Brake Lights Not Working On Trailer at Ricardo blog Brake And Turn Signals Not Working On Trailer If the trailer hitch lights are not working when the trailer is attached, there is an electrical problem, like a blown fuse or damaged wiring. this is a practical approach to troubleshoot any electrical wiring. if the wiring is all correct then you will need to check the trailer connector on the vehicle and trailer for a ground. Brake And Turn Signals Not Working On Trailer.