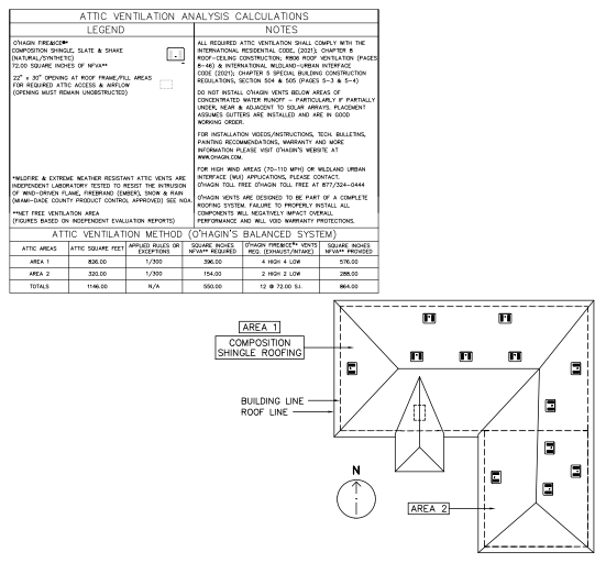
How Many O Hagin Vents Do I Need . The plan now is to add multiple o'hagin vents for intake and 9x18 dormers near the top of the ridge for exhaust. Determine adequate number of o’hagin’s vents (c) / nfva* for selected vent (see chart below) (c) 576/98.75 = (c) (number of vents. A sample of what you get is shown below and is all your contractor needs to properly ventilate your attic space The total square footage of the attic floor space. This formula takes into account the volume of a space and the number of desired air changes in an hour. Currently have 2 existing turbine vents, but roofers are suggesting new attic vents. I can't find any info on o'hagins other than manufacturer website. Both suggested the 3 as options. There are two important pieces of information required to calculate the adequate number of vents. At its core, the ohagin vent calculator functions by utilizing a specific formula.
from theroofers.ca
Both suggested the 3 as options. Determine adequate number of o’hagin’s vents (c) / nfva* for selected vent (see chart below) (c) 576/98.75 = (c) (number of vents. Currently have 2 existing turbine vents, but roofers are suggesting new attic vents. There are two important pieces of information required to calculate the adequate number of vents. The total square footage of the attic floor space. At its core, the ohagin vent calculator functions by utilizing a specific formula. A sample of what you get is shown below and is all your contractor needs to properly ventilate your attic space I can't find any info on o'hagins other than manufacturer website. This formula takes into account the volume of a space and the number of desired air changes in an hour. The plan now is to add multiple o'hagin vents for intake and 9x18 dormers near the top of the ridge for exhaust.
How Many Roof Vents Do I Need? The Roofers
How Many O Hagin Vents Do I Need Both suggested the 3 as options. This formula takes into account the volume of a space and the number of desired air changes in an hour. I can't find any info on o'hagins other than manufacturer website. At its core, the ohagin vent calculator functions by utilizing a specific formula. Currently have 2 existing turbine vents, but roofers are suggesting new attic vents. The plan now is to add multiple o'hagin vents for intake and 9x18 dormers near the top of the ridge for exhaust. There are two important pieces of information required to calculate the adequate number of vents. The total square footage of the attic floor space. Both suggested the 3 as options. Determine adequate number of o’hagin’s vents (c) / nfva* for selected vent (see chart below) (c) 576/98.75 = (c) (number of vents. A sample of what you get is shown below and is all your contractor needs to properly ventilate your attic space
From eagleroofing.com
Benefits of Choosing O’Hagin Tile Roof Vents Eagle Roofing How Many O Hagin Vents Do I Need At its core, the ohagin vent calculator functions by utilizing a specific formula. Determine adequate number of o’hagin’s vents (c) / nfva* for selected vent (see chart below) (c) 576/98.75 = (c) (number of vents. The plan now is to add multiple o'hagin vents for intake and 9x18 dormers near the top of the ridge for exhaust. Currently have 2. How Many O Hagin Vents Do I Need.
From www.damagecontrol-911.com
Ventilation Check How Many Vents Does A Roof Need? How Many O Hagin Vents Do I Need This formula takes into account the volume of a space and the number of desired air changes in an hour. There are two important pieces of information required to calculate the adequate number of vents. Both suggested the 3 as options. Currently have 2 existing turbine vents, but roofers are suggesting new attic vents. At its core, the ohagin vent. How Many O Hagin Vents Do I Need.
From www.maskblogspot.com
How Many Vents Do You Need On a Roofing System? How Many O Hagin Vents Do I Need The total square footage of the attic floor space. I can't find any info on o'hagins other than manufacturer website. At its core, the ohagin vent calculator functions by utilizing a specific formula. This formula takes into account the volume of a space and the number of desired air changes in an hour. A sample of what you get is. How Many O Hagin Vents Do I Need.
From theroofers.ca
How Many Roof Vents Do I Need? The Roofers How Many O Hagin Vents Do I Need This formula takes into account the volume of a space and the number of desired air changes in an hour. Currently have 2 existing turbine vents, but roofers are suggesting new attic vents. A sample of what you get is shown below and is all your contractor needs to properly ventilate your attic space Both suggested the 3 as options.. How Many O Hagin Vents Do I Need.
From www.youtube.com
How to Install an O’Hagin Vent on a Roof Shingle Roof Install Guide How Many O Hagin Vents Do I Need Currently have 2 existing turbine vents, but roofers are suggesting new attic vents. The plan now is to add multiple o'hagin vents for intake and 9x18 dormers near the top of the ridge for exhaust. The total square footage of the attic floor space. This formula takes into account the volume of a space and the number of desired air. How Many O Hagin Vents Do I Need.
From hproofing.ie
How to Calculate the Number of Roof Vents for Your Home? How Many O Hagin Vents Do I Need Both suggested the 3 as options. The total square footage of the attic floor space. Currently have 2 existing turbine vents, but roofers are suggesting new attic vents. There are two important pieces of information required to calculate the adequate number of vents. At its core, the ohagin vent calculator functions by utilizing a specific formula. This formula takes into. How Many O Hagin Vents Do I Need.
From www.pinterest.com
How Many Return Air Vents Do I Need Return air vent, Air return, Air vent How Many O Hagin Vents Do I Need This formula takes into account the volume of a space and the number of desired air changes in an hour. Determine adequate number of o’hagin’s vents (c) / nfva* for selected vent (see chart below) (c) 576/98.75 = (c) (number of vents. Currently have 2 existing turbine vents, but roofers are suggesting new attic vents. Both suggested the 3 as. How Many O Hagin Vents Do I Need.
From www.youtube.com
How to Install an O’Hagin Vent on an S Shaped Tile Roof YouTube How Many O Hagin Vents Do I Need The total square footage of the attic floor space. A sample of what you get is shown below and is all your contractor needs to properly ventilate your attic space I can't find any info on o'hagins other than manufacturer website. Determine adequate number of o’hagin’s vents (c) / nfva* for selected vent (see chart below) (c) 576/98.75 = (c). How Many O Hagin Vents Do I Need.
From beddoesproducts.com
How Many Roof Vents Do I Need? INCLUDING CALCULATOR How Many O Hagin Vents Do I Need The plan now is to add multiple o'hagin vents for intake and 9x18 dormers near the top of the ridge for exhaust. Currently have 2 existing turbine vents, but roofers are suggesting new attic vents. Determine adequate number of o’hagin’s vents (c) / nfva* for selected vent (see chart below) (c) 576/98.75 = (c) (number of vents. There are two. How Many O Hagin Vents Do I Need.
From allpointstile.com
O'Hagin Vents Lifetile / Monier Lifetile Capri All Points Tile & Slate How Many O Hagin Vents Do I Need Both suggested the 3 as options. The plan now is to add multiple o'hagin vents for intake and 9x18 dormers near the top of the ridge for exhaust. At its core, the ohagin vent calculator functions by utilizing a specific formula. The total square footage of the attic floor space. I can't find any info on o'hagins other than manufacturer. How Many O Hagin Vents Do I Need.
From doorroof.deojz.com
o hagen roof vents 12.300 About Roof How Many O Hagin Vents Do I Need The total square footage of the attic floor space. A sample of what you get is shown below and is all your contractor needs to properly ventilate your attic space This formula takes into account the volume of a space and the number of desired air changes in an hour. There are two important pieces of information required to calculate. How Many O Hagin Vents Do I Need.
From www.pvhvac.com
How Many Return Air Vents Do I Need? PV Heating & Air How Many O Hagin Vents Do I Need There are two important pieces of information required to calculate the adequate number of vents. Both suggested the 3 as options. Determine adequate number of o’hagin’s vents (c) / nfva* for selected vent (see chart below) (c) 576/98.75 = (c) (number of vents. The total square footage of the attic floor space. At its core, the ohagin vent calculator functions. How Many O Hagin Vents Do I Need.
From www.atozroofingdenver.com
How Many Roof Vents Do I Need? A to Z Roofing How Many O Hagin Vents Do I Need A sample of what you get is shown below and is all your contractor needs to properly ventilate your attic space I can't find any info on o'hagins other than manufacturer website. The plan now is to add multiple o'hagin vents for intake and 9x18 dormers near the top of the ridge for exhaust. This formula takes into account the. How Many O Hagin Vents Do I Need.
From www.youtube.com
How to Install an O'hagin Vent on a Flat Tile Roof YouTube How Many O Hagin Vents Do I Need Currently have 2 existing turbine vents, but roofers are suggesting new attic vents. There are two important pieces of information required to calculate the adequate number of vents. Determine adequate number of o’hagin’s vents (c) / nfva* for selected vent (see chart below) (c) 576/98.75 = (c) (number of vents. At its core, the ohagin vent calculator functions by utilizing. How Many O Hagin Vents Do I Need.
From hvacseer.com
How Many Roof Vents Do I Need? How Many O Hagin Vents Do I Need At its core, the ohagin vent calculator functions by utilizing a specific formula. There are two important pieces of information required to calculate the adequate number of vents. Currently have 2 existing turbine vents, but roofers are suggesting new attic vents. The total square footage of the attic floor space. The plan now is to add multiple o'hagin vents for. How Many O Hagin Vents Do I Need.
From hvacseer.com
How Many Roof Vents Do I Need? How Many O Hagin Vents Do I Need At its core, the ohagin vent calculator functions by utilizing a specific formula. Currently have 2 existing turbine vents, but roofers are suggesting new attic vents. The plan now is to add multiple o'hagin vents for intake and 9x18 dormers near the top of the ridge for exhaust. There are two important pieces of information required to calculate the adequate. How Many O Hagin Vents Do I Need.
From ohagin.com
PreConstruction Services O'Hagin How Many O Hagin Vents Do I Need A sample of what you get is shown below and is all your contractor needs to properly ventilate your attic space There are two important pieces of information required to calculate the adequate number of vents. The plan now is to add multiple o'hagin vents for intake and 9x18 dormers near the top of the ridge for exhaust. This formula. How Many O Hagin Vents Do I Need.
From roofkeen.com
How Many Roof Vents Do I Need in My Garage? How Many O Hagin Vents Do I Need At its core, the ohagin vent calculator functions by utilizing a specific formula. Currently have 2 existing turbine vents, but roofers are suggesting new attic vents. The total square footage of the attic floor space. A sample of what you get is shown below and is all your contractor needs to properly ventilate your attic space This formula takes into. How Many O Hagin Vents Do I Need.
From whizzyliving.com
How Many Roof Vents Do I Need? [Expert's Guide] How Many O Hagin Vents Do I Need A sample of what you get is shown below and is all your contractor needs to properly ventilate your attic space There are two important pieces of information required to calculate the adequate number of vents. At its core, the ohagin vent calculator functions by utilizing a specific formula. The plan now is to add multiple o'hagin vents for intake. How Many O Hagin Vents Do I Need.
From presidioroof.com
How Many Soffit Vents Do I Need? Presidio Roofing Company How Many O Hagin Vents Do I Need I can't find any info on o'hagins other than manufacturer website. The plan now is to add multiple o'hagin vents for intake and 9x18 dormers near the top of the ridge for exhaust. Currently have 2 existing turbine vents, but roofers are suggesting new attic vents. This formula takes into account the volume of a space and the number of. How Many O Hagin Vents Do I Need.
From housegrail.com
How Many Roof Vents Do I Need? Benefits, Types & Signs House Grail How Many O Hagin Vents Do I Need The plan now is to add multiple o'hagin vents for intake and 9x18 dormers near the top of the ridge for exhaust. I can't find any info on o'hagins other than manufacturer website. There are two important pieces of information required to calculate the adequate number of vents. Currently have 2 existing turbine vents, but roofers are suggesting new attic. How Many O Hagin Vents Do I Need.
From ubrothersconstruction.com
Ventilating the Heights How Many Roof Vents Do I Need? Ubrothers How Many O Hagin Vents Do I Need Both suggested the 3 as options. Determine adequate number of o’hagin’s vents (c) / nfva* for selected vent (see chart below) (c) 576/98.75 = (c) (number of vents. This formula takes into account the volume of a space and the number of desired air changes in an hour. The total square footage of the attic floor space. A sample of. How Many O Hagin Vents Do I Need.
From ohagin.com
Fire&Ice® Vents O'Hagin How Many O Hagin Vents Do I Need There are two important pieces of information required to calculate the adequate number of vents. Currently have 2 existing turbine vents, but roofers are suggesting new attic vents. A sample of what you get is shown below and is all your contractor needs to properly ventilate your attic space The total square footage of the attic floor space. I can't. How Many O Hagin Vents Do I Need.
From allpointstile.com
O’hagin Vents Monier Villa All Points Tile & Slate How Many O Hagin Vents Do I Need Determine adequate number of o’hagin’s vents (c) / nfva* for selected vent (see chart below) (c) 576/98.75 = (c) (number of vents. I can't find any info on o'hagins other than manufacturer website. This formula takes into account the volume of a space and the number of desired air changes in an hour. A sample of what you get is. How Many O Hagin Vents Do I Need.
From upgradedhome.com
How Many Return Air Vents Do I Need? How Many O Hagin Vents Do I Need Determine adequate number of o’hagin’s vents (c) / nfva* for selected vent (see chart below) (c) 576/98.75 = (c) (number of vents. At its core, the ohagin vent calculator functions by utilizing a specific formula. Both suggested the 3 as options. The plan now is to add multiple o'hagin vents for intake and 9x18 dormers near the top of the. How Many O Hagin Vents Do I Need.
From eagleroofing.com
Benefits of Choosing O’Hagin Tile Roof Vents Eagle Roofing How Many O Hagin Vents Do I Need Currently have 2 existing turbine vents, but roofers are suggesting new attic vents. The total square footage of the attic floor space. I can't find any info on o'hagins other than manufacturer website. The plan now is to add multiple o'hagin vents for intake and 9x18 dormers near the top of the ridge for exhaust. Both suggested the 3 as. How Many O Hagin Vents Do I Need.
From www.youtube.com
How to install O'Hagin poner ventilacion en un techo vent How Many O Hagin Vents Do I Need There are two important pieces of information required to calculate the adequate number of vents. Both suggested the 3 as options. The total square footage of the attic floor space. The plan now is to add multiple o'hagin vents for intake and 9x18 dormers near the top of the ridge for exhaust. At its core, the ohagin vent calculator functions. How Many O Hagin Vents Do I Need.
From ohagin.com
Benefits of Attic Ventilation O'Hagin How Many O Hagin Vents Do I Need There are two important pieces of information required to calculate the adequate number of vents. Determine adequate number of o’hagin’s vents (c) / nfva* for selected vent (see chart below) (c) 576/98.75 = (c) (number of vents. The plan now is to add multiple o'hagin vents for intake and 9x18 dormers near the top of the ridge for exhaust. The. How Many O Hagin Vents Do I Need.
From roofkeen.com
How Many Roof Vents Do I Need in My Garage? How Many O Hagin Vents Do I Need The total square footage of the attic floor space. Determine adequate number of o’hagin’s vents (c) / nfva* for selected vent (see chart below) (c) 576/98.75 = (c) (number of vents. This formula takes into account the volume of a space and the number of desired air changes in an hour. The plan now is to add multiple o'hagin vents. How Many O Hagin Vents Do I Need.
From roofkeen.com
How Many Roof Vents Do I Need? How Many O Hagin Vents Do I Need Both suggested the 3 as options. There are two important pieces of information required to calculate the adequate number of vents. The total square footage of the attic floor space. The plan now is to add multiple o'hagin vents for intake and 9x18 dormers near the top of the ridge for exhaust. This formula takes into account the volume of. How Many O Hagin Vents Do I Need.
From allpointstile.com
O'Hagin Vents Box Vent All Points Tile & Slate How Many O Hagin Vents Do I Need This formula takes into account the volume of a space and the number of desired air changes in an hour. At its core, the ohagin vent calculator functions by utilizing a specific formula. The plan now is to add multiple o'hagin vents for intake and 9x18 dormers near the top of the ridge for exhaust. The total square footage of. How Many O Hagin Vents Do I Need.
From ohagin.com
Home O'Hagin How Many O Hagin Vents Do I Need Determine adequate number of o’hagin’s vents (c) / nfva* for selected vent (see chart below) (c) 576/98.75 = (c) (number of vents. I can't find any info on o'hagins other than manufacturer website. Both suggested the 3 as options. There are two important pieces of information required to calculate the adequate number of vents. This formula takes into account the. How Many O Hagin Vents Do I Need.
From ohagin.com
Fire&Ice® Vents O'Hagin How Many O Hagin Vents Do I Need Currently have 2 existing turbine vents, but roofers are suggesting new attic vents. Determine adequate number of o’hagin’s vents (c) / nfva* for selected vent (see chart below) (c) 576/98.75 = (c) (number of vents. The plan now is to add multiple o'hagin vents for intake and 9x18 dormers near the top of the ridge for exhaust. The total square. How Many O Hagin Vents Do I Need.
From roofkeen.com
How many roof vents do I need for plumbing? How Many O Hagin Vents Do I Need Both suggested the 3 as options. At its core, the ohagin vent calculator functions by utilizing a specific formula. Determine adequate number of o’hagin’s vents (c) / nfva* for selected vent (see chart below) (c) 576/98.75 = (c) (number of vents. The plan now is to add multiple o'hagin vents for intake and 9x18 dormers near the top of the. How Many O Hagin Vents Do I Need.
From ohagin.com
Home O'Hagin How Many O Hagin Vents Do I Need The plan now is to add multiple o'hagin vents for intake and 9x18 dormers near the top of the ridge for exhaust. A sample of what you get is shown below and is all your contractor needs to properly ventilate your attic space I can't find any info on o'hagins other than manufacturer website. Currently have 2 existing turbine vents,. How Many O Hagin Vents Do I Need.