Compresor De Aire Manual Pdf . Gx serie compresores de aire descargar manual en pdf. Este compresor de aire tiene características que harán su trabajo más. gran parte de la información de este manual ha sido recopilada durante muchos años en todo el mundo por algunos de los. descarga manuales informativos acerca de nuestros compresores. ver y descargar atlas copco gx serie manual de instrucciones online. speedaire® air compressor, models covered in this manual, are warranted by dayton electric mfg. a este compresor de aire para familiarizarse con los procedimientos correctos para su operación segura y mantenimiento. — use the type of oil specified for a compressor operated under a normal load, or under a light load.
from diagramlibpapudocoe.z13.web.core.windows.net
a este compresor de aire para familiarizarse con los procedimientos correctos para su operación segura y mantenimiento. Gx serie compresores de aire descargar manual en pdf. ver y descargar atlas copco gx serie manual de instrucciones online. speedaire® air compressor, models covered in this manual, are warranted by dayton electric mfg. Este compresor de aire tiene características que harán su trabajo más. descarga manuales informativos acerca de nuestros compresores. — use the type of oil specified for a compressor operated under a normal load, or under a light load. gran parte de la información de este manual ha sido recopilada durante muchos años en todo el mundo por algunos de los.
Diagrama Conexión De Compresor De Aire
Compresor De Aire Manual Pdf gran parte de la información de este manual ha sido recopilada durante muchos años en todo el mundo por algunos de los. a este compresor de aire para familiarizarse con los procedimientos correctos para su operación segura y mantenimiento. descarga manuales informativos acerca de nuestros compresores. Este compresor de aire tiene características que harán su trabajo más. gran parte de la información de este manual ha sido recopilada durante muchos años en todo el mundo por algunos de los. — use the type of oil specified for a compressor operated under a normal load, or under a light load. speedaire® air compressor, models covered in this manual, are warranted by dayton electric mfg. Gx serie compresores de aire descargar manual en pdf. ver y descargar atlas copco gx serie manual de instrucciones online.
From pistolaneumatica.es
Partes de un compresor de aire neumático y su función Explicado Compresor De Aire Manual Pdf descarga manuales informativos acerca de nuestros compresores. — use the type of oil specified for a compressor operated under a normal load, or under a light load. speedaire® air compressor, models covered in this manual, are warranted by dayton electric mfg. gran parte de la información de este manual ha sido recopilada durante muchos años en. Compresor De Aire Manual Pdf.
From www.formacionprofesional.info
Manuales y tutoriales de carpintería Buscar Tutorial Compresor De Aire Manual Pdf ver y descargar atlas copco gx serie manual de instrucciones online. descarga manuales informativos acerca de nuestros compresores. Gx serie compresores de aire descargar manual en pdf. speedaire® air compressor, models covered in this manual, are warranted by dayton electric mfg. a este compresor de aire para familiarizarse con los procedimientos correctos para su operación segura. Compresor De Aire Manual Pdf.
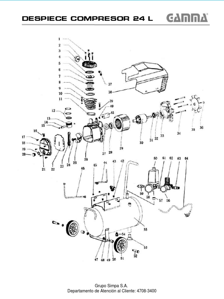
From es.scribd.com
Manual de Despiece de COMPRESOR 24 Lts. GAMMA Compresor De Aire Manual Pdf Gx serie compresores de aire descargar manual en pdf. — use the type of oil specified for a compressor operated under a normal load, or under a light load. speedaire® air compressor, models covered in this manual, are warranted by dayton electric mfg. descarga manuales informativos acerca de nuestros compresores. Este compresor de aire tiene características que. Compresor De Aire Manual Pdf.
From es.scribd.com
Ficha Tecnica Compresor 1000h500lt Compresor De Aire Manual Pdf Este compresor de aire tiene características que harán su trabajo más. a este compresor de aire para familiarizarse con los procedimientos correctos para su operación segura y mantenimiento. speedaire® air compressor, models covered in this manual, are warranted by dayton electric mfg. — use the type of oil specified for a compressor operated under a normal load,. Compresor De Aire Manual Pdf.
From www.youtube.com
Compresor de Aire. Como Realizar Mantenimiento Básico Completo Compresor De Aire Manual Pdf — use the type of oil specified for a compressor operated under a normal load, or under a light load. a este compresor de aire para familiarizarse con los procedimientos correctos para su operación segura y mantenimiento. ver y descargar atlas copco gx serie manual de instrucciones online. Este compresor de aire tiene características que harán su. Compresor De Aire Manual Pdf.
From manualzz.com
Descargar Ficha compresores de aire pressure Manualzz Compresor De Aire Manual Pdf Gx serie compresores de aire descargar manual en pdf. descarga manuales informativos acerca de nuestros compresores. gran parte de la información de este manual ha sido recopilada durante muchos años en todo el mundo por algunos de los. Este compresor de aire tiene características que harán su trabajo más. a este compresor de aire para familiarizarse con. Compresor De Aire Manual Pdf.
From maquistoresas.com
Compresor de Aire Truper 50Lts 3 1/2hp 15007 Maquistoresas Compresor De Aire Manual Pdf speedaire® air compressor, models covered in this manual, are warranted by dayton electric mfg. gran parte de la información de este manual ha sido recopilada durante muchos años en todo el mundo por algunos de los. ver y descargar atlas copco gx serie manual de instrucciones online. descarga manuales informativos acerca de nuestros compresores. Gx serie. Compresor De Aire Manual Pdf.
From www.scribd.com
Ficha Técnica Compresor de Aire Sullair LS 12 60 PDF Compresor de Compresor De Aire Manual Pdf — use the type of oil specified for a compressor operated under a normal load, or under a light load. ver y descargar atlas copco gx serie manual de instrucciones online. speedaire® air compressor, models covered in this manual, are warranted by dayton electric mfg. Este compresor de aire tiene características que harán su trabajo más. . Compresor De Aire Manual Pdf.
From servicepartmanuals.com
ATLAS COPCO Air Compressor Parts Manual Compresor De Aire Manual Pdf ver y descargar atlas copco gx serie manual de instrucciones online. gran parte de la información de este manual ha sido recopilada durante muchos años en todo el mundo por algunos de los. speedaire® air compressor, models covered in this manual, are warranted by dayton electric mfg. descarga manuales informativos acerca de nuestros compresores. a. Compresor De Aire Manual Pdf.
From userfixabt.z19.web.core.windows.net
Manual De Compresor Ingersoll Rand Compresor De Aire Manual Pdf descarga manuales informativos acerca de nuestros compresores. speedaire® air compressor, models covered in this manual, are warranted by dayton electric mfg. Este compresor de aire tiene características que harán su trabajo más. Gx serie compresores de aire descargar manual en pdf. ver y descargar atlas copco gx serie manual de instrucciones online. gran parte de la. Compresor De Aire Manual Pdf.
From texastoughtools.com
2 galones y 135 PSI Compresor de aire manual ultra silencioso para el Compresor De Aire Manual Pdf a este compresor de aire para familiarizarse con los procedimientos correctos para su operación segura y mantenimiento. descarga manuales informativos acerca de nuestros compresores. speedaire® air compressor, models covered in this manual, are warranted by dayton electric mfg. Gx serie compresores de aire descargar manual en pdf. Este compresor de aire tiene características que harán su trabajo. Compresor De Aire Manual Pdf.
From pistolaneumatica.es
Partes de un compresor de aire neumático y su función Explicado Compresor De Aire Manual Pdf ver y descargar atlas copco gx serie manual de instrucciones online. Este compresor de aire tiene características que harán su trabajo más. gran parte de la información de este manual ha sido recopilada durante muchos años en todo el mundo por algunos de los. speedaire® air compressor, models covered in this manual, are warranted by dayton electric. Compresor De Aire Manual Pdf.
From www.academia.edu
(DOC) FICHA TÉCNICA DEL COMPRESOR Francisco Lojano Academia.edu Compresor De Aire Manual Pdf gran parte de la información de este manual ha sido recopilada durante muchos años en todo el mundo por algunos de los. — use the type of oil specified for a compressor operated under a normal load, or under a light load. Este compresor de aire tiene características que harán su trabajo más. descarga manuales informativos acerca. Compresor De Aire Manual Pdf.
From es.scribd.com
Ficha Técnica Compresores PDF Compresor De Aire Manual Pdf descarga manuales informativos acerca de nuestros compresores. — use the type of oil specified for a compressor operated under a normal load, or under a light load. a este compresor de aire para familiarizarse con los procedimientos correctos para su operación segura y mantenimiento. speedaire® air compressor, models covered in this manual, are warranted by dayton. Compresor De Aire Manual Pdf.
From texastoughtools.com
2 galones y 135 PSI Compresor de aire manual ultra silencioso para el Compresor De Aire Manual Pdf speedaire® air compressor, models covered in this manual, are warranted by dayton electric mfg. gran parte de la información de este manual ha sido recopilada durante muchos años en todo el mundo por algunos de los. a este compresor de aire para familiarizarse con los procedimientos correctos para su operación segura y mantenimiento. Gx serie compresores de. Compresor De Aire Manual Pdf.
From es.slideshare.net
formato de mantenimiento compresor de aire.pdf Compresor De Aire Manual Pdf gran parte de la información de este manual ha sido recopilada durante muchos años en todo el mundo por algunos de los. Este compresor de aire tiene características que harán su trabajo más. descarga manuales informativos acerca de nuestros compresores. — use the type of oil specified for a compressor operated under a normal load, or under. Compresor De Aire Manual Pdf.
From paluexpress.com.mx
Compresor De Aire Manual De Alto Rendimiento Ermn Palu Express Compresor De Aire Manual Pdf ver y descargar atlas copco gx serie manual de instrucciones online. descarga manuales informativos acerca de nuestros compresores. a este compresor de aire para familiarizarse con los procedimientos correctos para su operación segura y mantenimiento. Gx serie compresores de aire descargar manual en pdf. gran parte de la información de este manual ha sido recopilada durante. Compresor De Aire Manual Pdf.
From diagramlibpapudocoe.z13.web.core.windows.net
Diagrama Conexión De Compresor De Aire Compresor De Aire Manual Pdf Este compresor de aire tiene características que harán su trabajo más. gran parte de la información de este manual ha sido recopilada durante muchos años en todo el mundo por algunos de los. ver y descargar atlas copco gx serie manual de instrucciones online. descarga manuales informativos acerca de nuestros compresores. Gx serie compresores de aire descargar. Compresor De Aire Manual Pdf.
From es.scribd.com
Manual Compresor de Aire Brute 074004 Fuse (Electrical) Gas Compressor Compresor De Aire Manual Pdf descarga manuales informativos acerca de nuestros compresores. — use the type of oil specified for a compressor operated under a normal load, or under a light load. Gx serie compresores de aire descargar manual en pdf. a este compresor de aire para familiarizarse con los procedimientos correctos para su operación segura y mantenimiento. Este compresor de aire. Compresor De Aire Manual Pdf.
From texastoughtools.com
2 galones y 135 PSI Compresor de aire manual ultra silencioso para el Compresor De Aire Manual Pdf Gx serie compresores de aire descargar manual en pdf. ver y descargar atlas copco gx serie manual de instrucciones online. descarga manuales informativos acerca de nuestros compresores. speedaire® air compressor, models covered in this manual, are warranted by dayton electric mfg. — use the type of oil specified for a compressor operated under a normal load,. Compresor De Aire Manual Pdf.
From manuals.plus
Manual de instrucciones del compresor de aire CRAFTSMAN CMXECXA0200341 Compresor De Aire Manual Pdf gran parte de la información de este manual ha sido recopilada durante muchos años en todo el mundo por algunos de los. ver y descargar atlas copco gx serie manual de instrucciones online. Gx serie compresores de aire descargar manual en pdf. speedaire® air compressor, models covered in this manual, are warranted by dayton electric mfg. Este. Compresor De Aire Manual Pdf.
From www.youtube.com
CÓMO FUNCIONA UN COMPRESOR DE AIRE. DESARMANDO PARA COMPRENDER. YouTube Compresor De Aire Manual Pdf — use the type of oil specified for a compressor operated under a normal load, or under a light load. descarga manuales informativos acerca de nuestros compresores. speedaire® air compressor, models covered in this manual, are warranted by dayton electric mfg. a este compresor de aire para familiarizarse con los procedimientos correctos para su operación segura. Compresor De Aire Manual Pdf.
From pdfslide.net
(PDF) Manual de Instalación, Operación y Mantención Compresor de Aire Compresor De Aire Manual Pdf — use the type of oil specified for a compressor operated under a normal load, or under a light load. Gx serie compresores de aire descargar manual en pdf. descarga manuales informativos acerca de nuestros compresores. Este compresor de aire tiene características que harán su trabajo más. a este compresor de aire para familiarizarse con los procedimientos. Compresor De Aire Manual Pdf.
From texastoughtools.com
6 galones y 175 PSI Compresor de aire manual de alto rendimiento para Compresor De Aire Manual Pdf Gx serie compresores de aire descargar manual en pdf. a este compresor de aire para familiarizarse con los procedimientos correctos para su operación segura y mantenimiento. ver y descargar atlas copco gx serie manual de instrucciones online. Este compresor de aire tiene características que harán su trabajo más. gran parte de la información de este manual ha. Compresor De Aire Manual Pdf.
From es.scribd.com
MANUAL COMPRESOR DE AIRE.pdf Enchufes y tomas de corriente alterna Compresor De Aire Manual Pdf descarga manuales informativos acerca de nuestros compresores. Gx serie compresores de aire descargar manual en pdf. speedaire® air compressor, models covered in this manual, are warranted by dayton electric mfg. a este compresor de aire para familiarizarse con los procedimientos correctos para su operación segura y mantenimiento. — use the type of oil specified for a. Compresor De Aire Manual Pdf.
From www.leroymerlin.es
Cómo funciona un compresor de aire Leroy Merlin Compresor De Aire Manual Pdf Este compresor de aire tiene características que harán su trabajo más. descarga manuales informativos acerca de nuestros compresores. a este compresor de aire para familiarizarse con los procedimientos correctos para su operación segura y mantenimiento. Gx serie compresores de aire descargar manual en pdf. gran parte de la información de este manual ha sido recopilada durante muchos. Compresor De Aire Manual Pdf.
From es.scribd.com
Ficha Tecnica Compresor Aire PDF Compresor De Aire Manual Pdf speedaire® air compressor, models covered in this manual, are warranted by dayton electric mfg. — use the type of oil specified for a compressor operated under a normal load, or under a light load. Gx serie compresores de aire descargar manual en pdf. Este compresor de aire tiene características que harán su trabajo más. descarga manuales informativos. Compresor De Aire Manual Pdf.
From mundotuerca.cl
Partes y funcionamiento de un compresor de aire Guía completa Compresor De Aire Manual Pdf Este compresor de aire tiene características que harán su trabajo más. — use the type of oil specified for a compressor operated under a normal load, or under a light load. a este compresor de aire para familiarizarse con los procedimientos correctos para su operación segura y mantenimiento. speedaire® air compressor, models covered in this manual, are. Compresor De Aire Manual Pdf.
From dokumen.tips
(PDF) MANUAL DE USO COMPRESOR DE AIRE...MANUAL DE USO COMPRESOR Compresor De Aire Manual Pdf Gx serie compresores de aire descargar manual en pdf. gran parte de la información de este manual ha sido recopilada durante muchos años en todo el mundo por algunos de los. ver y descargar atlas copco gx serie manual de instrucciones online. speedaire® air compressor, models covered in this manual, are warranted by dayton electric mfg. . Compresor De Aire Manual Pdf.
From www.studocu.com
Ficha Compresores E230ME500500 Compresor de aire lubricado 2 etapas Compresor De Aire Manual Pdf a este compresor de aire para familiarizarse con los procedimientos correctos para su operación segura y mantenimiento. — use the type of oil specified for a compressor operated under a normal load, or under a light load. ver y descargar atlas copco gx serie manual de instrucciones online. Este compresor de aire tiene características que harán su. Compresor De Aire Manual Pdf.
From es.scribd.com
Ficha Técnica Compresor de Aire Sullair LS 20 150 PDF Presión Compresor De Aire Manual Pdf Este compresor de aire tiene características que harán su trabajo más. speedaire® air compressor, models covered in this manual, are warranted by dayton electric mfg. gran parte de la información de este manual ha sido recopilada durante muchos años en todo el mundo por algunos de los. a este compresor de aire para familiarizarse con los procedimientos. Compresor De Aire Manual Pdf.
From userdiagramwirtz.z19.web.core.windows.net
Compresor Manual De Aire Compresor De Aire Manual Pdf speedaire® air compressor, models covered in this manual, are warranted by dayton electric mfg. Este compresor de aire tiene características que harán su trabajo más. Gx serie compresores de aire descargar manual en pdf. gran parte de la información de este manual ha sido recopilada durante muchos años en todo el mundo por algunos de los. a. Compresor De Aire Manual Pdf.
From manuals.plus
Manual del propietario del compresor de aire portátil sin aceite McGRAW Compresor De Aire Manual Pdf Este compresor de aire tiene características que harán su trabajo más. Gx serie compresores de aire descargar manual en pdf. speedaire® air compressor, models covered in this manual, are warranted by dayton electric mfg. descarga manuales informativos acerca de nuestros compresores. a este compresor de aire para familiarizarse con los procedimientos correctos para su operación segura y. Compresor De Aire Manual Pdf.
From pistolaneumatica.es
Partes de un compresor de aire y su función Explicado neumática Compresor De Aire Manual Pdf — use the type of oil specified for a compressor operated under a normal load, or under a light load. Gx serie compresores de aire descargar manual en pdf. ver y descargar atlas copco gx serie manual de instrucciones online. a este compresor de aire para familiarizarse con los procedimientos correctos para su operación segura y mantenimiento.. Compresor De Aire Manual Pdf.
From www.scribd.com
Manual de Instalación de un compresor de aire Compresor De Aire Manual Pdf descarga manuales informativos acerca de nuestros compresores. — use the type of oil specified for a compressor operated under a normal load, or under a light load. Gx serie compresores de aire descargar manual en pdf. a este compresor de aire para familiarizarse con los procedimientos correctos para su operación segura y mantenimiento. Este compresor de aire. Compresor De Aire Manual Pdf.