Dc Motor Speed Control Using 8051 Microcontroller . The speed of dc motor is directly proportional. In this tutorial, we will learn about dc motor interfacing with an 8051 microcontroller. In many embedded system projects, we may need to control a dc moto. I have connected only one motor and used the enable pin to contol the speed of dc motor. This document presents a project on four quadrant speed control of a dc motor using a microcontroller. Let’s interface the dc motor with the at89s52 microcontroller and control the dc motor speed by using the speed increment switch and speed decrement switch connected to the. By interfacing dc motor to the microcontroller, we can do many things like controlling the direction of the motor, controlling the speed of the motor. It describes the basic principles of four quadrant operation and. As you can see in the circuit, three pins are needed for interfacing a dc motor (a, b, enable). Dc motor or fan speed is controlled using pwm (pulse width modulation) technique. Their are two ways to generate pulse width modulation signal using 8051. If you want to control speed enable pin is connetcted to the pwm pin of microcontroller.
from dokumen.tips
In many embedded system projects, we may need to control a dc moto. By interfacing dc motor to the microcontroller, we can do many things like controlling the direction of the motor, controlling the speed of the motor. This document presents a project on four quadrant speed control of a dc motor using a microcontroller. Their are two ways to generate pulse width modulation signal using 8051. In this tutorial, we will learn about dc motor interfacing with an 8051 microcontroller. I have connected only one motor and used the enable pin to contol the speed of dc motor. The speed of dc motor is directly proportional. As you can see in the circuit, three pins are needed for interfacing a dc motor (a, b, enable). It describes the basic principles of four quadrant operation and. Let’s interface the dc motor with the at89s52 microcontroller and control the dc motor speed by using the speed increment switch and speed decrement switch connected to the.
(PDF) BIDIRECTIONAL SPEED CONTROL OF DC MOTOR USING 8051 MICROCONTROLLER DOKUMEN.TIPS
Dc Motor Speed Control Using 8051 Microcontroller By interfacing dc motor to the microcontroller, we can do many things like controlling the direction of the motor, controlling the speed of the motor. If you want to control speed enable pin is connetcted to the pwm pin of microcontroller. This document presents a project on four quadrant speed control of a dc motor using a microcontroller. I have connected only one motor and used the enable pin to contol the speed of dc motor. By interfacing dc motor to the microcontroller, we can do many things like controlling the direction of the motor, controlling the speed of the motor. Let’s interface the dc motor with the at89s52 microcontroller and control the dc motor speed by using the speed increment switch and speed decrement switch connected to the. As you can see in the circuit, three pins are needed for interfacing a dc motor (a, b, enable). Their are two ways to generate pulse width modulation signal using 8051. The speed of dc motor is directly proportional. Dc motor or fan speed is controlled using pwm (pulse width modulation) technique. It describes the basic principles of four quadrant operation and. In many embedded system projects, we may need to control a dc moto. In this tutorial, we will learn about dc motor interfacing with an 8051 microcontroller.
From iitestudent.blogspot.com
MICROPROCESSOR AND MICROCONTROLLER 8051 interfacing with DC motor Dc Motor Speed Control Using 8051 Microcontroller I have connected only one motor and used the enable pin to contol the speed of dc motor. Dc motor or fan speed is controlled using pwm (pulse width modulation) technique. In many embedded system projects, we may need to control a dc moto. By interfacing dc motor to the microcontroller, we can do many things like controlling the direction. Dc Motor Speed Control Using 8051 Microcontroller.
From www.circuitstoday.com
Interfacing DC motor to 8051 microcontroller using AT89S51 Dc Motor Speed Control Using 8051 Microcontroller I have connected only one motor and used the enable pin to contol the speed of dc motor. Let’s interface the dc motor with the at89s52 microcontroller and control the dc motor speed by using the speed increment switch and speed decrement switch connected to the. This document presents a project on four quadrant speed control of a dc motor. Dc Motor Speed Control Using 8051 Microcontroller.
From circuit-diagramz.com
Stepper Motor Control using 8051 Microcontroller Dc Motor Speed Control Using 8051 Microcontroller Let’s interface the dc motor with the at89s52 microcontroller and control the dc motor speed by using the speed increment switch and speed decrement switch connected to the. As you can see in the circuit, three pins are needed for interfacing a dc motor (a, b, enable). This document presents a project on four quadrant speed control of a dc. Dc Motor Speed Control Using 8051 Microcontroller.
From www.youtube.com
Microcontroller Based 4 Quadrant DC Motor Speed Control YouTube Dc Motor Speed Control Using 8051 Microcontroller Let’s interface the dc motor with the at89s52 microcontroller and control the dc motor speed by using the speed increment switch and speed decrement switch connected to the. By interfacing dc motor to the microcontroller, we can do many things like controlling the direction of the motor, controlling the speed of the motor. I have connected only one motor and. Dc Motor Speed Control Using 8051 Microcontroller.
From www.edaboard.com
speed control of dc motor using 8051 Forum for Electronics Dc Motor Speed Control Using 8051 Microcontroller In many embedded system projects, we may need to control a dc moto. If you want to control speed enable pin is connetcted to the pwm pin of microcontroller. The speed of dc motor is directly proportional. Dc motor or fan speed is controlled using pwm (pulse width modulation) technique. In this tutorial, we will learn about dc motor interfacing. Dc Motor Speed Control Using 8051 Microcontroller.
From electronicwings.com
DC motor interfacing with 8051 ElectronicWings Dc Motor Speed Control Using 8051 Microcontroller Their are two ways to generate pulse width modulation signal using 8051. By interfacing dc motor to the microcontroller, we can do many things like controlling the direction of the motor, controlling the speed of the motor. In many embedded system projects, we may need to control a dc moto. In this tutorial, we will learn about dc motor interfacing. Dc Motor Speed Control Using 8051 Microcontroller.
From www.electrosal.com
Four Quadrant Operation Or Speed Control Of DC Motor IN Both Direction Using Microcontroller And Dc Motor Speed Control Using 8051 Microcontroller Let’s interface the dc motor with the at89s52 microcontroller and control the dc motor speed by using the speed increment switch and speed decrement switch connected to the. By interfacing dc motor to the microcontroller, we can do many things like controlling the direction of the motor, controlling the speed of the motor. Dc motor or fan speed is controlled. Dc Motor Speed Control Using 8051 Microcontroller.
From www.youtube.com
speed control of DC motor using 8051 microcontroller YouTube Dc Motor Speed Control Using 8051 Microcontroller I have connected only one motor and used the enable pin to contol the speed of dc motor. As you can see in the circuit, three pins are needed for interfacing a dc motor (a, b, enable). Let’s interface the dc motor with the at89s52 microcontroller and control the dc motor speed by using the speed increment switch and speed. Dc Motor Speed Control Using 8051 Microcontroller.
From microcontroller-library.blogspot.com
8051 Microcontroller Based DC Motor Control microcontroller Projects Dc Motor Speed Control Using 8051 Microcontroller If you want to control speed enable pin is connetcted to the pwm pin of microcontroller. As you can see in the circuit, three pins are needed for interfacing a dc motor (a, b, enable). Their are two ways to generate pulse width modulation signal using 8051. By interfacing dc motor to the microcontroller, we can do many things like. Dc Motor Speed Control Using 8051 Microcontroller.
From www.pinterest.es
Stepper Motor Interfacing with 8051 Microcontroller Stepper motor, Steppers, Microcontrollers Dc Motor Speed Control Using 8051 Microcontroller Dc motor or fan speed is controlled using pwm (pulse width modulation) technique. In many embedded system projects, we may need to control a dc moto. I have connected only one motor and used the enable pin to contol the speed of dc motor. By interfacing dc motor to the microcontroller, we can do many things like controlling the direction. Dc Motor Speed Control Using 8051 Microcontroller.
From pic-microcontroller.com
Interfacing DC Motor with 8051 Microcontroller Dc Motor Speed Control Using 8051 Microcontroller If you want to control speed enable pin is connetcted to the pwm pin of microcontroller. In many embedded system projects, we may need to control a dc moto. Dc motor or fan speed is controlled using pwm (pulse width modulation) technique. Let’s interface the dc motor with the at89s52 microcontroller and control the dc motor speed by using the. Dc Motor Speed Control Using 8051 Microcontroller.
From www.youtube.com
Interfacing DC Motor with 8051 Microcontroller YouTube Dc Motor Speed Control Using 8051 Microcontroller By interfacing dc motor to the microcontroller, we can do many things like controlling the direction of the motor, controlling the speed of the motor. Dc motor or fan speed is controlled using pwm (pulse width modulation) technique. If you want to control speed enable pin is connetcted to the pwm pin of microcontroller. In this tutorial, we will learn. Dc Motor Speed Control Using 8051 Microcontroller.
From www.snapdeal.com
8051 MICROCONTROLLER BASED DC MOTOR SPEED CONTROL DUTY CYCLE CONTROL EMBEDDED PROJECT Buy 8051 Dc Motor Speed Control Using 8051 Microcontroller As you can see in the circuit, three pins are needed for interfacing a dc motor (a, b, enable). It describes the basic principles of four quadrant operation and. In many embedded system projects, we may need to control a dc moto. The speed of dc motor is directly proportional. This document presents a project on four quadrant speed control. Dc Motor Speed Control Using 8051 Microcontroller.
From www.elprocus.com
DC motor Interfacing with 8051 Microcontroller using L293D Dc Motor Speed Control Using 8051 Microcontroller The speed of dc motor is directly proportional. It describes the basic principles of four quadrant operation and. In many embedded system projects, we may need to control a dc moto. If you want to control speed enable pin is connetcted to the pwm pin of microcontroller. This document presents a project on four quadrant speed control of a dc. Dc Motor Speed Control Using 8051 Microcontroller.
From www.pinterest.co.uk
This interfacing DC Motor with 8051 microcontroller circuit is used in robots to control the Dc Motor Speed Control Using 8051 Microcontroller It describes the basic principles of four quadrant operation and. The speed of dc motor is directly proportional. If you want to control speed enable pin is connetcted to the pwm pin of microcontroller. By interfacing dc motor to the microcontroller, we can do many things like controlling the direction of the motor, controlling the speed of the motor. Their. Dc Motor Speed Control Using 8051 Microcontroller.
From www.electronicshub.org
PWM Based DC Motor Speed Control using Microcontroller Dc Motor Speed Control Using 8051 Microcontroller This document presents a project on four quadrant speed control of a dc motor using a microcontroller. Dc motor or fan speed is controlled using pwm (pulse width modulation) technique. In this tutorial, we will learn about dc motor interfacing with an 8051 microcontroller. Let’s interface the dc motor with the at89s52 microcontroller and control the dc motor speed by. Dc Motor Speed Control Using 8051 Microcontroller.
From www.youtube.com
DC Motor Interfacing with 8051 Microcontroller YouTube Dc Motor Speed Control Using 8051 Microcontroller By interfacing dc motor to the microcontroller, we can do many things like controlling the direction of the motor, controlling the speed of the motor. In many embedded system projects, we may need to control a dc moto. If you want to control speed enable pin is connetcted to the pwm pin of microcontroller. I have connected only one motor. Dc Motor Speed Control Using 8051 Microcontroller.
From www.youtube.com
Speed Control of DC Motor using PWM with 8051 MicroController in Proteus and Keil Compiler Dc Motor Speed Control Using 8051 Microcontroller Let’s interface the dc motor with the at89s52 microcontroller and control the dc motor speed by using the speed increment switch and speed decrement switch connected to the. The speed of dc motor is directly proportional. It describes the basic principles of four quadrant operation and. In many embedded system projects, we may need to control a dc moto. If. Dc Motor Speed Control Using 8051 Microcontroller.
From www.elprocus.com
DC motor Interfacing with 8051 Microcontroller using L293D Dc Motor Speed Control Using 8051 Microcontroller This document presents a project on four quadrant speed control of a dc motor using a microcontroller. By interfacing dc motor to the microcontroller, we can do many things like controlling the direction of the motor, controlling the speed of the motor. I have connected only one motor and used the enable pin to contol the speed of dc motor.. Dc Motor Speed Control Using 8051 Microcontroller.
From www.youtube.com
Speed Control of DC motor using 8051 Microcontroller YouTube Dc Motor Speed Control Using 8051 Microcontroller If you want to control speed enable pin is connetcted to the pwm pin of microcontroller. Their are two ways to generate pulse width modulation signal using 8051. By interfacing dc motor to the microcontroller, we can do many things like controlling the direction of the motor, controlling the speed of the motor. As you can see in the circuit,. Dc Motor Speed Control Using 8051 Microcontroller.
From microcontrollerslab.com
DC Motor Speed Control using Pic microcontroller PWM method Dc Motor Speed Control Using 8051 Microcontroller I have connected only one motor and used the enable pin to contol the speed of dc motor. The speed of dc motor is directly proportional. Let’s interface the dc motor with the at89s52 microcontroller and control the dc motor speed by using the speed increment switch and speed decrement switch connected to the. By interfacing dc motor to the. Dc Motor Speed Control Using 8051 Microcontroller.
From www.youtube.com
Interfacing DC Motor with 8051 using Proteus Software Controlling a DC Motor using 8051 Dc Motor Speed Control Using 8051 Microcontroller In this tutorial, we will learn about dc motor interfacing with an 8051 microcontroller. As you can see in the circuit, three pins are needed for interfacing a dc motor (a, b, enable). If you want to control speed enable pin is connetcted to the pwm pin of microcontroller. Their are two ways to generate pulse width modulation signal using. Dc Motor Speed Control Using 8051 Microcontroller.
From www.scribd.com
Speed Control of a DC Motor Using Pulse Width Modulation with a Microcontroller 8051 PDF Dc Motor Speed Control Using 8051 Microcontroller Their are two ways to generate pulse width modulation signal using 8051. It describes the basic principles of four quadrant operation and. In many embedded system projects, we may need to control a dc moto. If you want to control speed enable pin is connetcted to the pwm pin of microcontroller. This document presents a project on four quadrant speed. Dc Motor Speed Control Using 8051 Microcontroller.
From electrosome.com
Interfacing DC Motor with 8051 using L293D AT89C51 Keil C Dc Motor Speed Control Using 8051 Microcontroller The speed of dc motor is directly proportional. It describes the basic principles of four quadrant operation and. Dc motor or fan speed is controlled using pwm (pulse width modulation) technique. In many embedded system projects, we may need to control a dc moto. I have connected only one motor and used the enable pin to contol the speed of. Dc Motor Speed Control Using 8051 Microcontroller.
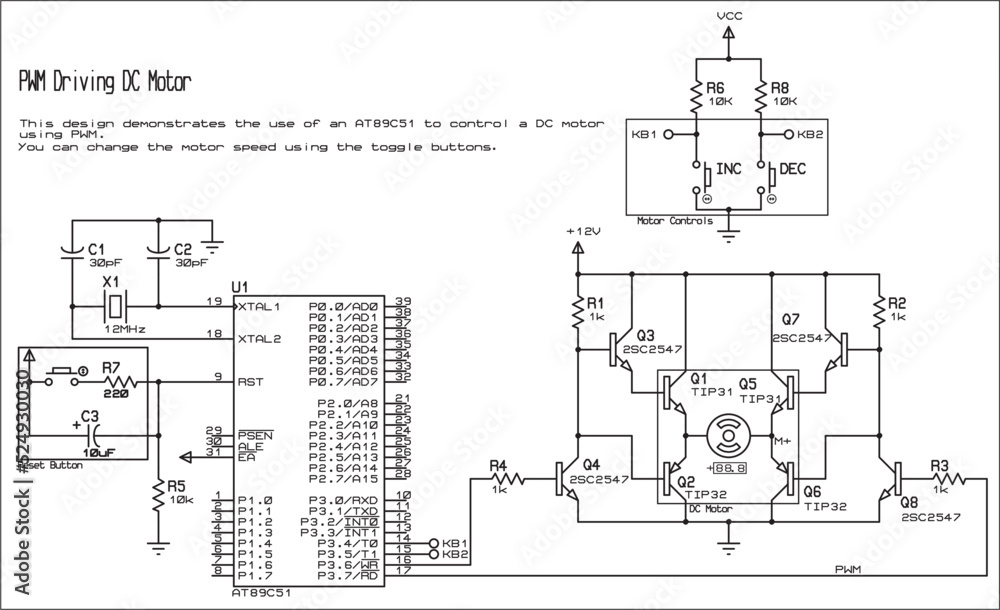
From stock.adobe.com
Vector diagram of an electrical schematic of a digital device (driving dc motor), operating Dc Motor Speed Control Using 8051 Microcontroller It describes the basic principles of four quadrant operation and. Dc motor or fan speed is controlled using pwm (pulse width modulation) technique. By interfacing dc motor to the microcontroller, we can do many things like controlling the direction of the motor, controlling the speed of the motor. Their are two ways to generate pulse width modulation signal using 8051.. Dc Motor Speed Control Using 8051 Microcontroller.
From www.tpsearchtool.com
8051 Programming Interfacing Dc Motor With 8051 Microcontroller Images Dc Motor Speed Control Using 8051 Microcontroller This document presents a project on four quadrant speed control of a dc motor using a microcontroller. In this tutorial, we will learn about dc motor interfacing with an 8051 microcontroller. By interfacing dc motor to the microcontroller, we can do many things like controlling the direction of the motor, controlling the speed of the motor. As you can see. Dc Motor Speed Control Using 8051 Microcontroller.
From dokumen.tips
(PDF) BIDIRECTIONAL SPEED CONTROL OF DC MOTOR USING 8051 MICROCONTROLLER DOKUMEN.TIPS Dc Motor Speed Control Using 8051 Microcontroller Their are two ways to generate pulse width modulation signal using 8051. Let’s interface the dc motor with the at89s52 microcontroller and control the dc motor speed by using the speed increment switch and speed decrement switch connected to the. In this tutorial, we will learn about dc motor interfacing with an 8051 microcontroller. In many embedded system projects, we. Dc Motor Speed Control Using 8051 Microcontroller.
From www.indiamart.com
Dc Motor Speed Controller Using 8051 at Rs 1949.00 DC Motor Controller ID 25944405348 Dc Motor Speed Control Using 8051 Microcontroller The speed of dc motor is directly proportional. In many embedded system projects, we may need to control a dc moto. Their are two ways to generate pulse width modulation signal using 8051. It describes the basic principles of four quadrant operation and. I have connected only one motor and used the enable pin to contol the speed of dc. Dc Motor Speed Control Using 8051 Microcontroller.
From schematicdegauss.z21.web.core.windows.net
Dc Motor With Speed Control Dc Motor Speed Control Using 8051 Microcontroller In many embedded system projects, we may need to control a dc moto. Dc motor or fan speed is controlled using pwm (pulse width modulation) technique. Their are two ways to generate pulse width modulation signal using 8051. I have connected only one motor and used the enable pin to contol the speed of dc motor. The speed of dc. Dc Motor Speed Control Using 8051 Microcontroller.
From www.youtube.com
Dc Motor Speed Control Using 8051 Microcontroller YouTube Dc Motor Speed Control Using 8051 Microcontroller By interfacing dc motor to the microcontroller, we can do many things like controlling the direction of the motor, controlling the speed of the motor. In this tutorial, we will learn about dc motor interfacing with an 8051 microcontroller. As you can see in the circuit, three pins are needed for interfacing a dc motor (a, b, enable). Dc motor. Dc Motor Speed Control Using 8051 Microcontroller.
From www.youtube.com
MOTOR SPEED CONTROL USING 8051 MICROCONTROLLER YouTube Dc Motor Speed Control Using 8051 Microcontroller This document presents a project on four quadrant speed control of a dc motor using a microcontroller. The speed of dc motor is directly proportional. As you can see in the circuit, three pins are needed for interfacing a dc motor (a, b, enable). Let’s interface the dc motor with the at89s52 microcontroller and control the dc motor speed by. Dc Motor Speed Control Using 8051 Microcontroller.
From www.engineersgarage.com
DC Motor Control using PWM with ADC Dc Motor Speed Control Using 8051 Microcontroller It describes the basic principles of four quadrant operation and. Dc motor or fan speed is controlled using pwm (pulse width modulation) technique. Their are two ways to generate pulse width modulation signal using 8051. As you can see in the circuit, three pins are needed for interfacing a dc motor (a, b, enable). In this tutorial, we will learn. Dc Motor Speed Control Using 8051 Microcontroller.
From www.electronicshub.org
Stepper Motor Interfacing with 8051 Microcontroller Dc Motor Speed Control Using 8051 Microcontroller In many embedded system projects, we may need to control a dc moto. I have connected only one motor and used the enable pin to contol the speed of dc motor. Dc motor or fan speed is controlled using pwm (pulse width modulation) technique. As you can see in the circuit, three pins are needed for interfacing a dc motor. Dc Motor Speed Control Using 8051 Microcontroller.
From www.engineersgarage.com
Dc Motor Speed Control with 8051(89c51,89c52) Microcontroller using PWM Technique and l293d Dc Motor Speed Control Using 8051 Microcontroller By interfacing dc motor to the microcontroller, we can do many things like controlling the direction of the motor, controlling the speed of the motor. In this tutorial, we will learn about dc motor interfacing with an 8051 microcontroller. This document presents a project on four quadrant speed control of a dc motor using a microcontroller. Let’s interface the dc. Dc Motor Speed Control Using 8051 Microcontroller.
From www.pinterest.com
Speed Control Unit Designed for a DC Motor Giáo dục Dc Motor Speed Control Using 8051 Microcontroller Let’s interface the dc motor with the at89s52 microcontroller and control the dc motor speed by using the speed increment switch and speed decrement switch connected to the. It describes the basic principles of four quadrant operation and. If you want to control speed enable pin is connetcted to the pwm pin of microcontroller. In this tutorial, we will learn. Dc Motor Speed Control Using 8051 Microcontroller.