Wiring Diagram Xenia 1000Cc Pdf . Scribd is the world's largest. Daihatsu service and repair manuals. In the table below you can see 0 xenia workshop manuals,0 xenia. This document provides a diagram. We have 216 free pdf’s spread across 31 daihatsu. We have 6 daihatsu xenia manuals covering a total of 27 years of production. How to find your daihatsu workshop or owners manual. This document provides a diagram.
from www.scribd.com
We have 6 daihatsu xenia manuals covering a total of 27 years of production. We have 216 free pdf’s spread across 31 daihatsu. Daihatsu service and repair manuals. This document provides a diagram. Scribd is the world's largest. In the table below you can see 0 xenia workshop manuals,0 xenia. How to find your daihatsu workshop or owners manual. This document provides a diagram.
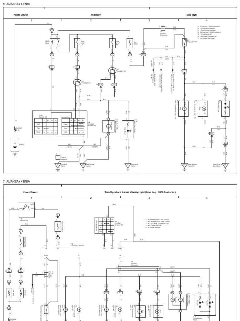
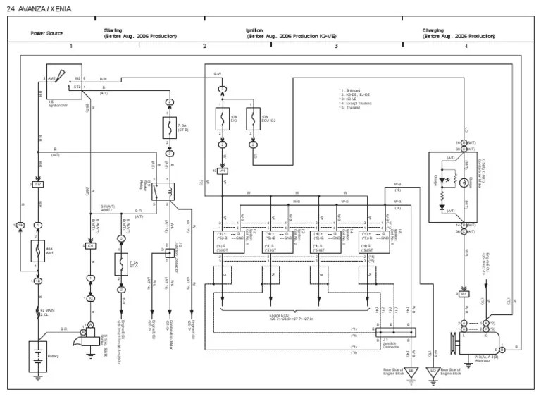
Wiring Diagram Xenia Avanza PDF Automotive Technologies
Wiring Diagram Xenia 1000Cc Pdf This document provides a diagram. This document provides a diagram. This document provides a diagram. We have 6 daihatsu xenia manuals covering a total of 27 years of production. Scribd is the world's largest. Daihatsu service and repair manuals. How to find your daihatsu workshop or owners manual. In the table below you can see 0 xenia workshop manuals,0 xenia. We have 216 free pdf’s spread across 31 daihatsu.
From manual.imagenes4k.com
Vga Cable Wiring Diagram 9 Pin [diagram Download] 9 Pin Vga Cable Wiring Diagram Xenia 1000Cc Pdf How to find your daihatsu workshop or owners manual. In the table below you can see 0 xenia workshop manuals,0 xenia. We have 6 daihatsu xenia manuals covering a total of 27 years of production. This document provides a diagram. We have 216 free pdf’s spread across 31 daihatsu. Daihatsu service and repair manuals. Scribd is the world's largest. This. Wiring Diagram Xenia 1000Cc Pdf.
From www.wiringboards.com
Wiring Diagram Power Window Xenia Wiring Boards Wiring Diagram Xenia 1000Cc Pdf We have 6 daihatsu xenia manuals covering a total of 27 years of production. This document provides a diagram. In the table below you can see 0 xenia workshop manuals,0 xenia. How to find your daihatsu workshop or owners manual. Scribd is the world's largest. Daihatsu service and repair manuals. We have 216 free pdf’s spread across 31 daihatsu. This. Wiring Diagram Xenia 1000Cc Pdf.
From www.wiringdiagramid.com
wiring diagram xenia 1000cc Xenia 1000cc daihatsu harus kelemahan Wiring Diagram Xenia 1000Cc Pdf We have 6 daihatsu xenia manuals covering a total of 27 years of production. Scribd is the world's largest. This document provides a diagram. How to find your daihatsu workshop or owners manual. In the table below you can see 0 xenia workshop manuals,0 xenia. We have 216 free pdf’s spread across 31 daihatsu. This document provides a diagram. Daihatsu. Wiring Diagram Xenia 1000Cc Pdf.
From fixschematicevelina55.z13.web.core.windows.net
wiring diagram xenia 1000cc Wiring Diagram Xenia 1000Cc Pdf We have 6 daihatsu xenia manuals covering a total of 27 years of production. In the table below you can see 0 xenia workshop manuals,0 xenia. Scribd is the world's largest. We have 216 free pdf’s spread across 31 daihatsu. This document provides a diagram. Daihatsu service and repair manuals. How to find your daihatsu workshop or owners manual. This. Wiring Diagram Xenia 1000Cc Pdf.
From www.clublexus.com
wiring question. ls400 dash in a toyota rv ClubLexus Lexus Forum Wiring Diagram Xenia 1000Cc Pdf How to find your daihatsu workshop or owners manual. Scribd is the world's largest. We have 6 daihatsu xenia manuals covering a total of 27 years of production. This document provides a diagram. This document provides a diagram. Daihatsu service and repair manuals. In the table below you can see 0 xenia workshop manuals,0 xenia. We have 216 free pdf’s. Wiring Diagram Xenia 1000Cc Pdf.
From schematicwiringfreytag.z19.web.core.windows.net
Wiring Diagram Xenia 1000 Wiring Diagram Xenia 1000Cc Pdf In the table below you can see 0 xenia workshop manuals,0 xenia. Daihatsu service and repair manuals. Scribd is the world's largest. We have 216 free pdf’s spread across 31 daihatsu. We have 6 daihatsu xenia manuals covering a total of 27 years of production. How to find your daihatsu workshop or owners manual. This document provides a diagram. This. Wiring Diagram Xenia 1000Cc Pdf.
From shopee.co.id
Jual kabel body wiring xenia 1000cc [pnd] Shopee Indonesia Wiring Diagram Xenia 1000Cc Pdf This document provides a diagram. Scribd is the world's largest. This document provides a diagram. In the table below you can see 0 xenia workshop manuals,0 xenia. How to find your daihatsu workshop or owners manual. Daihatsu service and repair manuals. We have 216 free pdf’s spread across 31 daihatsu. We have 6 daihatsu xenia manuals covering a total of. Wiring Diagram Xenia 1000Cc Pdf.
From manuallibnumbers.z21.web.core.windows.net
Daihatsu Cuore Wiring Diagram Wiring Diagram Xenia 1000Cc Pdf Scribd is the world's largest. How to find your daihatsu workshop or owners manual. This document provides a diagram. Daihatsu service and repair manuals. This document provides a diagram. We have 6 daihatsu xenia manuals covering a total of 27 years of production. We have 216 free pdf’s spread across 31 daihatsu. In the table below you can see 0. Wiring Diagram Xenia 1000Cc Pdf.
From imginspiring21.blogspot.com
[Get 45+] Wiring Diagram Xenia 1000cc Wiring Diagram Xenia 1000Cc Pdf This document provides a diagram. In the table below you can see 0 xenia workshop manuals,0 xenia. Scribd is the world's largest. We have 6 daihatsu xenia manuals covering a total of 27 years of production. This document provides a diagram. Daihatsu service and repair manuals. We have 216 free pdf’s spread across 31 daihatsu. How to find your daihatsu. Wiring Diagram Xenia 1000Cc Pdf.
From emporiopeliculas.blogspot.com
[41+] Wiring Diagram Efi Xenia Wiring Diagram Xenia 1000Cc Pdf Daihatsu service and repair manuals. This document provides a diagram. We have 216 free pdf’s spread across 31 daihatsu. How to find your daihatsu workshop or owners manual. We have 6 daihatsu xenia manuals covering a total of 27 years of production. In the table below you can see 0 xenia workshop manuals,0 xenia. Scribd is the world's largest. This. Wiring Diagram Xenia 1000Cc Pdf.
From www.scribd.com
Radiator Fan Wiring Diagram Xenia 2 Coil PDF Wheeled Vehicles Wiring Diagram Xenia 1000Cc Pdf We have 6 daihatsu xenia manuals covering a total of 27 years of production. Scribd is the world's largest. This document provides a diagram. How to find your daihatsu workshop or owners manual. In the table below you can see 0 xenia workshop manuals,0 xenia. Daihatsu service and repair manuals. This document provides a diagram. We have 216 free pdf’s. Wiring Diagram Xenia 1000Cc Pdf.
From www.scribd.com
Wiring Diagram Xenia Avanza PDF Automotive Technologies Wiring Diagram Xenia 1000Cc Pdf We have 6 daihatsu xenia manuals covering a total of 27 years of production. How to find your daihatsu workshop or owners manual. We have 216 free pdf’s spread across 31 daihatsu. In the table below you can see 0 xenia workshop manuals,0 xenia. Scribd is the world's largest. This document provides a diagram. This document provides a diagram. Daihatsu. Wiring Diagram Xenia 1000Cc Pdf.
From imginspiring21.blogspot.com
[Get 45+] Wiring Diagram Xenia 1000cc Wiring Diagram Xenia 1000Cc Pdf How to find your daihatsu workshop or owners manual. This document provides a diagram. In the table below you can see 0 xenia workshop manuals,0 xenia. This document provides a diagram. We have 6 daihatsu xenia manuals covering a total of 27 years of production. Daihatsu service and repair manuals. We have 216 free pdf’s spread across 31 daihatsu. Scribd. Wiring Diagram Xenia 1000Cc Pdf.
From guidelistsandoval.z19.web.core.windows.net
Wiring Diagram Xenia 1000 Wiring Diagram Xenia 1000Cc Pdf This document provides a diagram. In the table below you can see 0 xenia workshop manuals,0 xenia. Scribd is the world's largest. We have 6 daihatsu xenia manuals covering a total of 27 years of production. This document provides a diagram. Daihatsu service and repair manuals. We have 216 free pdf’s spread across 31 daihatsu. How to find your daihatsu. Wiring Diagram Xenia 1000Cc Pdf.
From www.wiringwork.com
Wiring Diagram Ac Xenia Wiring Work Wiring Diagram Xenia 1000Cc Pdf We have 216 free pdf’s spread across 31 daihatsu. This document provides a diagram. In the table below you can see 0 xenia workshop manuals,0 xenia. Scribd is the world's largest. How to find your daihatsu workshop or owners manual. This document provides a diagram. We have 6 daihatsu xenia manuals covering a total of 27 years of production. Daihatsu. Wiring Diagram Xenia 1000Cc Pdf.
From shopee.co.id
Jual (A4) wiring diagram daihatsu xenia vvti. Shopee Indonesia Wiring Diagram Xenia 1000Cc Pdf This document provides a diagram. We have 6 daihatsu xenia manuals covering a total of 27 years of production. How to find your daihatsu workshop or owners manual. Scribd is the world's largest. This document provides a diagram. In the table below you can see 0 xenia workshop manuals,0 xenia. Daihatsu service and repair manuals. We have 216 free pdf’s. Wiring Diagram Xenia 1000Cc Pdf.
From www.youtube.com
Relay dan fuse untuk sistem AC di Toyota Avanza Xenia YouTube Wiring Diagram Xenia 1000Cc Pdf Daihatsu service and repair manuals. How to find your daihatsu workshop or owners manual. This document provides a diagram. We have 216 free pdf’s spread across 31 daihatsu. We have 6 daihatsu xenia manuals covering a total of 27 years of production. Scribd is the world's largest. In the table below you can see 0 xenia workshop manuals,0 xenia. This. Wiring Diagram Xenia 1000Cc Pdf.
From www.wiringdiagramid.com
wiring diagram xenia 1000cc Xenia 1000cc daihatsu harus kelemahan Wiring Diagram Xenia 1000Cc Pdf This document provides a diagram. We have 216 free pdf’s spread across 31 daihatsu. This document provides a diagram. Daihatsu service and repair manuals. In the table below you can see 0 xenia workshop manuals,0 xenia. We have 6 daihatsu xenia manuals covering a total of 27 years of production. Scribd is the world's largest. How to find your daihatsu. Wiring Diagram Xenia 1000Cc Pdf.
From www.skemawiringdiagram.my.id
Diagram Kelistrikan Motor Nmax Skema Wiring Diagram Wiring Diagram Xenia 1000Cc Pdf How to find your daihatsu workshop or owners manual. In the table below you can see 0 xenia workshop manuals,0 xenia. This document provides a diagram. We have 6 daihatsu xenia manuals covering a total of 27 years of production. Daihatsu service and repair manuals. Scribd is the world's largest. This document provides a diagram. We have 216 free pdf’s. Wiring Diagram Xenia 1000Cc Pdf.
From fixschematicevelina55.z13.web.core.windows.net
wiring diagram mobil xenia Wiring Diagram Xenia 1000Cc Pdf Scribd is the world's largest. Daihatsu service and repair manuals. This document provides a diagram. We have 6 daihatsu xenia manuals covering a total of 27 years of production. In the table below you can see 0 xenia workshop manuals,0 xenia. This document provides a diagram. We have 216 free pdf’s spread across 31 daihatsu. How to find your daihatsu. Wiring Diagram Xenia 1000Cc Pdf.
From www.wiringdiagramid.com
wiring diagram xenia 1000cc Xenia 1000cc daihatsu harus kelemahan Wiring Diagram Xenia 1000Cc Pdf In the table below you can see 0 xenia workshop manuals,0 xenia. This document provides a diagram. We have 216 free pdf’s spread across 31 daihatsu. Daihatsu service and repair manuals. Scribd is the world's largest. We have 6 daihatsu xenia manuals covering a total of 27 years of production. How to find your daihatsu workshop or owners manual. This. Wiring Diagram Xenia 1000Cc Pdf.
From wiringdiagramall.blogspot.com
Wiring Diagram Avanza Non Vvti Wiring Diagram Xenia 1000Cc Pdf We have 216 free pdf’s spread across 31 daihatsu. How to find your daihatsu workshop or owners manual. This document provides a diagram. In the table below you can see 0 xenia workshop manuals,0 xenia. Scribd is the world's largest. We have 6 daihatsu xenia manuals covering a total of 27 years of production. Daihatsu service and repair manuals. This. Wiring Diagram Xenia 1000Cc Pdf.
From www.wiringdiagramid.com
wiring diagram xenia 1000cc Xenia 1000cc daihatsu harus kelemahan Wiring Diagram Xenia 1000Cc Pdf How to find your daihatsu workshop or owners manual. Daihatsu service and repair manuals. This document provides a diagram. We have 216 free pdf’s spread across 31 daihatsu. In the table below you can see 0 xenia workshop manuals,0 xenia. We have 6 daihatsu xenia manuals covering a total of 27 years of production. This document provides a diagram. Scribd. Wiring Diagram Xenia 1000Cc Pdf.
From schematicwiringfreytag.z19.web.core.windows.net
Wiring Diagram Xenia 1000 Wiring Diagram Xenia 1000Cc Pdf How to find your daihatsu workshop or owners manual. Daihatsu service and repair manuals. This document provides a diagram. Scribd is the world's largest. We have 6 daihatsu xenia manuals covering a total of 27 years of production. In the table below you can see 0 xenia workshop manuals,0 xenia. This document provides a diagram. We have 216 free pdf’s. Wiring Diagram Xenia 1000Cc Pdf.
From www.scribd.com
Avanza Xenia Wiring Diagram PDF Vehicle Industry Components Wiring Diagram Xenia 1000Cc Pdf This document provides a diagram. We have 216 free pdf’s spread across 31 daihatsu. This document provides a diagram. We have 6 daihatsu xenia manuals covering a total of 27 years of production. In the table below you can see 0 xenia workshop manuals,0 xenia. Scribd is the world's largest. How to find your daihatsu workshop or owners manual. Daihatsu. Wiring Diagram Xenia 1000Cc Pdf.
From www.youtube.com
pin soket eccu / ecm avansa xenia/ wiring diagram eccu avansa /xenia Wiring Diagram Xenia 1000Cc Pdf This document provides a diagram. How to find your daihatsu workshop or owners manual. In the table below you can see 0 xenia workshop manuals,0 xenia. Daihatsu service and repair manuals. Scribd is the world's largest. We have 216 free pdf’s spread across 31 daihatsu. We have 6 daihatsu xenia manuals covering a total of 27 years of production. This. Wiring Diagram Xenia 1000Cc Pdf.
From imginspiring21.blogspot.com
[Get 45+] Wiring Diagram Xenia 1000cc Wiring Diagram Xenia 1000Cc Pdf We have 6 daihatsu xenia manuals covering a total of 27 years of production. This document provides a diagram. This document provides a diagram. In the table below you can see 0 xenia workshop manuals,0 xenia. Scribd is the world's largest. How to find your daihatsu workshop or owners manual. We have 216 free pdf’s spread across 31 daihatsu. Daihatsu. Wiring Diagram Xenia 1000Cc Pdf.
From www.wiringcore.com
Wiring Diagram For 2004 Polaris Ranger 500 Xp 1000cc » Wiring Core Wiring Diagram Xenia 1000Cc Pdf How to find your daihatsu workshop or owners manual. This document provides a diagram. Scribd is the world's largest. We have 6 daihatsu xenia manuals covering a total of 27 years of production. We have 216 free pdf’s spread across 31 daihatsu. This document provides a diagram. Daihatsu service and repair manuals. In the table below you can see 0. Wiring Diagram Xenia 1000Cc Pdf.
From 1waydimm61.blogspot.com
[View 28+] Wiring Diagram Efi Xenia Wiring Diagram Xenia 1000Cc Pdf How to find your daihatsu workshop or owners manual. Scribd is the world's largest. Daihatsu service and repair manuals. We have 216 free pdf’s spread across 31 daihatsu. We have 6 daihatsu xenia manuals covering a total of 27 years of production. This document provides a diagram. In the table below you can see 0 xenia workshop manuals,0 xenia. This. Wiring Diagram Xenia 1000Cc Pdf.
From pasarmalamtar.blogspot.com
Pasar Malam Jalan TAR Wiring Diagram Yamaha Virago 1100, Yamaha Virago Wiring Diagram Xenia 1000Cc Pdf This document provides a diagram. We have 6 daihatsu xenia manuals covering a total of 27 years of production. We have 216 free pdf’s spread across 31 daihatsu. How to find your daihatsu workshop or owners manual. In the table below you can see 0 xenia workshop manuals,0 xenia. Daihatsu service and repair manuals. This document provides a diagram. Scribd. Wiring Diagram Xenia 1000Cc Pdf.
From www.wiringdiagramid.com
wiring diagram xenia 1000cc Xenia 1000cc daihatsu harus kelemahan Wiring Diagram Xenia 1000Cc Pdf This document provides a diagram. Daihatsu service and repair manuals. How to find your daihatsu workshop or owners manual. Scribd is the world's largest. We have 6 daihatsu xenia manuals covering a total of 27 years of production. We have 216 free pdf’s spread across 31 daihatsu. In the table below you can see 0 xenia workshop manuals,0 xenia. This. Wiring Diagram Xenia 1000Cc Pdf.
From www.youtube.com
Electric Wring Diagram EFI Main Relay AVANZA YouTube Wiring Diagram Xenia 1000Cc Pdf Daihatsu service and repair manuals. This document provides a diagram. We have 6 daihatsu xenia manuals covering a total of 27 years of production. This document provides a diagram. How to find your daihatsu workshop or owners manual. Scribd is the world's largest. We have 216 free pdf’s spread across 31 daihatsu. In the table below you can see 0. Wiring Diagram Xenia 1000Cc Pdf.
From imginspiring21.blogspot.com
[Get 45+] Wiring Diagram Xenia 1000cc Wiring Diagram Xenia 1000Cc Pdf Daihatsu service and repair manuals. Scribd is the world's largest. This document provides a diagram. We have 6 daihatsu xenia manuals covering a total of 27 years of production. In the table below you can see 0 xenia workshop manuals,0 xenia. We have 216 free pdf’s spread across 31 daihatsu. How to find your daihatsu workshop or owners manual. This. Wiring Diagram Xenia 1000Cc Pdf.
From pdfcoffee.com
Xenia 1000cc Wiring Diagram Xenia 1000Cc Pdf We have 6 daihatsu xenia manuals covering a total of 27 years of production. Daihatsu service and repair manuals. In the table below you can see 0 xenia workshop manuals,0 xenia. How to find your daihatsu workshop or owners manual. We have 216 free pdf’s spread across 31 daihatsu. Scribd is the world's largest. This document provides a diagram. This. Wiring Diagram Xenia 1000Cc Pdf.
From freeautomotivemanual.blogspot.com
Free Automotive Manuals Daihatsu Xenia VVTi Electrical Wiring Diagram Wiring Diagram Xenia 1000Cc Pdf This document provides a diagram. In the table below you can see 0 xenia workshop manuals,0 xenia. How to find your daihatsu workshop or owners manual. Daihatsu service and repair manuals. We have 216 free pdf’s spread across 31 daihatsu. We have 6 daihatsu xenia manuals covering a total of 27 years of production. Scribd is the world's largest. This. Wiring Diagram Xenia 1000Cc Pdf.