Bridge Rectifier Types . The diodes conduct in pairs through. Find out the 4 types of bridge rectifiers, their working principles, and why they are crucial for the smooth operation of. Learn its working, construction, characteristics and more. It is the most efficient rectifier circuit. Bridge rectifier is a type of rectifier that uses four or more diodes in a bridge configuration. Bridge rectifiers for a particular application are selected by considering the load current requirements. Stay on and head further to dig out everything about bridge rectifier circuit, it’s types, how it works, characteristics, applications and advantages. Uses controlled switches such as mosfets or igbts with control logic.
from www.geeksforgeeks.org
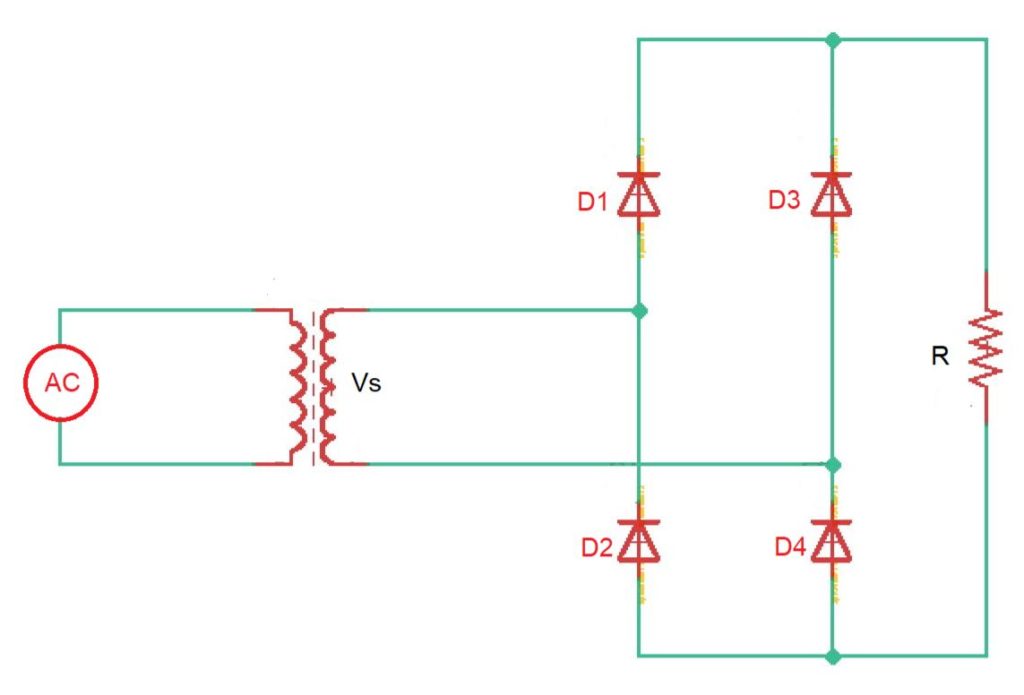
Bridge rectifier is a type of rectifier that uses four or more diodes in a bridge configuration. It is the most efficient rectifier circuit. The diodes conduct in pairs through. Find out the 4 types of bridge rectifiers, their working principles, and why they are crucial for the smooth operation of. Stay on and head further to dig out everything about bridge rectifier circuit, it’s types, how it works, characteristics, applications and advantages. Learn its working, construction, characteristics and more. Uses controlled switches such as mosfets or igbts with control logic. Bridge rectifiers for a particular application are selected by considering the load current requirements.
Bridge Rectifier Construction, Working, Characteristics and Types
Bridge Rectifier Types Learn its working, construction, characteristics and more. Stay on and head further to dig out everything about bridge rectifier circuit, it’s types, how it works, characteristics, applications and advantages. Bridge rectifier is a type of rectifier that uses four or more diodes in a bridge configuration. It is the most efficient rectifier circuit. The diodes conduct in pairs through. Bridge rectifiers for a particular application are selected by considering the load current requirements. Learn its working, construction, characteristics and more. Uses controlled switches such as mosfets or igbts with control logic. Find out the 4 types of bridge rectifiers, their working principles, and why they are crucial for the smooth operation of.
From www.student-circuit.com
What is a singlephase fullwave rectifier Bridge Rectifier Types It is the most efficient rectifier circuit. Learn its working, construction, characteristics and more. Find out the 4 types of bridge rectifiers, their working principles, and why they are crucial for the smooth operation of. Bridge rectifiers for a particular application are selected by considering the load current requirements. Uses controlled switches such as mosfets or igbts with control logic.. Bridge Rectifier Types.
From www.thegeekpub.com
Bridge Rectifier Circuit Electronics Basics The Geek Pub Bridge Rectifier Types Find out the 4 types of bridge rectifiers, their working principles, and why they are crucial for the smooth operation of. Uses controlled switches such as mosfets or igbts with control logic. Stay on and head further to dig out everything about bridge rectifier circuit, it’s types, how it works, characteristics, applications and advantages. Bridge rectifier is a type of. Bridge Rectifier Types.
From www.geeksforgeeks.org
Bridge Rectifier Construction, Working, Characteristics and Types Bridge Rectifier Types It is the most efficient rectifier circuit. Find out the 4 types of bridge rectifiers, their working principles, and why they are crucial for the smooth operation of. Stay on and head further to dig out everything about bridge rectifier circuit, it’s types, how it works, characteristics, applications and advantages. Bridge rectifier is a type of rectifier that uses four. Bridge Rectifier Types.
From www.collegesearch.in
Rectifier Definition, Types, Application, Uses and Working Principle Bridge Rectifier Types It is the most efficient rectifier circuit. The diodes conduct in pairs through. Uses controlled switches such as mosfets or igbts with control logic. Find out the 4 types of bridge rectifiers, their working principles, and why they are crucial for the smooth operation of. Learn its working, construction, characteristics and more. Stay on and head further to dig out. Bridge Rectifier Types.
From www.circuits-diy.com
FullWave Bridge Rectifier Circuit Bridge Rectifier Types The diodes conduct in pairs through. Bridge rectifiers for a particular application are selected by considering the load current requirements. Stay on and head further to dig out everything about bridge rectifier circuit, it’s types, how it works, characteristics, applications and advantages. It is the most efficient rectifier circuit. Find out the 4 types of bridge rectifiers, their working principles,. Bridge Rectifier Types.
From www.circuitbread.com
CenterTapped FullWave Rectifier Operation … CircuitBread Bridge Rectifier Types Learn its working, construction, characteristics and more. Stay on and head further to dig out everything about bridge rectifier circuit, it’s types, how it works, characteristics, applications and advantages. Bridge rectifier is a type of rectifier that uses four or more diodes in a bridge configuration. The diodes conduct in pairs through. It is the most efficient rectifier circuit. Find. Bridge Rectifier Types.
From www.geeksforgeeks.org
Bridge Rectifier Construction, Working, Characteristics and Types Bridge Rectifier Types Bridge rectifier is a type of rectifier that uses four or more diodes in a bridge configuration. Find out the 4 types of bridge rectifiers, their working principles, and why they are crucial for the smooth operation of. Stay on and head further to dig out everything about bridge rectifier circuit, it’s types, how it works, characteristics, applications and advantages.. Bridge Rectifier Types.
From mavink.com
Full Wave Bridge Rectifier Diagram Bridge Rectifier Types Uses controlled switches such as mosfets or igbts with control logic. Learn its working, construction, characteristics and more. Bridge rectifier is a type of rectifier that uses four or more diodes in a bridge configuration. It is the most efficient rectifier circuit. The diodes conduct in pairs through. Find out the 4 types of bridge rectifiers, their working principles, and. Bridge Rectifier Types.
From hackaday.com
Scope Noob Bridge Rectifier Hackaday Bridge Rectifier Types Stay on and head further to dig out everything about bridge rectifier circuit, it’s types, how it works, characteristics, applications and advantages. Uses controlled switches such as mosfets or igbts with control logic. Bridge rectifier is a type of rectifier that uses four or more diodes in a bridge configuration. Find out the 4 types of bridge rectifiers, their working. Bridge Rectifier Types.
From www.electronicsforu.com
Bridge Rectifier Circuit, Construction, Working, and Types Bridge Rectifier Types Uses controlled switches such as mosfets or igbts with control logic. Learn its working, construction, characteristics and more. Bridge rectifier is a type of rectifier that uses four or more diodes in a bridge configuration. Bridge rectifiers for a particular application are selected by considering the load current requirements. It is the most efficient rectifier circuit. The diodes conduct in. Bridge Rectifier Types.
From www.electronicshub.org
Full Wave Bridge Rectifier Circuit Working and Applications Bridge Rectifier Types Uses controlled switches such as mosfets or igbts with control logic. Find out the 4 types of bridge rectifiers, their working principles, and why they are crucial for the smooth operation of. The diodes conduct in pairs through. Bridge rectifiers for a particular application are selected by considering the load current requirements. Learn its working, construction, characteristics and more. Stay. Bridge Rectifier Types.
From wiredataedwin.z6.web.core.windows.net
Full Wave Rectifier Circuit Diagram Bridge Rectifier Types Uses controlled switches such as mosfets or igbts with control logic. Bridge rectifier is a type of rectifier that uses four or more diodes in a bridge configuration. Learn its working, construction, characteristics and more. Bridge rectifiers for a particular application are selected by considering the load current requirements. It is the most efficient rectifier circuit. Stay on and head. Bridge Rectifier Types.
From www.electrician-1.com
Difference Between Full Wave Bridge Rectifier and Full Wave Center Tap Bridge Rectifier Types Bridge rectifiers for a particular application are selected by considering the load current requirements. Bridge rectifier is a type of rectifier that uses four or more diodes in a bridge configuration. The diodes conduct in pairs through. Learn its working, construction, characteristics and more. Find out the 4 types of bridge rectifiers, their working principles, and why they are crucial. Bridge Rectifier Types.
From electricalworkbook.com
What is Bridge Rectifier? Working, Circuit Diagram & Waveforms Bridge Rectifier Types Bridge rectifier is a type of rectifier that uses four or more diodes in a bridge configuration. Stay on and head further to dig out everything about bridge rectifier circuit, it’s types, how it works, characteristics, applications and advantages. Bridge rectifiers for a particular application are selected by considering the load current requirements. It is the most efficient rectifier circuit.. Bridge Rectifier Types.
From mungfali.com
Full Wave Bridge Rectifier Waveform Bridge Rectifier Types The diodes conduct in pairs through. Bridge rectifiers for a particular application are selected by considering the load current requirements. Uses controlled switches such as mosfets or igbts with control logic. Bridge rectifier is a type of rectifier that uses four or more diodes in a bridge configuration. It is the most efficient rectifier circuit. Stay on and head further. Bridge Rectifier Types.
From www.watelectrical.com
Bridge Rectifier Working Principle, Circuit Diagram, Types & Benefits Bridge Rectifier Types Stay on and head further to dig out everything about bridge rectifier circuit, it’s types, how it works, characteristics, applications and advantages. The diodes conduct in pairs through. Uses controlled switches such as mosfets or igbts with control logic. It is the most efficient rectifier circuit. Find out the 4 types of bridge rectifiers, their working principles, and why they. Bridge Rectifier Types.
From www.electricaltechnology.org
What is a Rectifier? Types of Rectifiers and their Operation Bridge Rectifier Types Find out the 4 types of bridge rectifiers, their working principles, and why they are crucial for the smooth operation of. Stay on and head further to dig out everything about bridge rectifier circuit, it’s types, how it works, characteristics, applications and advantages. Bridge rectifier is a type of rectifier that uses four or more diodes in a bridge configuration.. Bridge Rectifier Types.
From www.slidemake.com
Construction And Working Of Bridge Rectifier Presentation Bridge Rectifier Types Bridge rectifier is a type of rectifier that uses four or more diodes in a bridge configuration. Find out the 4 types of bridge rectifiers, their working principles, and why they are crucial for the smooth operation of. It is the most efficient rectifier circuit. Bridge rectifiers for a particular application are selected by considering the load current requirements. Learn. Bridge Rectifier Types.
From schematicdiagramglocer.z19.web.core.windows.net
Bridge Rectifier Circuit Diagram With Working Bridge Rectifier Types Find out the 4 types of bridge rectifiers, their working principles, and why they are crucial for the smooth operation of. Stay on and head further to dig out everything about bridge rectifier circuit, it’s types, how it works, characteristics, applications and advantages. Bridge rectifiers for a particular application are selected by considering the load current requirements. Bridge rectifier is. Bridge Rectifier Types.
From stelltron.co.za
Full Wave Bridge Rectifier 2W10 2A [10 PACK] Stelltron Bridge Rectifier Types Bridge rectifiers for a particular application are selected by considering the load current requirements. It is the most efficient rectifier circuit. The diodes conduct in pairs through. Find out the 4 types of bridge rectifiers, their working principles, and why they are crucial for the smooth operation of. Stay on and head further to dig out everything about bridge rectifier. Bridge Rectifier Types.
From byjusexamprep.com
Rectifier Circuit Definition, Types [GATE Notes] Bridge Rectifier Types Bridge rectifier is a type of rectifier that uses four or more diodes in a bridge configuration. Uses controlled switches such as mosfets or igbts with control logic. Stay on and head further to dig out everything about bridge rectifier circuit, it’s types, how it works, characteristics, applications and advantages. Find out the 4 types of bridge rectifiers, their working. Bridge Rectifier Types.
From mungfali.com
Full Wave Bridge Rectifier Schematic Bridge Rectifier Types Learn its working, construction, characteristics and more. Bridge rectifiers for a particular application are selected by considering the load current requirements. It is the most efficient rectifier circuit. Bridge rectifier is a type of rectifier that uses four or more diodes in a bridge configuration. Stay on and head further to dig out everything about bridge rectifier circuit, it’s types,. Bridge Rectifier Types.
From enginediagramkrueger.z19.web.core.windows.net
Explain Circuit Diagram Of Bridge Rectifier Bridge Rectifier Types Learn its working, construction, characteristics and more. Uses controlled switches such as mosfets or igbts with control logic. Stay on and head further to dig out everything about bridge rectifier circuit, it’s types, how it works, characteristics, applications and advantages. Find out the 4 types of bridge rectifiers, their working principles, and why they are crucial for the smooth operation. Bridge Rectifier Types.
From www.slidemake.com
Construction And Working Of Bridge Rectifier Bridge Rectifier Types Bridge rectifiers for a particular application are selected by considering the load current requirements. Bridge rectifier is a type of rectifier that uses four or more diodes in a bridge configuration. Uses controlled switches such as mosfets or igbts with control logic. Stay on and head further to dig out everything about bridge rectifier circuit, it’s types, how it works,. Bridge Rectifier Types.
From circuitdbribaudred.z21.web.core.windows.net
Bridge Rectifier Circuit Diagram Explained Bridge Rectifier Types It is the most efficient rectifier circuit. Learn its working, construction, characteristics and more. Bridge rectifier is a type of rectifier that uses four or more diodes in a bridge configuration. Stay on and head further to dig out everything about bridge rectifier circuit, it’s types, how it works, characteristics, applications and advantages. Uses controlled switches such as mosfets or. Bridge Rectifier Types.
From www.tpsearchtool.com
Full Wave Bridge Rectifier With Diagram Pcb Designs Images Bridge Rectifier Types Bridge rectifiers for a particular application are selected by considering the load current requirements. It is the most efficient rectifier circuit. Stay on and head further to dig out everything about bridge rectifier circuit, it’s types, how it works, characteristics, applications and advantages. Learn its working, construction, characteristics and more. Bridge rectifier is a type of rectifier that uses four. Bridge Rectifier Types.
From www.thegeekpub.com
Bridge Rectifier Circuit Electronics Basics The Geek Pub Bridge Rectifier Types Uses controlled switches such as mosfets or igbts with control logic. Stay on and head further to dig out everything about bridge rectifier circuit, it’s types, how it works, characteristics, applications and advantages. Bridge rectifiers for a particular application are selected by considering the load current requirements. It is the most efficient rectifier circuit. Learn its working, construction, characteristics and. Bridge Rectifier Types.
From userdataevelyn.z21.web.core.windows.net
Bridge Full Wave Rectifier Circuit Diagram Bridge Rectifier Types The diodes conduct in pairs through. It is the most efficient rectifier circuit. Bridge rectifiers for a particular application are selected by considering the load current requirements. Uses controlled switches such as mosfets or igbts with control logic. Stay on and head further to dig out everything about bridge rectifier circuit, it’s types, how it works, characteristics, applications and advantages.. Bridge Rectifier Types.
From mungfali.com
Full Wave Bridge Rectifier Schematic Bridge Rectifier Types Bridge rectifier is a type of rectifier that uses four or more diodes in a bridge configuration. Stay on and head further to dig out everything about bridge rectifier circuit, it’s types, how it works, characteristics, applications and advantages. Bridge rectifiers for a particular application are selected by considering the load current requirements. Uses controlled switches such as mosfets or. Bridge Rectifier Types.
From robhosking.com
13+ Bridge Rectifier Schematic Robhosking Diagram Bridge Rectifier Types The diodes conduct in pairs through. It is the most efficient rectifier circuit. Learn its working, construction, characteristics and more. Find out the 4 types of bridge rectifiers, their working principles, and why they are crucial for the smooth operation of. Bridge rectifier is a type of rectifier that uses four or more diodes in a bridge configuration. Bridge rectifiers. Bridge Rectifier Types.
From www.youtube.com
Single Phase Full Wave Diode Bridge Rectifier With Rl Load(हिन्दी Bridge Rectifier Types The diodes conduct in pairs through. Bridge rectifiers for a particular application are selected by considering the load current requirements. Bridge rectifier is a type of rectifier that uses four or more diodes in a bridge configuration. Stay on and head further to dig out everything about bridge rectifier circuit, it’s types, how it works, characteristics, applications and advantages. It. Bridge Rectifier Types.
From www.tutoroot.com
InDepth Guide to Full Wave Rectifier Circuit Diagram, Waveform Bridge Rectifier Types Bridge rectifier is a type of rectifier that uses four or more diodes in a bridge configuration. The diodes conduct in pairs through. Uses controlled switches such as mosfets or igbts with control logic. Bridge rectifiers for a particular application are selected by considering the load current requirements. Find out the 4 types of bridge rectifiers, their working principles, and. Bridge Rectifier Types.
From www.electricity-magnetism.org
Bridge Rectifier How it works, Application & Advantages Bridge Rectifier Types Learn its working, construction, characteristics and more. Find out the 4 types of bridge rectifiers, their working principles, and why they are crucial for the smooth operation of. Uses controlled switches such as mosfets or igbts with control logic. It is the most efficient rectifier circuit. Stay on and head further to dig out everything about bridge rectifier circuit, it’s. Bridge Rectifier Types.
From www.geeksforgeeks.org
Bridge Rectifier Construction, Working, Characteristics and Types Bridge Rectifier Types Stay on and head further to dig out everything about bridge rectifier circuit, it’s types, how it works, characteristics, applications and advantages. The diodes conduct in pairs through. Bridge rectifiers for a particular application are selected by considering the load current requirements. It is the most efficient rectifier circuit. Learn its working, construction, characteristics and more. Find out the 4. Bridge Rectifier Types.
From www.youtube.com
FullWave Bridge Rectifier YouTube Bridge Rectifier Types The diodes conduct in pairs through. It is the most efficient rectifier circuit. Stay on and head further to dig out everything about bridge rectifier circuit, it’s types, how it works, characteristics, applications and advantages. Find out the 4 types of bridge rectifiers, their working principles, and why they are crucial for the smooth operation of. Uses controlled switches such. Bridge Rectifier Types.