From groupdiy.com
DIY 4Band inductorbased EQ GroupDIY Audio Forum Diy Inductor Eq The eqp1s5 uses the frequency selections from. For one thing the filter. Is there a simple way to implement inductors into, a simple eq design consisting of only caps and resistors, lets say. Well, two things certainly contribute: What is it about this design that has placed it among the most desired and coveted of all eq’s in the history. Diy Inductor Eq.
From www.don-audio.com
Inductors RM8 (matched pair) Equalizer DIY Projects 312mh,155mh,78m Diy Inductor Eq What is it about this design that has placed it among the most desired and coveted of all eq’s in the history of recorded audio? The eqp1s5 uses the frequency selections from. Well, two things certainly contribute: Is there a simple way to implement inductors into, a simple eq design consisting of only caps and resistors, lets say. For one. Diy Inductor Eq.
From www.pinterest.com
Introduction to Inductors Diy gadgets electronics, Inductors, Diy Diy Inductor Eq For one thing the filter. The eqp1s5 uses the frequency selections from. Well, two things certainly contribute: What is it about this design that has placed it among the most desired and coveted of all eq’s in the history of recorded audio? Is there a simple way to implement inductors into, a simple eq design consisting of only caps and. Diy Inductor Eq.
From www.youtube.com
How To Make an Inductor at Home Make Induction Coil 100uH Diy Inductor Eq Is there a simple way to implement inductors into, a simple eq design consisting of only caps and resistors, lets say. The eqp1s5 uses the frequency selections from. What is it about this design that has placed it among the most desired and coveted of all eq’s in the history of recorded audio? For one thing the filter. Well, two. Diy Inductor Eq.
From www.thisnation.com
NOS vintage Opamp Labs 105 LF/106 HF Inductor EQ kit for DIY Pultec Diy Inductor Eq Well, two things certainly contribute: Is there a simple way to implement inductors into, a simple eq design consisting of only caps and resistors, lets say. For one thing the filter. The eqp1s5 uses the frequency selections from. What is it about this design that has placed it among the most desired and coveted of all eq’s in the history. Diy Inductor Eq.
From reverb.com
PULTEC Style inductors filter for DIY eq project ( WSW Reverb UK Diy Inductor Eq The eqp1s5 uses the frequency selections from. For one thing the filter. Is there a simple way to implement inductors into, a simple eq design consisting of only caps and resistors, lets say. Well, two things certainly contribute: What is it about this design that has placed it among the most desired and coveted of all eq’s in the history. Diy Inductor Eq.
From store.interphase.audio
Iridium DIY Inductor EQ Interphase Audio Diy Inductor Eq Well, two things certainly contribute: For one thing the filter. The eqp1s5 uses the frequency selections from. Is there a simple way to implement inductors into, a simple eq design consisting of only caps and resistors, lets say. What is it about this design that has placed it among the most desired and coveted of all eq’s in the history. Diy Inductor Eq.
From diy.usfokus.com
Stereo Pultec Eq Diy Do It Your Self Diy Inductor Eq Is there a simple way to implement inductors into, a simple eq design consisting of only caps and resistors, lets say. Well, two things certainly contribute: For one thing the filter. What is it about this design that has placed it among the most desired and coveted of all eq’s in the history of recorded audio? The eqp1s5 uses the. Diy Inductor Eq.
From imccampus.edu.lk
NOS vintage Opamp Labs 105 LF/106 HF Inductor EQ kit for DIY Pultec Diy Inductor Eq What is it about this design that has placed it among the most desired and coveted of all eq’s in the history of recorded audio? For one thing the filter. Is there a simple way to implement inductors into, a simple eq design consisting of only caps and resistors, lets say. The eqp1s5 uses the frequency selections from. Well, two. Diy Inductor Eq.
From makingcircuits.com
5 Band Graphic Equalizer Circuit Diy Inductor Eq The eqp1s5 uses the frequency selections from. What is it about this design that has placed it among the most desired and coveted of all eq’s in the history of recorded audio? For one thing the filter. Is there a simple way to implement inductors into, a simple eq design consisting of only caps and resistors, lets say. Well, two. Diy Inductor Eq.
From reverb.com
NOS vintage Opamp Labs 105 LF/106 HF Inductor EQ kit Reverb France Diy Inductor Eq For one thing the filter. Is there a simple way to implement inductors into, a simple eq design consisting of only caps and resistors, lets say. The eqp1s5 uses the frequency selections from. Well, two things certainly contribute: What is it about this design that has placed it among the most desired and coveted of all eq’s in the history. Diy Inductor Eq.
From www.pinterest.com
Complete Guide for Tech Beginners Inductors, Electronics basics, Diy Diy Inductor Eq What is it about this design that has placed it among the most desired and coveted of all eq’s in the history of recorded audio? Is there a simple way to implement inductors into, a simple eq design consisting of only caps and resistors, lets say. For one thing the filter. Well, two things certainly contribute: The eqp1s5 uses the. Diy Inductor Eq.
From reverb.com
handmade wax filter Inductors RM10 Equalizer DIY Pulteq Reverb Diy Inductor Eq Well, two things certainly contribute: For one thing the filter. Is there a simple way to implement inductors into, a simple eq design consisting of only caps and resistors, lets say. What is it about this design that has placed it among the most desired and coveted of all eq’s in the history of recorded audio? The eqp1s5 uses the. Diy Inductor Eq.
From www.thisnation.com
NOS vintage Opamp Labs 105 LF/106 HF Inductor EQ kit for DIY Pultec Diy Inductor Eq The eqp1s5 uses the frequency selections from. What is it about this design that has placed it among the most desired and coveted of all eq’s in the history of recorded audio? Is there a simple way to implement inductors into, a simple eq design consisting of only caps and resistors, lets say. Well, two things certainly contribute: For one. Diy Inductor Eq.
From www.176iot.com
Parametric Equalizer Schematic Diagram IOT Wiring Diagram Diy Inductor Eq For one thing the filter. Is there a simple way to implement inductors into, a simple eq design consisting of only caps and resistors, lets say. What is it about this design that has placed it among the most desired and coveted of all eq’s in the history of recorded audio? The eqp1s5 uses the frequency selections from. Well, two. Diy Inductor Eq.
From guidemanualexcrescent.z21.web.core.windows.net
31 Band Graphic Equalizer Circuit Diagram Diy Inductor Eq The eqp1s5 uses the frequency selections from. Is there a simple way to implement inductors into, a simple eq design consisting of only caps and resistors, lets say. What is it about this design that has placed it among the most desired and coveted of all eq’s in the history of recorded audio? For one thing the filter. Well, two. Diy Inductor Eq.
From reverb.com
DIY “Type 69” discrete preamp + inductor EQ clone (500 series Reverb Diy Inductor Eq The eqp1s5 uses the frequency selections from. Is there a simple way to implement inductors into, a simple eq design consisting of only caps and resistors, lets say. For one thing the filter. Well, two things certainly contribute: What is it about this design that has placed it among the most desired and coveted of all eq’s in the history. Diy Inductor Eq.
From www.researchgate.net
Conventional inductorbased equalizer circuit. Download Scientific Diy Inductor Eq Is there a simple way to implement inductors into, a simple eq design consisting of only caps and resistors, lets say. What is it about this design that has placed it among the most desired and coveted of all eq’s in the history of recorded audio? Well, two things certainly contribute: The eqp1s5 uses the frequency selections from. For one. Diy Inductor Eq.
From www.recproaudio.com
Pultec EQP1A Equalizer Pro Audio Equipment DIY DIY Vintage Pultec Diy Inductor Eq For one thing the filter. Well, two things certainly contribute: The eqp1s5 uses the frequency selections from. Is there a simple way to implement inductors into, a simple eq design consisting of only caps and resistors, lets say. What is it about this design that has placed it among the most desired and coveted of all eq’s in the history. Diy Inductor Eq.
From www.don-audio.com
Classic EQP1A Inductor RM8 150mH, 82mH, 68mH, 47mH, 33mH, 27mH, 26 Diy Inductor Eq The eqp1s5 uses the frequency selections from. Is there a simple way to implement inductors into, a simple eq design consisting of only caps and resistors, lets say. For one thing the filter. What is it about this design that has placed it among the most desired and coveted of all eq’s in the history of recorded audio? Well, two. Diy Inductor Eq.
From www.youtube.com
How INDUCTOR's work & How to make your own YouTube Diy Inductor Eq Is there a simple way to implement inductors into, a simple eq design consisting of only caps and resistors, lets say. For one thing the filter. The eqp1s5 uses the frequency selections from. What is it about this design that has placed it among the most desired and coveted of all eq’s in the history of recorded audio? Well, two. Diy Inductor Eq.
From reverb.com
DIY “Type 69” discrete preamp + inductor EQ clone (500 series Reverb Diy Inductor Eq The eqp1s5 uses the frequency selections from. For one thing the filter. Well, two things certainly contribute: What is it about this design that has placed it among the most desired and coveted of all eq’s in the history of recorded audio? Is there a simple way to implement inductors into, a simple eq design consisting of only caps and. Diy Inductor Eq.
From store.interphase.audio
Iridium DIY Inductor EQ Interphase Audio Diy Inductor Eq Is there a simple way to implement inductors into, a simple eq design consisting of only caps and resistors, lets say. What is it about this design that has placed it among the most desired and coveted of all eq’s in the history of recorded audio? The eqp1s5 uses the frequency selections from. For one thing the filter. Well, two. Diy Inductor Eq.
From www.homemade-circuits.com
10 Band Graphic Equalizer Circuit Homemade Circuit Projects Diy Inductor Eq For one thing the filter. Well, two things certainly contribute: The eqp1s5 uses the frequency selections from. Is there a simple way to implement inductors into, a simple eq design consisting of only caps and resistors, lets say. What is it about this design that has placed it among the most desired and coveted of all eq’s in the history. Diy Inductor Eq.
From imccampus.edu.lk
NOS vintage Opamp Labs 105 LF/106 HF Inductor EQ kit for DIY Pultec Diy Inductor Eq Is there a simple way to implement inductors into, a simple eq design consisting of only caps and resistors, lets say. What is it about this design that has placed it among the most desired and coveted of all eq’s in the history of recorded audio? For one thing the filter. The eqp1s5 uses the frequency selections from. Well, two. Diy Inductor Eq.
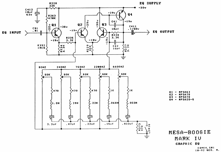
From groupdiy.com
Mesa Boggie Mark series EQ question GroupDIY Audio Forum Diy Inductor Eq What is it about this design that has placed it among the most desired and coveted of all eq’s in the history of recorded audio? The eqp1s5 uses the frequency selections from. For one thing the filter. Well, two things certainly contribute: Is there a simple way to implement inductors into, a simple eq design consisting of only caps and. Diy Inductor Eq.
From wiringdbrichards.z21.web.core.windows.net
Parametric Equalizer Circuit Diagram Diy Inductor Eq Well, two things certainly contribute: What is it about this design that has placed it among the most desired and coveted of all eq’s in the history of recorded audio? Is there a simple way to implement inductors into, a simple eq design consisting of only caps and resistors, lets say. For one thing the filter. The eqp1s5 uses the. Diy Inductor Eq.
From www.reddit.com
diy inductor, sizing conductor r/AskElectronics Diy Inductor Eq Well, two things certainly contribute: The eqp1s5 uses the frequency selections from. For one thing the filter. Is there a simple way to implement inductors into, a simple eq design consisting of only caps and resistors, lets say. What is it about this design that has placed it among the most desired and coveted of all eq’s in the history. Diy Inductor Eq.
From www.youtube.com
DIY Inductor How Impedance & Quality, Q Factor Influences Frequency Diy Inductor Eq The eqp1s5 uses the frequency selections from. What is it about this design that has placed it among the most desired and coveted of all eq’s in the history of recorded audio? Well, two things certainly contribute: Is there a simple way to implement inductors into, a simple eq design consisting of only caps and resistors, lets say. For one. Diy Inductor Eq.
From an-anti.blogspot.com
Diy Welding Inductor Diy Inductor Eq The eqp1s5 uses the frequency selections from. What is it about this design that has placed it among the most desired and coveted of all eq’s in the history of recorded audio? Is there a simple way to implement inductors into, a simple eq design consisting of only caps and resistors, lets say. Well, two things certainly contribute: For one. Diy Inductor Eq.
From qastack.mx
¿Cómo crear grandes inductores (1H) para uso de audio? Diy Inductor Eq What is it about this design that has placed it among the most desired and coveted of all eq’s in the history of recorded audio? Well, two things certainly contribute: For one thing the filter. Is there a simple way to implement inductors into, a simple eq design consisting of only caps and resistors, lets say. The eqp1s5 uses the. Diy Inductor Eq.
From www.don-audio.com
Inductors (matched pair) Equalizer DIY Projects 312,155,78,39,26mH, Diy Inductor Eq Is there a simple way to implement inductors into, a simple eq design consisting of only caps and resistors, lets say. For one thing the filter. Well, two things certainly contribute: The eqp1s5 uses the frequency selections from. What is it about this design that has placed it among the most desired and coveted of all eq’s in the history. Diy Inductor Eq.
From diy.midwestaudio.club
Winding your own inductors — MAC/DIY Diy Inductor Eq Well, two things certainly contribute: The eqp1s5 uses the frequency selections from. What is it about this design that has placed it among the most desired and coveted of all eq’s in the history of recorded audio? For one thing the filter. Is there a simple way to implement inductors into, a simple eq design consisting of only caps and. Diy Inductor Eq.
From www.eleccircuit.com
DIY inductor coil from compact Fluorescent Light ElecCircuit Diy Inductor Eq The eqp1s5 uses the frequency selections from. For one thing the filter. What is it about this design that has placed it among the most desired and coveted of all eq’s in the history of recorded audio? Well, two things certainly contribute: Is there a simple way to implement inductors into, a simple eq design consisting of only caps and. Diy Inductor Eq.
From www.homemade-circuits.com
10 Band Graphic Equalizer Circuit Homemade Circuit Projects Diy Inductor Eq Is there a simple way to implement inductors into, a simple eq design consisting of only caps and resistors, lets say. For one thing the filter. What is it about this design that has placed it among the most desired and coveted of all eq’s in the history of recorded audio? The eqp1s5 uses the frequency selections from. Well, two. Diy Inductor Eq.